Адаптивный электропривод робота-манипулятора с вертикально-ангулярной кинематической схемой (6) (1189857), страница 5
Текст из файла (страница 5)
В итоге получилась классическая передаточная функция ПИД-регулятора, схема которого показана на рис. 3.3:
Рисунок 3.3 - Схема ПИД - регулятора
Не сложно заметить, что ПИД-регулятор характеризуется тремя коэффициентами kп, kи и kд. Для расчета этих коэффициентов необходимо знать параметры объекта управления, в данном случае двигателя.
3.1.1 Третья степень подвижности
Данные, необходимые для расчета коэффициентов ПИД-регулятора, указаны в таблице 3.1.
Таблица 3.1 - Данные двигателя, необходимые для синтеза ПИД-регулятора
| Параметр | Значение |
|
| 36 В |
|
| 6380 об/мин |
|
| 0,966*10-3 мГн |
|
| 1,74 Ом |
|
| 0,108 Нм |
|
| 1,93 А |
|
| 1,81*10-5 кг*м2 |
Нахождение электромагнитной постоянной времени:
где
– индуктивность якорной обмотки двигателя (мГн);
Ra – сопротивление якорной обмотки двигателя (Ом).
Нахождение номинального количества оборотов в рад/с:
Нахождение коэффициента ЭДС двигателя:
где
– номинальное напряжение питания двигателя (В);
Нахождение коэффициента электромагнитного момента двигателя:
где
– номинальный момент двигателя (Нм);
– номинальный ток двигателя (А).
Нахождение электромеханической постоянной времени:
где
– момент инерции ротора двигателя (кг*м2).
Нахождение коэффициента энкодера:
Нахождение желаемого времени регулирования:
где Т3 * 0,05 – время, за которое схват манипулятора должен разогнаться до 1 м/с.
Расчет коэффициента интегрирования:
Расчет пропорционального коэффициента:
Расчет коэффициента дифференцирования:
3.2 Вторая степень подвижности
Расчет ведется по тем же формулам, что и в пункте 3.1. Данные двигателя 2-ой степени подвижности, необходимые для расчета коэффициентов ПИД-регулятора, указаны в таблице 3.2
Таблица 3.2 - Данные двигателя, необходимые для синтеза ПИД-регулятора
| Параметр | Значение |
|
| 36 В |
|
| 3170 об/мин |
|
| 0,188*10-3 мГн |
|
| 0,307 Ом |
|
| 0,108 Нм |
|
| 1,93 А |
|
| 1,81*10-5 кг*м2 |
Нахождение электромагнитной постоянной времени:
Нахождение номинального количества оборотов в рад/с:
Нахождение коэффициента ЭДС двигателя:
Нахождение коэффициента электромагнитного момента двигателя:
Нахождение электромеханической постоянной времени:
Нахождение коэффициента энкодера:
Нахождение желаемого времени регулирования:
где Т2 * 0,05 – время, за которое схват манипулятора должен разогнаться до 1 м/с.
Расчет коэффициента интегрирования:
Расчет пропорционального коэффициента:
Расчет коэффициента дифференцирования:
3.3 Первая степень подвижности
Так как во второй и в первой степенях подвижности установлены одинаковые двигатели и энкодеры, то значения Тэ, Тм, kэнк берутся из формул (3.11), (3.15), (3.5) соответственно пункта 3.2.1.
Нахождение желаемого времени регулирования:
где Т1 * 0,05 – время, за которое схват манипулятора должен разогнаться до 1 м/с.
Расчет коэффициента интегрирования:
Расчет пропорционального коэффициента:
Расчет коэффициента дифференцирования:
4 Реализация компьютерной модели электропривода и проведение экспериментальных исследований
Реализация компьютерных моделей велась в пакете прикладных математических программ Scilab (Разработчик – Scilab Enterprises), предоставляющем открытое окружение для инженерных (технических) и научных расчётов. Это самая полная общедоступная альтернатива MATLAB.
4.1 Третья степень подвижности
Прежде всего, на основе уже выбранной элементной базы, была воспроизведена схема двигателя третьей степени подвижности, показанная на рисунок - 4.1.
Рисунок 4.1 - Схема двигателя третьей степени подвижности
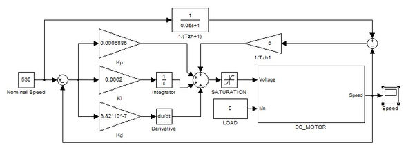
Следующим этапом, было построение СУ под управлением ПИД-регулятора, схема которой отображена на рисунке 4.2. Чтобы убедиться, что данная система управления справляется со своей задачей, на двигатель был подан нулевой момент нагрузки, а на вход системы было подано 80% от номинальной частоты вращения вала двигателя:
ωхх 0,8 = 530 рад/с .
Рисунок 4.2 - Схема САУ под управлением ПИД-регулятора
Качество переходного процесса данной схемы можно увидеть на рис. 4.3. На оси абсцисс данного графика отображена частота вращения вала двигателя (ω, рад/с), что является итогом работы системы управления. На оси ординат отображено время (t, с). Таким образом, можно убедиться, что система управления справилась со своей задачей: количество оборотов на выходе системы соответствует заданному, а время регулирования tрег намного меньше, чем 5Тж.
Рисунок 4.3 - Переходной процесс САУ с ПИД-регулятором
4.1.1 Построение и обоснование контура адаптации
На следующем этапе работы рассмотрены вопросы, связанные с возможностью и эффективностью введения в систему управления контура адаптации, что должно сделать эту систему адаптивной.
Адаптивное управление – совокупность методов теории управления, позволяющих синтезировать системы управления, которые имеют возможность изменять параметры регулятора или структуру регулятора в зависимости от изменения параметров объекта управления или внешних возмущений, действующих на объект управления.
Проанализировав возможные способы построения адаптивной системы, и учитывая условия технического задания, было решено строить беспоисковую адаптивную систему с эталонной моделью. Адаптивная система с эталонной моделью (далее – САУ с ЭМ) содержит динамическую модель системы, обладающую требуемым качеством.
Подобная система работает следующим образом: сигнал на выходе эталонной модели сравнивается с сигналом на выходе системы. Корректирующее звено Wk вырабатывает сигнал, пропорциональный этой разности. Формируется дополнительный корректирующий сигнал. Параметры регулятора остаются неизменными. Для выполнения необходимого условия достаточно, чтобы значение Wk было на один-два порядка больше, чем значение Тж.
Для построения системы необходимы два значения – желаемое время регулирования – Тж, которое было рассчитано по формуле (5.16) для третьей степени подвижности, и корректирующее звено Wk, которое было принято равным 4. На рис. 4.4 показана собранная схема САУ с ЭМ для третьей степени подвижности.
Рисунок 4.4 - Схема САУ с ЭМ
Для того чтобы понять разницу в работе САУ под управлением ПИД-регулятора и САУ с ЭМ, было проведено сравнение обоих переходных процессов без нагрузки и с номинальным моментом нагрузки на двигатель. Сравнения переходных процессов отображены на рис. 4.5 и 4.6 соответственно.
Рисунок 4.5 - Сравнение переходных процессов САУ с ПИД-регулятором (зеленый цвет) и САУ с ЭМ (синий цвет) без нагрузки.
На рисунке 4.5 видно, что переходной процесс САУ с ПИД-регулятором опережает САУ с ЭМ. Очевидно, что быстродействие САУ с ПИД-регулятором при отсутствии нагрузки существенно лучше, чем САУ с ЭМ.
Рисунок 4.6 - Сравнение переходных процессов САУ с ПИД-регулятором (зеленый цвет) и САУ с ЭМ (синий цвет) с номинальным моментом нагрузки.
В режиме с номинальным нагрузочным моментом переходной процесс САУ с ПИД-регулятором в первый момент времени идет в область отрицательной частоты вращения, что говорит о долгой подстройке регулятора при подаче нагрузки на двигатель. САУ с ЭМ имеет практически такой же переходной процесс, как и без нагрузки (в чем можно убедиться, посмотрев на рис. 4.7). Из этого следует, что САУ с ЭМ обладает более высоким качеством.
Рисунок 4.7 - Сравнение переходных процессов САУ с ПИД-регулятором (зеленый цвет) и САУ с ЭМ (синий цвет) с номинальным моментом нагрузки в увеличенном масштабе
Так как в этой части выпускной работы осуществляется разработка адаптивного электропривода, система управления которого должна подстраиваться под изменения динамического момента, то работу САУ с ЭМ необходимо проверить на возмущения момента нагрузки, для чего на двигатель был подан переменный момент нагрузки.
График переменного момента и сравнение переходных процессов САУ с ПИД-регулятором и САУ с ЭМ при переменном моменте можно увидеть на рис. 4.7 и 4.8 соответственно.
Рисунок 4.7 - График переменного момента нагрузки
На оси абсцисс данного графика (рис. 4.7) отображен момент инерции нагрузки на двигатель (J, кг м2), на оси ординат – время (t, с).
В результате работы обеих систем были получены следующие переходные процессы:
Рисунок 4.8 - Переходные процессы САУ с ПИД-регулятором (зеленый цвет) и САУ с ЭМ (синий цвет) при переменном моменте нагрузки
Из графика на рисунке 4.8 видно, что при переменном моменте нагрузки переходной процесс САУ с ПИД-регулятором сначала идет в область отрицательной частоты вращения, а потом входит в периодический режим, а САУ с ЭМ имеет желаемый переходной процесс (в чем можно убедиться, посмотрев на рис. 4.9). Это свидетельствует о более высоком качестве САУ с ЭМ.















