Адаптивный электропривод робота-манипулятора с вертикально-ангулярной кинематической схемой (6) (1189857)
Текст из файла
Содержание
ВВЕДЕНИЕ 7
1 ОБЗОР И АНАЛИЗ ПРЕДМЕТНОЙ ОБЛАСТИ 8
1.1 Обзор роботов-манипуляторов с анологичными кинематическими схемами . 8
1.1.1 Промышленный робот РМ-01 8
1.1.2 Промышленный робот KUKA KR 6-2 12
1.1.3 Робот "Электроника НЦТМ-30" 15
1.2 Электропривод 16
1.3 Датчик положения 17
1.4 Объект разработки 18
1.5 Разработка функциональной схемы электропривода 19
2 РАЗРАБОТКА И РАСЧЕТ КИНЕМАТИЧЕСКОЙ СХЕМЫ РОБОТА-МАНИПУЛЯТОРА, ВЫБОР ЭЛЕМЕНТНОЙ БАЗЫ ЭЛЕКТРОПРИВОДА 20
2.1 Третья степень подвижности 20
2.1.1 Разработка кинематической схемы 21
2.1.2 Расчет кинематической схемы 22
2.1.3 Выбор и обоснование двигателя 24
2.1.4 Выбор и обоснование датчика 26
2.2 Вторая степень подвижности 27
2.2.1 Разработка кинематической схемы 28
2.2.2 Расчет кинематической схемы 29
2.2.3 Выбор и обоснование двигателя 31
2.2.4 Выбор и обоснование датчика 33
2.3 Первая степень подвижности 34
2.3.1 Разработка кинематической схемы 35
2.3.2 Расчет кинематической схемы 35
2.3.3 Выбор и обоснование двигателя 37
2.3.4 Выбор и обоснование датчика 38
2.4 Структурная схема электропривода 39
3 РАЗРАБОТКА СИСТЕМЫ УПРАВЛЕНИЯ 41
3.1 Синтез и реализация «ПИД»-регулятора 43
3.1.1 Третья степень подвижности 45
3.2 Вторая степень подвижности 47
3.3 Первая степень подвижности 49
4 РЕАЛИЗАЦИЯ КОМПЬЮТЕРНОЙ МОДЕЛИ ЭЛЕКТРОПРИВОДА И ПРОВЕДЕНИЕ ЭКСПЕРЕМЕНТАЛЬНЫХ ИССЛЕДОВАНИЙ 50
4.1 Третья степень подвижности 50
4.1.1 Построение и обоснование контура адаптации 52
4.2. Вторая степень подвижности 57
4.2.1 Построение контура адаптации 58
4.3 Первая степень подвижности 60
4.3.1 Построение контура адаптации 61
4.4 Заключение 64
ЗАКЛЮЧЕНИЕ 65
Список используемых источников 67
ВВЕДЕНИЕ
На протяжении всей истории развития робототехники задачи повышения быстродействия и точности позиционирования были актуальными. Преимущественно хорошие и высокие показатели обеспечивались системой управления робота – созданием новых методов управления или совершенствованием старых.
Целью данной выпускной квалификационной работы является разработка адаптивного электропривода, в том числе его системы управления, обеспечивающей достаточно высокие показатели по быстродействию и точности позиционирования робота-манипулятора с вертикально-ангулярной кинематической схемой. Для достижения поставленной цели необходимо проанализировать существующие аналогичные устройства, разработать и провести расчеты кинематических схем каждой степени подвижности робота, на их основе осуществить выбор компонентной базы разрабатываемой системы (двигатель, датчик положения, редуктор), а также синтезировать систему автоматического управления электроприводом для работы в режиме статических и динамических нагрузок.
Объектом, для которого разрабатывается электропривод, является робот-манипулятор с вертикально-ангулярной кинематической схемой.
-
Обзор и анализ предметной области
-
Обзор роботов-манипуляторов с аналогичными кинематическими схемами
1.1.1 Промышленный робот РМ-01
Робот "РМ-01" (рис. 1.1) представляет собой универсальный электромеханический промышленный робот с управлением от ЭВМ. Число степеней подвижности – 6.
Робот состоит из двух основных частей: манипулятора модели "PUMA 560" и устройства управления модели "СФЕРА 36" с соединительными кабелями.
"РМ-01" – антропоморфный манипулятор с шестью степенями подвижности, способный выполнять самые разные движения. Звенья манипулятора соединяются друг с другом в суставах, и вращаются вокруг осей систем координат, идущих через центры суставов. Степени подвижности манипулятора показаны на рис. 1.2
Возможен как напольный, так и подвесной монтаж манипулятора. При обоих вариантах колонна должна быть в вертикальном положении.
Каждая степень подвижности робота имеет свой следящий привод на базе двигателя постоянного тока с возбуждением от постоянных магнитов. Редукция осуществляется через зубчатые редукторы.
Текущее состояние манипулятора определяется в отношении известного исходного (абсолютного) положения. Установка абсолютного положения (калибровка) производится с помощью потенциометров.
Для управления движением манипулятора необходимо постоянно контролировать положение и скорость движения звеньев. Для этого на вал каждого серводвигателя установлены в одном комплекте потенциометр и импульсный фотоэлектрический датчик. Вращение датчика обеспечивается вращением вала самого двигателя через скользящую муфту.
Серводвигатели оснащены электромагнитными тормозами, которые включаются при выключении питания двигателей. При этом манипулятор блокируется в том положении, в котором он стоял в момент выключения питания. Тормоза включаются также при случайном пропадании питания. Для техобслуживания и ремонта тормоза могут быть выключены, и тогда манипулятор можно двигать вручную.
Рисунок 1.1- Промышленный робот РМ-01
Рисунок 1.2 - Степени подвижности манипулятора РМ-01
Описание степеней подвижности РМ-01.
-
1-ая степень подвижности – колонна
Двигатель 1-ой степени подвижности установлен в кожухе нижней части колонны.
-
2-ая степень подвижности – плечо
Следящий двигатель и зубчатые передачи установлены в задней части звена между плечом и локтем.
-
3-я степень подвижности – локоть
Двигатель 3-ей степени подвижности размещен рядом с двигателем 2-ой степени подвижности между плечом и локтем.
-
4-ая, 5-ая и 6-ая степени подвижности – кисть
Двигатели размещены в предплечье у локтя.
4-ая степень подвижности – вращение кисти. 5-ая степень подвижности – качание кисти. 6-ая степень подвижности – вращение фланца кисти.
-
Схват
Стандартный схват снабжен пневмоцилиндром двойного действия, осуществляющим сжатие и разжатие губок схвата [10].
Краткие характеристики робота РМ-01 указаны в таблице 1.1
Таблица 1.1 - Краткие характеристики робота РМ-01
| Количество степеней подвижности | 6 |
| Грузоподъемность | 2,5 кг |
| Рабочая зона | 0,92 м |
| Точность | ± 0,1 мм |
| Масса | 53 кг |
| Варианты монтажа | Напольный, подвесной |
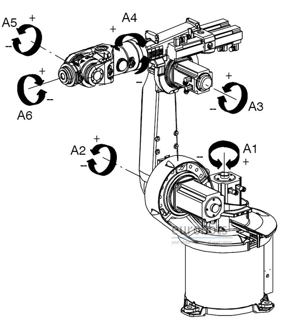
1.1.2 Промышленный робот KUKA KR 6-2
Промышленный робот KUKA KR 6-2 – отличный образец компактного и эффективного робота, предназначенного для широкого круга задач. Внешний вид манипулятора показан на рис. 1.3. Робот имеет 6 степеней подвижности, которые отображены на рис. 1.4.
Технологии сварки, упаковки, паллетирования, работы совместно со станками – области применения данной модели робота [11].
Краткие характеристики робота KUKA KR 6-2 указаны в таблице 1.2
Рисунок 1.3 - Промышленный робот KUKA KR 6-2
Рисунок 1.4 - Степени подвижности робота KUKA KR 6-2
Таблица 1.2 - Краткие характеристики робота KUKA KR 6-2
| Количество степеней подвижности | 6 |
| Грузоподъемность | 6 кг |
| Рабочая зона | 1,611 м |
| Точность | ± 0,1 мм |
| Масса | 235 кг |
| Варианты монтажа | Различные |
1.1.3 Робот "Электроника НЦТМ-30"
Робот "Электроника НЦТМ-30" относится к роботам с многозвенной рукой и предназначен для выполнения различных сборочных операций с деталями и узлами массой не более 1 кг. Общая масса манипулятора – 35 кг [12].
Краткие характеристики робота "Электроника НЦТМ-30" представлены в таблице 1.3. Внешний вид робота представлен на рис. 1.5.
Таблица 1.3 - Краткие характеристики робота "Электроника НЦТМ-30"
| Количество степеней подвижности | 7 |
| Грузоподъемность | ≤ 1 кг |
| Точность | ± 0,05 мм |
| Масса | 35 кг |
Рисунок 1.5 - Общий вид робота "Электроника НЦТМ-30"
1.2 Электропривод
Электрический привод – это электромеханическая система для приведения в движение исполнительных механизмов рабочих машин и управления этим движением.
Современный электропривод — это совокупность множества электромашин, аппаратов и систем управления ими. Он является основным потребителем электрической энергии и главным источником механической энергии в промышленности.
Отличительной особенностью приводов роботов является наличие управления. Это означает, что система управления должна обеспечивать на выходе задаваемый параметр: момент, скорость, положение, ускорение.
В данной выпускной работе основным исполнительным элементом электропривода является электродвигатель, который, по требованию технического задания, должен обеспечивать скорость перемещения звена манипулятора 1 м/с.
Современной промышленностью выпускаются электродвигатели различных типов: шаговые, постоянного тока (коллекторные и вентильные), переменного тока (асинхронные и синхронные) и пр. Для решения задач контролируемого движения в современных прецизионных системах все чаще применяются бесколлекторные двигатели. Такая тенденция обусловлена преимуществами вентильных двигателей и бурным развитием вычислительных возможностей микроэлектроники. Как известно, вентильные (в том числе работающие в режиме синхронных) двигатели обеспечивают наиболее высокие удельную мощность и энергетическую эффективность по сравнению с любым другим типом двигателя. Современный вентильный привод объединяет электрическую, механическую и электронную подсистемы в единое цельное мехатронное устройство. В рамках такого подхода удается значительно сократить габариты, избавиться от лишних преобразователей и промежуточных элементов, а значит повысить надежность всего привода в целом.
Исходя из вышеописанного, для выполнения данной квалификационной работы целесообразно совершить выбор электродвигателя в пользу вентильных двигателей постоянного тока.
1.3 Датчик положения
Датчик положения (иначе датчик угла поворота, или "энкодер") – это электромеханическое устройство, с помощью которого можно определить положение вращающейся оси (вала). В данном устройстве механическое движение преобразовывается в электрические сигналы, определяющие положение объекта, дают информацию об угле поворота вала, его положении и направлении вращения.
Энкодеры имеют широкую сферу применения в металлообработке, лифтовой технике, в испытательных стендах, а также в роботах и прочих машинах, требующих точной регистрации показателей движения частей.
Выделяют следующие типы энкодеров: инкрементальные (инкрементные) и абсолютные.
-
Инкрементальный энкодер
Инкрементальный энкодер – это устройство, которое определяет угол поворота вращающегося объекта, выдавая импульсный цифровой код. Используется для определения скорости вращения вала (оси), когда нет нужды сохранять абсолютное угловое положение при выключении питания. То есть, если вал неподвижен, передача импульсов прекращается. Другими словами, если включить энкодер этого типа, то отсчет поворота угла начнется с нуля, а не с угла, на который он был выставлен до момента выключения. Оси объекта и энкодера соединяются между собой с помощью специальной гибкой переходной муфты или жесткой втулки, либо энкодер может помещаться собственно на сам вал. Основным преимуществом инкрементальных энкодеров является их простота, надежность и относительно низкая стоимость.
-
Абсолютный энкодер
Абсолютный энкодер выдает цифровой код, различный для каждого положения объекта, позволяет определять угол поворота оси даже в случае исчезновения и восстановления питания и не требует возвращения объекта в начальное положение, что является несомненным преимуществом этого типа энкодеров. Так как угол поворота всегда известен, то счетчик импульсов в этом случае не нужен. Абсолютный энкодер используется в высокоточных системах: робототехника, станки с числовым программным управлением и др. [7].
Современной промышленностью широко применимы энкодеры таких фирм, как Renishaw (Англия), Hohner (Испания), СКБ ИС (Россия) и пр.
1.4 Объект разработки
В настоящей ВКР в соответствии с заданием осуществляется разработка адаптивного электропривода робота-манипулятора, прототипом которого стал робот "Электроника НЦТМ-30". В разрабатываемом роботе рассматриваются три степени подвижности:
1) колонна, диапазон перемещения звеньев – 320˚;
2) плечо, диапазон перемещения звеньев – 260˚;
3) локоть, диапазон перемещения звеньев – 360˚;
Характеристики
Тип файла документ
Документы такого типа открываются такими программами, как Microsoft Office Word на компьютерах Windows, Apple Pages на компьютерах Mac, Open Office - бесплатная альтернатива на различных платформах, в том числе Linux. Наиболее простым и современным решением будут Google документы, так как открываются онлайн без скачивания прямо в браузере на любой платформе. Существуют российские качественные аналоги, например от Яндекса.
Будьте внимательны на мобильных устройствах, так как там используются упрощённый функционал даже в официальном приложении от Microsoft, поэтому для просмотра скачивайте PDF-версию. А если нужно редактировать файл, то используйте оригинальный файл.
Файлы такого типа обычно разбиты на страницы, а текст может быть форматированным (жирный, курсив, выбор шрифта, таблицы и т.п.), а также в него можно добавлять изображения. Формат идеально подходит для рефератов, докладов и РПЗ курсовых проектов, которые необходимо распечатать. Кстати перед печатью также сохраняйте файл в PDF, так как принтер может начудить со шрифтами.















