Белов- БЖД (1183106), страница 59
Текст из файла (страница 59)
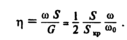
При рассмотрении колебаний наряду с коэффициентом α часто используют коэффициент потерь η, который характеризует количество энергии, рассеянной ЗУ:
η= Ws/ωε=εs/2πε, (6.8)
где W и εу – средние за период колебаний Г, соответственно, мощность потерь и рассеянная за то же время энергия;ω–круговая частота, ω= 2π/Т,ε–энергия, запасенная системой.
В большинстве случаев качественная оценка степени реализации целей защиты может осуществляться двумя способами:
1) определяют коэффициент защиты kw виде отношения:
kв= поток энергии в данной точке при отсутствии ЗУ .
поток энергии в данной точке при наличии ЗУ '
2) определяют коэффициент защиты в виде отношения:
Эффективность защиты (дБ)
e=10lgkв. (6.9)
6.6.2. Защита от вибрации
Линейные вибросистемы состоят из элементов массы, упругости и демпфирования. В общем случае в системе действуют силы: инерции, трения, упругости и вынуждающие.
Сила инерции, как известно, равна произведению массы М на ее ускорение:
где v – виброскорость.
Сила Ем направлена в сторону, противоположную ускорению.
Упругий элемент принято изображать в виде пружины, не имеющей массы (рис. 6.29, а). Чтобы переместить конец пружины из точки с координатой Xo (ненапряженное состояние) в точку с координатой X1, к пружине необходимо приложить силу; при этом сила действия упругого элемента, или восстанавливающая сила, будет направлена в противоположную сторону и равна
FG=Gx(6.11)
где G–коэффициент жесткости, Н/м; х=х1 –xo–смещение конца пружины, м.
При вибрации упругих систем происходит рассеяние энергии в окружающую среду, а также в материале упругих элементов и в узлах сочленения деталей конструкции. Эти потери вызываются силами трения –диссипативными силами, на преодоление которых непрерывно и необратимо расходуется энергия источника вибрации*.
Если рассеяние энергии происходит в элементе демпфирования (рис. 6.29, б), т. е. в вязкой среде (среде с вязким сопротивлением), то диссипативная сила Fs прямо пропорциональна виброскорости и носит название демпфирующей:
Fs=SV. (6.12)
Сила Fs всегда направлена против скорости, коэффициент S (Н·с/м) называют импедансом, или сопротивлением элемента демпфирования.
Основные характеристики виброзащитных систем. К основным характеристикам виброзащитных систем отнесены собственная частота системы, механический импеданс и коэффициенты, определяющие процессы затухания вибраций и рассеяния энергии.
По аналогии с формулой (6.12) можно ввести общее понятие механического импеданса материальной точки при гармонической вибрации
Z=F/V или /Z/=|F/V|,
* Ниже рассматриваются только гармонические движения. Их удобно изучать с помощью вращающихся комплексных векторов. Вращающийся вектор будем обозначать волнистой линией над буквой, постоянный вектор–точкой: й= иmejwt =umej(wt+фw)
um=ejфum. Здесь постоянный вектор и называется комплексной амплитудой, объединяющей действительное значение амплитуды иm и начальный фазовый угол фu, w = 2Пf, где f–частота, Гц; t–время; j = - 1.
Рис 6 29 Схематическое изображение элементов упругости (а) и демпфирования (б)
где комплексное число i в полярной форме можно записать в виде z=zejфz Найдем импеданс элементов массы и упругости При заданной виброскорости v смещение х и ускорение а материальной точки находят интегрированием и дифференцированием:
Подставив ускорение а в формулу (6.10), определяют импеданс элемента массы или просто импеданс массы zM:
(6.14)
Таким образом, импеданс массы является мнимой положительной величиной, прямо пропорциональной частоте. Он достигает больших значений в диапазоне высоких частот. В диапазоне низких частот им можно пренебречь.
Подставив смещение х в формулу (6.11), находят импеданс элемента упругости ic'.
Таким образом, импеданс элемента упругости является чисто мнимой отрицательной величиной, обратно пропорциональной частоте; в области высоких частот им можно пренебречь.
Импеданс элемента демпфирования является действительной величиной
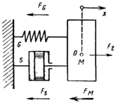
В общем случае вибросистему с одной степенью свободы можно изобразить в виде элемента массы, не обладающего деформацией, и элементов упругости и демпфирования, не имеющих массы (рис. 6.30). Точка О обозначает положение статического равновесия, от которого отсчитывается смещение х тела массой М под действием гармонической вынуждающей силы F/. К телу также приложены сила инерции
Рис. 6. 30. Схема вибросистемы с одной степенью свободы
fm, восстанавливающая сила fg и диссипативная демпфирующая сила Fs. В соответствии с принципом Д'Аламбера
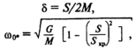
Свободная вибрация (Fi = 0) в отсутствии сил трения (Fs = 0) с течением времени не затухает. Виброскорость в этом случае определяется выражением (6.13), в котором амплитуда v„ == const. Условие Fм+FG=0 с учетом выражений (6.14) и (6.15) позволяет определить собственную частоту вибросистемы:
Собственную частоту системы с одной степенью свободы (см. рис. 6.29, а) на практике определяют по прогибу А, исходя из равенства сил fg = fm в статике:
где g – ускорение свободного падения.
При наличии сил трения (Fs ^0) свободная вибрация (/^==0) затухает. Амплитуда виброскорости с течением времени убывает. Чтобы учесть это, вводят комплексную угловую частоту (Ь* = ©о* +у5, где 5 – коэффициент демпфирования. Поставив в выражение (6.13) частоту о» вместо о, получим
где ω*=ωo* aмплитуда виброскорости с учетом затухания
Из уравнения fm + fg -+• Fs = (/d)*M–/G/(b* + Д)^= 0 Haxow неизвестные величины 5 и юо».
где Sкр = 2√GM – критический импеданс элемента демпфирования.
Таким образом, коэффициент демпфирования равен половине пмпеданса элемента демпфирования, приходящегося на единицу массы, и свободная вибрация с затуханием осуществляется с частотой соо», зависящей от отношения импедансов S/Svp, которое характеризует силы трения в системе. При отсутствии диссипативных сил (^/5кр=0) частота coo* ^ оо; если же диссипативные силы имеют критическое значение, т. е. если 5/<5кр = 1, то частота (do* = 0.
Вынужденная вибрация (F/ ?ь 0) происходят с частотой © вынуждающей силы. Из уравнения (6.16) определяют механический импеданс вибросистемы:
Таким образом, импеданс вибросистемы складывается из импедан-сов элемента демпфирования, массы и упругости. Он имеет активную и реактивную составляющие. Его модуль и фазовый угол равны:
Как следует из соотношения (6.19), импеданс вибросистемы имеет минимальное значение на частоте о = соо, при которой слагаемое в круглых скобках обращается в нуль, т. е. в резонансной области импеданс вибросистемы определяется импедансом элемента демпфирования (^== S)- Вне резонансной области импедансом Смежно пренебречь. Тогда из выражения (6.18) следует, что в диапазоне высоких частот движение определяется вибрирующей массой (г" усоЛ^), а в диапазоне низких частот –жесткостью системы (z w –ус/о)).
Защитное устройство – упругодемпфирующий элемент. В большинстве случаев расчет сложных защитных устройств сводится к расчету простого защитного устройства, состоящего из элемента упругости и элемента демпфирования, соединенных параллельно. Реакция защитного устройства складывается из реакций упругого и демпфирующих элементов Fp = pg + fs- Импеданс защитного устройства
Если провести циклическое деформирование упругодиссипативного элемента по закону х = x^oswt, то обнаруживается различие линий нагрузки и разгрузки (рис. 6.31) на диаграмме сила –смещение: точка, изображающая напряженное и деформированное состояние, описывает замкнутую кривую – петлю гистерезиса. Площадь, ограниченная петлей гистерезиса, выражает энергию е.у, рассеянную за один цикл демпфирования и равную работе диссипативных сил:
Рис. 6.31. Рассеяние энергии –гистсрезисная петля
В начале и конце цикла деформирования смещения максимальны, виброскорость равна нулю и вся энергия, запасенная системой, равна потенциальной:
По формуле (6.8) находят коэффициент потерь и преобразуют его с учетом выражения для критического импеданса:
Тогда выражение (6.20) можно записать в виде
Виброизоляция. Между источником вибрации и ее приемником, являющимся одновременно объектом защиты, устанавливают упруго-демпфирующее устройство –виброизолятор –с малым коэффициентом передачи (рис. 6.32, а). Схематично система «источник вибраций –защитное устройство–приемник» показана на рис. 6.32, б При возбуждении системы защитное устройство, расположенное между источником и приемником, воздействует на них с реакциями FR и FR. Ниже будут рассматриваться только безынерционные устройства, у которых реакции FR и FR равны.
Различают два вида возбуждения силовое и кинематическое, при этом соответственно большую массу имеет приемник и его считают неподвижным или источник, и закон его движения считают заданным.
При силовом гармоническом возбуждении силой F1= Fmejwt цель защиты обычно состоит в уменьшении амплитуды силы FR, передаваемой на приемник. Импеданс виброизолятора определяется формулой (6.21). Импеданс вибросистемы
Поток энергии на входе в ЗУ определяется усредненной за цикл мощностью вынуждающей силы:
Поток энергии на выходе из защитного устройства определяется усредненной за цикл мощностью реакции защитного устройства:















