Автореферат (1094958), страница 3
Текст из файла (страница 3)
и
- для этапа охлаждения, (3, б)
где
- постоянные коэффициенты характеристического уравнения;
- корни характеристического уравнения;
,
- функции Бесселя первого рода нулевого и первого порядков;
- критерий Био.
С использованием результатов исследования температурного режима валков реверсивного четырехвалкового стана 650/1500×1500 Московского металлургического завода «Серп и молот» были установлены новые соотношения теплотехнических критериев Фурье
и Био
на этапах нагрева и охлаждения валков в зависимости от их средней температуры
(рис. 6).
Для многочасовой непрерывной работы стана (3-6 и более часов) с точностью до 10 % установлено, что расчет температуры валков следует проводить по одночасовому периоду. Тогда в каждом периоде суммарное время нагрева
(время контакта с полосой) будет 0,1 ч и охлаждения
0,9 ч.
По предложенной методике был выполнен расчет температурного режима валков диаметром 800 мм из стали 9Х2МФ при температуре подката
= 950ºС для различных цилиндрических сечений (
= 1; 0,5; 0).
Рис. 6. Взаимосвязь критериев Фурье и Био для рабочих валков полосовых станов с разной средней температурой
: а) при нагреве; б) при охлаждении
Тогда на этапе нагрева 1-го периода определены следующие значения температур по сечениям
,
,
; на
этапе охлаждения 1-го периода -
,
,
.
В первом приближении средняя температура валка
Наибольшие градиенты температур получены в 1-ом периоде:
;
.
Были просчитаны температуры нагрева и охлаждения валков диаметром 400, 500, 800 и 1000 мм, а затем построены графики их относительных температурных полей
в зависимости от критерия Фурье. Здесь
- относительная температура.
Для 1-го периода результаты были аппроксимированы уравнениями:
- на этапе охлаждения.
Расчет радиальных
, тангенциальных
и осевых
термических напряжений валков (рис. 7) проводили по усовершенствованной нами методике М.А. Тылкина, А.П. Чекмарева и Э.А. Гарбера:
где
– модуль упругости и коэффициент Пуассона;
– коэффициент температурного расширения;
- текущий радиус и радиус бочки валка;
,
- относительные температуры поверхности валка и отдельных его сечений.
Аналогично были рассчитаны остаточные напряжения
,
и
, связанные с изменением физико-механических свойств материала валка по сечениям при термообработке (рис. 8).
Данная методика расчета температурных полей и напряжений рабочих валков полосовых станов горячей прокатки, использованная в условиях Моc-
| Рис. 7. Распределение термических напряжений в стальных валках (D = 560 мм) при прокатке в течение 1 ч | Рис. 8. Распределение остаточных напряжений в стальных валках (9ХФ, D = 560 мм) после термообработки |
ковского завода ОЦМ, позволяет отработать рациональный по эксплуатационной надежности режим работы промышленных станов и за счет сокращения числа перевалок повысить производительность на 2-5 %.
Анализ качества производимых на действующем
оборудовании полос и резервов повышения
эффективности листопрокатного производства
Химическая неоднородность выплавляемой на НЛМК стали существенна от плавки к плавке и охватывает весь диапазон содержания элементов по ГОСТу, что может давать разницу в значениях σв стали Ст3сп до 118 МПа. Средние значения содержаний элементов в стали Ст3сп: 0,166 % C; 0,473 % Mn; 0,0066 % N и 0,047 % Al. Среднеквадратические отклонения от средних значений составили: SC = 0,0018 %; SMn = 0,0051 %; SN = 0,00007 % и SAl = 0,0021 %.
Средние значения механических свойств полос толщиной 4-6 мм из стали Ст3сп, прокатываемых на стане 2000, и среднеквадратические отклонения от них составляют:
= 466-472 МПа,
= 2,4-2,5 МПа;
= 326-338 МПа,
= 2,2-2,3 МПа;
= 30,2-31,9 %,
= 0,26-0,27 % и
= 0,83-0,92 МДж/м2,
= 0,016-0,018 МДж/м2.
Результаты металлографического исследования образцов от полос толщиной 8 мм (Ст3сп) показали, что значения коэффициента вариации γd распределения зерна лежат в пределах 59-67 %, в то время как для однородной структуры (ГОСТ 5639-82) это значение составляет (49 ± 2) %.
Таким образом, в условиях НШСГП одними из важнейших резервов стабилизации механических свойств металла являются снижение его разнозернистости и регламентация среднего размера зерна феррита.
Колебания химического состава выплавляемого на Московском заводе ОЦМ сплава «цинк-титан» от партии к партии значительны. Средние значения содержания легирующих элементов: 0,114 % Cu; 0,079 % Ti и 0,0017 % Al. Среднеквадратические отклонения от средних значений составили соответственно:
= 0,0445 %;
= 0,0071 % и
= 0,0018 %.
Для полос толщиной 0,7 мм, прокатываемых на стане 400/1000×1000, значения статистических характеристик по механическим свойствам равны:
= 179,8 МПа;
= 7,5 МПа;
= 120,7 МПа,
= 6,4 МПа;
= 60,5 % и
= 8,7 %.
После полунепрерывной разливки бериллиевых бронз концентрация бериллия в поверхностных слоях слитка из-за ликвации достигает 3 % при средней по объему 1,9 %. Статистические характеристики механических свойств лент толщиной 0,15-0,25 мм из бериллиевой бронзы БрБ2 в состоянии «твердое + старение»:
= 1253 МПа,
= 77,1 МПа;
= 1,54 %,
= 0,56 % абс.;
= 396,8,
= 12,0;
= 3,95 и
= 0,42 (до старения).
Толщина производимых лент из бериллиевой бронзы нестабильна от партии к партии. Среднее значение толщины лент из сплава БрБ2, прокатанных на номинальную толщину hн = 0,25 мм, составляет
= 0,243 мм и среднеквадратическое отклонение
= 0,073 мм. Современные требования потребителей по толщине лент в 2-3 раза выше норм российских стандартов.
Среднее значение ширины полос из меди М1, прокатанных на стане 850×1000 Кольчугинского завода ОЦМ на ширину 665+10 мм, для их середины составляет
= 671,9 мм и среднеквадратическая ошибка
= 2,3 мм, а для конца
= 674,1 мм и
= 1,7 мм.
Проведенный анализ показывает, что имеется существенный разброс показателей качества производимого на действующем оборудовании плоского проката из различных сплавов – механических свойств и геометрии, обусловленный колебаниями химического состава материала, недостаточной обоснованностью значений технологических параметров и их нестабильностью.
Основные закономерности формирования заданной
структуры стальных полос в УСЛОВИЯХ НШСГП
Физическое моделирование проводили на лабораторном стане 250×400.
Для прокатки образцов из стали Ст3сп промышленной плавки (0,15 % C, 0,52 % Mn, 0,22 % Si, 0,037 % S, 0,019 % P, 0,031 % Cu, 0,033 % Ni, 0,052 % Al, 0,0065 % N и 0,008 % O) из условия кинематического подобия была принята скорость прокатки Vм = 5 м/с (средняя скорость деформации 100 с-1). Клиновидные образцы размером 5(10)×30×150 мм вырезали вдоль направления прокатки из охлажденного на воздухе раската после черновой группы НШСГП 2000 НЛМК толщиной 20 мм.
Деформация за первый проход ε1 составляла 0-50 % по длине клиновидного образца, а во втором проходе – ε2 = 10-19 или 26-36 %. Разработанный блок автоматики обеспечивал паузу τ1-2 между двумя проходами 1 или 3 с и выдержку τ после второго прохода 0,3, 3 или 9 с. Перед прокаткой все образцы имели одинаковый размер зерна (нагрев 1100ºС, 15 мин) и прокатаны сразу либо с подстуживанием и выдержкой 10 мин при температуре 1000, 950, 900 и 800ºС. Прокатанные образцы после выдержки на воздухе сбрасывались в 12 %-ный раствор NaCl для частичной ребровой закалки. Таким образом, на одном образце получали набор относительных обжатий от 0 до 50 % по длине и набор скоростей охлаждения от 10 до 1000 ºС/с по ширине.
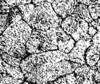
В разных поперечных сечениях образцов бывшее зерно аустенита (рис. 9) выявлено травлением и измерено на оптическом микроскопе МИМ-7 методом
секущих (по 200 и более хорд на сечение). Определяли среднюю величину хорды
, вариацию распределения хорд γd, их среднеквадратические отклонения
и
, доверительные интервалы
для вероятности Р = 0,99. Для отдельных образцов оценивали коэффициент анизотропии зерна Е.
а б в
Рис. 9. Бывшее зерно аустенита стали Ст3сп при прокатке в один (б) и два (в) прохода (×120):
а) исходное состояние; б) t = 1070ºС, ε = 50%, τ = 0,3 с; в) д) t = 930-920ºС, ε1 = 40%, τ1-2 = 1 с, ε2 = 36%, τ = 0,3 с
Установлено, что время рекристаллизации аустенита стали Ст3сп при температурах прокатки соизмеримо с паузами между проходами в клетях
чистовой группы НШСГП. На размер рекристаллизованного зерна аустенита влияет не только величина обжатия, но и размер зерна перед проходом. Коэффициент измельчения зерна аустенита (
) при рекристаллизации после однократного обжатия 20-50 % не зависит от температуры и определяется лишь степенью деформации и размером зерна перед обжатием.
Для низкоуглеродистой стали Ст3сп впервые построена качественная трехмерная диаграмма рекристаллизации аустенита в координатах «1/Т – lgε – lgτ», позволяющая определять состояние зерна аустенита после каждого обжатия, перед началом последующего. Диаграмма содержит следующие области: A – инкубационного периода первичной рекристаллизации; B – первичной рекристаллизации; C – инкубационного периода собирательной рекристаллизации; D – собирательной рекристаллизации.
Границы областей диаграммы разделены гиперплоскостями, которые описываются уравнениями:
















