1 - Исследовательский раздел (1094727)
Текст из файла
1 Исследовательский раздел
1.1 Программирование работы фрезерного станка
Детали, обрабатываемые на станке с ЧПУ можно рассматривать как геометрические объекты. Во время обработки вращающийся инструмент и заготовка перемещаются относительно друг друга по некоторой траектории. УП описывает движение определенной точки инструмента – его центра. Траекторию инструмента представляют состоящей из отдельных, переходящих друг в друга участков. Этими участками могут быть прямые линии, дуги окружностей, кривые второго порядка или высших порядков. Точки пересечения этих участков называются опорными или узловыми точками. Как правило, в УП содержатся координаты именно опорных точек.
Рисунок 1.1 – Геометрическое представление детали
1.1.1 Программирование работы фрезерного станка при помощи стойки ЧПУ станка (цеховое программирование)
Рассмотрим методику создания УП для обработки конструктивного элемента «паз» изображённого на рисунке 1.2. Для создания УП необходимо знать координаты опорных точек. Подробнее остановимся на создании строк программы непосредственно отвечающей за перемещение через опорные точки паза. Для обработки паза сначала нужно переместить фрезу в точку Т1 и опустить её на соответствующую глубину далее необходимо переместить фрезу последовательно через все опорные точки и вывести инструмент из материала заготовки. Для удобства определения координат опорных точек сведём их в таблицу.
Рисунок 1.2 – Конструктивный элемент «паз»
Рисунок 1.3 – Деталь в прямоугольной системе координат
Таблица 1.1 – Координаты опорных точек паза
| Точка | Координата по оси Х | Координата по оси Y |
| Т1 | 3 | 8 |
| Т2 | 3 | 3 |
| Т3 | 7 | 3 |
| Т4 | 7 | 8 |
Подвод режущего инструмента к первой опорной точке:
N50 G00 X3 Y8
Следующие два кадра заставляют инструмент опуститься на требуемую глубину в материал заготовки:
N60 G00 Z0.5
N70 G01 Z-1 F25
Как только инструмент окажется на нужной глубине (1 мм), можно перемещать его через все опорные точки для обработки паза:
N80 G01 X3 Y3
N90 G01 X7 Y3
N100 G01 X7 Y8
Теперь следует вывести инструмент из материала заготовки – поднять на небольшую высоту:
N110 G01 Z5
Соберем все кадры вместе, добавим несколько вспомогательных команд и получим окончательный вариант программы.
Таблица 1.2 – Управляющая программа
| Кадры управляющей программы | Пояснения | |
| % | Символ начала программы | |
| О0001 | Номер программы | |
| N10 G21 G49 G54 G80 G90 | Строка безопасности | |
| N20 M06 T01 | Вызов инструмента №1 | |
| N30 G43 H01 | Компенсация длины инструмента №1 | |
| N40 M03 S1000 | Включение оборотов шпинделя (1000 об/мин) | |
| N50 G00 X3 Y8 | Ускоренное перемещение в опорную точку Т1 | |
| N60 G00 Z0.5 | Ускоренное перемещение инструмента в Z0.5 | |
| N70 G01 Z-1 F25 | Перемещение на глубину 1 мм на подаче 25 мм/мин | |
| N80 G01 X3 Y3 | Перемещение инструмента в точку Т2 (25 мм/мин) | |
| N90 G01 X7 Y3 | Перемещение инструмента в точку Т3 (25 мм/мин) | |
| N100 G01 X7 Y8 | Перемещение инструмента в точку Т4 (25 мм/мин) | |
| N110 G01 Z5 | Подъём инструмента вверх в Z5 (25 мм/мин) | |
Таблица 1.2 – Продолжение
| N 120 M05 | Выключение оборотов шпинделя |
| N130 M30 | Завершение программы |
| % | Символ конца программы |
1.1.2 Программирование на ПК с последующей передачей в стойку ЧПУ
Набор текста программы на ПК с последующей передачей в станок является гораздо более эффективным способом работы. Код УП можно набирать в любом текстовом редакторе и сохранять в соответствующем формате. Например, используя «Блокнот» из стандартного набора Windows.
Есть множество различных текстовых редакторов, которые были специально созданы для работы с кодом УП. Такие редакторы предоставляют широкие возможности по написанию и редактированию станочного кода. Например, они позволяют добавлять или удалять пробелы, автоматически нумеровать строки и перемещать курсор к коду смены инструмента. Эти функции не нужны обычному текстовому редактору, но очень полезны при создании и отладке программ обработки. Наиболее продвинутые редакторы УП имеют инструменты графической проверки кода и трансляции его в станок.
Некоторые тестовые редакторы сохраняют файлы в специальном формате, который содержит информацию о размере шрифта, полях и т.д. Код УП не содержит таких данных, а состоит исключительно из «чистого» текста в формате ASCII. Стандарт ASCII является открытым и может читаться любым текстовым редактором. Файлы такого формата, скорее всего, будут иметь расширение «*.txt».
Станки с ЧПУ работаю в формате G и M кодов в соответствии с стандартами EIA/ISO. Код этого стандарта аналогичен ASCII, но есть ряд небольших отличий. Формат ASCII использует коды окончания строки и переводка каретки в конце каждой строки. В текстовом редакторе для перехода на новую строку выполняется нажатием «Enter», код при этом не отображается, который переводит каретку на новую строку, хотя на самом деле он присутствует. Система ЧПУ требует, чтобы в конце каждого кадра УП стоял знак конца кадра, например «;» или «*». Поэтому, если вы пишите программу на компьютере, то она выглядит так:
…
N50 G00 X230
N60 G01 Y300
N70 G01 Z100
…
Если вы создаёте программу на компьютере и затем передаёте её на станок, то знак конца кадра помещается в конец каждого кадра УП при передаче в большинстве случаев автоматически.
Ошибка в программе обработки может повлечь за собой массу проблем. В лучшем случае ошибка обернется сломанным инструментом или брачной деталью, а в худшем – может привести к повреждению станка или травме оператора. Опытный программист знает, что дешевле и проще проверить программу заранее на компьютере, чем ошибиться при выполнении обработки на станке. Основной метод проверки УП на компьютере заключается в графической симуляции обработки. Такая симуляция может выглядеть как прорисовка траектории центра инструмента или как полная имитация механической обработки на станке с демонстрацией удаления материала.
1.1.3 Передача управляющей программы в станок
После того, как вы создали и проверили программу обработки при помощи ПК, её необходимо передать на станок. Для передачи УП с компьютера в СЧПУ станка используется специальное коммуникационное программное обеспечение. В большинстве случаев связь осуществляется в соответствии со стандартом RS-232. При этом COM-порт компьютера соединяется с кабелем со специальным разъемом на корпусе станка или панели УЧПУ. Для передачи данных необходимо, чтобы УЧПУ станка и коммуникационная программа были синхронизированы. Это достигается соответствующей настройкой параметров СЧПУ и коммуникационной программы. Как правило, коммуникационная программа и кабель поставляются вместе со станком, а информация о настройке параметров СЧПУ для связи станка и компьютера можно получить из документации станка. Стоит отметить, что при передаче данных в соответствии с RS-232 желательно, чтобы длина кабеля не превышала 15 метров.
Для передачи УП, размер которых превышает свободный размер свободной памяти СЧПУ, используется режим DNC. Режим DNC или режим прямого числового управления позволяет выполнять программу обработки прямо из компьютера, не записывая её в память СЧПУ. УП считывается из компьютера в буфер памяти СЧПУ кадр за кадром. Как только система определяет, что один кадр выполнен, она его удаляет и загружает следующий, и так далее - до конца программы. Для работы в режиме прямого числового управления необходимо, чтобы СЧПУ станка было соответствующим образом подготовлено производителем, а на персональном компьютере находилась коммуникационная программа с поддержкой DNC режима.
Некоторые станки оборудованы собственными дисководами, что даёт возможность передавать УП и другие данные в СЧПУ при помощи традиционных программных носителей – дискет и флэш-карт.
«Продвинутые» СЧПУ поддерживают интерфейс Ethernet, что позволяет более быстро и удобно передавать данные. Также предусмотрена возможность выхода в Интернет для дистанционного мониторинга системы и решения проблем непосредственно производителем станка в режиме реального времени.
1.2 Программирование УЧПУ для токарного станка
Перед программированием УЧПУ необходимо выполнить ряд подготовительных вычислений и операций:
-
Провести анализ, форму и конфигурацию детали.
-
На основе анализа детали выбрать заготовку (пруток, литая заготовка близкая к форме детали).
-
Выбор инструмента.
-
Составление технологического маршрута обработки детали.
-
Расчёт режимов резания.
-
Разработка управляющей программы.
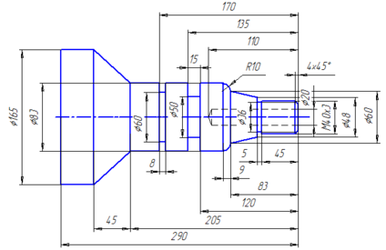
Рисунок 1.4 – Чертёж детали
1.2.1 Анализ, формы и конфигурации детали
Деталь представляет собой тело вращение (возможность изготовления на станках токарной группы). При изготовлении детали необходимо проточить три канавки различного размера, нарезать резьбу и просверлить отверстие.
1.2.2 Выбор заготовки
Заготовку выбираем таким образом, чтобы как можно меньше металла уходило в стружку для экономии материала в соответствии с этим принимается форма заготовки, изображённая на рисунке 1.5. Заготовка выполняется штамповкой из стали 45 ГОСТ 1050-74 методом горячего прессования.
Рисунок 1.5 – Эскиз заготовки
1.2.3 Выбор инструмента
Для черновой и чистовой обработки основных поверхностей детали выбираем проходной подрезной резец с многогранной режущей пластиной (φ = 95°, φ1 = 5°), ГОСТ 27301-87 Т5К10.
Рисунок 1.6 – Резец для черновой и чистовой обработки
Для прорезания канавок выбираем отрезной резец из быстрорежущей стали по ГОСТ 18874-83 из сплава Т5К10. Номер инструмента в управляющей программе Т2.
Рисунок 1.7 – Резец для обработки канавок
Для нарезания резьбы выбираем резьбовой резец с пластиной из твёрдого сплава Т15К6 по ГОСТ 18885-73.
Характеристики
Тип файла документ
Документы такого типа открываются такими программами, как Microsoft Office Word на компьютерах Windows, Apple Pages на компьютерах Mac, Open Office - бесплатная альтернатива на различных платформах, в том числе Linux. Наиболее простым и современным решением будут Google документы, так как открываются онлайн без скачивания прямо в браузере на любой платформе. Существуют российские качественные аналоги, например от Яндекса.
Будьте внимательны на мобильных устройствах, так как там используются упрощённый функционал даже в официальном приложении от Microsoft, поэтому для просмотра скачивайте PDF-версию. А если нужно редактировать файл, то используйте оригинальный файл.
Файлы такого типа обычно разбиты на страницы, а текст может быть форматированным (жирный, курсив, выбор шрифта, таблицы и т.п.), а также в него можно добавлять изображения. Формат идеально подходит для рефератов, докладов и РПЗ курсовых проектов, которые необходимо распечатать. Кстати перед печатью также сохраняйте файл в PDF, так как принтер может начудить со шрифтами.
















