Записка (1094710)
Текст из файла
23
Содержание
Введение ………………………………………………………………………………….5
1. Технологическая часть ………………………………………………………………7
1.1 Расчет детали и описание существующего производства……………………..7
1.2 Предлагаемый технологический процесс ……………………….…………….9
1.3 Определение коэффициента использования материала ……..…..................14
1.4 Определение усилий и работ по переходам…………………………………..15
1.5 Выбор оборудования ………………………...........…………….…………….17
2. Конструкторская часть ……………………………………………………………..21
2.1 Выбор типа и технологической схемы штампа ………………………………21
2.1.1 Предлагаемая конструкция штампа …………………………………….22
2.1.2 Выбор материала и термообработки деталей штампа ………..............26
2.1.3 Расчет исполнительных размеров разделительных пуансонов
и матриц…………………………………………………………………….28
2.1.4 Расчет основных деталей штампа на прочность и
жесткость ……………………………………….………………………….29
2.1.5 Расчет стойкости штампа ………….……………………………………..31
2.2 Проектирование автоматизированного участка … ………………………….32
2.2.1 Расчет разматывающего устройства …………………………………….32
2.2.2 Расчет правильного устройства ……………….…………………………34
2.2.3 Расчет валковой подачи ………………………………………………….35
3. Строительная часть………………………………………………………………….38
3.1 Проектирование участка …………………………..........................................38
3.2 Организация производства на участке ………………………………………..39
3.3 Выводы …………………………………………………………………………..41
4. Организационно-экономическая часть ……………………………………………43
4.1 Описание экономической части производства ……………………………….43
4.2 Организация ремонта, транспорта и инструментального
хозяйства цеха ……………………………………………………………………44
4.3 Расчёт количества оборудования и коэффициента его загрузки ……………45
4.4 Организация оплаты труда ………………....………………………………….48
4.5 Расчет технико – экономических показателей участка цеха
по базовой технологии ………………………………………………………….53
4.6 Расчет сметы косвенных (накладных) расходов ……………………………..57
4.6.1 Статьи группы А, связанные с работой оборудования …………………57
4.6.2 Статьи группы Б – общецеховые (участковые) расходы ……………….59
4.6.3 Калькуляция себестоимости единицы продукции ………………………..63
4.7 Расчет экономики по предлагаемому варианту……………………………….64
4.8 Расчет технико – экономических показателей участка цеха
по базовой технологии …………………………………………………………..72
4.9 Расчет сметы косвенных (накладных) расходов ……………………………..75
4.10 Расчет экономического эффекта …………………..………………………….81
4.11 Вывод …………………………………………………..……………………….82
5. Безопасность труда ………………………………….……………………………..83
5.1 Анализ вредных и опасных факторов листоштамповочных цехов …………83
5.2 Расчет уровня шума на участке ………………………………………………..86
5.3 Нормативы уровня шума ……………………………………………………….87
5.4 Мероприятия по снижению шума ……………………………………………..89
5.5. Выводы …………………………………………………………………………..94
6. Экология ………………………………………. . …………………………................95
6.1 Очистка промышленных выбросов в атмосферу от пыли,
туманов, газов …………………………………………………………………….95
6.2 Циклоны …………………………………….…………………………………….99
6.3 Выводы …………………………………………………………………………..105
Заключение …………………………………………………………………………….106
Литература ……………………………………………………………………………..107
Приложение…………………………………………………………………………….109
Введение
Автомобильное производство характеризуется чрезвычайно широкой номенклатурой изделий, получаемых листовой штамповкой. В этой номенклатуре подавляющее большинство составляют детали, которые технологическими подразделениями ЗИЛа относятся к среднегабаритным.
Годовая программа выпуска современных автомобилей в нормальных условиях производства составляет, как правило, 100 000 и более машин в год. Соответственно годовая номенклатура каждого типоразмера изделия как минимум не менее этой цифры, а в случае парных деталей существенно увеличивается. Соответственно, данное производство можно отнести к крупносерийному.
Листовая штамповка является широко распространенной (практически монопольной) и весьма прогрессивной разновидностью технологии обработки листового материала (листа, полосы, ленты, штучной заготовки). Листовая штамповка позволяет изготавливать самые разнообразные плоские и пространственные изделия, в связи с чем находит применение во всех отраслях производства, связанных с изготовлением металлических деталей.
Листовая штамповка имеет ряд преимуществ перед другими видами обработки металлов, как в технологическом, так и в экономическом отношении. В технологическом отношении листовая штамповка позволяет:
- получать детали весьма сложных форм, изготовление которых другими методами обработки либо невозможно, либо затруднительно;
- создавать прочные и жесткие, но легкие по массе конструкции деталей при небольшом расходе материала;
- получать взаимозаменяемые детали с достаточно высокой точностью размеров, преимущественно без последующей механической обработки. В экономическом отношении холодная штамповка обладает следующими преимуществами:
- экономным использованием материала и сравнительно небольшими отходами;
- высокой производительностью оборудования (несложная механизация и автоматизация производственных процессов);
- низкой стоимостью изготовляемых изделий и возможностью массового производства.
Наибольший эффект от применения листовой штамповки как правило достигается при комплексном решении технических вопросов на всех стадиях подготовки производства, начиная с создания технологичных конструкций деталей, допускающих их экономичное изготовление. Соответственно разработка технологических процессов холодной штамповки и проектирование штампов неразрывно связаны между собой, хотя и могут выполняться разными лицами.
В настоящее время в массовом и крупносерийном производстве наблюдается тенденция преимущественного применения автоматизированных процессов штамповки либо в последовательных штампах, либо на многопозиционных листовых автоматах. Преимущества таких процессов очевидны: человек управляет процессом с пульта управления и не попадает в рабочую зону, повышается качество изделий (брак, обнаруживающийся после конечной операции, устраняется сразу, количество бракованных изделий не превышает количества переходов), повышение производительности (80-100 деталей в минуту) [1].
Исходя из вышесказанного, я хочу автоматизировать технологический процесс получения детали «Кронштейн», применив автоматизированную линию штамповки и штамп последовательного действия, использующий заготовку – ленту. Так же требуется рассчитать экономический эффект предлагаемой технологии, повысить безопасность рабочих на производстве и уделить равное всему внимание экологии листоштамповочного производства.
-
Технологическая часть
-
Расчет детали и описание существующего производства
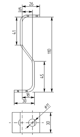
Расчет заготовки для изготовления детали «кронштейн».
Рис.1.1 Чертеж детали «кронштейн»
Расчет длины заготовки:
По чертежу детали S/ρ = 3.8, согласно табл.4 для S/ρ = 3.8, n = 0,2; a/s = 3.8,
следовательно при S = 3мм, a = 11,4, где ρ = 0.785
Исходная длина изогнутого участка
L=14.4 мм
Длина заготовки равна:
20+35+33+18+14,4х2+32,2=167мм
При существующем технологическом процессе рисунок 1.1, изготовление детали «кронштейн» осуществляется штамповкой за 3 технологических перехода:
Рисунок 1.2- Существующий технологический процесс
-
На заготовительном участке из листа 3 × 1250 × 2500 мм нарезаются карточки размером 3 × 167 × 30 мм.
-
Осуществляется пробивка 2х отверстий ∅ 11мм на прессе под управлением и наблюдением оператора наладчика.
-
Осуществляется гибка 2х полок в размер 26мм и 30мм.
-
Осуществляется окончательная гибка.
Закладка заготовок в штамп и удаление деталей из штампа осуществляется вручную. Это значительно увеличивает время на производство изделия и может привести к получению травмы рабочего, обслуживающего данный технологический процесс.
Подходя к вопросу о возможном совершенствовании технологического процесса, следует отметить, возможные варианты, а именно:
-
уменьшение трудоемкости операций;
-
использование более нового и производительного оборудования;
-
применение средств автоматизации и механизации процесса;
Самым приемлемым можно считать выбор более производительного оборудования и изменение техпроцесса, а именно изготовление деталей на одном прессе – автомате путем совмещения всех операций в штампе последовательного действия, применение средств автоматизации и механизации.
1.2 Предлагаемый технологический процесс
Деталь «кронштейн» рисунок 1.2 имеет несложную форму. Однако она относится к классу средних деталей. Наиболее оптимальным вариантом изготовления данной детали является последовательная штамповка, которую целесообразно осуществлять на прессе – автомате. Известно, что при штамповке на прессе – автомате применяют сложные штампы последовательного действия. [14]
Деталь изготавливается в четыре технологических перехода: 1–пробивка,
2–обрезка по шагу; 3 – гибка полки; 4 –окончательная гибка. Предлагаемый типовой технологический процесс представлен на рисунке 1.3.
Рисунок 1.3 – Предлагаемый технологический процесс
Данная деталь изготавливается для автомобилей марки ЗИЛ 130, ЗИЛ 4331 и их модификаций. Процесс изготовления детали «кронштейн»:
-
Транспортирование.
Транспортировать рулон к рулоннице (мостовой кран №525394 грузоподъемностью 20 тонн)
-
Установка рулона.
Установить рулон в рулонницу, заправить конец в штамп и получить пробную партию (Мостовой кран №525394 грузоподъемностью 20 тонн, пресс ЗИЛ 80).
-
Последовательная штамповка
Пробить 2 отверстия ∅ 11 мм, обрезать по шагу с вырезкой технологических пазов с двух сторон шириной 6 мм (пресс ЗИЛ 80 усилием 80 тонн, 40 ш-6344 штамп последовательный масса 0,32 тонны)
-
Согнуть полку в размер 26 (пресс ЗИЛ 80, 40 ш-6344 штамп последовательный масса 0,32 тонны)
-
Согнуть окончательно и отрезать по шагу (Пресс ЗИЛ 80, 40 ш-6344 штамп последовательный масса 0,32 тонны)
Ш-40100-автоподача;
9мт-18348 тара ящичная на 1000 шт., общая масса 0,227 тонны;
9мт-18348 тара ящичная для отходов масса 1,6 тонны.
Контроль операционный:
-
Проверить на 3 операции;
-
Внешний вид визуальным осмотром;
-
Размеры: 26:15:2отверстия ∅11:41:45:18:30:3:110
Контроль приемочный:
-
Внешний вид визуальным осмотром;
-
Размеры: 26:15:2отверстия ∅11:41:45:18:30:3:110
Транспортирование.
Транспортировать тару с деталями на склад готовой продукции (Мостовой кран №525394 грузоподъемностью 20 тонн, электрозагрузчик грузоподъемностью 1,6 тонны; 9мт-18348 тара ящичная на 1000 шт., общая масса 0,227 тонны).
Деталь «Кронштейн» не является силовой, к внешнему виду специальных требований не предъявляется, она должна быть достаточно прочной.
Для штамповки применяется большое количество металлов, а также неметаллических материалов. Материал, применяемый для изготовления холодноштампованных деталей должен соответствовать не только назначению и условиям работы детали (обеспечивать эксплуатационные свойства изделия), он должен удовлетворять также технологическим требованиям и обеспечивать экономический эффект. Поэтому наибольшее применение в машиностроении имеет тонколистовая, качественная низкоуглеродистая сталь. Это наиболее дешевый материал, обладающий хорошими механическими и технологическими свойствами.
Характеристики
Тип файла документ
Документы такого типа открываются такими программами, как Microsoft Office Word на компьютерах Windows, Apple Pages на компьютерах Mac, Open Office - бесплатная альтернатива на различных платформах, в том числе Linux. Наиболее простым и современным решением будут Google документы, так как открываются онлайн без скачивания прямо в браузере на любой платформе. Существуют российские качественные аналоги, например от Яндекса.
Будьте внимательны на мобильных устройствах, так как там используются упрощённый функционал даже в официальном приложении от Microsoft, поэтому для просмотра скачивайте PDF-версию. А если нужно редактировать файл, то используйте оригинальный файл.
Файлы такого типа обычно разбиты на страницы, а текст может быть форматированным (жирный, курсив, выбор шрифта, таблицы и т.п.), а также в него можно добавлять изображения. Формат идеально подходит для рефератов, докладов и РПЗ курсовых проектов, которые необходимо распечатать. Кстати перед печатью также сохраняйте файл в PDF, так как принтер может начудить со шрифтами.















