20090517(ТелоВВ) (1088611), страница 2
Текст из файла (страница 2)
для J2: Nа.у.а. = 858; Nа.у.у. = 643; Nа.у.в. = 643.
-
Конструктивные параметры аппаратуры.
-
Ориентировочный объём, занимаемый аппаратурой на микросхемах с уровнем интеграции J1, определяем по формуле:
-
на микросхемах с уровнем интеграции J2:
-
По величине ориентировочного объёма, в соответствии с ГОСТ20504-81 для стационарной аппаратуры, выбираем ближайший тип корпуса блока, объём V которого превышает величину V΄, и определяем его габаритные размеры (Приложение 1):
Блок для микросхем с уровнем интеграции J1: V1 = 7,92дм3, с размерами 100х180х440мм.; для микросхем с уровнем интеграции J2: V2 = 7,92дм3, с размерами 100х180х440мм.
-
Исходя из габаритных размеров выбранного корпуса блока в зависимости от конструктивной реализации аппаратуры и в соответствии с требованиями ОСТ4ГО.010.009 выбираем размеры печатных плат: LX = 170мм.; LY = 75мм.
-
Определяем ориентировочное среднее количество выводов субблока:
-
Исходя из ориентировочного среднего количества выводов субблока выбираем тип разъёма, содержащий М′′сб выводов (М′′сб ≥ М′сб). Для J1 и J2 выбран разъём ГРППМ7-48Г1.
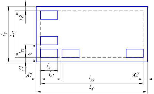
Черт.2
-
Основные размеры платы указаны на черт.2.
Для разъёмной конструкции по выбранным размерам печатных плат и размерам вилки выбранного разъёма в соответствии с ОСТ4ГО.010.009 выбираем размеры монтажной зоны LX1 = 127,5мм и LY1 = 65мм.
Для книжной и кассетной конструкции по выбранным размерам печатных плат и по размерам скобы с крышкой в соответствии с ОСТ4ГО.010.009 выбираем размеры монтажной зоны LX1 = 125мм и LY1 = 65мм.
-
Определим число горизонтальных (nY) и вертикальных (nX) рядов микросхем для разъёмной конструкции:
для книжной и кассетной конструкции:
Для односторонней установки, определяем максимально возможное количество микросхем на плате:
-
Количество микросхем Nс, устанавливаемых в субблоке, выбираем в пределах от 0,6 Nc.макс до Nc.макс. Nc = 50.
-
Определяем количество субблоков устройства ввода-вывода:
где: Nс.в. – количество микросхем в субблоке устройства ввода-вывода.
-
Определяем количество субблоков арифметического устройства:
где: Nс.а. – количество микросхем в субблоке арифметического устройства.
-
Определяем количество субблоков устройства управления:
где: Nс.у. – количество микросхем в субблоке устройства управления.
-
Количество субблоков в аппаратуре определяем:
-
Так как выполняется условие 2JNс.макс > Nсб., то аппаратура конструктивно реализуется на двух субблоках, один из которых занимает арифметическое устройство, а другой – устройство ввода-вывода и устройство управления.
-
Уточняем количество внешних выводов субблока:
-
Так как уточненное количество внешних выводов субблока превышает количество выводов вилки разъёма субблока, то выбираем другой разъём: для J1 и J2 – ГРППМ7-90Г1.
-
Определим габаритные размеры субблоков (LX2 – длина и LY2 – ширина):
-
Определим ориентировочную длину корпуса блока разъёмной конструкции:
где: Z1 – расстояние от лицевой панели корпуса блока до переднего крайнего субблока; Z2 – расстояние от задней панели корпуса блока до заднего крайнего субблока; Z3 – расстояние между субблоками.
-
Определим ориентировочную ширину корпуса блока книжной или кассетной конструкции:
где: Z4 – расстояние от боковой стенки корпуса блока до крайнего субблока.
-
Определим мощность, потребляемую блоком от источника питания (Pв – можно принять равной минимальной потребляемой мощности для транзистора):
-
Структурный анализ аппаратуры на уровне микросхем.
-
Количество типов микросхем.
-
Определим количество типов микросхем широкого применения и микросборок:
-
Определим количество типов микросхем широкого применения:
-
-
где: ξ1 – коэффициент пропорциональности типов схем широкого применения, учитывающий класс аппаратуры. Принимаем ξ1 = 0,6.
-
Определим количество типов микросборок:
-
Определим ориентировочное количество микросхем широкого применения в разрабатываемой аппаратуре:
где: ξ2 – коэффициент пропорциональности схем широкого применения, учитывающий класс аппаратуры. Принимаем ξ2 = 0,4.
-
Определим ориентировочное количество микросборок в разрабатываемой аппаратуре:
-
Распределение блоков по типам.
-
Определим количество неповторяющихся субблоков части блока неоднородной структуры:
-
Так как для
, то все субблоки являются неповторяющимися и их количество принимаем равным
.
-
Определяем число типов субблоков аппаратуры для неповторяющихся субблоков:
-
Распределение микросхем по типам.
-
Ориентировочное количество микросхем широкого применения в субблоке j-го типа определяем по формуле:
-
(для неповторяющихся субблоков γj = 1)
для устройства ввода-вывода:
для арифметического устройства:
для устройства управления:
-
Определим ориентировочное количество микросборок в субблоке j-го типа:
для устройства ввода-вывода:
для арифметического устройства:
для устройства управления:
-
Поправочный коэффициент для уточнения количества микросборок в субблоке j-го типа определяем по формуле:
для устройства ввода-вывода:
| Для J1: | V11 = 1,52 | |
| Для J2: | V12 =1,44 |
для арифметического устройства:
| Для J1: | V13 =1,52 | |
| Для J2: | V14 =1,44 |
для устройства управления:
| Для J1: | V15 =1,52 | |
| Для J2: | V16 =1,14 |
-
Уточненное количество микросборок в субблоке j-го типа определяем по формуле:
для устройства ввода-вывода:
для арифметического устройства:
для устройства управления:
-
Уточненное количество микросхем широкого применения в субблоке j-го типа определяем по формуле:
для устройства ввода-вывода:
для арифметического устройства:
для устройства управления:
-
Уточненное количество микросхем широкого применения в блоке:
-
Уточненное количество микросборок в блоке:
-
Определение параметров надёжности аппаратуры.
-
Интенсивность отказов микросхем.
-
В данной курсовой работе пункт 5.1. не считается. Интенсивность отказов гибридных микросхем определяем по справочнику:
-
Интенсивность отказов аппаратуры.
-
Интенсивность отказов субблоков j-го типа определяем по формуле:
-
где: λс.ш – интенсивность отказов схем широкого применения;
















