РАДИОТЕХНИЧЕСКИЕ СИСТЕМЫ ИЗВЛЕЧЕНИЯ, ОБРАБОТКИ И ПЕРЕДАЧИ ИНФОРМАЦИИ (1087875), страница 16
Текст из файла (страница 16)
Используемые обозначения: ПК- передающая камера; ПТ- передающая трубка; БР- блок развертки; СГ- синхрогенератор; ТК - телевизионный канал; ССИ- селектор синхроимпульсов (выделяет синхронизирующие импульсы); ВУ- видеоусилитель; К- катушка управления разверткой.
11.5.1. Особенности передачи телевизионного изображения:
- Частота полукадров - 50 Гц.
- Частота смены кадров - 25 Гц (не воспринимается глазом).
- Число строк в кадре - 625 (стандарт РФ).
-Благодаря черезстрочному способу развертки в каждом полукадре 6252=312 строк.
-Одновременно передается звуковое сопровождение.
-Ширина спектральной полосы канала - fканала=8 МГц .
С
труктура спектра телевизионного канала показана на рис. 11.5.
Рис. 11.5. Структура спектра черно-белого телевизионного сигнала.
Для исключения прочерчивания при возвращении луча используется гашение развертки (гасящие импульсы - ГИ).
В конце каждого полукадра передается кадровый синхронизирующий импульс (СИ), и кадровый ГИ запирающие трубку на время обратного хода развертки.
В передаче идет негативное изображение и интенсивное гашение. Снижение мощности передатчика и помехи меньше воспринимаются (воспринимаются как темное пятно).
11.5.2. Цветное телевидение
Система PAL :
Три фото-трубки с фильтрами в телевизионной камере и три электронные пушки в кинескопе. Они формируют три цвета изображения: UR - красный, UG - зеленый, UB - синий.
Система SEKAM:
В радиоприприемном тракте принимаются:
Uу - суммарный черно-белый сигнал, UR - красный, UB - синий.
Электронная схема формирует яркостный сигнал
и 2 цветоразностных сигнала
Эти сигналы, с помощью трех электронных пушек и трех наборов пикселов (точек) из люминофоров разных цветов на экране электронно-лучевой трубке (ЭЛТ), формируют цветное изображение.
11.6. Многоканальные радиотехнические системы передачи информации на искусственных спутниках Земли
РТС передачи информации (РТС ПИ) на основе использования искусственных спутников Земли (ИСЗ) получили широкое распространение благодаря охвату больших территорий
диаграммами направленности антенн, установленных на ИСЗ. Передатчики ИСЗ, как правило, многоканальные, многоадресные.
Наиболее эффективны геостационарные ИСЗ. Они имеют угловую скорость такую же, как и угловая скорость вращения Земли, а их линейная скорость позволяет удерживаться на экваториальной орбите. Три таких спутника позволяют создать системы передачи информации, охватывающие всю земную поверхность. На основе таких геостационарных спутников строятся межконтинентальные широкополосные многоканальные системы связи, спутниковое телевидение, навигационные системы.Схемы зон обслуживания РТС ПИ на основе геостационарных ИСЗ показаны на рис. 11.6.
В связи с тем, что геостационарные спутники могут находиться только на стационарной экваториальной орбите, их допустимое количество ограничено, и каждой из стран, запускающих спутники, выделена определенная квота международными соглашениями. Поэтому Россия и многие страны используют спутники с сильно вытянутой эллиптической орбитой. Особенности их траектории позволяют их использовать почти как геостационарные.
.
Рис. 11.6 . Схемы зон обслуживания в РТС ПИ на основе одного и трех стационарных ИСЗ
Состав аппаратуры РТС ПИ на основе ИСЗ:
БУУ- бортовая аппаратура контроля и управления.
КИК- командно-измерительный комплекс
НС- наземная станция спутниковой связи (Диапазон УВЧ, СВЧ, ОВЧ)
Антенна с остро направленным излучением
Зона действия РТС ПИ на основе ИСЗ: Радиус Земли - Rз=6400 км., радиус орбиты - Rд=36000 км.
Действующие системы: “Орбита”, ”Интерспутник”, “Москва”, “Экран”, “Радуга”, “Горизонт”, “Стационар”.
Спутники “Молния” - эллиптическая орбита Hmin=500 км, Hmax>40000 км. Период обращения такого спутника Тобр =12 часов, причем время облета полушария (и работы системы связи) составляет 8 часов.
Спутниковые системы связи очень дороги, однако при больших расстояниях они конкурируют с кабельными системами связи. При расстояниях более 2000 км целесообразно использовать ИСЗ.
Сопоставление стоимости кабельной и спутниковой систем передачи информации приведено на рис. 11.7. Кроме того, на спутнике можно организовать больше каналов связи.
Рис. 11.7. Сопоставление стоимости кабельной системы передачи информации с РТС ПИ на ИСЗ.
11.7. Сотовая телефонная радиосвязь
Сотовая телефонная радиосвязь получила широкое распространение благодаря потребности людей в общении в любое время суток и находясь в любом месте. Особенностью сотовой связи является небольшие мощности передачи сотового телефона. Он может поддерживать связь только на расстоянии 10-15 км (в зависимости от условий распространения). Поэтому создается сеть приемо-передающих ретрансляторных станций, являющихся одновременно и коммутирующими станциями. Коммутирующие устройства, по заданному абонентом набору номера телефона, определяют сотовую станцию, находящуюся в зоне обслуживания второго абонента, осуществляют соединение и поддерживают связь абонентов.
Для обеспечения переговоров многих абонентов необходимо много частотных каналов и они должны быть плотно расположены. По этому радиотелефоны работают на частотах УКВ-диапазона. Многоканальная передача информации между коммутирующими станциями идет в режиме временного уплотнения каналов с применением импульсно-кодовой модуляции.
12. Вычисление координат и параметров движения в РЛС
12.1. Цифровые накопители (интеграторы)
Цифровые накопители имеют стабильную задержку и хорошее воспроизведение сигнала. Они могут применяться в когерентных и некогерентных РЛС совместно с цифровыми и аналоговыми согласованными фильтрами.
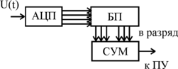
Элемент цифрового фильтра (ЦФ) некогерентной РЛС - цифровой интегратор, в котором сигналы представляются в двоичной системе «да» -(1) или «нет» -(0), представлен на рис. 12.1.
Рис. 12.1. Элемент цифрового фильтра некогерентной РЛС - цифровой интегратор; АЦП- аналого-цифровой преобразователь, БП-блок памяти, СУМ-сумматор
Последовательность b-разрядных двоичных чисел с интервалом времени
поступает из АЦП в блок памяти, который выполняет функции линии задержки. В каждом такте работы устройства из БП с интервалом Тсл извлекаются (n-1) чисел , которые вместе с очередным отсчетом поступают в сумматор. Если сумма превысит установленный порог, то принимается решение о наличии цели в данный момент , при n=k. При этом определяется время запаздывания сигнала
и дальность до цели
, где
- интервал дискретизации.
Информация хранится в блоке памяти в течение времени (n-1)Тсл, , после чего сбрасываются. АЦП и БП управляются синхронизирующим генератором.
Оптимальные цифровые интеграторы при большом количестве импульсов в пачке n и разрядности чисел b оказываются громоздкими.
В РЛС некогерентного типа чувствительность приемника слабо зависит от числа уровней квантования (разрядности чисел b), поэтому в таких РЛС используется бинарное квантование (b=1). В этом случае квантованный сигнал может принимать одно из двух возможных значений 0 или 1.
Бинарный квантователь представляет собой пороговое устройство. Если выходное напряжение приемника превышает порог, то квантованному сигналу присваивается значение 1и на интервале дискретности создается стандартный импульс. Если выходное напряжение приемника ниже порога, то ему присваивается 0, и импульс отсутствует. Квантованный сигнал представляет собой последовательность нулей и единиц. Наличие и отсутствие пачки импульсов сигнала различаются лишь плотностью единиц в этой последовательности.
При бинарном квантовании схема обнаружителя существенно упрощается(рис. 12.2). Устройство содержит один сдвиговой регистр. Число единиц, хранящихся в памяти (в регистре), пропорционально их плотности в потоке отсчетов сигнала. Функции сумматора и порогового устройства выполняет логическая комбинационная схема, которую назовем «схема совпадения k из n ».
Структура импульсов и взаимодействие элементов БК показаны на рис. 12.2. Если количество импульсов (единиц) достигает величины порога, например k, то схема совпадения принимает решение о наличии цели, когда на ее входы поступает
k или больше импульсов. Если число импульсов меньше k, то считают , что цель отсутствует. При наличии цели на выходе схемы совпадения вырабатывается стандартный импульс. Этот алгоритм называется методом « k из n ».
Рис. 12.2. Структура импульсов и их взаимодействие в БК
12.2. Методы измерения координат и радиальной скорости целей в РЛС
Измерение угловых координат (азимут, угол места):
а) Структурная схема измерителя угловых координат по максимальной амплитуде отраженного сигнала и фазе (в радионавигации).
Рис. 12.3. Структурная схема амплитудного измерения угловых координат
Точность измерения угловых координат составляет 0,5 , где - ширина диаграммы направленности антенны.
б) Для увеличения точности используют метод сравнения в следящей системе (рис.12.4).
Рис. 12.4. Структурная схема следящей системы измерения угловых координат и её дискриминантная характеристика
в) Цифровой бинарный программный обнаружитель работает по схеме, приведенной на рис. 12.5.
Рис. 12.5. Схема регистрации начала и конца пачки импульсов для точного измерения угловых координат
12.3. Радиоизмерение дальности (импульсный, частотный и фазовый метод)
12.3.1. Импульсный метод
Наиболее употребительный амплитудный импульсный метод по времени запаздывания отраженного з:
.
Этот метод широко используется в импульсных РЛС. Для увеличения точности определения дальности по времени прихода фронта импульса применяют схему, приведенную на рис. 12.6. Достоинство схемы заключается в том, что на выходе получают сигнал в цифровой форме.
Рис. 12.6. Схема определения дальности подсчетом импульсов.
Фазовый метод определения дальности заключается в скачкообразном (импульсном) изменении фазы узкополосного сигнала. Как и в предыдущем случае, дальность определяется по времени задержки изменения фазы. Преимущество – узкополосный фильтр. Недостаток – передача и прием на разные антенны.
12.3.2. Частотный метод
Обычно этот метод применяют в радиовысотомерах малых высот и в радиодальномерах для измерения расстояний до близких целей.
Частотный метод определения дальности заключается в линейном изменении частоты зондирующего сигнала во времени и в выделении разности частот передачи и приема.
















