Пунк3КП (1087847), страница 2
Текст из файла (страница 2)
где Un - расчетное значение регулирующего воздействия в момент квантования n;
en - значение ошибки регулирования в момент квантования n;
en-1 - предыдущее значение ошибки регулирования (в момент квантования n - 1);
kИ- коэффициент пропорциональности интегральной составляющей;
UИ n-1 – предыдущее значение интегральной составляющей;
kД - коэффициент пропорциональности дифференциальной составляющей;
UПn - значение пропорциональной составляющей регулирующего воздействия в момент квантования n;
UИn - значение интегральной составляющей регулирующего воздействия в момент квантования n;
UДn - значение дифференциальной составляющей регулирующего воздействия в момент квантования n.
Уравнение для пропорциональной составляющей, решаемое ПЛК, имеет вид:
Уравнение для интегральной составляющей, решаемое ПЛК, имеет вид:
где Tкв - период квантования контура регулирования, представляющий собой время цикла, с которым PID-регулятор.
ПЛК использует следующее уравнение для расчета дифференциальной составляющей:
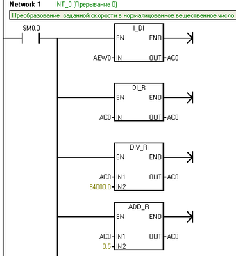
3.2 Преобразование и нормализация входов контура регулирования
Заданное значение и регулируемая переменная . это реальные физические величины, диапазон значений которых и единицы измерения могут быть различными. Прежде чем эти физические величины могут быть использованы командой PID-регулятор, они должны быть преобразованы в нормализованные представления с плавающей точкой.
Первый шаг состоит в преобразовании физической величины, представленной в виде 16-битового целого числа в вещественное число, или число с плавающей точкой.
Следующий шаг состоит в преобразовании вещественного представления реальной физической величины в нормализованное значение между 0.0 и 1.0. Для нормализации заданного значения или регулируемой переменной используется следующее уравнение:
где Rнорм - нормализованное вещественное число, представляющее реальную физическую величину;
Rннорм - ненормализованное вещественное представление реальной физическое величины;
Смещ - смещение, равное 0.0 для униполярных величин, и 0,5 для биполярных величин;
Д - диапазон, равный разности между максимально возможным и минимально возможным значением:
= 32 000 для униполярных величин,
= 64 000 для биполярных величин.
3.3 Преобразование регулирующего воздействия в масштабированную целую величину.
Регулирующее воздействие - это нормализованное вещественное значение между 0.0 и 1.0. Прежде чем регулирующее воздействие может быть использовано для управления аналоговым выходом, оно должно быть преобразовано в 16-битовую масштабированную целую величину.
Первый шаг состоит в преобразовании регулирующего воздействия в масштабированное вещественное число с помощью следующей формулы:
где Rмасш - масштабированное вещественное значение регулирующего воздействия;
Un - нормализованное вещественное значение регулирующего воздействия$
Смещ - смещение, равное 0.0 для униполярных величин, и 0,5 для биполярных величин;
Д - диапазон, равный разности между максимально возможным и минимально возможным значением
= 32 000 для униполярных величин,
= 64 000 для биполярных величин.
3.4 Таблица контура регулирования
Таблица контура регулирования имеет длину 36 байтов и формат, показанный в таблице 1.
Таблица 3.1. Таблица контура регулирования
| Адрес | Поле | Описание |
| 0 | uфn | Регулируемая переменная (0,0…1,0) |
| 4 | uзn | Заданная переменная (0,0…1,0) |
| 8 | Un | Расчетное регулирующее воздействие (0,0…1,0) |
| 12 | kп | Коэффициент усиления |
| 16 | Ткв | Период квантования, с |
| 20 | Ти | Постоянная времени интегрирования |
| 24 | Тд | Постоянная времени дифференцирования |
| 28 | UИn | Предыдущее значение интегральной составляющей (0,0…1,0) |
| 32 | uфn-1 | Предыдущее значение регулируемой переменной |
3.5 Программа с PID-регулятором
Определим коэффициент усиления для контура тока и скорости (Тк = ТИ):
Оба контура имеют ПИ-регулятор, поэтому принимаем ТД = 0.
Эти значения вводятся в таблицы контура регулирования тока и скорости. Заданная, регулируемая и регулирующая переменные являются биполярными аналоговыми величинами. Диапазон аналогового входа и аналогового выхода равен 64000.
На рисунке 3.4 показана программа ПИ-регулятора.
Рисунок 3.4 Программа ПИ-регуляторов тока и скорости
Дисц. 3455 Москва 5 курс
| Вар. | ФИО | Iн | kд | J | Rя | Тэ | Еп | Тп | kп | kос |
| 1 | АНДРЕЕВ П. И. | 18 | 0,81 | 0,01 | 0,22 | 0,04 | 233 | 0,01 | 20 | 0,04 |
| 2 | БЛАЖНОВ Э. Е. | 24 | 0,8 | 0,013 | 0,139 | 0,04 | 233 | 0,01 | 25 | 0,03 |
| 3 | БОРЖАНСКАЯ А. А. | 31,5 | 0,84 | 0,035 | 0,11 | 0,05 | 233 | 0,01 | 15 | 0,035 |
| 4 | ГЕРАСИМОВА О. Г. | 29 | 0,82 | 0,042 | 0,12 | 0,07 | 233 | 0,01 | 18 | 0,03 |
| 5 | ГОРБАЧЕВ Д. М. | 28 | 0,75 | 0,049 | 0,144 | 0,085 | 233 | 0,01 | 30 | 0,03 |
| 6 | ГОРНОСТАЕВ А. С. | 50 | 0,7 | 0,188 | 0,057 | 0,077 | 233 | 0,01 | 12 | 0,025 |
| 7 | ДЕГТЕРЕВ В. Ю. | 50 | 0,85 | 0,238 | 0,071 | 0,105 | 233 | 0,01 | 10 | 0,02 |
| 8 | ЕГОРОВ А. А. | 78,5 | 0,9 | 0,242 | 0,032 | 0,118 | 233 | 0,01 | 15 | 0,02 |
| 9 | ЗАКАТОВА Т. А. | 90 | 0,8 | 0,298 | 0,034 | 0,141 | 233 | 0,01 | 20 | 0,04 |
| 10 | КЛОЧКОВА Е. А. | 78,5 | 0,7 | 0,238 | 1,8 | 0,022 | 233 | 0,01 | 25 | 0,032 |
| 11 | КУЗНЕЦОВ А. В. | 24 | 0,8 | 0,01 | 0,22 | 0,04 | 233 | 0,01 | 20 | 0,04 |
| 12 | МАСЛОВ А. Е. | 31,5 | 0,84 | 0,013 | 0,139 | 0,04 | 233 | 0,01 | 25 | 0,03 |
| 13 | МИХЕЕВ В. О. | 29 | 0,82 | 0,035 | 0,11 | 0,05 | 233 | 0,01 | 15 | 0,035 |
| 14 | МОСТОВЕНКО А. И. | 28 | 0,75 | 0,042 | 0,12 | 0,07 | 233 | 0,01 | 18 | 0,03 |
| 15 | ОХРИМЕНКО А. С. | 50 | 0,7 | 0,049 | 0,144 | 0,085 | 233 | 0,01 | 30 | 0,04 |
| 16 | ПАВЛОВСКИЙ В. В. | 50 | 0,85 | 0,188 | 0,057 | 0,077 | 233 | 0,01 | 12 | 0,025 |
| 17 | ПЕТРОЧЕНКОВ М. В. | 78,5 | 0,9 | 0,238 | 0,071 | 0,105 | 233 | 0,01 | 10 | 0,02 |
| 18 | ПРОКОФЬЕВ А. В. | 90 | 0,8 | 0,242 | 0,032 | 0,118 | 233 | 0,01 | 15 | 0,04 |
| 19 | СЕМИЛЕТОВ Р. К. | 24 | 0,83 | 0,298 | 0,34 | 0,141 | 233 | 0,01 | 20 | 0,04 |
| 20 | СМИРНОВ А. А. | 31,5 | 0,83 | 0,035 | 1,8 | 0,022 | 233 | 0,01 | 25 | 0,032 |
| 21 | ТОПС А. В. | 29 | 0,8 | 0,042 | 0,22 | 0,04 | 233 | 0,01 | 20 | 0,04 |
| 22 | ТРАВКИН П. Е. | 28 | 0,84 | 0,049 | 0,139 | 0,04 | 233 | 0,01 | 25 | 0,03 |
| 23 | ХРЕНОВ А. А. | 50 | 0,82 | 0,188 | 0,11 | 0,05 | 233 | 0,01 | 15 | 0,035 |
| 24 | ШАМШУРИНА М. А. | 50 | 0,75 | 0,238 | 0,12 | 0,07 | 233 | 0,01 | 18 | 0,03 |
| 25 | АРХИПОВ А. А. | 78,5 | 0,7 | 0,242 | 0,144 | 0,085 | 233 | 0,01 | 30 | 0,04 |
| 26 | БУРЬЯНОВ А. В. | 90 | 0,85 | 0,298 | 0,057 | 0,077 | 233 | 0,01 | 12 | 0,025 |
| 27 | ЗОЛОТОВ С. С. | 21 | 0,9 | 0,05 | 0,071 | 0,105 | 233 | 0,01 | 10 | 0,02 |
| 28 | КОРОЛЕВ А. И. | 24 | 0,8 | 0,01 | 0,32 | 0,118 | 233 | 0,01 | 15 | 0,04 |
| 29 | КРУТИКОВ А. Н. | 31,5 | 0,8 | 0,013 | 0,34 | 0,141 | 233 | 0,01 | 20 | 0,04 |
| 30 | КРУЧЕНКОВ В. А. | 29 | 0,84 | 0,035 | 1,8 | 0,022 | 233 | 0,01 | 25 | 0,032 |
| 31 | ЛЕОНИДОВ И. А. | 28 | 0,82 | 0,042 | 0,22 | 0,04 | 233 | 0,01 | 20 | 0,04 |
| 32 | МАСКАЕВ М. А. | 50 | 0,75 | 0,049 | 0,139 | 0,04 | 233 | 0,01 | 25 | 0,03 |
| 33 | НОВИКОВ А. А. | 24 | 0,7 | 0,188 | 0,11 | 0,05 | 233 | 0,01 | 15 | 0,035 |
| 34 | ОВЧАРОВ С. В. | 31,5 | 0,85 | 0,238 | 0,12 | 0,07 | 233 | 0,01 | 18 | 0,03 |
| 35 | ПЕТРОЧЕНКО И. К. | 29 | 0,8 | 0,242 | 0,144 | 0,085 | 233 | 0,01 | 30 | 0,02 |
| 36 | ПЕТРУХИН А. Е. | 28 | 0,84 | 0,035 | 0,057 | 0,077 | 233 | 0,01 | 12 | 0,025 |
| 37 | РОМАНОВ А. В. | 50 | 0,82 | 0,042 | 0,071 | 0,105 | 233 | 0,01 | 10 | 0,02 |
| 38 | ЯШИН С. В. | 50 | 0,75 | 0,049 | 0,032 | 0,118 | 233 | 0,01 | 15 | 0,05 |
| 39 | 24 | 0,7 | 0,188 | 0,034 | 0,141 | 233 | 0,01 | 10 | 0,04 | |
| 40 | 31,5 | 0,85 | 0,238 | 1,8 | 0,022 | 233 | 0,01 | 25 | 0,032 | |
| 41 | 29 | 0,9 | 0,242 | 0,22 | 0,04 | 233 | 0,01 | 20 | 0,04 | |
| 42 | 28 | 0,8 | 0,298 | 0,139 | 0,04 | 233 | 0,01 | 25 | 0,03 | |
| 43 | 50 | 0,84 | 0,05 | 0,11 | 0,05 | 233 | 0,01 | 15 | 0,035 | |
| 44 | 24 | 0,82 | 0,01 | 0,12 | 0,07 | 233 | 0,01 | 18 | 0,03 | |
| 45 | 31,5 | 0,75 | 0,013 | 0,144 | 0,085 | 233 | 0,01 | 30 | 0,02 | |
| 46 | 29 | 0,8 | 0,035 | 0,057 | 0,077 | 233 | 0,01 | 12 | 0,025 | |
| 47 | 28 | 0,84 | 0,042 | 0,071 | 0,105 | 233 | 0,01 | 10 | 0,02 | |
| 48 | 50 | 0,82 | 0,049 | 0,032 | 0,118 | 233 | 0,01 | 15 | 0,03 | |
| 49 | 50 | 0,75 | 0,188 | 0,034 | 0,141 | 233 | 0,01 | 20 | 0,04 | |
| 50 | 78,5 | 0,7 | 0,238 | 1,8 | 0,022 | 233 | 0,01 | 25 | 0,032 | |
| 51 | 21 | 0,83 | 0,05 | 1,8 | 0,022 | 233 | 0,01 | 25 | 0,032 |
















