Пунк3КП (1087847)
Текст из файла
3 Проектирование и программирование ПИД регуляторов.
3.1 Синтез регуляторов тока и скорости в электроприводе постоянного тока.
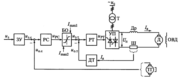
Наибольшее распространение среди систем управления скоростью двигателя постоянного тока получили системы, в которых скорость регулируется изменением напряжения на якоре двигателя за счет управляемого электрического преобразователя (генератора, управляемого тиристорного или транзисторного выпрямителя, широтно-импульсного преобразователя) при подчиненном контуре регулирования тока двигателя. На рисунке 3.1 дана функциональная схема электропривода с подобной системой регулирования. Двигатель Д с независимым возбуждением (обмотка возбуждения ОВД) получает питание от управляемого преобразователя УП — реверсивного тиристорного преобразователя с двумя выпрямительными группами со встречно-параллельной схемой включения и с раздельным их управлением.
Согласование номинальных значений напряжения питающей УП сети uс, его выходного напряжения и тока якоря двигателя обеспечивается трансформатором Т. Применение Т позволяет: обеспечить номинальное напряжение на выходе преобразователя при минимальном угле управления его тиристорами и, в итоге, при максимальном коэффициенте мощности электропривода; ограничить скорость изменения тока через тиристоры при их коммутации и коротких замыканиях в случае возможных аварийных режимов в силовой цепи УП; потенциально разделить высоковольтные цепи питания УП и якорную цепь двигателя, что повышает эксплуатационную надежность и безопасность их обслуживания. При необходимости улучшения условий коммутации тока якоря двигателя за счет ограничения скорости его изменения в цепи якоря двигателя устанавливается дроссель Др. Сглаживание пульсаций тока якоря способствует также уменьшению вибраций и шума в двигателе.
Рисунок 3.1 - Функциональная схема электропривода с подчиненным регулированием тока и скорости
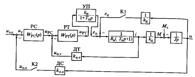
Рисунок 3.2 - Структурная схема электропривода с подчиненным регулированием тока и скорости
Система управления электропривода содержит два контура регулирования: внутренний контур тока якоря (КТ) и внешний контур скорости (КС).
Контур тока включает в себя силовую часть электропривода с выходом по току якоря Iя, цепь отрицательной обратной связи по току якоря и регулятор тока якоря РТ. На входе РТ сравниваются напряжение задания тока якоря uз.т и напряжение обратной связи uо.т, поступающее с датчика тока ДТ. На вход ДТ подается напряжение с шунта Ш, пропорциональное току якорной цепи двигателя. Блок БО ограничивает выходное напряжение uРС регулятора скорости PC.
Контур скорости двигателя включает в себя замкнутый КТ, цепь отрицательной обратной связи по скорости двигателя и регулятор скорости. На входе PC сравниваются напряжение задания скорости uз.с, подаваемое с выхода задающего устройства ЗУ, и напряжение обратной связи uо.с по скорости двигателя, поступающее от тахогенератора ТГ. Регулятор скорости может быть как пропорциональным (при невысоких требованиях к точности регулирования скорости), так и пропорционально-интегральным (при необходимости абсолютной статической точности регулирования).
Задающее устройство формирует желаемый закон изменения скорости электропривода, например, линейный с заданным постоянным ускорением (задатчик интенсивности), экспоненциальный (инерционное входное звено) либо синусоидальный (как тестовый сигнал для снятия частотных характеристик электропривода).
Блок БО ограничивает выходное напряжение PC и тем самым максимальное напряжение задания uз.т тока якоря двигателя, обеспечивая в замкнутом КТ якоря двигателя ограничение этого тока на уровне максимально допустимого значения Imax. Уровень ограничения статической характеристики БО независимо регулируется сигналами Imax1, Imax2.
Структурная схема электропривода представлена на рис. 2. Обозначения, принятые на схеме:
Тэ — электромагнитная постоянная времени якорной цепи, с;
Rя — сопротивление якорной цепи, Ом;
J — суммарный момент инерции электропривода, приведенный к валу двигателя, кг-м2;
kп — коэффициент усиления УП;
Тп — постоянная времени цепи управления преобразователем, учитывающая коммутационные запаздывания и наличие фильтров, с (для полупроводниковых УП Тп < 10 мс и может быть принята за некомпенсирующую постоянную времени Тμ);
kд — передаточный коэффициент двигателя, рад/(В·с);
kо.т — коэффициент обратной связи по току, Ом;
kо.с — коэффициент обратной связи по скорости двигателя, (В·с)/рад;
WPТ(p) и WPC(p) — передаточные функции регуляторов соответственно тока и скорости.
Рассмотрим пример синтеза регуляторов тока и скорости в системе подчиненного электропривода.
3.2 Задание.
Определить тип и параметры регуляторов тока и скорости, составить принципиальную схему их аналогового исполнения и составить программу для ПЛК.
Исходные данные:
силовая часть электропривода представляет собой систему тиристорный преобразователь — двигатель постоянного тока с независимым возбуждением;
номинальные напряжение, ток, момент и скорость двигателя Uн = 220 В, Iн = 21 A;
передаточный коэффициент и момент инерции двигателя kд = 0,83 рад/(В·с), J = 0,05 кг·м2;
сопротивление и электромагнитная постоянная времени якорной цепи Rя = 1,8 Ом, Тэ = 0,022 с;
максимальная ЭДС, коэффициент усиления и постоянная времени тиристорного преобразователя Еп max = 300 В, kп = 25, Тп = Тμ = 0,01 с;
а также передаточный коэффициент тахогенератора kТГ = kо.с = 0,032 В·с/рад.
По условию задачи принимаем за элементную базу построения куляторов операционные усилители с напряжением питания ±15 В и выходным стабилизированным напряжением ±10 В (например, микросхемы типа К553 УД2).
Для контура тока без учета влияния ЭДС двигателя используется пропорционально-интегральный тип регулятора с передаточной функцией
и параметрами
,
Для заданного токоограничения на уровне
и максимального стабилизированного напряжения на входе контура тока
определяем коэффициент обратной связи по току
и постоянную интегрирования регулятора
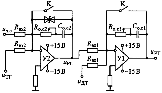
Рисунок 3.3 - Схемы регуляторов тока и скорости
Принимаем пропорционально-интегральный тип регулятора с передаточной функцией
и параметрами Тк2 = 8Тп = 0,08 с; Т02 = 8 Тп/kРС.
Для реализации регуляторов тока и скорости используем операционные усилители в схеме включения ПИ-регулятора (рисунок 3). Параметры регуляторов обеспечиваются соответствующими значениями сопротивлений и емкостей с учетом условия, что сопротивление нагрузки усилителя Rнаг должно быть не меньше допустимого Rдоп (для типовых микросхем Rдоп = 2 кОм).
Для регулятора тока:
Тк1 = Rо.с1 Со.с1 = 0,022 с; отсюда подбираем Со.с1 = 0,5 мкФ; Rо.с1 = 44 кОм;
Т01 = Rвх1 Со.с1 = 0,044 с; отсюда Rвх1= 88 кОм.
Для регулятора скорости:
. Тк2 = Rо.с2 Со.с2 = 0,08 с. Выбираем Rо.с2 = 80 кОм, Со.с2 = 1 мкФ.
. Т02 = Rвх2 Со.с2 = 0,0154 с; отсюда Rвх2= 15,4 кОм.
Максимальное задающее напряжение Uз.c max = kо.с·kд·Еп0 = 0,032·0,83·233 = 6,2 В.
3 Программирование ПИД регуляторов
Команда PID-регулятор (пропорционально-интегрально-д
ифференциальный регулятор) предназначена для расчета PID-регуляторов. Команда имеет два операнда: TABLE (TBL), являющийся начальным адресом таблицы с данными контура регулирования, и LOOP - номер контура регулирования, являющийся константой от 0 до 7.
Таблица контура регулирования хранит девять параметров, используемых для управления и контроля за работой контура регулирования. Сюда входят текущее и предыдущее значение регулируемой переменной (фактическое значение), заданное значение, регулирующее воздействие (выход), коэффициент усиления, период квантования, постоянная времени интегрирования (или время интегрирования), постоянная времени воздействия по производной (скорость) и интегральная сумма (смещение).
3.1 PID-алгоритм
В установившемся режиме PID-регулятор управляет своим выходом (регулирующим воздействием) таким образом, чтобы свести ошибку регулирования (e) к нулю. Мерой ошибки является разность между заданным значением (uз) и фактическим значением регулируемой переменной (uф). Принцип PID-регулятора основан на следующем уравнении, которое выражает регулирующее воздействие U(t) как функцию пропорциональной составляющей, интегральной составляющей и дифференциальной составляющей:
где, U(t) - регулирующее воздействие (выход регулятора) как функция времени;
kП - коэффициент усиления контура регулирования;
kИ - коэффициент усиления контура интегрирования;
kД - коэффициент усиления контура дифференцирования;
ТИ – постоянная времени интегрирования;
ТД – постоянная времени дифференцирования;
e = uз – uф - ошибка регулирования;
Uнач - начальное значение регулирующего воздействия.
Чтобы реализовать эту функцию управления в цифровой вычислительной машине, должно быть выполнено квантование непрерывной функции в соответствии с периодическими замерами значения ошибки с последующим расчетом регулирующего воздействия.
Соответствующее уравнение, являющееся основой для решения на цифровой вычислительной машине, имеет вид:
Характеристики
Тип файла документ
Документы такого типа открываются такими программами, как Microsoft Office Word на компьютерах Windows, Apple Pages на компьютерах Mac, Open Office - бесплатная альтернатива на различных платформах, в том числе Linux. Наиболее простым и современным решением будут Google документы, так как открываются онлайн без скачивания прямо в браузере на любой платформе. Существуют российские качественные аналоги, например от Яндекса.
Будьте внимательны на мобильных устройствах, так как там используются упрощённый функционал даже в официальном приложении от Microsoft, поэтому для просмотра скачивайте PDF-версию. А если нужно редактировать файл, то используйте оригинальный файл.
Файлы такого типа обычно разбиты на страницы, а текст может быть форматированным (жирный, курсив, выбор шрифта, таблицы и т.п.), а также в него можно добавлять изображения. Формат идеально подходит для рефератов, докладов и РПЗ курсовых проектов, которые необходимо распечатать. Кстати перед печатью также сохраняйте файл в PDF, так как принтер может начудить со шрифтами.
















