Лекция 3 (1087444)
Текст из файла
Лекция 3 Принципы построения волоконно-оптических систем передачи.
1. Обобщенная структурная схема ВОСП
Рис. 1
2. Способы модуляции оптического излучения в волоконно-оптических системах передачи
В ВОСП в подавляющем большинстве используется модуляция по интенсивности (МИ) оптического излучения. Мгновенное значение электрического поля в некоторой точке пространства, в котором распространяется монохроматическое оптическое излучение. описывается следующим выражением
где Ем – амплитуда поля; ω0 и φ0 – соответственно частота и фаза оптической несущей.
Мгновенное значение интенсивности в рассматриваемой точке будет равно
а усредненное значение по периоду
Данная величина называется средней интенсивностью, или мощностью. При МИ именно величина P изменяется в соответствии с модулирующим сигналом с(t), т.е. P(t)~ с(t).
Существует 3 системы модуляции света:
- прямая (непосредственная);
- внешняя;
- внутренняя (для реализации внутренней модуляции пассивный модулятор вносится внутрь резонатора лазера).
В ВОСП используются два основных способа модуляции оптического излучения: прямая и внешняя.
Рис. 8. Обобщенные схемы модуляции оптического излучения:
а – прямая; б – внешняя.
1) Прямая модуляция, при которой модуляция излучения ЛД или СИД достигается путем изменения тока накачки. За счет прямой модуляции современные DFB-лазеры обеспечивают скорость передачи порядка 1 Гбит/с, а лазеры поверхностного излучения с вертикальным объемным резонатором – VCSEL (vertical cavity surface-emitting Lasers) – 10 Гбит/с.
2) Внешняя модуляция немодулированного источника излучения.
Внешний модулятор представляет собой устройство, пропускающее через себя оптическое излучение и изменяющее один из его параметров – интенсивность, фазу или состояние поляризации при приложении к нему электрического напряжения. В современных ВОСП используется два типа внешних модуляторов: электрооптические модуляторы на основе эффекта Поккельса и полупроводниковые (электроабсорбционные – EAM) модуляторы на основе эффекта Келдыша-Франца. (При наложении электрического поля спектр поглощения фотонов смещается в длинноволновую область). Внешние модуляторы обеспечивают скорость передачи порядка 40 Гбит/с и более.
По виду используемой модуляции все ВОСП делятся на аналоговые и цифровые.
Прямая аналоговая модуляции по интенсивности п/п лазера
При модуляции гармоническим сигналом
мощность оптического излучения на выходе источника
. При этом рабочая точка с параметрами P0, I0 выбирается на середине линейного участка ватт-амперной характеристики ПП лазера.
Рис. 2 Иллюстрация аналоговой модуляции источника излучения.
Выражение для коэффициента модуляции имеет вид
Отношение С-Ш растет с увеличением глубины модуляции m.
Аналоговые ВОСП имеют достаточно ограниченное применение и в настоящее время в основном используются для передачи телевизионных сигналов.
Существенной причиной, ограничивающей применение аналоговых сигналов является нелинейность ватт-амперной характеристики основного излучающего элемента – ПП лазера.
Для уменьшения нелинейных искажений можно уменьшить глубину модуляции. Однако при этом снижается отношение С-Ш. Поэтому для компенсации нелинейности оптического излучателя используются специальные методы, например: введение предыскажений. Однако это незначительно снижает уровень нелинейных искажений, усложняя при этом передатчик.
Прямая импульсная модуляция по интенсивности п/п лазера
Лазерный излучатель представляет из себя диод, смещаемый модулирующими импульсами в прямом направлении, поэтому в открытом сстоянии R= 2..4 Ом. Любая схема упоравления будет представлять собой источник тока.
Рис.3.
В данном случае дополнительная линеаризация ватт-амперных характеристик не требуется, что упрощает схему передатчика. Однако, при прямой импульсной модуляции лазера возникает ряд паразитных эффектов: задержка включения (задержка между скачком тока инжекции ЛД и началом излучения) и расширение спектра излучения.
После скачка тока сначала увеличивается U, а затем с задержкой tc и временем нарастания начинается излучение. Это приводит к искажению импульса.
Для уменьшения задержки между скачком тока и началом излучения при цифровой модуляции на излучатель подается напряжение смещения. При таком смещении задержка обусловлена только временами нарастания и спада , которые расширяют импульс до 2. В целом определяет частотную характеристику излучателя.
Отношение сигнал/шум:
при аналоговой модуляции 50 дб
при цифровой модуляции 21.3 дб (коэф. ошибок 10-9)
Рис. 4. Иллюстрация задержки между скачком тока инжекции ЛД и началом излучения.
3. Принципы построения приемных устройств ВОСП.
Классическая схема приема оптического излучения, промодулированного цифровым сигналом приведена на рис. 5.
Рис. 5. Типовая схема цифрового приемника оптического излучения
Детектируемый фотодиодом ток вначале усиливается малошумящим усилителем, а затем фильтруется, чтобы уменьшить влияние шума и получить достаточно высокий сигнала на входе схемы принятия решений (порогового устройства – ПУ) Принятие решений осуществляется с помощью устройства восстановления синхроимпульсов (УСВИ). Часто в схему вводится АРУ.
Кодирование цифрового потока данных
Основным показателем качества работы приемного устройства является отношение сигнал-шум (С-Ш).
3. Шумы фотоприемных устройств.
Для характеристики шумов ФПУ обычно используется такой параметр как отношение сигнал/шум SN на его выходе:
SN = Pc/Pш, где Pc и Pш – мощность полезного сигнала и шума, соответственно.
В ФП существуют два типа шумов: дробовый и тепловой.
Дробовый шум связан с дискретностью оптического сигнала, состоящего из фотонов и определяется как средний квадрат шумового тока
Для pin-фотодиода:
Iдр2 = 2eIB, (формула Шотки)
где I – среднее значение фототока; B – полоса пропускания электронного усилителя, стоящего после ФД; е – заряд электрона.
I = Ic +Iт , где Ic , Iт – фототок от информационного оптического сигнала и темновой ток.
Для ЛФД:
Iдр2 = 2eI М2BF,
где М – коэффициент лавинного умножения; F –коэффициент избыточного шума, зависящий от материала ФД, напряженности электрического поля и коэффициента ионизации.
Тепловой шум – это шум сопротивления нагрузки ФД (или входного сопротивления усилителя)
где kB – постоянная Больцмана; Т – температура, К; Rн – сопротивление нагрузки ФД.
Определим отношение сигнал/шум
При использовании pin-фотодиодов, как правило, преобладает тепловой шум, а при использовании ЛФД – дробовый шум.
Для ЛФД зависимость SN от М имеет максимум, т.е. существует оптимальная величина коэффициента умножения ЛФД. Например, для кремниевого ЛФД Мопт =80..100.
При приеме сигнала с аналоговой модуляцией
среднеквадратическое значение выходного тока фотодиода можно представить в виде:
Подставляя (9) в (8) можно показать, что отношение С-Ш растет с увеличением глубины модуляции m.
4. Коэффициент ошибок ВОСП
Для цифровой ВОСП важным параметром является коэффициент ошибок.
Коэффициент ошибок характеризует вероятность появления ошибки и определяется отношением числа ошибочных символов m, зафиксированных за интервал времени измерения, к общему числу принятых символов n:
(10)
Часто обозначается BER (bit-error-ratio – частота битовых ошибок) и называется вероятностью ошибки на бит.
а) б)
Рис. 6. Иллюстрация возникновения ошибки из-за наличия шума (а)
Упрощенная схема цифрового оптического приемника (б)
Вероятность ошибки связана с отношением С/Ш выражением:
где
– отношение С/Ш на входе компаратора, но в единицах тока, а не мощности.
erfc(x) – функция ошибки, определяемая как
Такую зависимость можно представить графиком (рис. 7).
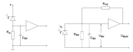
5. Предварительный усилитель фотоприемного устройства
Важнейшим элементом любого фотоприемного устройства является предварительный усилитель.
При проектировании предусилителя приходится идти на компромисс между высокой скоростью и чувствительностью. Входное напряжение предусилителя может быть увеличено путем использования большого нагрузочного сопротивления Rн. В этом случае используется схема с высоким импедансом или высокоимпедансный усилитель. При большом Rн увеличивается отношение С/Ш и улучшается чувствительность приемника. Однако при этом уменьшается полоса пропускания, а следовательно и быстродействие приемника.
Этот недостаток отсутствует в трансимпедансном усилителе, который чаще всего используется в реальных ВОСП.
Здесь сопротивлением нагрузки является сопротивление в цепи обратной связи инвертирующего усилителя. При этом оно может быть достаточно большим, поскольку отрицательная обратная связь уменьшает входной импеданс пропорционально коэффициенту усиления G инвертирующего усилителя. Полоса пропускания увеличивается также в G раз по сравнению со схемой с высоким импедансом.
а) б)
Характеристики
Тип файла документ
Документы такого типа открываются такими программами, как Microsoft Office Word на компьютерах Windows, Apple Pages на компьютерах Mac, Open Office - бесплатная альтернатива на различных платформах, в том числе Linux. Наиболее простым и современным решением будут Google документы, так как открываются онлайн без скачивания прямо в браузере на любой платформе. Существуют российские качественные аналоги, например от Яндекса.
Будьте внимательны на мобильных устройствах, так как там используются упрощённый функционал даже в официальном приложении от Microsoft, поэтому для просмотра скачивайте PDF-версию. А если нужно редактировать файл, то используйте оригинальный файл.
Файлы такого типа обычно разбиты на страницы, а текст может быть форматированным (жирный, курсив, выбор шрифта, таблицы и т.п.), а также в него можно добавлять изображения. Формат идеально подходит для рефератов, докладов и РПЗ курсовых проектов, которые необходимо распечатать. Кстати перед печатью также сохраняйте файл в PDF, так как принтер может начудить со шрифтами.
















