MS_glavy_123 (1086515), страница 2
Текст из файла (страница 2)
результатов
i-го прогона
Подготовка кмоделированию
очередного
варианта
Заданная
точность
достигнута?
2 9
3
i : = i + 1
нет
t : = 0
4
5
t : = t + ∆tj
да
Обработка результатов по варианту
Моделирование
работы на интервале
(t-∆tj,t). Получение
очередного значения
Qi(∆tj).
Формирование
очередного ∆tj
10
6
Все
исследуемые
варианты
просмотрены?
11нет
Исследуемый
интервал
времени работы
системы
окончен?
нет 12 да
Выдача результатов.
Стоп
7
да
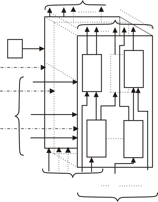
Рис.1
3. Внешний цикл охватывает оба предшествующих цикла и содержит дополнительно блоки 1, 2, 10, 11, управляющие последовательностью моделирования вариантов. Здесь может быть организован, в частности, поиск оптимальных параметров моделируемого объекта; блок 10 осуществляет проверку показателей, а блок 1 изменяет параметры так, чтобы улучшить эти показатели. Схема на рис.1 позволяет вести статистическую обработку в наиболее общем случае, при нестационарном критерии интерпретации результатов
, например, при анализе переходных процессов. В частных случаях можно ограничиться более простыми схемами.
При определении свойств моделируемого объекта значением Q(t) в некоторый заданный момент времени (например, в конце периода функционирования
) из блока 6 исключается задача получения очередного значения критерия Q(t): обработка сводится к оценке его распределения по независимым реализациям
, найденным в результате N прогонов модели.
Если моделируемый процесс устойчив и исследуется при ста-ционарных случайных внешних воздействиях, то по истечении некоторого времени
с начала работы в системе устанавливается стационарный режим, о котором можно судить по одной достаточно длинной реализации Q(t). Для схемы рис.1 это означает исключение среднего цикла (N= 1) и добавление операторов, позволяющих начать обработку значений Q(t) при
. В этом случае возникает задача выбора величины
и появляются особенности в обработке результатов, поскольку теперь значения Q(t) для всех последовательных моментов времени оказываются статистически зависимыми.
Наконец, если исследуется один вариант моделируемого объекта, то в модели исключаются блоки 2, 11 и упрощается блок 1.
1.3. Декомпозиция системы и принципы перехода от содержательного описания к математической модели
Декомпозиция (т.е. разбиение целого на части) — широко распространенный метод исследования и проектирования АСУ [1]. Сокращая размерность исследуемого объекта, декомпозиция позволяет уменьшить сложность построения полной модели путем замены ее отдельными моделями, допускающими независимую разработку и исследование. Практически это означает, что модель системы приобретает блочный характер.
Декомпозиция моделируемого объекта для представления его в модели обычно проводится по двум направлениям: по «горизонтали» (функциональная декомпозиция) и по «вертикали» (детализация, или стратификация) [7, 9-11].
Функциональная декомпозиция. Производится, как правило, с учетом основных функций, выполняемых подсистемами объекта. Функциональная декомпозиция позволяет разработчику модели сосредоточить внимание на полном и правильном отображении взаимодействия основных функциональных частей (подсистем, устройств) объекта и на построении модульной, функционально-ориентированной структуры модели.
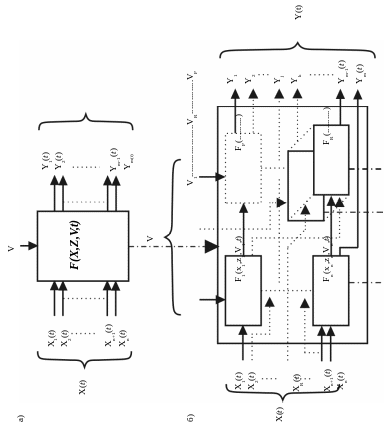
Детализация (стратификация) объекта. Необходимость ее обычно выясняется после проведения функциональной декомпозиции. Решения о детализации принимаются по отношению к каждой подсистеме отдельно. Фрагмент системы, дальнейшая детализация которого не является необходимой, приобретает статус элемента системы, и тем самым фиксируется уровень детализации его описания и представления в модели (параметров и функций, описывающих параметрические и временные связи входов и выходов системы). Переход на более детальное представление фрагмента системы необходим только в том случае, если вид и параметры функций F(x, z, t,...), связывающих входы x(t) и выходы y(t) рассматриваемого фрагмента системы, не известны с требуемой для модели точностью (рис.2).
На рисунке показан пример стратификации объекта. На рис.2, а изображен объект, для которого, ввиду сложности его организации и функционирования, невозможно получить явные зависимости выходных параметров У = F(X, Z, V, t) от входных параметров X, от состояния системы Z, от воздействий внешней среды V и от времени t, необходимых для построения модели. На рис.2, б представлен первый уровень стратификации объекта (функциональная декомпозиция). Пусть для двух подсистем, реализующих функции
и
получена требуемая точность их описания. В данном случае дальнейшая детализация блоков, реализующих функции
и
, приведена нa рис.2, в. Процесс стратификации, в общем случае, должен продолжаться до достижения требуемой точности описания функций.
В таком случае, переходя на следующий уровень стратификации, упрощают рассматриваемый элемент, и в конце концов достигают уровня детализации, обеспечивающего определение функции F с требуемой точностью.
Однако декомпозиция не является «механическим» процессом расчленения; она приводит к некоторым дополнительным проблемам анализа системы.
Пусть состояние системы характеризуется функциями
зависящими от параметров
. Математической моделью для объекта S могла бы служить система соотношений вида:
что в обобщенном виде можно записать как
В силу сложности системы получение такой модели является весьма редким случаем. Проведем декомпозицию системы S, т.е. расчленим ее на ряд подсистем
, основываясь при этом на определенных принципах [3], в том числе принципе минимальной связности между подсистемами. Доведем процедуру расчленения до уровня, когда построение моделей для подсистем
, станет заведомо возможным. Пусть характеристиками состояний
, будут функции
. Естественно, что среди функций
в общем случае могут оказаться функции, совпадающие с
. В качестве параметров для описания подсистем
выберем величины
. Некоторые из них могут совпа-дать с
.При сделанных предположениях математические модели подсистем S, можно представить соотношениями:
Обратим внимание на то, что совокупность моделей (1.1) в общем случае не составляет модели системы S. Это модели изолированных подсистем. Только совокупность уравнений (1.1) и (1.2) описывает систему S.
В результате такого преобразования модель представляется в виде совокупности отдельных блоков.
Отметим, что в процессе декомпозиции появились новые переменные вида
и величины
, наличие которых не предполагалось при выборе характеристик и параметров процесса S. В некоторых случаях часть этих «промежуточных» величин можно исключить из математической модели. Оставшиеся промежуточные величины должны рассматриваться наряду с выбранными ранее как характеристики или параметры процесса S.
Важно также и то, что вид функций
в соотношении (1.2) зависит от выбранной совокупности характеристик и параметров подсистем, т.е. от варианта декомпозиции. Декомпозиция, приводящая к упрощению модели системы, начинается на уровне содержательного описания.
Разные подсистемы могут требовать применения разных типов моделей, а для каждой частной модели должны использоваться наиболее целесообразные математическая схема и метод ее исследования.
Когда декомпозиция модели определяется разбиением системы на подсистемы, принятым при создании АСУ, выбор характеристик
и параметров
предопределен. Если декомпозиция полной модели проводится только по соображениям ее упрощения, можно рассматривать несколько вариантов разбиения.
Для уяснения механизма перехода от описания к блочной модели полезно ввести представление об описании системы S (рис.3, а) как о совокупности элементов 1... 47, представляющих собой части проектируемой системы, взаимодействующие с ней другие системы, внешнюю среду и т.д.
















