Решенные билеты (1085496), страница 14
Текст из файла (страница 14)
Определение: А- внутренний самовосстанавливающийся с задержкой n, если h(s,
)=h(s,
) s, sS;
Xn, причем n- минимальное. Другими словами это определение равносильно следующим условиям:
=1- все состояния А совпадают с задержкой и
=n –задержка совпадения.
Теорема (описание автоматов внутреннего самовосстановления): пусть A- автомат внутреннего самовосстановления с задержкой n, определим A,n: Xn+1Y; A,n: XnS равенствами: A,n(x1,…,xn+1)=f(h(x1,…,xn),xn+1), A,n(x1,…,xn)=h(s,(x1,…,xn)), для x1,…,xn; s.=>
A,n: R0(A,n)A- внутренний гомоморфизм, причем образ этого гомоморфизма равен А[c]. Вывод: всякий автомат внутреннего самовосстановления можно заменить на ПЛЗ.
Вопрос 35.
Теоретико-автоматная модель и основные понятия шифрованной связи.
Процесс передачи информации в системе шифрованной связи состоит из 3-х последовательных этапов: 1) зашифрование; 2)передача шифрованной информации по КС; 3) расшифрование. Эти процессы могут быть либо разделены во времени, либо происходить одновременно.Условная схема шифрованной связи:
, где
X*. Если нет помех, то такую схему для дискретной информации можно записать как последовательное соединение автоматов: A <-\ A. Тогда ТА-модель выглядит следующим образом: A=(X, KS, Y, h, f), A=(Y, KS, X, h, f) - автоматы, которые удовлетворяют следующим условиям: а) А- инъективен; б) h((k,s),x)=(k,s) k, s, x , т.е. в процессе работы автомата левая координата состояния, не меняется от такта к такту; в) А- стандартный левый обратный к А; г) h((k,s),x)=(k,s) k, s, x, т.е. аналогично б). Из ранее доказанной теоремы (Следующие свойства равносильны: а) А имеет левый обратный; б) А-инъективный; в) sS, fs: XY- инъективна; если в свойствах а), б), в)- левый заменить на правый, а инъективный на сюръективный, то полученные свойства будут равносильны) =>, что для А с а) и б) => A с в) и г), причем, при X=Y => A- определен однозначно и А=А-1;
Определение: При условиях а), б), в), г) пара автоматов: (A, A)- автоматная шифр. система (ШС). Опишем ранее известные параметры на языке ШС: X- открытый шифр; Y- шифр. алфавит; (KS)- множ-во ключей; K- множ-во долговременных ключей; S- множ-во разовых ключей; A- шифратор передачи; A- шифратор приема; f(k,s): XY- частичные функции- суммарный шифр при ключе (k,s), т.е. f(k,s
)(xi)=yi. Процесс шифрования открытого сообщения
X* происходит следующим образом: для шифраторов А и А в качестве начальных состояний устанавливается один и то же ключ: (k,s) при этом шифраторы синхронизируются. Далее открытое сообщение
подается на вход шифратора передачи – А и перерабатывается в криптограмму
- вых. последовательность А при начальном состоянии (k,s).
через КС подается на вход шифратора приема - А и расшифровывается в открытое сообщение:
=A(k,s)(
)=A(k,s)(A(k,s)(
)). При этом необходимо сделать некоторые замечания: 1) реальная шифроаппаратура может работать в разных режимах: -шифрования (основной режим); - синхронизация; далее будем рассматривать только режим шифрования. 2)
-открытое сообщение (открытая информация+служебная информация). В реальной ситуации далеко не все последовательности из X*- могут быть открытыми сообщениями, т.е.
0X*, но это очень усложняет рассуждения => предпологаем, что
X*. 3) Обобщая введенную модель, можно отказаться от условий в) и г) и считать А- произвольным левым обратным к А (не обязательно стандартный), однако, в наиболее интересных случаях: X=Y => левый обратный к А- стандартный обратный к А + ключи на приеме и передаче совпадают => не обобщаем. 4) Во введенной модели предполагается, что некоторая часть ключа (k,s)- может быть несекретной, т.е. вообще передаваться в КС. 5) При использовании в шифраторах приема узлов с большой вероятностью самовосстановления (А-самовосстановления) соответствующие этим блокам части разовых ключей на приеме и передаче могут быть различены в какие-то моменты времени, т.к. через небольшое кол-во тактов они станут одинаковы с большой вероятностью. (т.е. эту часть можно не синхронизировать).
Долговременный ключ от текста к тексту не меняется => kK Ak- внутренний подавтомат А с множ-вом состояний: {k}S; Ak- внутренний подавтомат А с множ-вом состояний: {k}S - это корректно в силу б) и г), тогда А=
; А=
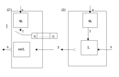
, причем: Ak- стандартный левый обратный к Аk, тогда Ak- шифратор передачи при долговременном ключе k, Ak- шифратор приема при долговременном ключе k =>, а Аk- стандартный правый обратный к Аk, тогда шифраторы приема/передачи представляются в виде:
(1)(1) – реализуют hk автомата Аk; (2) и (2)- автоматы БП, реализующие fk, fk. На процесс шифрования можно смотреть как на процесс выработки суммарных шифров: в i-ом такте вырабатывается f(k,s
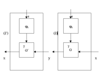
)(xi)=yi. В соответствии с теоремой1: все суммарные шифры - инъективные отображения, а при X=Y- биекции и f(k,s)=f-1(k,s). Рассмотрим один из подходов к реализации f и f: Пусть Г- некоторое множ-во, Г<, и пусть : KSГ- отображение из множ-ва ключей в Г, пусть G: ГXY, причем G- инъективная по x функция. => G: ГYX: G(,G(,x))=x, ,x {обратная слева к G по второй переменной} => Блоки (2) и (2) строятся следующим образом:
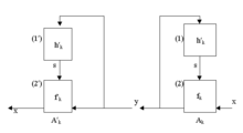
Блоки G и G' - шифрующие блоки. При X=Y={0,1} => f=f- всегда совпадают и fk(s,x)=k(s)x. Пусть X=Y; X>2. Метод построения шифрующих блоков (метод образующих) состоит из следующих этапов: а) выбираем L=(Z, X, g)- автомат без выхода, подстановочный; б) фиксируем: lN- достаточно большое; в) выбираем: k:KSГ, где Г=Zl;- эти вектора- управляющие комбинации, а l- длина управляющей комбинации; г) fk(s,x)=g
(s)(x)=gz
… gz
(x);- финальное состояние автомата L при начальном состоянии x и входной последовательности (z1,…,zl), тогда k(x)=(z1,…,zl), fk(s,x)= gz
… gz
(x)- финальное состояние реверса автомата L при начальном состоянии x и подаче на вход управляющей комбинации в обратной последовательности:
Наибольшее распределение получил случай, когда: X=Y={0,1}; Z={0,1}; Z=R().
Определение: Шифросистема (А, А) -называется ШС гаммирования, если ее суммарные шифры обладают следующим свойством: (k,s), (k,s)KS: (f(k,s) f(k,s)) => f(k,s)(x) )f(k,s)(x) xX, => для таких шифросистем, зная один только переход, например, f(k,s)(x)=y, т.е. xy, тогда f(k,s)- определяется однозначно и { f(k,s)(k,s)KS}Y; всего f(k,s)- число размещений из YпоX: (Y!) / (Y-X)!.
Определение: шиифросистема инволютивная (обратимая) -если шифраторы приема и передачи совпадают.
Утверждение(критерий инвалютивности ШС):Шифросистема (А, А)- инволютивна X=Y, (k,s)KS, xX: а) f-1(k,s)=f(k,s) (т.е. все суммарные шифры- инволюции, т.е. f2=e, т.е. порядок подстановки 2 (т.е. из циклов длины 1 или 2)); б) h((k,s),f((k,s),x))=h((k,s),x). Доказательство:"<=" : Из а), б), и условия => А=А-1, т.к. X=Y, а из свойств а) и б) – по построению стандартного обратного => A-1=A; "=>" : Если А=А, то X=Y => A=A-1- стандартный обратный к А, а по построению стандартного обратного из свойства инволютивности шифросистемы => а) и б).
Для (k,s), (k,s)KS: рассмотрим следующие утверждения: 1* - (k,s)~ (k,s) в А; 2* - (k,s)~ (k,s) в А 3* - А(k,s)A(k,s)=EX* (EX*- тождественное преобразование множ-ва X*). Очевидны следующие импликации: 1* => 3* (из определения левого (правого) обратного), 2* => 3*. При X=Y- все 3 свойства равносильны (т.к. А=А-1).
Определение: Ключи (k,s), (k,s)- эквивалентные на передаче, если выполнено свойство 1*; эквивалентные на приеме, если выполнено 2*; и, если выполнено 3*, то (k,s)- ключ расшифрования для (k,s). Число (А)- число неэквивалентных ключей на передаче; Число (А)- число неэквивалентных ключей на приеме, при этом, если X=Y, то ‘на приеме’ и ’на пердаче’ можно опустить.
Определение:Долговременные ключи k, k шифросистемы (А, А)- эквивалентные на передаче (приеме), если Ak~Ak (Ak~Ak). Если в двух предшествующих определниях заменить ‘~’ на ‘’, то приходим к более общему понятию - эквивалентность ключей с задержкой, которое представляет особый интерес для шифраторов с блоками- автоматами самовосстановления.
















