Кушнир А.П. Методические указания по пневмоприводу. Часть 4 (1085187), страница 2
Текст из файла (страница 2)
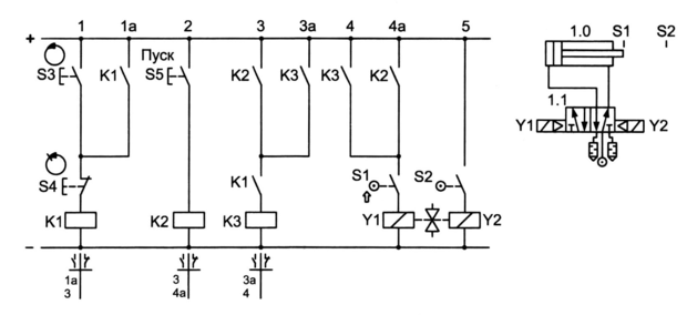
Реле обеспечивают:
К1: кратковременный пусковой сигнал;
К2: пусковой сигнал в режиме непрерывного цикла;
КЗ: подачу пусковых сигналов в систему управления (на переключающий регистр);
К4: прерывание непрерывного цикла.
Путевые выключатели контролируют:
S6: наличие деталей в рабочей позиции;
S7: окончание последнего шага цикла;
S8: наличие деталей в накопителе.
Рис. 2.47. Схема реализации режима единичного или непрерывного цикла с его предварительным выбором
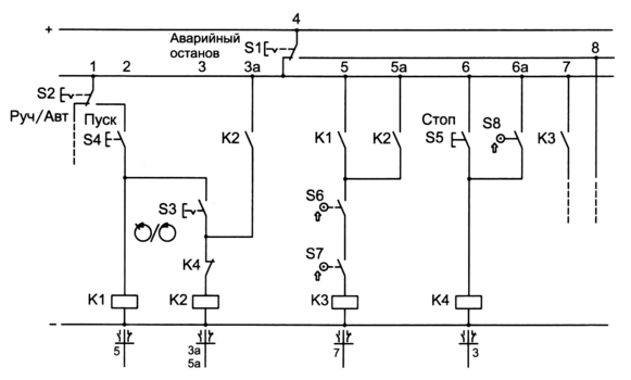
В исходном состоянии система находится в режиме ручного управления. При переходе в автоматический режим управления (кнопка S2) появляется возможность выбора режима единичного либо непрерывного цикла (кнопка S3). В обоих режимах пуск системы осуществляется кнопкой S4. В режиме непрерывного цикла реле К2 находится в состоянии самоудержания (которое прерывается при срабатывании реле К4), что позволяет автоматически формировать пусковой сигнал путем включения реле КЗ по окончании последнего шага цикла (путевой выключатель S7). При нажатии на кнопку аварийного останова S1 цепи управления обесточиваются.
Рис. 2.48. Принципиальная электрическая схема, реализующая основные сервисные функции
2.10. Электропневматические приводы с управлением от промышленных логических контроллеров
Релейно-контактные схемы имеют характерный недостаток: любое изменение силовой части привода или диаграммы его функционирования приводит к необходимости пересмотра структуры системы управления и состава технических средств САУ, что, в свою очередь, обусловливает дополнительные временные и финансовые затраты.
Начало промышленного производства и последовавшее затем широкое распространение микропроцессорных управляющих устройств — программируемых логических контроллеров (рис. 2.49) — изменило традиционные подходы к проектированию систем управления.
Наличие в ПЛК программного управления позволяет относительно легко и быстро вносить изменения в программы работы технологического оборудования, что придает гибкость производственным процессам. В связи с применением ПЛК центр тяжести работ по проектированию управляющего устройства перемещается из области схемотехники в сферу алгоритмизации задач управления, а сам процесс проектирования сводится к выбору типа контроллера и его программированию.
Рис. 2.49. Программируемый логический контроллер (ПЛК)
Микропроцессоры и микроЭВМ доступны по цене. Они имеют малые габариты и массу, благодаря чему могут быть встроены в различные машины и механизмы (рис. 2.50). При этом обеспечиваются более высокие показатели качества работы системы в целом.
Рис. 2.50. Схема коммутации ПЛК
















