Кушнир А.П. Методические указания по пневмоприводу. Часть 3 (1085186)
Текст из файла
2.3.1. Электропневматические преобразователи
К электропневматическим преобразователям относятся пневматические распределители с электромагнитным управлением, поскольку в них входной управляющий электрический сигнал преобразуется в выходной пневматический.
Рис. 2.21. Электропневматические преобразователи (распределители)
Для обозначения электропневматических распределителей на пневматических и электрических принципиальных схемах приняты различные условные обозначения (рис. 2.22).
Рис. 2.22. Условные обозначения электропневматических распределителей
Буквенно-цифровую индексацию (Y1, Y2, Y3,...), присваиваемую электромагнитным приводам распределителей проставляют рядом с их изображениями как на принципиальной пневматической, так и на принципиальной электрической схемах. Тем самым устанавливают однозначную связь между элементами управляющей силовой частей привода.
Рис. 2.23. Пневмоэлектрический преобразователь (реле давления)
Рис. 2.24. Условное обозначение реле давления
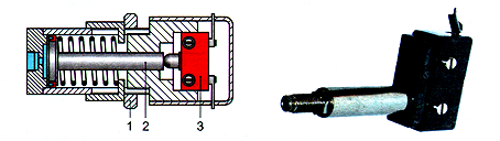
2.3.2. Пневмоэлектрические преобразователи (реле давления)
Назначение пневмоэлектрических преобразователей (рис. 2.23) — формировать электрический сигнал на выходе или коммутировать определенные участки электрической цепи при появлении на входе пневматического сигнала заданной величины.
Рис. 2.25. Управление пневмоцилиндром по давлению
По существу, реле давления представляет собой электрический выключатель 3 с приводом от мини пневмоцилиндра одностороннего действия 2. Значение порога срабатывания реле настраивают посредством регулировочной гайки 1, вращением которой можно изменять силу предварительного поджатия пружины пневмоцилиндра. Настраивая реле, необходимо помнить о различии значений давления, при которых происходит его включение и выключение, вследствие явления гистерезиса пружины.
Условное обозначение реле давления на пневматических и электрических схемах показаны на рис. 2.24.
Реле давления применяют с целью контроля заданного значения давления в пневматических системах, а следовательно, усилий, развиваемых пневмоцилиндрами (рис. 2.25).
При кратковременном нажатии на кнопку S1 включается электромагнитный привод Y1 распределителя 1.1 и шток цилиндра 1.0 начинает выдвигаться. После того как шток достигнет крайнего положения, давление в поршневой полости начинает повышаться; когда его значение возрастет до 0,25 МПа (2,5 бар), сработает реле давления В1, что приведет к включению электромагнитного привода Y2 распределителя 1.1. Распределитель переключается, шток цилиндра 1.0 втягивается.
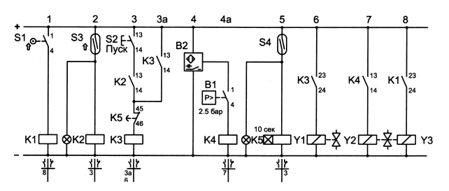
2.4. Реализация логических функций в релейно-контактных системах управления
Логические функции в релейно-контактных системах управления реализуются путем схематических решений, представленных на рис.2.26-2.29.
Рис. 2.26. Логическая функция ДА
Логическая функция ДА реализуется путем использования замыкающего контакта.
Электрический сигнал не поступает на привод распределителя Y1, если не нажата кнопка S1; в противном случае он подается на привод Y1.
Логическая функция НЕ
Логическая функция НЕ реализуется путем использования размыкающего контакта.
Рис. 2.27. Логическая функция НЕ
Электрический сигнал подается на электропривод Y1 при ненажатой кнопке S1; если же кнопка S1 нажата, то на привод распределителя Y1 электрический сигнал не поступает.
Логическая функция ИЛИ
Рис.2.28. Логическая функция ИЛИ
Для реализации логической функции ИЛИ устройства ввода электрических сигналов располагают в параллельно работающих ветвях электроцепи.
Сигнал на электропривод распределителя Y1 подается в том случае, если нажата хотя бы одна из кнопок S1 или S2.
Логическая функция И
Рис.2.29. Логическая функция И
Для реализации логической функции И устройства ввода электрических сигналов располагают последовательно в одной электроцепи.
Управляющий сигнал на электропривод распределителя Y1 подается только в том случае, если одновременно нажаты обе кнопки S1 и S2.
2.5. Реализация функции запоминания сигнала в релейно-контактных системах управления
Запоминание кратковременного входного электрического сигнала осуществляется путем включения реле по схемам с самоудержанием. Суть подобных схемных решений состоит в том, что для управления реле подключают параллельно две цепи, одна из которых содержит замыкающий контакт данного реле.
Рассмотрим в качестве примера электропневматический привод, в котором шток цилиндра двустороннего действия, управляемого моностабильным распределителем с электропневматическим управлением, достигает выдвинутого конечного положения (и остается в нем) после кратковременного нажатия на кнопку S1, тогда как втягивание штока происходит после нажатия кнопки S2.
Реализовать поставленную задачу можно путем использования одного из двух схемных решений: с доминирующим выключением и с доминирующим включением (рис. 2.30).
В исходном положении схем с самоудержанием кнопки S1 и S2 не нажаты, реле К1 не включено, его замывающие контакты во 2-ой и 3-ей цепях разомкнуты, электромагнитный привод Y1 распределителя 1.1 обесточен. Распределитель находится в исходном положении, шток цилиндра втянут.
При нажатии на кнопку S1 срабатывает реле К1 и через его контакт 23-24 в 3-ей цепи подается питание на электромагнитный привод Y1 распределителя 1.1, шток цилиндра 1.0 выдвигается. Одновременно замыкается контакт 13-14 реле К1 во 2-ой цепи, по которой также поступает сигнал на включение реле К1 (через нормально замкнутый контакт 1-2 кнопки S2).
Рис. 2.30. Электрические схемы с самоудержанием
После отпускания кнопки S1 1-ая цепь размыкается, однако реле К1 остается включенным, т. к. продолжает получать питание через 2-ую цепь. Реле работает «само на себя», распределитель 1.1 остается в переключенном состоянии, а шток цилиндра — выдвинутым.
Релейно-контактная цепь, по которой управляющий сигнал подается на реле через замыкающий контакт последнего, называют цепью самоудержания.
При нажатии кнопки S2 нормально замкнутый контакт 1-2 кнопки S2 размыкается и цепь самоподхвата разрывается. Реле К1 выключается, его замыкающий контакт 23-24 в 3-ей цепи возвращается в исходное состояние, и распределитель 1.1 переключается в исходное положение. Шток цилиндра втягивается.
При одновременном нажатии на кнопки S1 и S2 в схеме с доминирующим выключением реле К1 не сработает, т. к. 1-ая цепь окажется разомкнутой, а в схеме с доминирующим включением — сработает, хотя реле и не перейдет в режим самоудержания. Выбор одного из данных схемных решений зависит от требований к функционированию системы в целом.
2.6. Правила построения релейно-контактных схем
Условные графические обозначения элементов, входящих в релейно-контактную схему, как правило, располагают между двумя параллельными горизонтальными прямыми, изображающими электрические шины. В случае применения источника постоянного тока на верхнюю шину подается питание от его «+», а на нижнюю — от «-». Рядом с шинами рекомендуется проставлять значение напряжения в них (например, 24 В).
Схему составляют и читают слева направо, причем релейно-контактные цепи нумеруют над верхней шиной по порядку. Параллельно подключенным цепям может быть присвоен один и тот же порядковый номер, но при этом его дополняют буквенным индексом (например, 2 и 2а). Направление прохождения электрических сигналов принимают сверху вниз, т. е. от «+» к «-».
У
словные графические обозначения электромагнитных приводов распределителей, реле или иных элементов изображают на схемах присоединенными напрямую к нижней шине («-»). В то же время управляющие данными элементами устройства ввода электрического сигнала размещают в цепях, соединенных с верхней («+») шиной. Это правило основано на практическом опыте монтажа и эксплуатации релейно-контактных систем управления и требованиях техники безопасности.
Рис. 2.31. Проявление дефектов в релейно-контактных системах управления
Очевидно, что система будет работать и в том случае, если одну из клемм электромагнитного привода (например, привода распределителя) соединить напрямую с «+» источника питания, а включение данного привода осуществлять от «-». Однако в этих условиях резко возрастает вероятность непроизвольного срабатывания как распределителя, так и управляемого им исполнительного механизма. Возникновение в системе какого-либо дефекта (обрыв провода или повреждение его изоляции) может привести к соприкосновению второй клеммы привода распределителя с заземленным шкафом управления, что вызовет срабатывание распределителя и, как следствие, неконтролируемое перемещение исполнительного механизма и ведомых узлов технологической установки (рис. 2.31).
Рядом с обозначениями элементов релейно-контактных систем управления проставляют буквенно-цифровые индексы в соответствии с существующими стандартами.
Если разные контакты какого-либо устройства располагаются в близлежащих цепях, то допускается изображение между ними механической связи.
Под обозначениями реле вычерчивают таблицы с информацией о типе имеющихся в данном реле контактов и о номерах цепей, в которых эти контакты задействованы.
Рис. 2.32. Диаграмма «перемещение — шаг» электропневматического привода
Все элементы релейно-контактной схемы изображают в исходном положении, т. е. при отсутствии напряжения в шинах. Если в исходном положении электромеханические путевые выключатели активны, то на схеме рядом с их обозначением изображают вертикальную стрелку.
Рис. 2.33. Принципиальная пневматическая схема электропневматического привода
На принципиальной пневматической схеме места расположения путевых выключателей, контролирующих положения выходных звеньев исполнительных механизмов, отмечают вертикальными штрихами с буквенно-цифровой индексацией соответствующих путевых выключателей.
Чтобы обобщить основные принципы изображения элементов электропневматических приводов на электрических и пневматических принципиальных схемах, рассмотрим технологическую установку, диаграмма «перемещение — шаг» и принципиальные схемы которой представлены на рис. 2.32-2.34.
Рис. 2.34. Принципиальная электрическая схема привода
Характеристики
Тип файла документ
Документы такого типа открываются такими программами, как Microsoft Office Word на компьютерах Windows, Apple Pages на компьютерах Mac, Open Office - бесплатная альтернатива на различных платформах, в том числе Linux. Наиболее простым и современным решением будут Google документы, так как открываются онлайн без скачивания прямо в браузере на любой платформе. Существуют российские качественные аналоги, например от Яндекса.
Будьте внимательны на мобильных устройствах, так как там используются упрощённый функционал даже в официальном приложении от Microsoft, поэтому для просмотра скачивайте PDF-версию. А если нужно редактировать файл, то используйте оригинальный файл.
Файлы такого типа обычно разбиты на страницы, а текст может быть форматированным (жирный, курсив, выбор шрифта, таблицы и т.п.), а также в него можно добавлять изображения. Формат идеально подходит для рефератов, докладов и РПЗ курсовых проектов, которые необходимо распечатать. Кстати перед печатью также сохраняйте файл в PDF, так как принтер может начудить со шрифтами.
















