Кушнир А.П. Методические указания по пневмоприводу. Часть 4 (1085187)
Текст из файла
2.7. Проектирование релейно-контактных систем управления
Процедуру построения электропневматической системы управления рассмотрим на примере уже известной нам установки для перемещения коробок (рис. 2.35).
Рис. 2.35. Установка для перемещения коробок
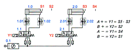
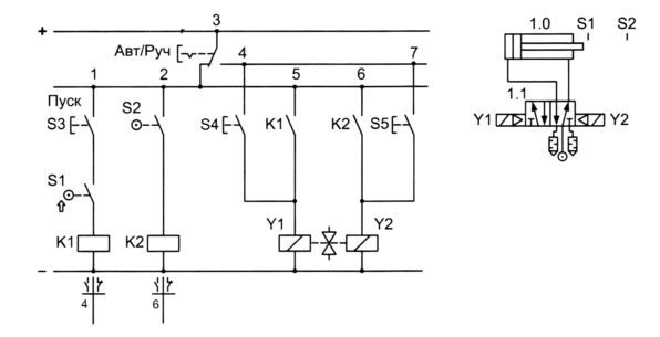
Если в силовой части установки используются бистабильные распределители с электромагнитным управлением, а положения пневмоцилиндров отслеживаются электромеханическими путевыми выключателями, то электрическая и пневматическая схемы, а также система логических уравнений, описывающих работу установки, будут выглядеть следующим образом (рис. 2.36-2.37).
Рис. 2.36. Электропневматический привод установки для перемещения коробок. Принципиальная пневматическая схема
Рис. 2.37. Электропневматический привод установки для перемещения коробок. Принципиальная электрическая схема
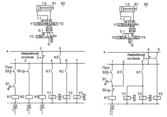
Если электромагнитные катушки приводов распределителей работают под напряжением, вывод которого на пульт оператора (кнопку «Пуск») недопустим, схема несколько изменяется (рис. 2.38).
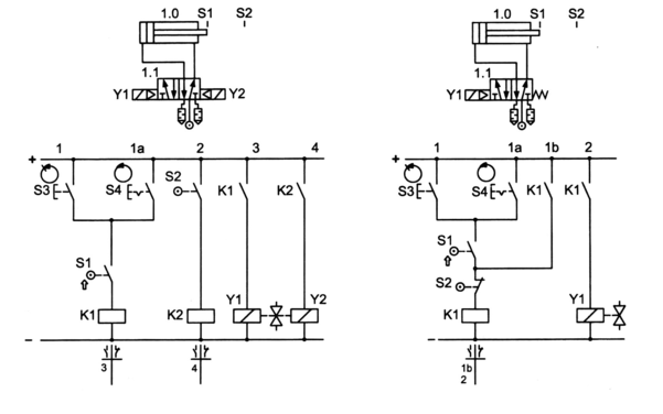
Рассмотрим, как изменятся принципиальные схемы и система уравнений, описывающих работу установки, в случае использования для управления пневмоцилиндрами моностабильных электропневматических распределителей (рис. 2.39).
Рис. 2.38. Принципиальная электрическая схема установки для перемещения коробок (непрямое управление)
Рис. 2.39. Электропневматический привод установки для перемещения коробок с использованием моностабильных распределителей. Принципиальная пневматическая схема
Рис. 2.40. Принципиальная электрическая схема (прямое управление)
2.8. Переключающие регистры
Процесс проектирования релейно-контактных систем циклического действия может быть формализован, как и при построении САУ на базе пневматических средств автоматизации, путем применения стандартных схемных решений, обеспечивающих поочередное включение соответствующих электрических шин.
Число шин может равняться числу групп, на которые разбивают последовательность шагов единичного технологического цикла (если используют метод разбиения на группы), или же общему числу шагов (каждый шаг выполняется по команде от «своей» шины).
Очередность активизации электрических шин обеспечивается переключающими регистрами, состоящими из отдельных тактовых модулей, основным техническим средством реализации которых служат реле.
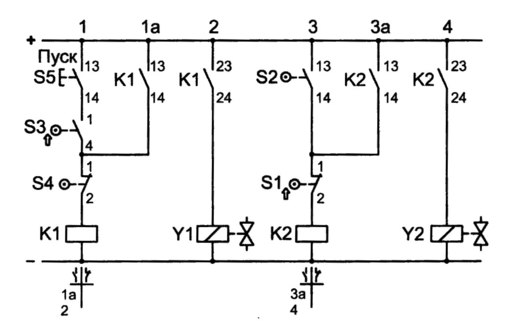
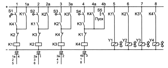
Рис. 2.41. Переключающий регистр с отключением предыдущего модуля
С принципом построения переключающих регистров ознакомимся на примере регистра, состоящего из четырех тактовых модулей. Если выполнение каждого технологического шага будет осуществляться по команде от отдельного модуля, то управляющий сигнал от каждого такого модуля будет подаваться не на шину, а непосредственно на исполнительный распределитель (рис. 2.41).
Каждый тактовый модуль, выполненный по схеме с самоудержанием реле, например модуль на базе реле К2 (цепи 2 и 2а), включается по логическому произведению двух сигналов: 1) сигнала от путевого выключателя, фиксирующего окончание шага, выполняемого от предыдущего модуля; 2) сигнала собственно от предыдущего тактового модуля (для включения реле К2 необходимо наличие двух сигналов: от путевого выключателя S2 и от реле К1). При активизации данного модуля его реле переводится в режим самоудержания. Одновременно отключается предыдущий модуль (реле К1 выводится из режима самоудержания вследствие размыкания нормально замкнутого контакта реле К2 в цепи 1), а последующий модуль на базе реле КЗ подготавливается к включению (замыкается контакт реле К2 в цепи 3).
Для пуска системы необходимо выполнение двух условий: 1) замыкающий контакт путевого выключателя, фиксирующего окончание последнего шага цикла (S1), должен располагаться в цепи включения первого модуля; 2) нажатием кнопки «Пуск» активизируется последний модуль.
Рис. 2.42. Переключающий регистр без отключения предыдущего модуля
Поскольку электротехнические тактовые модули промышленностью не выпускаются, но в каждом конкретном случае организуются путем реализации рассмотренной схемы на базе находящихся в серийном производстве реле, нужно учитывать следующее требование: в качестве базовых необходимо применять такие реле, при включении которых замыкающие контакты переключаются раньше, чем размыкающие. Данное требование обусловлено особенностью вышеприведенного схемного решения, заключающейся в том, что при включении реле текущего модуля отключение предыдущего модуля (т. е. вывод его реле из режима самоудержания) может произойти раньше, чем данное реле перейдет в режим самоудержания. Но в таком случае реле текущего модуля отключится и регистр не будет функционировать.
Несколько иной подход к проектированию релейно-контактных систем управления применяется в случае использования переключающего регистра, в котором предыдущий модуль не отключается (рис. 2.42).
Работа представленного регистра основана на том, что модули включаются последовательно и при активизации каждого из них предыдущие модули не выключаются. Таким образом, к моменту включения последнего модуля все модули регистра оказываются активными. Включение же последнего модуля вызывает отключение первого, а также как следствие, всех последующих модулей, в том числе и последнего.
Включение всех модулей, кроме первого, осуществляется по логическому произведению двух сигналов: 1) от предыдущего модуля; 2) от путевого выключателя, фиксирующего окончание шага, выполняемого по команде от предыдущего модуля. При этом реле промежуточных модулей переводятся в режим самоудержания, в то время как для последнего модуля такая возможность отсутствует
Пуск регистра и подача команды на выполнение первого шага осуществляются по нажатию кнопки «Пуск» (S5), расположенной в цепи 1. Вывод регистра в исходное состояние (обнуление) происходит путем размыкания нормально замкнутого контакта в цепи включения первого модуля. Данный контакт принадлежит реле последнего модуля (контакт реле К5 в цепи 1).
Если при включении очередного модуля формируется управляющий сигнал, противоположный по назначению уже имеющемуся на исполнительном устройстве сигналу, то последний должен быть снят. Поскольку отключение предшествующих модулей в рассматриваемом регистре не предусматривается, то снятие ранее поданного сигнала осуществляется в соответствующем цепи управления исполнительным устройством (в нашем примере таким устройством является электромагнитный привод Y1 пневмораспределителя). С этой целью в данную цепь устанавливают размыкающий контакт реле активизируемого модуля (в нашем случае — К2 в цепи 6).
Переключающие регистры без отключения предыдущего модуля функционируют более надежно по сравнению с регистрами, в которых осуществляется отключение предыдущих модулей, и не требуют использования специальных реле с последовательным переключением контактных групп.
2.9. Реализация сервисных функций в релейно-контактных системах управления
Процесс построения схемы, реализующей сервисные функции в релейно-контактных системах управления, основывается на тех же принципах, которые используются при построении пневматических САУ.
Перечислим наиболее часто применяемые сервисные функции, возможность реализации которых должна учитываться при проектировании управляющей системы:
-
аварийное отключение системы;
-
выбор режима автоматического или ручного управления;
-
выбор режима непрерывного или единичного цикла.
Аварийное отключение системы (режим аварийного останова)
Существуют различные варианты реагирования исполнительных механизмов на вывод системы автоматического управления в режим аварийного останова. Рассмотрим некоторые из них.
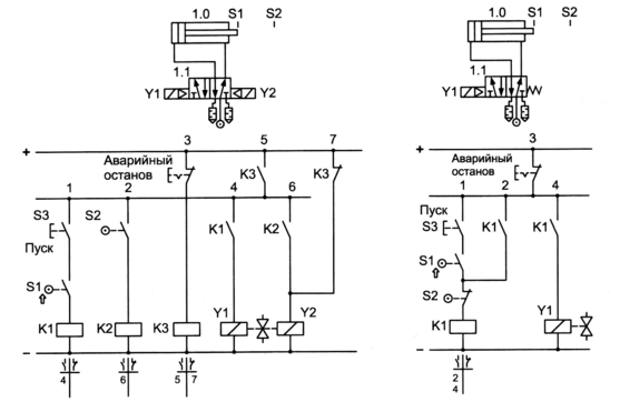
Например, для исполнительного механизма, выполняющего основную рабочую операцию в прессовом или штамповочном оборудовании, режим аварийного останова характеризуется немедленным отводом данного механизма, а также связанного с ним рабочего инструмента в исходное положение (рис. 2.43).
Рис. 2.43. Аварийный останов: возврат исполнительного механизма в исходное положение
Схемное решение (на рис. 2.43 слева), реализующее немедленный отвод штока пневмоцилиндра, управляемого бистабильным (импульсным) 5/2-пневмораспределителем, имеет недостаток, заключающийся в том, что в режиме аварийного останова катушка электромагнита Y2 находится под напряжением.
Для различного рода вспомогательного оборудования (транспортеры, толкатели, укладчики и др.), в котором пневмоцилиндры расположены в горизонтальной плоскости, аварийное отключение системы характеризуется остановом цилиндров с одновременным соединением их рабочих полостей с атмосферой. Это позволяет вручную перемещать исполнительные механизмы в нужном направлении и в удобной последовательности, если необходимо найти и устранить какую-либо неполадку в системе (рис. 2.44).
Рис. 2.44. Аварийный останов: отключение давления питания
Рис. 2.45. Реализация выбора автоматического или ручного режима управления
Выбор автоматического или ручного режима управления
Переход в режим ручного управления исполнительными механизмами осуществляется путем переключения питания на дополнительную шину, сигналы от которой подаются через управляющие кнопки (S2 и S3) непосредственно на электромагнитные приводы исполнительных распределителей (рис. 2.46).
Рис. 2.46. Схема реализации режима единичного или непрерывного цикла без его предварительного выбора
Выбор режима единичного или непрерывного цикла
Существует два варианта перевода системы в режим единичного или непрерывного цикла: без предварительного выбора режима либо с возможностью осуществления такого выбора.
В первом случае режим устанавливается в момент нажатия соответствующей пусковой кнопки (рис. 2.46).
Схема, представленная на рис. 2.47, допускает предварительный выбор режима
.Выбор режима единичного или непрерывного цикла осуществляется нажатием кнопок S4 и S3 соответственно, после чего цикл пускается по нажатию кнопки S5.
Схема реализации сервисных функций
Все схемные решения, позволяющие реализовать ту или иную сервисную функцию в отдельности, отражены в единой схеме, показанной на рис. 2.48.
С целью пояснения данной электрической схемы покажем назначение задействованных в ней путевых выключателей и реле.
Характеристики
Тип файла документ
Документы такого типа открываются такими программами, как Microsoft Office Word на компьютерах Windows, Apple Pages на компьютерах Mac, Open Office - бесплатная альтернатива на различных платформах, в том числе Linux. Наиболее простым и современным решением будут Google документы, так как открываются онлайн без скачивания прямо в браузере на любой платформе. Существуют российские качественные аналоги, например от Яндекса.
Будьте внимательны на мобильных устройствах, так как там используются упрощённый функционал даже в официальном приложении от Microsoft, поэтому для просмотра скачивайте PDF-версию. А если нужно редактировать файл, то используйте оригинальный файл.
Файлы такого типа обычно разбиты на страницы, а текст может быть форматированным (жирный, курсив, выбор шрифта, таблицы и т.п.), а также в него можно добавлять изображения. Формат идеально подходит для рефератов, докладов и РПЗ курсовых проектов, которые необходимо распечатать. Кстати перед печатью также сохраняйте файл в PDF, так как принтер может начудить со шрифтами.
















