Тема 2 (1085181), страница 2
Текст из файла (страница 2)
Рис. 4
Процесс обработки начинается в ВЧ преобразователе приемного канала (рис. 5). Промодулированный сигнал uм(t) поступает в фильтр-диплексер, состоящий из двух фильтров (диапазона I и диапазона II) с полосами пропускания
Рис. 5
∆f1 и ∆f2, соответственно. В зависимости от несущей частоты сигнал uм(t) проходит через один из фильтров и попадает на вход соответствующего амплитудного детектора. Чтобы определить, через фильтр какого диапазона прошел сигнал, на вторые входы детекторов из схемы «Коммутатор диапазонов» подаются противофазные импульсы U31 «Запрет 1» и U32 «Запрет 2», запирающие поочередно один из детекторов (рис. 6).
Рис. 6
С выхода приемного канала сигнал («Н» или «И») поступает в устройство предварительного анализа, а с него – на логическую схему из элемента «ИЛИ» и двух элементов «И». Так как на вторые входы элементов «И» поступают сигналы запрета U31, U32, то каждый из этих элементов работает синфазно с соответствующим амплитудным детектором. В результате сигнал «Диапазон I» появится на выходе логической схемы, если сигнал uм(t) в ВЧ преобразователе прошел через фильтр диапазона I, а сигнал «Диапазон II» – если через фильтр диапазона II.
Данные о несущей частоте принятых сигналов используются в станции при выборе главной РЛС, а также в БКО при оценке возможности постановки активных помех.
Схема определения диапазона несущей частоты может быть выключена переключателем «АВТОМАТ» - «ДИАПАЗОН I,II» на пульте управления станцией («АВТОМАТ» – схема включена, «ДИАПАЗОН I,II» – выключена).
Сигналы запрета U31 и U32 используются также для запирания каналов приёмного устройства при излучении бортовых РЛС своего самолёта. При этом они вырабатываются одновременно с сигналами блокировки, которые, в свою очередь, формируются синхронно с зондирующими импульсами РЛС.
-
Определение вида излучения.
Вид сигнала (импульсный или непрерывный) облучающей РЛС определяется по амплитуде принятого сигнала. Возможность этого обусловлена тем, что мгновенная мощность сигналов импульсных РЛС на 3-4 порядка превышает мощность сигналов РЛС с непрерывным излучением практически во всем диапазоне дальностей приема станцией разведываемых сигналов.
Определение вида принятого сигнала осуществляется двумя каналами усилителя сектора. Продетектированный в ВЧ преобразователе сигнал сначала ослабляется во входной цепи, а затем усиливается широкополосным усилителем примерно на 3 порядка (рис. 3).
Если приняты сигналы импульсной РЛС, то амплитуда видеоимпульсов на выходе этого усилителя, оказывается больше порога срабатывания формирователя сигналов «И». С его выхода сигналы UИ поступают на вход схемы сектора, где происходит временная селекция одиночных и случайных импульсов. При поступлении 3-х и более импульсов, следующих с интервалом не менее 1мс, на выходе схемы сектора вырабатывается сигнал «И», несущий информацию о приеме в данном секторе сигналов импульсной РЛС.
При приеме сигналов РЛС с непрерывным излучением амплитуда модулированного видеосигнала после усиления оказывается меньше порога срабатывания формирователя сигнала «И». Поэтому обработка модулированного видеосигнала происходит в другом канале: он усиливается в УНЧ примерно в 100 раз и поступает на синхронный детектор, на второй вход которого поступает напряжение модуляции. В синхронном детекторе сигналы перемножаются, а результат перемножения усредняется во времени. С выхода детектора постоянное напряжение подается на дифференциальный усилитель, а с него – на формирователь сигнала «Н». С его выхода сигнал UН поступает на вход схемы сектора, на выходе которой вырабатывается сигнал «Н», несущий информацию о приеме в данном секторе сигналов РЛС с непрерывным излучением.
На малых удалениях самолета от РЛС с непрерывным излучением рост мощности сигнала может вызвать ложное срабатывание формирователя сигнала «И» . Для предотвращения этого в приемном канале предусмотрено уменьшение глубины модуляции сигнала в ВЧ преобразователе при увеличении мощности принимаемого сигнала.
-
Определение режима работы РЛС.
Режим работы РЛС («обзор» или «сопровождение») определяется по временному интервалу, в течение которого сигнал поступает на схему сектора с одного из формирователей (рис. 3).
Это обусловлено тем, что практически все обзорные РЛС имеют близкие значения скорости вращения (периода обзора) и ширины диаграммы направленности антенны. Следовательно, время облучения самолета различными РЛС обзора имеет значения одного порядка. Для подавляющего числа обзорных РЛС время облучения не превышает 100…120 мс.
В соответствии с этим в станции реализован критерий, согласно которому считается, что облучающая РЛС работает в режиме сопровождения, если сигнал «И» или «Н» на входе схемы сектора действует в течение времени, большего 125…250 мс. При этом на выходе соответствующей схемы сектора появляется сигнал «Захват» («З»).
Для предупреждения экипажа об облучении в станции предусмотрена звуковая сигнализация: - при облучении обзорной РЛС вырабатывается сигнал частотой 430 Гц в течение примерно 0,2 с; - при облучении РЛС сопровождения вырабатывается сигнал частотой 860 Гц.
-
Измерение мощности сигналов.
Измерение уровня мощности принимаемых сигналов осуществляется в станции с целью отображения на индикаторе динамики сближения самолета с зоной поражения средств ПВО, в состав которых входит главная РЛС.
Поскольку мощность принимаемого сигнала пропорциональна дальности до облучающей РЛС, то измеряя изменение уровня мощности, можно оценить изменение дальности. При известных ТТД средств ПВО, в частности максимальных дальностей обнаружения и пуска, и оценке изменения дальности можно определить с достаточной точностью момент входа самолета в зону поражения средств ПВО.
Уровень мощности принимаемых сигналов оценивается специальными измерителями, отличающимися реализацией для импульсных и непрерывных сигналов. Выходной сигнал измерителей представляет собой 15-разрядный параллельный код, значение которого соответствует определенному уровню (градации) мощности принимаемого сигнала в пределах динамического диапазона станции равного 30дБ. Следовательно, увеличение значения кода на одну градацию соответствует росту мощности облучающих сигналов на 2дБ (в 1,6 раза). Это соответствует уменьшению дальности до РЛС в 1,25 раза. Очевидно, что чем ближе самолет будет подлетать к РЛС, тем значение кода градаций мощности будет больше.
Измеритель мощности импульсных сигналов (рис. 1) построен на основе 15-ти каскадного усилителя с общим коэффициентом усиления К = 15 Кi, где Кi = 2дБ (i = 1-15).
Рис. 1
Выход каждого каскада подключен к пороговому устройству (ПУ), которое выдает сигнал «Импульс градации», если мощность сигнала на его входе не менее порога (-30дБ). В противном случае ПУ не срабатывает. Логику работы измерителя можно пояснить следующими примерами:
1) пусть мощность входного сигнала РUвх = -62дБ, тогда на выходе последнего каскада усилителя мощность сигнала РК1 = -62дБ +15×2дБ = -32 дБ ˂ -30дБ, то есть, ни одно из ПУ не выдаст сигнал «Импульс градации»;
2) если мощность сигнала РUвх = -60дБ, то на выходе последнего каскада усилителя мощность составит РК1 = -60дБ +30дБ = -30дБ, т.е. ПУ1 выработает сигнал «Импульс градации 1»;
3) с увеличением РUвх на 2дБ на входе ПУ1 мощность сигнала составит -58дБ +30дБ = -28 дБ, а на входе ПУ2: -58дБ +28дБ = -30дБ, т.е. будут выработаны сигналы «Импульс градации 1», «Импульс градации 2» и т.д.
Сигналы «Импульс градации» в виде параллельного кода подаются в анализатор мощности устройства обработки.
Схема измерителя мощности импульсных сигналов реагирует только на импульсные сигналы, так как амплитуда непрерывных сигналов не превышает порога срабатывания пороговых устройств во всём динамическом диапазоне.
Измеритель мощности непрерывных сигналов построен на основе преобразователя типа «Напряжение-Код» (рис.2). Входным сигналом для преобразователя служит постоянное напряжение с выхода дифференциального усилителя (УПТ), пропорциональное мощности входного непрерывного сигнала. Это напряжение подается одновременно на 15 пороговых устройств. Их пороги срабатывания отличаются между собой на 2дБ и уменьшаются по мере увеличения номера ПУ. Таким образом, каждое последующее из ПУ срабатывает при увеличении мощности входного сигнала на 2дБ.
Рис. 2
С выхода измерителя сигналы «Напряжение градации» в виде параллельного кода поступают в анализатор мощности.
Кроме этих сигналов измеритель мощности непрерывных сигналов вырабатывает сигнал «KМОД », поступающий на схему автоматической регулировки глубины модуляции непрерывного сигнала в ВЧ преобразователе.
Анализатор мощности предназначен для регистрации данных о мощности облучения, поступающей с приемного устройства, сравнения их с предыдущими данными о мощности главной РЛС и запоминания новых данных о ее мощности.
Функциональная схема анализатора (рис. 3) состоит из схемы селекции мощности, формирователя сигнала «Соответствие Р» и регистра памяти мощности главного типа.
Рис. 3
Схема селекции мощности предназначена для регистрации данных о мощности сигналов принятых в ходе опроса конкретного секторе. Работа схемы начинается при поступлении импульсов записи «И» («Н») из селектора. С их приходом производится запись в регистр хранения схемы 15-ти разрядных кодов «Импульс (напряжение) градации», поступающих с выходов соответствующих измерителей мощности.
Последовательность импульсов «Т» стробирует общее число кодов о мощности импульсного сигнала в опрашиваемом секторе (импульсы «Т» формируются синхронно с принимаемыми сигналами в опрашиваемом секторе).
При приёме сигналов обзорных РЛС, когда мощность сигналов быстро меняется, схема селекции мощности обеспечивает запоминание сигнала наибольшей мощности.
Одновременно с записью в регистр хранения схемы селекции данные о мощности принятого излучения поступают в формирователь сигнала «Соответствие Р». В нем они сравниваются с данными о мощности РЛС главного типа, полученными по результатам опроса предыдущих секторов. Когда мощность сигнала в опрашиваемом секторе оказывается больше запомненного ранее значения, то вырабатывается сигнал «Соответствие Р», поступающий в устройство выбора главной РЛС.
Если по результатам обработки сигналов очередного сектора в устройстве выбора происходит смена главной РЛС, то им вырабатывается импульс сброса «Р, α». При этом регистр памяти мощности главного типа обнуляется, а по импульсу записи «Р, α» из устройства выбора, информация из регистра хранения схемы селекции переписывается в регистр памяти мощности главного типа. Эта информация о мощности сигналов главной РЛС выдается в виде кода «Градация 1» - «Градация 15» в схему «Вычислитель времени» и далее на индикатор обстановки.
Цикл работы анализатора мощности заканчивается по импульсу «Конец анализа», который поступает из селектора при завершении обработки сигналов опрашиваемого сектора и вызывает обнуление регистра хранения в схеме селекции мощности.
Для индикации границы зоны поражения комплекса ПВО, к которому относится главная РЛС, программным способом определяется номер метки градаций мощности, соответствующий этой зоне. Эта метка на индикаторе обстановки мигает с частотой 2Гц.
-
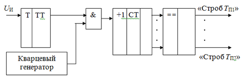
Определение периода следования импульсов.
Определение периода повторения основано на подсчёте числа импульсов кварцевого генератора за время одного периода принимаемой импульсной последовательности UИ.
Схема измерителя периода TП построена на основе преобразователя «Время-код» и состоит из Т-триггера, логического элемента «И» (&), суммирующего счетчика СТ, схемы сравнения (= =) и кварцевого генератора (рис. 4).
















