Тема 1 (1085180), страница 5
Текст из файла (страница 5)
- формирование цифровых образов амплитуды s0(t) и фазы φ(t) радиосигнала (восстановление копии радиосигнала осуществляется путем амплитудной и фазовой модуляции высокочастотного сигнала местного гетеродина);
- получение спектрального образа радиосигнала и его цифровая обработка (используются алгоритмы быстрого прямого и обратного преобразования Фурье).
Обобщенная структурная схема ЦУВЗС показана на рис. 2.
Рис. 2
Аналого-цифровой преобразователь АЦП выполняет цифровое кодирование входного сигнала sС пр(t) (или его спектральной плотности
SС пр(t)). В цифровом фильтре ЦФ из цифровой копии сигнала удаляются паразитные гармоники, в результате чего формируется цифровой образ сигнала sСц(t), который записывается в ОЗУ. Для восстановления исходного входного сигнала с памяти ОЗУ сигнал sСц(t) подается на цифроаналоговый преобразователь ЦАП, который формирует аналоговый сигнал на промежуточной частоте ωпр. Восстановление точной копии sС(t) осуществляется посредством смесителя См2 и местного гетеродина Г. Аналоговый фильтр Ф устраняет паразитные гармоники, порожденные в результате переноса спектра, и формирует на своем выходе копию sВ(t) исходного сигнала sС(t). Работой АЦП, ОЗУ и ЦАП управляет специализированное устройство управления УУ на основе микроконтроллера.
-
Определение параметров сигнала разведываемого РЭС.
Наряду с определением направления на источник излучения и измерением несущей частоты радиосигналов (первичная обработка), к одной из важнейших задач РТР относится определение параметров сигнала, совокупность которых его полностью характеризует и позволяет распознать тип РЭС (вторичная обработка).
Импульсные радиосигналы наиболее полно характеризуются временными параметрами импульсной последовательности (длительность и период повторения импульсов, длительность и период повторения пачек импульсов), а также законами внутриимпульсной модуляции частоты импульсов.
При анализе непрерывных радиосигналов целесообразно определить вид и параметры модуляции, временные, спектральные и корреляционные характеристики модулирующих сигналов.
Для определения параметров радиосигналов используются цифровые, аналоговые и комбинированные способы и устройства. Наибольшее применение в станциях РТР при вторичной обработке сигналов нашли цифровые методы и устройства.
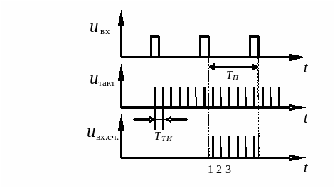
Измерение длительности импульсов основано на подсчете числа тактовых импульсов эталонной частоты за время действия входного импульса.
Схема измерителя (рис. 3) построена на преобразователе «время-код», который состоит из счетчика, управляемого R-S триггером и вентилем. Импульс u1 начала отсчета, формируемый дифференцирующей цепью по фронту входного импульса (рис. 4), обнуляет счетчик и переводит триггер в состояние Q=1. Этот сигнал разрешает прохождение через вентиль на вход счетчика тактовых импульсов, вырабатываемых высокостабильным генератором. Счет числа тактовых импульсов прекращается при поступлении импульса u2 конца отсчета, формируемого дифференцирующей цепью по срезу входного импульса.
В результате в счетчике записывается число N тактовых импульсов, которое пропорционально длительности tИ входного импульса с точностью
Рис. 4
до одного тактового импульса tИ = NТТИ ± ТТИ, где ТТИ – период тактовых импульсов. То есть, для уменьшения ошибки измерения необходимо уменьшать ТТИ, но при этом приходится увеличивать разрядность счетчика. Относительная ошибка при таком измерении равна
Если входные импульсы имеют И = 1мкс, а допустимая величина ошибки должна быть δ 0,1, то период ТТИ должен составлять менее 0,1мкс, т.е. требования к частоте высокостабильного генератора достаточно жесткие.
Измерение периода ТП следования импульсов осуществляется также методом подсчета тактовых импульсов, но за время паузы между следующими друг за другом входными импульсами (рис. 5). Для этого в схеме измерения необходимо R-S триггер заменить на Т-триггер и использовать отдельную схему обнуления счетчика.
Измеренный период повторения будет также равен ТП =N×TTИ, а ошибка измерения – ±TTИ.
Рис. 5
Измерение периода ТХ непрерывных гармонических сигналов может осуществляться цифровыми измерителями, подобными рассмотренным выше (рис. 6).
uвх
Рис. 6
При этом особенность измерений состоит в необходимости выделения четких границ ТХ по моментам перехода гармонического колебания через нуль. Эту функцию выполняет схема, состоящая из усилителя-ограничителя, дифференцирующей цепи и триггера. При достаточно больших значениях коэффициента передачи усилителя-ограничителя форма сигнала на его выходе близка к прямоугольной, т.е. можно считать, что фронт импульсов после дифференцирующей цепи почти совпадает с моментами перехода гармонического сигнала через нулевой уровень.
Определение вида модуляции непрерывных сигналов осуществляют путем параллельной подачи принятого сигнала в каналы с амплитудным (АД) и частотным (ЧД) детекторами (рис. 7), причем во втором канале необходимо предварительно ограничить сигнал по амплитуде.
Рис. 7
Если на вход разведывательного приемника поступает ЧМ-сигнал, то на выходе ЧД будет переменное напряжение, а на выходе АД – постоянное. При поступлении АМ-сигнала ситуация будет обратной. Коммутатор пропускает на выход только переменное напряжение, форму и параметры которого можно определить по изображению на экране индикатора или автоматически в специальном анализаторе.
Для анализа спектра принятого сигнала необходимо измерять амплитуду и частоту каждой из гармоник, составляющих сигнал. Наиболее эффективно эта задача решается цифровыми методами на основе дискретного или быстрого преобразования Фурье.
-
Определение режима работы РЭС.
Режим работы РЛС («обзор » или «автосопровождение ») определяется после детектирования сигнала.
Сигналы импульсных РЛС, работающих в режиме «обзор» , на выходе приемника станции РТР будут создавать пачки видеоимпульсов. Измерив период повторения и длительность этих пачек, можно определить такие технические характеристики РЛС, как период обзора и ширина ДНА.
Сигналы импульсных РЛС, работающих в режиме «автосопровождение », на выходе приемника станции РТР будут создавать на выходе приемника станции разведки непрерывную последовательность видеоимпульсов.
При приеме сигналов обзорной РЛС с непрерывным излучением на выходе приемника станции РТР формируются колокольные видеоимпульсы с периодом обзора РЛС. Если РЛС с непрерывным излучением работает в режиме слежения, то на выходе приемника станции РТР формируется непрерывный сигнал с постоянной амплитудой.
-
Распознавание образа РЭС.
Понятие распознавания образов относится к множеству объектов, которым присущи общие параметры, позволяющие объединить их, рассматривать как сходные и в то же время отличать от объектов с какими-то другими параметрами, которые следует отнести к другим множествам. Для обозначения множества объектов пользуются термином образ или класс, а для обозначения процедуры отнесения какого-либо конкретного объекта к одному из классов - термином распознавание.
Распознавание образов РЭС (их назначения и типа) и определение их ТТД производятся по результатам анализа сигналов, принимаемых станцией РТР. В качестве признаков разведываемого РЭС могут быть приняты следующие параметры излучаемого радиосигнала: вид излучения, несущая частота, длительность и период повторения импульсов, амплитуда, поляризация, вид и частота модуляции.
Процесс распознавания может осуществляться как оператором, так и автоматически путем сравнения параметров РЭС, измеренных в процессе РТР, с априори известными. При автоматическом распознавании выполняются две основные операции: формирование вектора признаков на основании апостериорных сведений и его сопоставление с вектором признаков, образованным на основании априорных данных. Процедура сопоставления основывается на решающих правилах, к которым относятся байесовское и рандомизированное.
Байесовское решающее правило эквивалентно разделению всего пространства признаков сигналов на ряд непересекающихся областей, при этом, если признаки сигнала попадают в одну из областей, принимается решение о принадлежности его соответствующему образу. Это правило обеспечивает минимум вероятности ошибочного распознавания при априори известных всех статистических характеристиках параметров разведываемых сигналов.
Рандомизированное решающее правило использует в процессе принятия решения случайный выбор одной из ряда альтернативных гипотез.
Обобщенная структурная схема системы распознавания показана на рис. 8. Вероятность распознавания РЭС зависит от конкретной радиолокационной обстановки, точности измерения параметров, их числа и применяемых алгоритмов обработки. Максимальная вероятность правильного распознавания РЭС получается при измерении всех параметров его сигналов.
Рис. 8
















