Занятие 2.3 (1085165)
Текст из файла
Занятие 2.3 «Определение параметров сигналов при вторичной обработке»
Цель: изучить способы и устройства определения параметров сигналов, реализованные в станции СПО-15
Вопросы:
1. Измерение мощности сигналов.
2. Определение периода следования импульсов.
3. Определение длительности импульсов.
1. Измерение мощности сигналов
Измерение уровня мощности принимаемых сигналов осуществляется в станции с целью отображения на индикаторе динамики сближения самолета с зоной поражения средств ПВО, в состав которых входит главная РЛС.
Поскольку мощность принимаемого сигнала пропорциональна дальности до облучающей РЛС, то измеряя изменение уровня мощности, можно оценить изменение дальности. При известных ТТД средств ПВО, в частности максимальных дальностей обнаружения и пуска, и оценке изменения дальности можно определить с достаточной точностью момент входа самолета в зону поражения средств ПВО.
Уровень мощности принимаемых сигналов оценивается специальными измерителями, отличающимися реализацией для импульсных и непрерывных сигналов. Выходной сигнал измерителей представляет собой 15-разрядный параллельный код, значение которого соответствует определенному уровню (градации) мощности принимаемого сигнала в пределах динамического диапазона станции равного 30дБ. Следовательно, увеличение значения кода на одну градацию соответствует росту мощности облучающих сигналов на 2дБ (в 1,6 раза). Это соответствует уменьшению дальности до РЛС в 1,25 раза. Очевидно, что чем ближе самолет будет подлетать к РЛС, тем значение кода градаций мощности будет больше.
Измеритель мощности импульсных сигналов (рис. 1) построен на основе 15-ти каскадного усилителя с общим коэффициентом усиления К = 15 Кi, где Кi = 2дБ (i = 1-15).
Рис. 1
Выход каждого каскада подключен к пороговому устройству (ПУ), которое выдает сигнал «Импульс градации», если мощность сигнала на его входе не менее порога (-30дБ). В противном случае ПУ не срабатывает. Логику работы измерителя можно пояснить следующими примерами:
1) пусть мощность входного сигнала РUвх = -62дБ, тогда на выходе последнего каскада усилителя мощность сигнала РК1 = -62дБ +15×2дБ = -32 дБ ˂ -30дБ, то есть, ни одно из ПУ не выдаст сигнал «Импульс градации»;
2) если мощность сигнала РUвх = -60дБ, то на выходе последнего каскада усилителя мощность составит РК1 = -60дБ +30дБ = -30дБ, т.е. ПУ1 выработает сигнал «Импульс градации 1»;
3) с увеличением РUвх на 2дБ на входе ПУ1 мощность сигнала составит -58дБ +30дБ = -28 дБ, а на входе ПУ2: -58дБ +28дБ = -30дБ, т.е. будут выработаны сигналы «Импульс градации 1», «Импульс градации 2» и т.д.
Сигналы «Импульс градации» в виде параллельного кода подаются в анализатор мощности устройства обработки.
Схема измерителя мощности импульсных сигналов реагирует только на импульсные сигналы, так как амплитуда непрерывных сигналов не превышает порога срабатывания пороговых устройств во всём динамическом диапазоне.
Измеритель мощности непрерывных сигналов построен на основе преобразователя типа «Напряжение-Код» (рис.2). Входным сигналом для преобразователя служит постоянное напряжение с выхода дифференциального усилителя (УПТ), пропорциональное мощности входного непрерывного сигнала. Это напряжение подается одновременно на 15 пороговых устройств. Их пороги срабатывания отличаются между собой на 2дБ и уменьшаются по мере увеличения номера ПУ. Таким образом, каждое последующее из ПУ срабатывает при увеличении мощности входного сигнала на 2дБ.
Рис. 2
С выхода измерителя сигналы «Напряжение градации» в виде параллельного кода поступают в анализатор мощности.
Кроме этих сигналов измеритель мощности непрерывных сигналов вырабатывает сигнал «KМОД », поступающий на схему автоматической регулировки глубины модуляции непрерывного сигнала в ВЧ преобразователе.
Анализатор мощности предназначен для регистрации данных о мощности облучения, поступающей с приемного устройства, сравнения их с предыдущими данными о мощности главной РЛС и запоминания новых данных о ее мощности.
Функциональная схема анализатора (рис. 3) состоит из схемы селекции мощности, формирователя сигнала «Соответствие Р» и регистра памяти мощности главного типа.
Рис. 3
Схема селекции мощности предназначена для регистрации данных о мощности сигналов принятых в ходе опроса конкретного секторе. Работа схемы начинается при поступлении импульсов записи «И» («Н») из селектора. С их приходом производится запись в регистр хранения схемы 15-ти разрядных кодов «Импульс (напряжение) градации», поступающих с выходов соответствующих измерителей мощности.
Последовательность импульсов «Т» стробирует общее число кодов о мощности импульсного сигнала в опрашиваемом секторе (импульсы «Т» формируются синхронно с принимаемыми сигналами в опрашиваемом секторе).
При приёме сигналов обзорных РЛС, когда мощность сигналов быстро меняется, схема селекции мощности обеспечивает запоминание сигнала наибольшей мощности.
Одновременно с записью в регистр хранения схемы селекции данные о мощности принятого излучения поступают в формирователь сигнала «Соответствие Р». В нем они сравниваются с данными о мощности РЛС главного типа, полученными по результатам опроса предыдущих секторов. Когда мощность сигнала в опрашиваемом секторе оказывается больше запомненного ранее значения, то вырабатывается сигнал «Соответствие Р», поступающий в устройство выбора главной РЛС.
Если по результатам обработки сигналов очередного сектора в устройстве выбора происходит смена главной РЛС, то им вырабатывается импульс сброса «Р, α». При этом регистр памяти мощности главного типа обнуляется, а по импульсу записи «Р, α» из устройства выбора, информация из регистра хранения схемы селекции переписывается в регистр памяти мощности главного типа. Эта информация о мощности сигналов главной РЛС выдается в виде кода «Градация 1» - «Градация 15» в схему «Вычислитель времени» и далее на индикатор обстановки.
Цикл работы анализатора мощности заканчивается по импульсу «Конец анализа», который поступает из селектора при завершении обработки сигналов опрашиваемого сектора и вызывает обнуление регистра хранения в схеме селекции мощности.
Для индикации границы зоны поражения комплекса ПВО, к которому относится главная РЛС, программным способом определяется номер метки градаций мощности, соответствующий этой зоне. Эта метка на индикаторе обстановки мигает с частотой 2Гц.
2. Определение периода следования импульсов
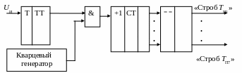
Определение периода повторения основано на подсчёте числа импульсов кварцевого генератора за время одного периода принимаемой импульсной последовательности UИ.
Схема измерителя периода TП построена на основе преобразователя «Время-код» и состоит из Т-триггера, логического элемента «И» (&), суммирующего счетчика СТ, схемы сравнения (= =) и кварцевого генератора (рис. 4).
Рис. 4
После подсчёта суммирующим счетчиком числа N импульсов кварцевого генератора в схеме сравнения определяется, какому из семи интервалов значений TП соответствует N, и в зависимости от этого вырабатывается один из сигналов «Строб TП1 » - «Строб TП7 ». Эти сигналы соответствуют следующим ин-
тервалам частот повторения импульсов РЛС:
| Сигнал | «Строб TП1 » | «Строб TП2 » | «Строб TП3 » | «Строб TП4 » | «Строб TП5 » | «Строб TП6 » | «Строб TП7 » |
| FП, кГц | 0,1…0,3 | 0,3…0,5 | 0,5…0,7 | 0,8…1,0 | 1…3 | 3…5 | 5…10 |
Для повышения достоверности определения TП (ошибка может произойти при одновременном приеме двух импульсных последовательностей) измерение осуществляется несколько раз до получения 4-х кратного (подряд) совпадения результатов измерений. Если 4-х кратного совпадения результатов не происходит, то период повторения считается неизмеренным, и тип импульсной РЛС не определяется.
3. Определение длительности импульсов
Длительность τИ принимаемых импульсов определяется путём сравнения ее с эталонными длительностями четырех временных стробов: τ1= 0,5 мкс; τ2=1,3 мкс; τ3=2,1 мкс; τ4=5,3 мкс (рис. 5).
Рис. 5
Длительность каждого принимаемого импульса определяется двумя импульсами («Ф» и «С»), которые соответствуют временному положению его фронта и среза. Фронт импульса «Ф» синхронизирован с фронтом временных стробов, а положение импульса «С» относительно стробов во времени сравнивается в логических элементах схемы, показанной на рис. 6.
Импульсы стробов поступают на вторые входы элементов «И» (&1-&4), а на первые входы подается импульс «С». В зависимости от значения τИ импульс «С» совпадает с одним или несколькими стробами, в результате чего на прямых выходах соответствующих элементов формируются сигналы совпадения (логической единицы). Наличие импульса совпадения на выходе элемента &1 (сигнал «Строб τ1») означает, что τИ ≤ 0,5 мкс.
Рис. 6
Сигналы совпадений с элементов &2-&4 поступают на вторые входы элементов &5-&7, на первые входы которых подаются сигналы запрета с инверсных выходов элементов &1-&3. В результате логического сравнения на выходах элементов &5-&7 формируются сигналы «Строб τ2» (0,5 мкс ≤ τИ < 1,3 мкс), «Строб τ3» (1,3 мкс ≤ τИ < 2,1 мкс) и «Строб τ4» (2,1 мкс ≤ τИ < 5,3 мкс), соответственно. Сигнал «Строб τ5» вырабатывается на выходе элемента &8 при τИ > 5,3 мкс.
Характеристики
Тип файла документ
Документы такого типа открываются такими программами, как Microsoft Office Word на компьютерах Windows, Apple Pages на компьютерах Mac, Open Office - бесплатная альтернатива на различных платформах, в том числе Linux. Наиболее простым и современным решением будут Google документы, так как открываются онлайн без скачивания прямо в браузере на любой платформе. Существуют российские качественные аналоги, например от Яндекса.
Будьте внимательны на мобильных устройствах, так как там используются упрощённый функционал даже в официальном приложении от Microsoft, поэтому для просмотра скачивайте PDF-версию. А если нужно редактировать файл, то используйте оригинальный файл.
Файлы такого типа обычно разбиты на страницы, а текст может быть форматированным (жирный, курсив, выбор шрифта, таблицы и т.п.), а также в него можно добавлять изображения. Формат идеально подходит для рефератов, докладов и РПЗ курсовых проектов, которые необходимо распечатать. Кстати перед печатью также сохраняйте файл в PDF, так как принтер может начудить со шрифтами.
















