040-42.Триггеры (1085113)
Текст из файла
Исследование триггеров
Триггеры предназначены для запоминания двоичной информации. Использование триггеров позволяет реализовывать устройства оперативной памяти (то есть памяти, информация в которой хранится только на время вычислений). Однако триггеры могут использоваться и для построения некоторых цифровых устройств с памятью, таких как счётчики, преобразователи последовательного кода в параллельный или цифровые линии задержки.
2.1 RS-триггер
Основным триггером, на котором базируются все остальные триггеры является RS-триггер.
RS-триггер имеет два логических входа:
-
R - установка 0 (от слова reset);
-
S - установка 1 (от слова set).
RS-триггер имеет два выхода:
-
Q - прямой;
-
Q- обратный (инверсный).
Состояние триггера определяется состоянием прямого выхода. Простейший RS-триггер состоит из двух логических элементов, охваченных перекрёстной положительной обратной связью (рисунок 2.1).
Рисунок 2.1 - Схема простейшего RS- триггера
Рассмотрим работу триггера:
Пусть R=0, S=1. Нижний логический элемент выполняет логическую функцию ИЛИ-НЕ, т.е. 1 на любом его входе приводит к тому, что на его выходе будет логический ноль Q=0. На выходе Q будет 1 (Q=1), т.к. на оба входа верхнего элемента поданы нули (один ноль - со входа R, другой - с выхода ). Триггер находится в единичном состоянии. Если теперь убрать сигнал установки (R=0, S=0), на выходе ситуация не изменится, т.к. несмотря на то, что на нижний вход нижнего логического элемента будет поступать 0, на его верхний вход поступает 1 с выхода верхнего логического элемента. Триггер будет находиться в единичном состоянии, пока на вход R не поступит сигнал сброса. Пусть теперь R=1, S=0. Тогда Q=0, а =1. Триггер переключился в "0". Если после этого убрать сигнал сброса (R=0, S=0), то все равно триггер не изменит своего состояния.
Для описания работы триггера используют таблицу состояний (переходов).
Обозначим:
-
Q(t) - состояние триггера до поступления управляющих сигналов (изменения на входах R и S);
-
Q(t+1) - состояние триггера после изменения на входах R и S.
Таблица 2.1 - Таблица переходов RS триггера в базисе ИЛИ-НЕ
| R | S | Q(t) | Q(t+1) | Пояснения |
| 0 | 0 | 0 | 0 | Режим хранения информации R=S=0 |
| 0 | 0 | 1 | 1 | |
| 0 | 1 | 0 | 1 | Режим установки единицы S=1 |
| 0 | 1 | 1 | 1 | |
| 1 | 0 | 0 | 0 | Режим установки нуля R=1 |
| 1 | 0 | 1 | 0 | |
| 1 | 1 | 0 | * | R=S=1 запрещённая комбинация |
| 1 | 1 | 1 | * |
RS-триггер можно построить и на элементах "И-НЕ" (рисунок 2.2).
Рисунок 2.2 - Схема RS-триггера, построенного на схемах "ИЛИ-НЕ"
Входы R и S инверсные (активный уровень "0"). Переход (переключение) этого триггера из одного состояния в другое происходит при установке на одном из входов "0". Комбинация R=S=0 является запрещённой.
Таблица 2.2 - Таблица переходов RS триггера в базисе "ИЛИ-НЕ"
| R | S | Q(t) | Q(t+1) | Пояснения |
| 0 | 0 | 0 | * | R=S=0 запрещённая комбинация |
| 0 | 0 | 1 | * | |
| 0 | 1 | 0 | 0 | Режим установки нуля R=0 |
| 0 | 1 | 1 | 0 | |
| 1 | 0 | 0 | 1 | Режим установки единицы S=0 |
| 1 | 0 | 1 | 1 | |
| 1 | 1 | 0 | 0 | Режим хранения информации R=S=0 |
| 1 | 1 | 1 | 1 |
2.2 Синхронный RS-триггер
Схема RS-триггера позволяет запоминать состояние логической схемы, но так как при изменении входных сигналов может возникать переходный процесс (в цифровых схемах этот процесс называется "опасные гонки"), то запоминать состояния логической схемы нужно только в определённые моменты времени, когда все переходные процессы закончены, и сигнал на выходе комбинационной схемы соответствует выполняемой ею функции. Это означает, что большинство цифровых схем требуют сигнала синхронизации (тактового сигнала). Все переходные процессы в комбинационной логической схеме должны закончиться за время периода синхросигнала, подаваемого на входы триггеров. Триггеры, запоминающие входные сигналы только в момент времени, определяемый сигналом синхронизации, называются синхронными. Принципиальная схема синхронного RS триггера приведена на рисунке 2.3.
Рисунок 2.3 - Схема синхронного RS-триггера
Таблица 2.3 - Таблица переходов синхронного RS-триггера
| R | S | C | Q(t) | Q(t+1) | Пояснения |
| 0 | 0 | 1 | 0 | 0 | Режим хранения информации |
| 0 | 0 | 1 | 1 | 1 | |
| 0 | 1 | 1 | 0 | 1 | Режим установки единицы S =1 |
| 0 | 1 | 1 | 1 | 1 | |
| 1 | 0 | 1 | 0 | 0 | Режим установки нуля R=1 |
| 1 | 0 | 1 | 1 | 0 | |
| 1 | 1 | 1 | 0 | * | R = S = 1 запрещённая комбинация |
| 1 | 1 | 1 | 1 | * |
В таблице 2.3. под сигналом С подразумевается синхроимпульс. Без синхроимпульса синхронный RS триггер сохраняет своё состояние.
2.3 D - триггер
D-триггер имеет 1 информационный вход (D-вход). Бывают только синхронные D-триггеры. Состояние информационного входа передаётся на выход под действием синхроимпульса (вход С).
Рисунок 2.4 - Схема D-триггера на основе синхронного RS-триггера
Таблица 2.4 - Таблица переходов D-триггера
| C | D | Q(t) | Q(t+1) | Пояснения |
| 0 | * | 0 | 0 | Режим хранения информации |
| 0 | * | 1 | 1 | |
| 1 | 0 | * | 0 | Режим записи информации |
| 1 | 1 | * | 1 |
Если на входе D - "1", то по приходу синхроимпульса Q = 1.
Если на D "0", то Q =0.
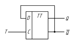
2.4 Счётный триггер (Т-триггер)
Т-триггер имеет один счётный информационный вход.Триггер переключается каждый раз в противоположное состояние, когда на вход Т поступает управляющий сигнал.
Таблица 2.5 - Таблица переходов Т триггера
| T | Q(t) | Q(t+1) |
| 0 | 0 | 0 |
| 0 | 1 | 1 |
| 1 | 0 | 1 |
| 1 | 1 | 0 |
Рисунок 2.5 - Схема T-триггера на основе двухступенчатого D-триггера
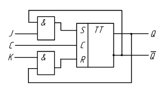
2.5 Универсальный триггер (JK-триггер)
Такой триггер имеет информационные входы J и К, которые по своему влиянию аналогичны входам S и R тактируемого RS-триггера:
-
при J=1, K=0 триггер по тактовому импульсу устанавливается в состояние Q=1;
-
при J= 0, К=1 - переключается в состояние Q=0;
-
при J=K=0 - хранит ранее принятую информацию.
Но в отличие от синхронного RS-триггера одновременное присутствие логических 1 на информационных входах не является для JK-триггера запрещённой комбинацией и приводит триггер в противоположное состояние.
Рисунок 2.6 - Схема JK-триггера на основе двухступенчатого синхронного RS-триггера.
Таблица 2.6 - Таблица переходов JK триггера
| K | J | C | Q(t) | Q(t+1) |
| 0 | 0 | 1 | 0 | 0 |
| 0 | 0 | 1 | 1 | 1 |
| 0 | 1 | 1 | 0 | 1 |
| 0 | 1 | 1 | 1 | 1 |
| 1 | 0 | 1 | 0 | 0 |
| 1 | 0 | 1 | 1 | 0 |
| 1 | 1 | 1 | 0 | 1 |
| 1 | 1 | 1 | 1 | 0 |
Характеристики
Тип файла документ
Документы такого типа открываются такими программами, как Microsoft Office Word на компьютерах Windows, Apple Pages на компьютерах Mac, Open Office - бесплатная альтернатива на различных платформах, в том числе Linux. Наиболее простым и современным решением будут Google документы, так как открываются онлайн без скачивания прямо в браузере на любой платформе. Существуют российские качественные аналоги, например от Яндекса.
Будьте внимательны на мобильных устройствах, так как там используются упрощённый функционал даже в официальном приложении от Microsoft, поэтому для просмотра скачивайте PDF-версию. А если нужно редактировать файл, то используйте оригинальный файл.
Файлы такого типа обычно разбиты на страницы, а текст может быть форматированным (жирный, курсив, выбор шрифта, таблицы и т.п.), а также в него можно добавлять изображения. Формат идеально подходит для рефератов, докладов и РПЗ курсовых проектов, которые необходимо распечатать. Кстати перед печатью также сохраняйте файл в PDF, так как принтер может начудить со шрифтами.














