024.Дифференц и операц усилители (1085089)
Текст из файла
| Усилители постоянного тока |
Усилителями постоянного тока называют такие устройства, которые могут усиливать медленно изменяющиеся электрические сигналы, то есть они способны усиливать и переменные и постоянные составляющие входного сигнала. Усилители постоянного тока имеют много разновидностей (дифференциальные, операционные, усилители с преобразованием входного сигнала и др.). Поскольку такие устройства пропускают наряду с переменной составляющей еще и постоянную, то отдельные каскады должны быть связаны между собой либо непосредственно, либо через резисторы, но не через разделительные конденсаторы или трансформаторы, которые не пропускают постоянную составляющую. Основную проблему усилителей постоянного тока представляет дрейф нуля – отклонение напряжения на выходе усилителя от начального (нулевого) значения при отсутствии входного сигнала. Основной причиной этого явления являются температурная и временная нестабильность параметров активных элементов схемы усилителя, резисторов, а также источников питания.
Одним из возможных путей уменьшения дрейфа нуля является использование дифференциальных усилителей.
| 3.14.1. Дифференциальные усилители |
Принцип работы дифференциального усилителя поясним на примере четырехплечевого моста (рис. 3.48), выполненного на резисторах
,
,
,
. В одну диагональ включен источник
, а в другую – сопротивление нагрузки
. Если выполняется условие
|
| (3.68) |
то мост сбалансирован, и ток в
будет равен нулю. Баланс не нарушится, если будут меняться напряжение
и сопротивления резисторов плеч моста, но при условии, что соотношение (3.68) сохранится.
Рис.3.48. Схема четырехплечевого моста
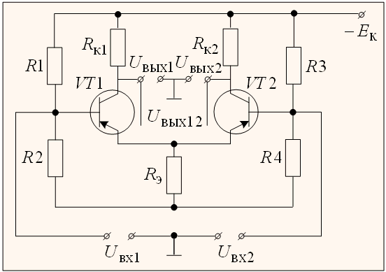
На рис. 3.49 представлена схема простейшего дифференциального усилителя. Очевидно, что она аналогична схеме моста на рис. 3.46, если
и
заменить транзисторами VT1 и VT2 и считать, что
,
.
Рис. 3.49. Схема дифференциального усилителя
Сопротивления
и
выбирают равными, а транзисторы VT1 и VT2 – идентичными. Тогда при отсутствии входного сигнала
также равно нулю. Температурное воздействие будет одинаковое на оба идентичных транзистора, поэтому, хотя их параметры и изменятся, но одинаково и в одну сторону, что не отразится на выходном сигнале, так как разность
и
останется неизменной. Если на входы схемы
и
подать, одинаковые сигналы по величине и фазе, называемые синфазными, то токи обоих транзисторов будут изменяться на одинаковую величину, соответственно будут изменяться напряжения
и
, а напряжение
по прежнему будет сохраняться равным нулю. Если на входы подать одинаковые по величине, но сдвинутые по фазе на
сигналы, называемые дифференциальными, то возрастание тока в одном плече будет сопровождаться уменьшением тока в противоположном, вследствие чего появится напряжение на дифференциальном выходе
. Изменение температуры, паразитные наводки, старение элементов и др. можно рассматривать как синфазные входные воздействия. Исходя из этого дифференциальный каскад обладает очень высокой устойчивостью работы и малочувствителен к помехам.
Выводы:
-
Дифференциальные усилители предназначены для усиления сколь угодно медленно изменяющихся во времени сигналов, частотный диапазон которых начинается от 0 Гц.
-
Дифференциальный усилитель: имеет следующие достоинства: малый дрейф нуля; высокая степень подавления синфазных помех.
-
Недостатки дифференциального усилителя: требует двухполярного источника питания; необходима очень высокая симметрия схемы.
| 3.14.2. Операционный усилитель |
Операционным усилителем называют усилитель постоянного тока, предназначенный для выполнения различного рода операций над аналоговыми сигнала при работе в схемах с отрицательной обратной связью.
Операционные усилители обладают большим и стабильным коэффициентом усиления напряжения, имеют дифференциальный вход с высоким входным сопротивлением и несимметричный выход с низким выходным сопротивлением, малым дрейфом нуля. То есть под операционным усилителем понимают высококачественный универсальный усилитель.
Условные обозначения операционных усилителей приведены на рис. 3.50. Один из входов, обозначенный знаком «+» называют неинвертирующим (прямым), так как сигнал на выходе и сигнал на этом входе имеют одинаковую полярность. Второй вход, обозначенный знаком «–», (его также обозначают знаком инверсии «o») называют инвертирующим, так как сигнал на выходе по отношению к сигналу на этом входе имеет противоположную полярность. Помимо трех сигнальных контактов (двух входных и одного выходного) операционный усилитель содержит дополнительные контакты (обычно число контактов составляет 14 или 16).
Рис. 3.50. Условные обозначения операционных усилителей
Параметры операционного усилителя характеризуют его эксплуатационные возможности. Основными параметрами являются:
-
Коэффициент усиления напряжения без обратной связи
, показывающий, во сколько раз напряжение на выходе превышает напряжение сигнала, поданного на дифференциальный вход. Типовое значение
; -
Коэффициент ослабления синфазного сигнала
, показывающий, во сколько раз дифференциальный сигнал сильнее синфазного. Донный параметр определяется свойствами входного дифференциального каскада и составляет
; -
Напряжение смещения нуля
, представляющее собой постоянное напряжение определенной полярности, которое необходимо подать на вход при отсутствии входного сигнала для того, чтобы напряжение на выходе стало равным нулю. Наличие отклонения выходного напряжения от нуля обусловлено, хотя и малым, но неизбежным дисбалансом плеч дифференциального каскада. Практически
; -
Температурный дрейф напряжения смещения
, характеризует изменение напряжения
при изменении температуры и составляет
; -
Входное сопротивление для дифференциального
сигнала. Измеряется со стороны любого входа в то время, когда другой вход соединен с общим выводом. Величина
лежит в пределах сотен
– единиц Мом; -
Входное сопротивление для синфазного
сигнала. Измеряется между соединенными вместе входами операционного усилителя и корпусом. Данное сопротивление на несколько порядков больше чем сопротивление для дифференциального сигнала; -
Выходное сопротивление
. Величина выходного сопротивления для операционного усилителя составляет десятки – сотни Ом.
| 3.14.3. Схемотехника операционных усилителей |
В состав операционных усилителей входит несколько каскадов. Наиболее простое схемное решение имеет операционный усилитель К140УД1 (рис. 3.51), изготовленный на кремниевой пластине размером
и содержащий 9 транзисторов. Данная схема обеспечивает сравнительно невысокий коэффициент усиления
, дает ослабление синфазного сигнала
и имеет невысокое входное сопротивление
.
Последующие разработки позволили улучшить параметры операционного усилителя за счет усложнения схемы. Так, например в К140УД7 входное сопротивление составляет
при входном токе
, коэффициент ослабления синфазного сигнала
.
Промышленностью выпускается большое разнообразие операционных усилителей, которые разделяют на две группы: общего и частного применения. Операционные усилители частного применения разделяют на быстродействующие (скорость нарастания выходного напряжения
), прецизионные (обладают высоким
, высоким
, малым
), микромощные (питаются от источников
и
и потребляют ток менее
) мощные (обеспечивают выходной ток до
) и высоковольтные.
Рис.3.51. Электрическая принципиальная схема операционного усилителя К140УД1
| 3.14.4. Основные схемы на операционных усилителях |
Вид выполняемых операционными усилителями операций определяется внешними по отношению к нему элементами. От параметров операционного усилителя зависит только точность выполняемых операций. Рассмотрим наиболее распространенные схемы на основе операционного усилителя.
Инвертирующий усилитель. На рис. 3.52 изображена схема инвертирующего усилителя на идеальном операционном усилителе, который осуществляет усиление аналоговых сигналов с поворотом фазы на
.
Рис.3.52. Инвертирующий усилительный каскад на идеальном операционном усилителе
Во входной цепи протекает переменный ток, действующее значение которого равно
|
| (3.69) |
т. к. идеальный операционный усилитель имеет бесконечно большое входное сопротивление.
Тогда
. Следовательно, коэффициент усиления схемы равен
|
| (3.70) |
Отсюда следует, что
определяется внешними резисторами R1 и R2. В современных операционных усилителях
и
достаточно велики, поэтому расчет по выражению (3.70) обеспечивает достаточную точность при практических расчетах.
Характеристики
Тип файла документ
Документы такого типа открываются такими программами, как Microsoft Office Word на компьютерах Windows, Apple Pages на компьютерах Mac, Open Office - бесплатная альтернатива на различных платформах, в том числе Linux. Наиболее простым и современным решением будут Google документы, так как открываются онлайн без скачивания прямо в браузере на любой платформе. Существуют российские качественные аналоги, например от Яндекса.
Будьте внимательны на мобильных устройствах, так как там используются упрощённый функционал даже в официальном приложении от Microsoft, поэтому для просмотра скачивайте PDF-версию. А если нужно редактировать файл, то используйте оригинальный файл.
Файлы такого типа обычно разбиты на страницы, а текст может быть форматированным (жирный, курсив, выбор шрифта, таблицы и т.п.), а также в него можно добавлять изображения. Формат идеально подходит для рефератов, докладов и РПЗ курсовых проектов, которые необходимо распечатать. Кстати перед печатью также сохраняйте файл в PDF, так как принтер может начудить со шрифтами.
,
;
,
.















