031.Логические элементы и их электронные аналоги (1085095), страница 2
Текст из файла (страница 2)
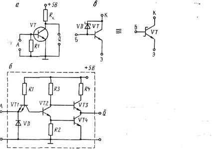
Рис. 6. Логический элемент ИЛИ, выполненный на биполярных (а) и И МОП-транзисторах (б)
Таблица 2
Функциональная таблица (таблица истинности) ИЛИ
А В Q
0 0 0
0 1 1
1 0 1
1 1 1
Логический элемент ИЛИ на МОП-транзисторах может быть выполнен по схеме, приведенной на рис. 6, б. В этой схеме транзисторы VT1 и VT2 включаются при подаче на их затворы положительного напряжения логической 1 и выключаются, если действует напряжение логического 0. Транзистор VT3 используется вместо резистора и постоянно открыт, что приводит к потреблению энергии питания, в то время когда открыты транзисторы VT1 и VT2.
Логический элемент НЕ.
Э
Таблица 3
Функциональная таблица (таблица истинности) НЕ
А Q
0 0
0 1
то операция применяется в случаях, когда требуется иметь противоположные значения переменной. Противоположное значение переменной называется дополнением этой переменной Символически для НЕ оно обозначается чертой над соответствующей переменной величиной: А=Q. В
простейшем случае элемент НЕ инвертор - может быть выполнен на биполярном (или полевом) транзисторе с общим эмиттером (рис. 7, а). Когда на входе А действует сигнал 0, транзистор VT тока" не проводит и напряжение на выходе Q максимально, практически равно напряжению источника питания и соответствует сигналу 1. Если на входе действует положительное напряжение, соответствующее сигналу 1, транзистор VT (n - p - n-типа) отпирается, переходит в режим насыщения и напряжение на выходе Q снижается до уровня 0,1—0,3 В, соответствующее сигналу 0. Таким образом, схема инвертирует входной сигнал. У рассмотренной схемы НЕ много недостатков: малы быстродействие и нагрузочная способность и весьма низка помехоустойчивость. Поэтому на практике используют более сложные схемы. В частности, на рис. 7, б приведена схема инвертора семейства ТТЛ на основе многоэмиттерного транзистора VT1. При напряжении логического 0 на входе А создаются условия для протекания тока в транзисторе VT1 только в цепи перехода эмиттер-база (на рис. 7, б указаны два параллельно соединенных эмиттера, работающих как один), а переход коллектор-база закрыт, вследствие чего нет тока в цепи базы транзистора VT2 и он заперт. При этом на его коллекторе имеется напряжение, близкое к напряжению источника питания. Это напряжение действует на базу транзистора VT3, что приводит к его полному отпиранию. В то же время транзистор VT4 заперт, поскольку на его базу не подается никакого напряжения, так как транзистор VT2 закрыт, ток через него не проходит и на резисторе R2 нет напряжения (которое могло бы открыть транзистор VT4). Таким образом, поскольку транзистор VT3 открыт, а VT4 закрыт, на выходе Q действует положительное напряжение, близкое к напряжению источника питания, что соответствует логической 1. Если на вход А подается напряжение логической 1, то переход эмиттер - база транзистора VT1 запирается, но создаются условия для протекания тока через его переход коллектор - база и тем самым для протекания тока через базу транзистора VT2, что приводит к его отпиранию и переходу в режим насыщения. При этом транзистор VT3 запирается (так как на коллекторе VT2 действует слишком низкое напряжение), а транзистор VT4 отпирается, так как на его базу подается с резистора R2 напряжение в положительной полярности. Таким образом, через малое сопротивление открытого транзистора VT4 выход соединяется с общей шиной «землей» и напряжение на нем оказывается почти нулевым и схема работает как инвертор. Диод VD, включенный на вход А, защищает схему от перегрузки по входу.
Существенно повысить быстродействие инвертора и снизить расход энергии питания позволяет применение диодов Шоттки, включаемых параллельно переходу коллектор - база биполярного транзистора (рис. 7, в). Такое соединение называется транзистором Шоттки и обозначается в электронных схемах, как показано на рис. 7, в. Среднее время задержки сигналов в логических элементах ТТЛШ порядка 1,5 нс при средней потребляемой мощности около 20 мВт на один логический элемент.
Применение МОП-транзисторов позволяет почти в 10 раз увеличить число активных элементов на кристалле интегральной микросхемы и более чем в 103 раз уменьшить потребление энергии питания по сравнению с биполярными транзисторами. Однако почти в 10—20 раз уменьшается быстродействие (в первую очередь, из-за больших емкостей на входе и выходе транзисторов и очень высоких входных сопротивлений).
И
нвертор на МОП-транзисторах с n-каналами может быть выполнен по схеме, приведенной на рис. 8, а. Транзистор VT1, на затвор которого подается напряжение в отпирающей полярности, выполняет роль резистора (сопротивление которого может быть сделано любым - в пределах от сотен омов до сотен кило-омов - в зависимости от технологии изготовления и напряжения на затворе). Если на входе А действует сигнал 0, то транзистор VT2 закрыт и напряжение на выходе Q практически равно напряжению источника питания, т. е. соответствует напряжению логической 1. Когда на вход А действует положительное напряжение, соответствующее напряжению логической 1, то транзистор VT2 открывается (его сопротивление при этом составляет всего 300 - 500 Ом) и напряжение на выходе Q становится весьма малым (десятые доли-единицы вольт), что соответствует логическому 0. Существенное повышение быстродействия (и снижение потребления энергии питания) достигается при использовании комплиментарной пары КМОП-транзисторов.
С
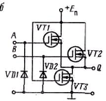
хема КМОП-инвертора приведена на рис. 8, б. Если на входе А схемы действует напряжение логического нуля, то транзистор VT1, имеющий р-канал, полностью открыт, поскольку его затвор при этом соединен с общим проводом и поэтому на него подается напряжение в отпирающей полярности относительно истока, соединенного с плюсом источника питания. Транзистор VT2 имеющий n-канал, заперт, вследствие чего напряжение на выходе Q максимально и соответствует напряжению логической 1. Когда на вход А подается положительное напряжение логической 1, то транзистор VT1 запирается, а транзистор VT2 полностью отпирается, вследствие чего напряжение на входе Q становится нулевым. Быстродействие этой схемы по сравнению с предыдущей существенно увеличивается благодаря тому, что заряд-перезаряд паразитных емкостей происходит через весьма малые сопротивления полностью открытых транзисторов VT1 и VT2. Потребление энергии питания снижается до уровня десятых долей микроватта на один элемент потому, что схема потребляет ток, в сущности, только во время переключения, когда один транзистор открывается, другой закрывается. В остальное время — при 0 или 1 — всегда один из транзисторов закрыт и ток от источника питания не потребляется.
Рис. 7. Логический элемент НЕ, выполненный на обычном биполярном транзисторе (а); многоэмиттерном транзисторе с дополнительным усилителем (б); Транзистор Шоттки и его условное графическое изображение в электронных схемах (в).
Рис. 8. Логический элемент НЕ, выполненный на МОП-транзисторах с n-каналом (а), комплиментарной паре МОП-транзисторов с n- и р-каналами (б).
Логический элемент И – НЕ.
Б
олее универсален элемент И-НЕ, позволяющий одновременно с операцией логического умножения выполнить и отрицание, тем более что в большинстве случаев это не усложняет схемы. Например, на рис. 9, а приведен МОП-вариант схемы логического элемента И-НЕ. Транзистор VT1 используется вместо сопротивления нагрузки и постоянно открыт, ибо на его затвор подается напряжение в отпирающей полярности. Если на затворы транзисторов VT2 и VT3 поданы напряжения логического 0, то они заперты, тока не проводят и на выходе Q действует почти полное напряжение питания, т. е. напряжение логической 1. Если подается напряжение логической 1 только на один из входов А или В, то состояние схемы не изменяется и напряжение на выходе остается неизменным. Однако, если на оба входа действуют напряжения логических 1, то оба транзистора VT2 и VT3 отпираются, их внутреннее сопротивление уменьшается (до 500 - 1000 Ом) и напряжение на выходе Q также становится весьма малым, т. е. на выходе действует логический 0 - в полном соответствии с таблицей истинности И-НЕ (табл. 4.).
Таблица 4.
Функциональная таблица (таблица истинности) И-НЕ
A B Q
0 0 1
1 0 1
0 1 1
1 1 0
Н
едостаток схемы - при подаче на входы A и В одновременно напряжений логических 1 схема потребляет ток от источника питания. Если же элемент И-НЕ выполнен на КМОП-транзисторах, то этого не происходит. В частности, на рис. 9, б дается схема подобного элемента. Транзисторы VT1 и VT2 имеют р-каналы, вследствие чего, когда на их затворах (входах A, В) действуют сигналы логических 0, они полностью открыты и на выходе Q имеется положительное напряжение логической 1. При этом транзисторы VT3 и VT4 полностью заперты, ибо имеют n-каналы. Когда на оба входа A, В одновременно действуют положительные напряжения логических 1, транзисторы VT1 и VT2 запираются и напряжение с выхода Q снимается. При этом транзисторы VT3 и VT4 отпираются и выход оказывается соединенным с общим проводом через малое сопротивление (500 - 1000 Ом). Если на одном из входов действует напряжение логического 0, а на другом - напряжение логической 1, то один из транзисторов с р - каналом (VT1 или VT2) запирается, но другой остается открытым, и поскольку они включены параллельно, на выходе остается напряжение логической 1. При этом один из транзисторов с n-каналом (VT3 или VT4) оказывается открытым; другой - закрытым, и, поскольку они включены последовательно, шунтирования выхода Q малым сопротивлением не происходит и напряжение на выходе оказывается высоким. Таким образом, сама схема тока не потребляет (разве что в те мгновения, когда происходит процесс ее переключения — но это, в среднем, доли микроватта). ТТЛ-вариант схемы логического элемента И-НЕ дан на рис. 5, в. Из рассмотрения рисунка вполне очевидно, что схема представляет собой стандартный элемент И (рис. 5, в), к которому добавлен выходной стандартный усилитель — от инвертора (см. рис. 7, б). Условные изображения логического элемента И-НЕ дана на рис. 9, г.














