031.Логические элементы и их электронные аналоги (1085095)
Текст из файла
Логические элементы и их электронные аналоги.
содержание
Введение. ……………………………………………………………. 3
Логический элемент И. ……………………………………………... 5
Логический элемент ИЛИ. ………………………………………….. 7
Логический элемент НЕ. ……………………………………………. 8
Логический элемент И-НЕ. …………………………………………12
Логический элемент ИЛИ-НЕ. …………………………………….. 14
Литература. …………………………………………………………. 17
Введение.
Математической основой цифровой электроники и вычислительной техники является алгебра логики или булева алгебра (по имени английского математика Джона Буля). В булевой алгебре независимые переменные или аргументы (X) принимают только два значения: 0 или 1. Зависимые переменные или функции (Y) также могут принимать только одно из двух значений: 0 или 1. Функция алгебры логики (ФАЛ) представляется в виде:
Y = F (X1; X2; X3 ... XN ).
Данная форма задания ФАЛ называется алгебраической.
Основными логическими функциями являются:
- логическое отрицание (инверсия)
- логическое сложение (дизьюнкция)
Y = X1 + X2 или Y = X1 V X2 ;
- логическое умножение (коньюнкция)
Y = X1 X2 или Y = X1 X2 .
К более сложным функциям алгебры логики относятся:
- функция равнозначности (эквивалентности)
Y = X1 X2 +
или Y = X1 ~ X2 ;
- функция неравнозначности (сложение по модулю два)
Y = X1
+
X2 или Y = X1
X2 ;
- функция Пирса (логическое сложение с отрицанием)
Y =
;
- функция Шеффера (логическое умножение с отрицанием)
Y =
;
Логический элемент – это электронное устройство, реализующее одну из логических операций. Логические элементы представляют собой электронные устройства, в которых обрабатываемая информация закодирована в виде двоичных чисел, отображаемых напряжением (сигналом) высокого и низкого уровня. Термин «логические» пришел в электронику из алгебры логики, оперирующей с переменными величинами и их функциями, которые могут принимать только два значения: «истинно» или «ложно». Для обозначения истинности или ложности высказываний используют соответственно символы 1 или 0. Каждая логическая переменная может принимать только одно значение: 1 или 0. Эти двоичные переменные и функции от них называются логическими переменными и логическими функциями. Устройства, реализующие логические функции, называются логическими или цифровыми устройствами. Условное графическое изображение цифрового устройства показана на рисунке 1. На входы устройства подают комбинации двоичных переменных Х1, Х2, …, Хn, с выхода снимают комбинации двоичных переменных Y1, Y2, …, Ym. Выходные и входные переменные связаны между собой логической функцией λ.
X
λ
1 Y1 X
2 Y2
Xn Ym
Рис.1.
Логические элементы по режиму работы подразделяются на статические и динамические. Статические ЛЭ могут работать как в статическом, так и динамическом (импульсном) режимах. Статические элементы наиболее широко используются в современных микросхемах. Динамические ЛЭ могут работать только в импульсном режиме.
Логические элементы классифицируют также по типу применяемых транзисторов. Наибольшее распространение получили ЛЭ на биполярных и МДП - транзисторах и МДП – транзисторах. Кроме того, интенсивно разрабатываются ЛЭ на арсенид – галлиевых МЕП и ГМЕП – транзисторах. Для каждого из перечисленных типов ЛЭ существует число схемотехнических и конструктивно – технологических разновидностей.
Логический элемент И.
Л
+V
Таблица 1
Функциональная таблица (таблица истинности) И
А В Q
0 0 0
0 1 0
1 0 0
1 1 1
огическая операция И для двух переменных А и В представляется как А∙В=С, т. е. С=1 только в том случае , когда А=1 и В=1 (если А истинно и В истинно, тогда С истинно). Она обозначается точкой между двумя переменными А и В, которые обычно называют логическими переменными и соответственно этому цифровые операции называют логическими операциями. Схема, осуществляющая операцию И, называется элементом И. Утверждение «истинно» принято отождествлять с состоянием 1 и противоположное утверждение отождествлять с состоянием 0 в цифровой схеме. В соответствии с этим таблица для операции И, охватывающая все возможные комбинации переменных А и В и соответствующей переменной С, показана в таблице 1. для входных и одной выходной переменной. Она называется таблицей истинности или функциональной таблицей. Обобщить табл. 1. На большее число входных переменных. Согласно табл. 1. Выходная переменная С=1 (т.е. «С истинно» получается, только если А и В «истинно». Логически символ для элемента И и диодная логическая схема И для элемента с двумя входами и одним выходом показана на рис. 2, а и 2, б. Блок И обеспечивает логическую 1 на выходе, только если логически представлены все выходы. Такая схема может быть сравнима с системой последовательно включенных ключей (рис. 3). Только если, как этоА
В
Выход
Рис. 2.
показано на рис. 3, все ключи замкнуты (состояние 1), появляется выходное напряжение и включается индикатор. Более практичной формой для блока И является диодная схема, показанная на рис. 4. Используя положительное напряжение +V для состояния 1 и V=0 для состояния 0, видим, что схема обеспечивает на выходе состояние 1 для +V, только если на все входы подано напряжение +V, или 1. Любой вход при V=0 поддерживает выход в состоянии 0. В самом деле, диоды смещены в положительном направлении и выходное напряжение равно нулю, что означает, что выходное состояние есть 0. Если ко всем тем входам одновременно приложить положительное напряжение несколько больше чем V, то диоды становятся обратно смещенными и выходное напряжение возрастает до V, т. е. наступает состояние 1. Заметим, что если даже один вход находится в состоянии 0, т. е. на соответствующем диоде имеется прямое смещение, то выходной сигнал остается равным нулю. Это объясняется тем что нулевое напряжение на любом входе дает короткое замыкание выхода на землю. В логической форме это означает, что 0 на любом входе создает 0 на выходе.
Операцию, осуществляемую блоком И, не следует смешивать с математической операцией сложения, так как выход блока И не есть сумма входных сигналов, как это следует из функциональной таблицы. Блок И широко используется в цифровых электрических схемах и обозначается символом, показанным на рис. 4,б.
К1 К2 К3
а) б)
Рис.3. Цепочка последовательных Рис.4: а) диодная схема с тремя входами; б) ее
ключей схемы логического И символическое обозначение
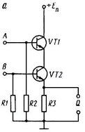
Схема простейшего двухвходового элемента И на биполярных транзисторах приведена на рис. 5, а, а на рис. 5, б – диаграмма его работы. Элемент И называют иногда схемой совпадения, так как из диаграммы работы видно, что сигнал 1 на выходе появляется только в том случае, на обоих входах А и В одновременно действуют напряжения логической 1. Поскольку транзисторы VT1 и VT2 соединены последовательно, то ток в цепи может протекать только в случае, если одновременно открыты оба транзистора. Если открыт только один из транзисторов, то ток протекать не будет и напряжение на выходе будет нулевым. Таким образом, схема выполняет логическое умножение И в соответствии с функциональной таблицей И.
Схема логического элемента И в ТТЛ – варианте исполнения приведена на рис. 5, в. Особенность схемы – использование на входе многоэмиттерного транзистора VT1. Если на оба входа А и В поданы напряжения логического 0, то открыты оба перехода база -эмиттер транзистора VT1 и ток проходит только через них, не ответвляясь в переход база – коллектор. Вследствие этого транзистор VT2 закрыт и на выходе Q действует нулевое напряжение. Если на один из входов подается положительное напряжение логической 1, то соответствующий переход база – эмиттер транзистора VT1запирается. Однако основной переход база – коллектор не опирается, ибо конструкция многоэмиттерного транзистора (и режим работы) такова, что ток в цепи база – коллектор может протекать тогда, когда оказываются запертыми все переходы база – эмиттер. Таким образом, только при одновременной подаче на оба входа напряжения логической 1 отпирается переход база – коллектор транзистора VT1, что в свою очередь приводит к отпиранию транзистора VT2 появлению на выходе напряжения логической 1 в полном соответствии с правилом действия логического элемента И.МОП – вариант схемы логического элемента И приведен на рис. 5, г. Здесь, как и в предыдущих схемах, вместо сопротивления нагрузки используется МОП – транзистор с отпирающим напряжением на затворе.
Рис.5. Логический элемент И на биполярных транзисторах (а), диаграммы напряжений на его входах А, В я выходе Q (б); элемент И, выполненный на многоэмиттерном (б) и МОП-транзисторах (а)
Логический элемент ИЛИ.
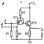
Логическое утверждение «Если А или В истинно, тогда Q истинно» записывается так А+В=Q, где знак «+» есть символ, обозначающий операцию ИЛИ. Соответствующая этому определению Функциональная табл. 2. показывает, что выход получается при наличии любого входного сигнала. Принципиальная схема двухвходового логического элемента ИЛИ в ТТЛ-исполнении приведена на рис. 6, а. В соответствии с правилами логического сложения, если на входах А и В действуют сигналы логических 0, переходы база - эмиттер транзисторов VT1 и VT4 открыты и через них протекает ток. При этом, очевидно, через переходы база - коллектор в транзисторах VT1 и VT4 ток не протекает, вследствие чего закрыты транзисторы VT2 и VT3 и на их общем сопротивлении в цепи эмиттеров R2 нет падения напряжения, т.е. выходной сигнал Q соответствует логическому 0. Если на одном из входов А или В действует сигнал положительной полярности, соответствующий логической 1, то происходят запирание перехода база — эмиттер транзистора VT1 (или VT4) и отпирание перехода база — коллектор. Это приводит к отпиранию транзистора VT2 (или VT3 и появлению на резисторе R2 - на выходе Q — почти полного напряжения источника питания (за вычетом падения напряжения в несколько десятых долей вольта на полностью открытом транзисторе VT2 или VT3. При подаче сигнала 1 на оба входа А и В открываются и оба выходных транзистора VT2 и VT3, что приводит к некоторому увеличению напряжения на выходе Q. Таким образом, рассмотренная электронная схема выполняет логическое сложение ИЛИ.
Характеристики
Тип файла документ
Документы такого типа открываются такими программами, как Microsoft Office Word на компьютерах Windows, Apple Pages на компьютерах Mac, Open Office - бесплатная альтернатива на различных платформах, в том числе Linux. Наиболее простым и современным решением будут Google документы, так как открываются онлайн без скачивания прямо в браузере на любой платформе. Существуют российские качественные аналоги, например от Яндекса.
Будьте внимательны на мобильных устройствах, так как там используются упрощённый функционал даже в официальном приложении от Microsoft, поэтому для просмотра скачивайте PDF-версию. А если нужно редактировать файл, то используйте оригинальный файл.
Файлы такого типа обычно разбиты на страницы, а текст может быть форматированным (жирный, курсив, выбор шрифта, таблицы и т.п.), а также в него можно добавлять изображения. Формат идеально подходит для рефератов, докладов и РПЗ курсовых проектов, которые необходимо распечатать. Кстати перед печатью также сохраняйте файл в PDF, так как принтер может начудить со шрифтами.














