Курсовик ТА Пидорченко (1082218)
Текст из файла
Министерство Образования Российской Федерации
Московский Государственный Институт Радиотехники Электроники и Автоматики (Технический Университет)
Студент: Пидорченко Александр Сергеевич
Группа: ВВ-61-02
Шифр: 021105
Курсовой проект по Теории Автоматов
Москва 2004 год.
ФИО: Пидорченко Александр Сергеевич
Группа/Шифр: ВВ-62-02/1105.
Разработать вычислительное устройство, состоящее из двух взаимосвязанных частей: операционного и управляющего автоматов и выполняющее следующие операции:
-
Среднее арифметическое двух целых чисел в дополнительном коде.
-
Возведение в квадрат числа в плавающем формате.
УА. Схема с регулярной адресацией, конвейерный вариант.
Числа 32 разрядные.
Суммарное число входных и выходных контактов ≤ 40.
Должны быть разработаны и представлены:
-
Интерфейс разрабатываемого устройства.
-
Математические обоснования используемых алгоритмов.
-
Тестовые примеры.
-
Микропрограммы в содержательном виде.
-
Таблицы заполнения управляющей памяти.
-
Функциональные схемы операционного и управляющего автоматов.
Функциональные схемы разрабатываются с использованием многоразрядных канонических мультиплексоров, дешифраторов, сумматоров, регистров, счётчиков, ПЗУ с чётким указанием информационных, управляющих и синхронизирующих входов.
Вычислительное устройство должно состоять из трёх частей: операционный автомат, реализующий первую операцию, операционный автомат, реализующий вторую операцию и управляющий автомат, обрабатывающий сигналы операционных автоматов, вырабатывающий управляющие сигналы и организующий ввод и вывод информации.
Разработку вычислительного устройства можно разбить на четыре этапа:
-
Разработка первого операционного автомата.
-
Разработка второго операционного автомата.
-
Разработка управляющего автомата.
-
Разработка схемы взаимодействия первых трёх автоматов.
Интерфейс разрабатываемого устройства
-
Запись и считывание информации будет происходить по 32 разрядной шине ввода/вывода.
-
Выбор операции происходит по управляющему входу К.
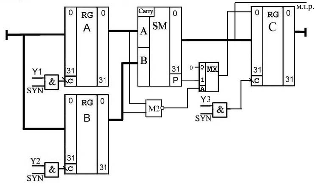
Операционный автомат № 1
Первый операционный автомат должен находить среднее арифметическое двух чисел в дополнительном коде.
Числа 32 разрядные. Первый разряд знаковый.
Алгоритм нахождения среднего арифметического:
-
Сложение двух чисел.
-
Деление суммы на два, используя косую передачу со сдвигом в сторону младшего разряда. Освободившийся разряд заменяется на 0 в случае сложения чисел с разными знаками, и на перенос с сумматора в случае сложения чисел с одним знаком.
С
оставим блок-схему преобразования:
Р – знаковые разряды чисел А и В одинаковы.
(1 – да. 0 – нет.)
Разработка функциональной схемы
-
Регистры А и В используются для записи исходных чисел.
-
Сумматор используется для сложения этих чисел.
-
Регистр В используется для записи ответа.
-
Элемент М2 и мультиплексор выбирают, заменять старший разряд после сдвига суммы на 0 или перенос из сумматора.
Управляющие сигналы:
Y1 – разрешение на запись в RG_A (0 – нет, 1 – да)
Y2 – разрешение на запись в RG_В (0 – нет, 1 – да)
Y3 – разрешение на запись в RG_С (0 – нет, 1 – да)
Описание работы автомата
Перед началом сложения необходимо записать в регистры оба числа. Во время записи второго числа нужно подать сигнал на запись ответа. Поскольку происходит сдвиг числа в сторону младшего разряда, происходит потеря младшего разряда и вычисление получается с точностью до целых. Для избежания потери младшего разряда можно вывести его вместе с шиной выхода.
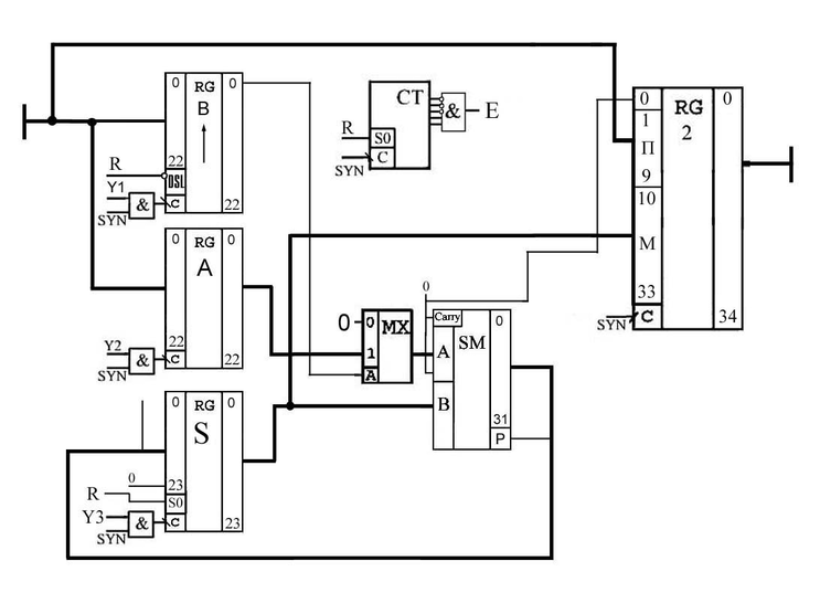
Операционный автомат № 2
Второй операционный автомат должен реализовывать сложение и вычитание десятичных чисел со знаком. Для работы с десятичными числами используем код 8421.
Алгоритм возведения в квадрат:
-
Сумма равна нулю. А и В равны числу.
-
Если ещё не прошло 24 такта, то, если старший разряд B =1 прибавляем к S A, если нулю, то не прибавляем.
-
Сдвигаем вправо S и В.
-
Повторяем 2 и 3 пока не пройдет 24 такта. Когда пройдёт умножаем порядок на 2 и пишем ответ.
Составим блок-схему преобразования:
Разработка функциональной схемы
-
Регистры А и В используются для записи исходного числа. Регистр S для записи мантиссы ответа. RG2 для записи всего ответа.
-
Счётчик используется для определения того, что прошло 24 такта.
-
Сумматор складывает S и А. Мультиплексор выбирает, прибавлять ли А в соответствии со старшим разрядом В.
-
Входное число имеет разрядность 32. Выходное – 34 (два разряда на случай переполнения мантиссы и порядка при возведении в квадрат).
-
В ответ записывается 1 разряд – знак (всегда 0), 9 разрядов порядка и 24 разряда мантиссы.
Управляющие сигналы:
Y1 – разрешить синхросигнал на RG_B (0 – нет, 1 – да)
Y2 – разрешить синхросигнал на RG_A (0 – нет, 1 – да)
Y3 – разрешить синхросигнал на RG_S (0 – нет, 1 – да)
Y4 – разрешить синхросигнал на RG2 (0 – нет, 1 – да)
R – обнуление/запись (0 – нет, 1 – да)
Описание работы автомата
Перед началом сложения необходимо записать в регистры А и В исходное число. Следующие 24 такта автомат должен сдвигать В и переписывать S пока не будет условия Е. После этого происходит запись ответа.
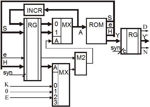
Управляющий автомат
По условию должен быть управляющий автомат с регулярной адресацией, конвейерный вариант. В этой схеме рис.1. при разветвлении процесса вычислений пара альтернативных адресов получается следующим образом: один адрес всегда на единицу больше, чем текущий (т.е. изменяется «регулярным» образом), второй адрес - произвольный и содержится вместе с микрокомандой в микроинструкции.
Элементом, «вычисляющим» адрес, служит счетчик, управляемый входным для УА сигналом. При различных значениях входного сигнала счетчик выполняет две функции: либо прибавляет единицу к значению, которое хранилось в счетчике и являлось текущим адресом, либо загружается значением адреса из управляющей памяти.
В схему введен элемент М2, позволяющий инвертировать значение входного сигнала, что облегчает распределение микроинструкций по ячейкам управляющей памяти.
Работой управляющего автомата должны управлять входные сигналы.
К – код операции (0 – операция 1, 1 – операция 2)
E – завершение операции 2 (0 – нет, 1 – да)
В каждой строке таблицы ROM пишем: Y – микрокоманда, H – новый адрес входного сигнала, который автомат будет использовать на следующем такте (0 – переход в следующий адрес, 1 – переход в текущий S адрес), S – новый адрес перехода, если не происходит перехода в следующий по счету адрес, e – инверсия входного сигнала в следующем такте (0 – нет, 1 – да), N – текущая операция (0 – первая, 1 – вторая).
Таблицы заполнения памяти
| Таблица Микрокоманд | ||||||||
| Операция 1 | Операция 2 | |||||||
| M | Y1 | Y2 | Y3 | Y1 | Y2 | Y3 | R | D |
| M0 | 0 | 0 | 0 | 0 | 0 | 0 | 0 | 0 |
| M1 | 1 | 0 | 0 | x | x | x | x | 0 |
| M2 | 0 | 1 | 1 | x | x | x | x | 1 |
| M3 | x | x | x | 1 | 1 | 0 | 1 | 0 |
| M4 | x | x | x | 1 | 0 | 1 | 0 | 0 |
| M5 | x | x | x | 0 | 0 | 0 | 0 | 1 |
| Таблица заполнения ROM | ||||||
| A | Y | H | S | e | N | |
| 000 | M0 | 01 | 011 | 1 | x | |
| 001 | M1 | 01 | 010 | 1 | 0 | |
| 010 | M2 | 00 | 000 | 0 | 0 | |
| 011 | M3 | 10 | 100 | 1 | 1 | |
| 100 | M4 | 10 | 100 | 1 | 1 | |
| 101 | M5 | 01 | 110 | 1 | 1 | |
| 110 | M6 | 00 | 000 | 0 | 1 | |
Блок-схема Управляющего Автомата
Разработка Управляющего Автомата
-
Регистр используется для хранения текущих значений адресов и флагов.
-
Нижний мультиплексор используется для выбора входного сигнала в соответствии в текущим адресом входного сигнала Н.
-
Верхний мультиплексор используется для выбора в соответствии с управляющим сигналом (инвертным, если текущий флаг инверсии e =1) использовать ли переход в следующий адрес с помощью инкрементора, или переход в текущий адрес перехода S.
-
В ROM записаны микрокоманды, флаги и адреса, которые он выбирает в соответствии с текущим состоянием A.
-
Регистр на выходе используется для превращения управляющего автомата в автомат Мура, для задержки выходных сигналов на один такт по отношению к входным, чтобы не возникала гонка значений в операционных автоматах.
Функциональная схема Управляющего Автомата
Описание работы автомата
Свою работу управляющий автомат начинает в состоянии 000 (начальное состояние). Из него возможны переходы в следующее состояние 001, если К =0, или по адресу перехода в 000 (начальное состояние S = 000, H =00, e=0), если K = 1. Переход из начального состояния в 001 или 011 сразу не возможен из-за того, что S=000. Поэтому для перехода в начало второй операции нужно подать K=1 для перехода в то же состояние но с S=011, H=01 и e=1, что на следующем такте приведёт к безусловному переходу в состояние начала второй операции 011. При переходе в 001 на следующем такте безусловный переход в 010, потом в 000. При переходе в 011, переход в 100, из 100 произойдёт переход в 101 когда придёт сигнал E=1 – окончание операции, из 101 нельзя сразу безусловно перейти в 000 т.к. входной сигнал установлен на Е, поэтому используется переходное состояние 101, из которого происходит безусловный переход в 000.
Характеристики
Тип файла документ
Документы такого типа открываются такими программами, как Microsoft Office Word на компьютерах Windows, Apple Pages на компьютерах Mac, Open Office - бесплатная альтернатива на различных платформах, в том числе Linux. Наиболее простым и современным решением будут Google документы, так как открываются онлайн без скачивания прямо в браузере на любой платформе. Существуют российские качественные аналоги, например от Яндекса.
Будьте внимательны на мобильных устройствах, так как там используются упрощённый функционал даже в официальном приложении от Microsoft, поэтому для просмотра скачивайте PDF-версию. А если нужно редактировать файл, то используйте оригинальный файл.
Файлы такого типа обычно разбиты на страницы, а текст может быть форматированным (жирный, курсив, выбор шрифта, таблицы и т.п.), а также в него можно добавлять изображения. Формат идеально подходит для рефератов, докладов и РПЗ курсовых проектов, которые необходимо распечатать. Кстати перед печатью также сохраняйте файл в PDF, так как принтер может начудить со шрифтами.
















