готовая шпора 2 (1075548), страница 2
Текст из файла (страница 2)
Kp=KuKI>>1
Rвх очень большое,
Rвых мало
Эти пар-ры не измеряются, оценка всех пар-ров осущ по эквивалентной схеме для ср частот.
Следует, также отметить, что оба каскада фазоинвертирующие.
12. Дифференциальный усилительный каскад па бипол. тр-рах.
С
ущественное умен-ие дрейфа УПТ достигается в параллельно-балансных или диф. усилительных каскадах. Наиболее распространенная схема ДУК имеет вид:
ДУК строится в виде сбалансированного моста, 2 плеча кот. образованы резисторами Rк1, Rк2, а 2 других – тр. VT1, VT2. Uвых снимается м/у кол. тр., т.е. с диагонали моста или с кол. отн. общей шины. Элементы VT3, VT4, R1, R2, R3 и ист. напр. Ек2 пред-ет собой источник стабильного тока Iэ. Iэ опр-ет сумму эм. токов Iэ1 и Iэ2, тр. VT1, VT2. Тр. VT4 в диодном включении используется в кач. элем. темп. компенсации. Определим напряж-е м/у точками 1-2. Учтем, что Iб3<<Iэ, поэтому I’3≈Iк=Iэ. Тогда Uбэ3+IэR3=I1R2+Uбэ4. I1=(Eк2-Uбэ4)/(R1+R2)≈Eк2/(R1+R2). Из этого ур-я найдем Iэ: Iэ=[I1R2+(Uбэ4-Uбэ3)]/R3. Вел. произведения I1 на R2 в этом выр-ии >> разности (Uбэ4-Uбэ3), поэтому вел. Iэ опр. в осн. R2, R3, I1. Зависящее от т-ры Uбэ4 и Uбэ3 входят в выр. для Iэ в виде разности, поэтому зав. Iэ от т-ры проявл. незначительно. Диф. каскад может усиливать сигналы 2-х ист-ков Uвх1 и Uвх2 и одного источника. В посл. случае вх. сигнал подается на базу одного из тр. при заземленной базе другого или непосред-но м/у базами обоих тр-ров, при этом входного диф-го каскада наз-ют дифференциальным. Питание диф-го каскада осущ-ся от 2-х послед-но соединенных источников Ек1 и Ек2 с общим напряж-ем питания = Еп=Ек1+Ек2. Если сопротив-я резисторов Rк1, Rк2 равны, а тр-ры VT1, VT2 идентичны по параметрам, то наступает баланс диф-го каскада, т.е. напряж-е на колл-ах VT1=VT2, а Uвых, снимаемое м/у колл-ми, = нулю. Высокая стабильность вых. пар. диф. каскада при изменении напряж-я пита-ния, темп-ры и др-их факторов обуславливается тем, что при одинаковом дрейфе в обоих усилительных каналах напряжения на кол. изменятся на одну и ту же величину.
1
2. Дифференциальный каскад на биполярных тр-рах.
- различают ДК с сим/несим вх/выходом. (Сим см пред рис)
Если один из входов заземлён, то несим вход. Если вых сигнал снимаем только с одного плеча, то несим выход.
-АЧХ такая же как и у БТ. ФЧХ от –π/2 до 0. Соответствие м/у АЧХ и ФЧХ в - π/4.
-активный ФНЧ
ДК работает в 3 режимах: синфазного сигнала (СФ), постоянной составляющей (ПС), парафазной сост-й (ПФ).
1) по ПС:
- в вых части буднт ноль при полной симметрии (идентичности плеч каскада): Uвых1-Uвых2=0. => в каскаде в идеале отсутствует дрейф нулевого уровня. Применяется в УПТ: несколько цепочечно соед-ых ДК, раб по ПС. Согласование не требуется. При наличии 2-х полярного питания ПС не передаётся в ист вх сигнала и в нагрузку => согласование УПТ с ист вх сигнала и нагрузкой не треб-ся. При всех изменениях температуры в схеме все токи изменяются причём одинаково. Если звенься сим, то перем сост не проходит, => температурные изм-я не проходят => термостабильность.
2) по СФ: вх1 «+», вх2 «+».
Коэф передачи: Kuсф1=R1/R3. Для увелич-я Кu надо, чтобы R10, R3. Это обеспечивается включением в цепь генератора стабильного тока (ГСТ). ГСТ предст собой каскад с ОК + термостабилизация.
Изменение напр-й на входах приводит к тому, что рабочая точка смещается:
Следует рассм-ть коэф-т ослабления СФ: Kuос сф=Кuдиф/Кuсф
- вх сопр-е ДК: R вх сф+Rвх диф.
R вх сф=rб+(rэ+r~ГСТ)h21э
- R вых практ-ки 0.
3) по ПФ: вх1 «+», вх2 «-».
- коэф передачи по каждому плечу: Kuпфi=-R1/rэ. Общий |Kuпф|>>1 (1000).
По ПФ составл-й ДК обеспечивает значит Кu, обладает практич-ки нулевым дрейфом нуля. Вх сопр-е велико, вых – мало => данная схема – ист напр-я, упр-ый напр-ем=> на ДК строятся интегр-е схемы – усилители напр-я.
При несим выходе с ДК для подключ-я к оконечному усилителю мощности треб-ся схема согласования (сх сдвига уровня):
В кач-ве делителя возможна: 1) линейная схема (R1 и R2); 2) нелин схема: а) пассивная и б) активная.
-недостаток 1-го вар-та: уменьш-е перем сост, уменьш-е Ku
2) – а):
недостатки: 1) диод – термозав эл-т, 2) р.т. выбрана током, кот задаётся режимом работы. Достоинство: обеспечивает лучшее согл-е т.к. почти не уменьш перем сост.
2
) – б):
Выводы:
-высокий уровень t-стабильности
-малая передача синфазных сигналов
-высокий коэф передачи разностных парафазных сигналов
-обеспечивает реверсивную хар-ку вход/выход
1
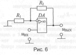
4. Инвертирующий усилительный каскад на ОУ.
В
этой схеме имеет место параллельная отрицательная обратная связь по напряжению. Найдем коэффициент усиления по напряжению. Полагая операционный усилитель идеальным, на основании первого закона Кирхгофа запишем:
iВХ + iОС = 0
Поскольку неинвертирующий вход операционного усилителя имеет нулевой потенциал, то и инвертирующий вход также будет иметь нулевой потенциал, хотя он и не заземлен. Говорят, что инвертирующий вход является точкой виртуального (кажущегося) нуля. Тогда
. Отсюда находим
Мы полагали, что вх. токи операц. усилителя = 0. В реал. операц. Ус. вх. токи малы, но 0. Оценим влияние вх. токов на работу Ус. Пусть uВХ = 0. Для вх. тока операц. Ус. IВХ.И и резисторы R1 и R2 включены параллельно. Ток IВХ.И создаст на них падение U-ия: UВХ.И = IВХ.И(R1 || R2).
Э
то напряжение будет усилено операционным усилителем, т.е. входной ток IВХ.И приводит к разбалансировке операционного усилителя. Чтобы уменьшить влияние входных токов в цепь неинвертирующего входа включают компенсирующий резистор RК = R1 || R2 (рис. 2). Тогда ток IВХ.И создаст на резисторе RK падение напряжения UВХ.Н = IВХ.НRК.
Дифф-ное U на входе операционного усилителя
UВХ = UВХ.Н UВХ.И == (IВХ.Н IВХ.И) (R1||R2) = IВХ(R1||R2)
Если разность входных токов ∆IВХ = 0, то Uвх = 0, т. е. в схеме будет иметь место полная компенсация входных токов.
Реально ∆IВХ = (0,1 ч 0,2)IВХ введение RK разбалансировку в 5…10 раз.
Инвертирующий усил-ль – это усил-ль, инвер-ий фазу вых. сигнала отн. входного. Его схема имеет вид. Если принять, что RвхОУ, то IвхОУ=0. В этом случае Iвх=Iос; (Uвх-Uо)/R1=-(Uвых-Uо)/Rос (1). Если КU∞, то Uо=Uвых/КU0. В этом случае выр (1) примет вид: Uвх/R1=-Uвых/Rос. Т.о. коэф. усиления по напр. инв. усил. с ОС, равный КU=Uвых/Uвх, опр. пар. внеш. эл. КUинв=-Rос/R1. Если Rос=R1, то КUинв=-1 и получаем повторитель сигнала с его инвертирующей, т.к. U0≈0, то Rвхинв=dUвх/diвх=R1, а Rвых=[RвыхОУ(1+ +Rос/R1)]/КU (4) при Кu, то Rвыхи0.
1
5. Неинвертирующий усилительный каскад на ОУ.
В
этой схеме имеет место последовательная отрицательная обратная связь по напряжению, которая увеличивает входное сопротивление и уменьшает выходное сопротивление усилителя. Найдем КU. Если на неинвертирующий вход подано uВХ.Н = uВХ на инвертирующем входе установится то же самое U: uВХ.И = uВХ, т.е.
Е
сли R2 = 0, а R1 = ∞, то KU = 1. Такую схему называют повторителем напряжения (рис.7).
Неинвертирующий усилитель хуже инвертирующего, так как операционный усилитель работает в нем с большим синфазным напряжением (uВХ.СФ = uВХ).
Неинвертирующий усил-ль. Схема подключения ОУ имеет вид. Т.к. Uо≈0, то U на входах ОУ будут: U-вх=U+вх, т.е. Uвх=Uвых[R1/(Rос+R1)]. Откуда коэф-т усиления неинв-го усил-ля равен: КUн=1+Rос/R1. При Rос=0 и R1=∞ приходим к схеме повторителя с КUп=1, его схема имеет вид. Rвх неинв. усил. опр. RвхОУ и очень велико, а Rвых0, согл ф-ле (4). Т.к. неинв. усил. предст. собой ОУ охвач. послед ООС по напр., то его Rвх опр-ся по ф-ле: Rвхн=RвхОУ•КU/КUн. Для повторителя напр. КUп=1 и Rвх повторителя равно: Rвхп=RвхОУ•КU; Rвыхп=RвыхОУ/КU.
1
6. Дифференциальный усилительный каскад на ОУ.
Р
ассмотрим дифференциальное включение операционного усилителя, которое представляет собой комбинацию инвертирующего и неинвертирующего включений (рис. 8).
При дифф-ном вкл. операц. Ус. UВЫХ пропорц-но разности uВХ2 и uВХ1 на его входах.
Используя метод суперпозиции (наложения), находим выходное напряжение усилителя как сумму откликов на воздействия uВХ1 и uВХ2:
операц. усилитель в дифф-ом вкл. математическая операция вычитания.
R1 = R2 = R3 = R4 UВЫХ = -(UВХ1 – UВХ2)















