Главная » Просмотр файлов » Шпоры по Созинову

Шпоры по Созинову (1075547), страница 2

Файл №1075547 Шпоры по Созинову (Шпоры по Созинову) 2 страницаШпоры по Созинову (1075547) страница 22017-12-28СтудИзба
Просмтор этого файла доступен только зарегистрированным пользователям. Но у нас супер быстрая регистрация: достаточно только электронной почты!

Текст из файла (страница 2)

3 3. Инверт сумматор, интегратор, дифференциатор на ОУ.

Инвертирующий сумматор предст. соб.инв. усил. с несколькими ||-ми ветвями на входе: Как правило R резисторов Ri берутся одинаковыми: Rос=R1=R2=…=Rn<<RвхОУ. При этом можно считать, что IвхОУ=0, тогда имеем Iос=I1+I2+…In или умножить это выраж-е на Ri получим: Uвых=-(U1+U2+…Un). Для того, чтобы они имели разное усиление, изменяют сопрот-е резисторов Ri: Uвых=-(Rос/R1∙U1+ Rос/R2∙U2 +…+Rос/Rn∙Un).

Интегратор. Его схема имеет вид:

При RвхОУ=∞, IвхОУ=0, тогда Iк=Iс или Uвх/R=-СdUвых/dt. Откуда Uвых=-1/RC∫0t0Uвхdt+ +Uвых(0). Uвых(0) – Uвых при t=0, т.е. до начала интегрир-ия. Диаграмма работы интегратора.

Пост-ая времени интегрирования τ =R∙С опр-ет наклон линейного уч-ка на диаграмме Uвых, τ =1с-1 т.е. при R=1 мОм и с=1 мкФ, интегрирование проводится в реальном масштабе времени. Масштаб интегр-я выбирают т.о., чтобы за время интегрирования UвыхОУ не достигало величины U-вых. На базе интегр-ра строятся генераторы линейноизменяющегося напряж-я (ГЛИН). Разряд конд-ра С происходит с пост-ой времени τ разряда: τ0 =С(R+ +RвыхОУ), т.е. большое время.

Д ля сокращения времени разряда ||-но конд-ру С подключают транзисторный ключ.

Дифференциатор. Его схема имеет вид: (ж).

Если RвхОУ=∞,тоIвх=0,Iс=Iк или –СdUвх/dt=Uвых/R 

Uвых=-RС(dUвх/dt)= -τ∙dUвх/dt, τ=RC

28. Усилители постоянного тока (УПТ).

УПТ предн. для усиления медленно изм. во времени сигналов, частота кот. м/б близка к нулю. Поэтому в УПТ связь м/у каскадами осущ. непоср. или эл-ми, обеспечивающими связь по пост. току. АЧХ (амплитудно-частотная хар-ка) УПТ имеет вид:

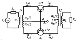
О тсутствие в УПТ разд. конд. или трансформаторов прив. к тому, что все изм. пост. напр. на вых. одного каскада, воспр. и усил. всеми послед. каскадами. В рез. внеш. или внут. фактор, вызывающий изм. пост. пот. на входе усил., может создать на его выходе эффект равноценный действию пол. сигнала. Самопр. откл. напр. на вых. усил. от нач. знач. наз. дрейфом усилителя. Причины дрейфа усил.: 1. нестабильность напр. ист. питания; 2. темп. и временная нестаб. пар. тр. и рез.; 3. НЧ шумы и помехи. Опр. величины дрейфа производится при закороченном входе УПТ путем измерения изм. ∆Uвых дрейфа, за опр. пром. времени. Для сравн. разл. усил. используется понятие приведенного дрейфа ℮др=∆Uвых дрu, где Кu – коэф. усил. УПТ. Вел. ℮др ограничивает чувствительность УПТ, т.к. min вх. сигнал усил. должен быть > ℮др. Схема двухкаскадного однотактного УПТ имеет вид:

Тр-ры в усил-ле включены по схеме с ОЭ, а кол. и базы тр. соседних каскадов соединены непосредственно. Для выравнивания потенциала кол. VT1 и базы VT2 в цепь эм. VT2 включен резистор Кэ2. Одновременно рез-ры Rэ1 и Rэ2 осущ-ют термостабилизацию начального режима каскадов усил.

Источник Uкомп.вх необходим для того, чтобы при ℮др=0, Uбп1 соответ-но требуемому значению напряж-я в режиме покоя и тока ч/з источник сигнала были =0. Нагрузка Rн включена м/у кол. VT2 и ср. точкой делителя R3, R4. Это необх. для того, чтобы Uн было =0, при ℮др=0. Коэф. усил. по напр. Rк||rвх≈Rк, rвх>>Rг. KU1≈βe1[Rк1||rвх2/rвх1]≈βe1∙Rк1/βe1∙Rэ1=Rк1/Rэ1. KU2≈βe2[Rк2||(Rн+R3||R4)]/rвх2 ≈ [Rк||(Rн+R3||R4)]/Rэ2≈(Rк2||Rн)/Rэ2 при усл. Rн>>R3||R4. Ku=Ku1∙Ku2 = Rк1/Rэ1∙(Rк2||Rн)/Rэ2. С ростом числа каскадов, пот. базы от каскада к каскаду становится более отр., поэтому Rэ необх-мо увеличивать, а Rк – уменьш. Это приводит к умен. коэф. усиления каскада с увеличением его номера. Поэтому и из-за темп. дрейфа получение больших Кu в однотактных УПТ затруднено.

,

Инвертирующие ОУ

о днотактные каскады

Характеристики

Тип файла
Документ
Размер
1,69 Mb
Тип материала
Высшее учебное заведение

Список файлов ответов (шпаргалок)

Свежие статьи
Популярно сейчас
Зачем заказывать выполнение своего задания, если оно уже было выполнено много много раз? Его можно просто купить или даже скачать бесплатно на СтудИзбе. Найдите нужный учебный материал у нас!
Ответы на популярные вопросы
Да! Наши авторы собирают и выкладывают те работы, которые сдаются в Вашем учебном заведении ежегодно и уже проверены преподавателями.
Да! У нас любой человек может выложить любую учебную работу и зарабатывать на её продажах! Но каждый учебный материал публикуется только после тщательной проверки администрацией.
Вернём деньги! А если быть более точными, то автору даётся немного времени на исправление, а если не исправит или выйдет время, то вернём деньги в полном объёме!
Да! На равне с готовыми студенческими работами у нас продаются услуги. Цены на услуги видны сразу, то есть Вам нужно только указать параметры и сразу можно оплачивать.
Отзывы студентов
Ставлю 10/10
Все нравится, очень удобный сайт, помогает в учебе. Кроме этого, можно заработать самому, выставляя готовые учебные материалы на продажу здесь. Рейтинги и отзывы на преподавателей очень помогают сориентироваться в начале нового семестра. Спасибо за такую функцию. Ставлю максимальную оценку.
Лучшая платформа для успешной сдачи сессии
Познакомился со СтудИзбой благодаря своему другу, очень нравится интерфейс, количество доступных файлов, цена, в общем, все прекрасно. Даже сам продаю какие-то свои работы.
Студизба ван лав ❤
Очень офигенный сайт для студентов. Много полезных учебных материалов. Пользуюсь студизбой с октября 2021 года. Серьёзных нареканий нет. Хотелось бы, что бы ввели подписочную модель и сделали материалы дешевле 300 рублей в рамках подписки бесплатными.
Отличный сайт
Лично меня всё устраивает - и покупка, и продажа; и цены, и возможность предпросмотра куска файла, и обилие бесплатных файлов (в подборках по авторам, читай, ВУЗам и факультетам). Есть определённые баги, но всё решаемо, да и администраторы реагируют в течение суток.
Маленький отзыв о большом помощнике!
Студизба спасает в те моменты, когда сроки горят, а работ накопилось достаточно. Довольно удобный сайт с простой навигацией и огромным количеством материалов.
Студ. Изба как крупнейший сборник работ для студентов
Тут дофига бывает всего полезного. Печально, что бывают предметы по которым даже одного бесплатного решения нет, но это скорее вопрос к студентам. В остальном всё здорово.
Спасательный островок
Если уже не успеваешь разобраться или застрял на каком-то задание поможет тебе быстро и недорого решить твою проблему.
Всё и так отлично
Всё очень удобно. Особенно круто, что есть система бонусов и можно выводить остатки денег. Очень много качественных бесплатных файлов.
Отзыв о системе "Студизба"
Отличная платформа для распространения работ, востребованных студентами. Хорошо налаженная и качественная работа сайта, огромная база заданий и аудитория.
Отличный помощник
Отличный сайт с кучей полезных файлов, позволяющий найти много методичек / учебников / отзывов о вузах и преподователях.
Отлично помогает студентам в любой момент для решения трудных и незамедлительных задач
Хотелось бы больше конкретной информации о преподавателях. А так в принципе хороший сайт, всегда им пользуюсь и ни разу не было желания прекратить. Хороший сайт для помощи студентам, удобный и приятный интерфейс. Из недостатков можно выделить только отсутствия небольшого количества файлов.
Спасибо за шикарный сайт
Великолепный сайт на котором студент за не большие деньги может найти помощь с дз, проектами курсовыми, лабораторными, а также узнать отзывы на преподавателей и бесплатно скачать пособия.
Популярные преподаватели
Добавляйте материалы
и зарабатывайте!
Продажи идут автоматически
7041
Авторов
на СтудИзбе
260
Средний доход
с одного платного файла
Обучение Подробнее