Транзистор в ключевом режиме (1075432)
Текст из файла
xxxx стр. 5 2.7.2019
Министерство образования Российской Федерации
Московский государственный технический университет
им. Н.Э.Баумана
__________________________________________________________________________
ЛАБОРАТОРНЫЙ ПРАКТИКУМ ПО КУРСУ
”Электроника и микропроцессорная техника”
(часть 1)
для студентов - факультета БМТ
ТРАНЗИСТОР
В КЛЮЧЕВОМ РЕЖИМЕ
Созинов Б.Л.
Кафедра РАДИОЭЛЕКТРОННЫЕ СИСТЕМЫ И УСТРОЙСТВА
_____________________________________________________________________
Москва 2005 год
-
Рассчитать параметры ключевой схемы на транзисторе, для которого проведено моделирование статических вольтамперных характеристик.
В качестве исходных данных принять, что напряжение питания ключевой схемы равно V1=1/2*Ukemax, максимальный ток коллектора в режиме насыщения Inas=1/2*Ikmax, напряжение смещения V2=2 B, амплитуда импульсного напряжения (V3), при котором транзистор находится на границе активного режима - режима насыщения, равна Um=5 B.
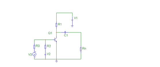
Р
ис. 1. Принципиальная схема ключевой схемы.
Оценить времена переключения транзистора при амплитудах импульсного напряжения 5 – 25 В.
Для расчета схемы используйте файлы KL-BT.doc и KL-BT.mcd.
.
-
Набрать ключевую схему на рабочем поле МС7 на заданном типе биполярного транзистора в заданном режиме работы.
Для исследования переходных характеристик электронных схем анализируют реакция выходного напряжения при импульсном входном напряжении прямоугольной формы. Таким сигналом на входе в среде МС6 служит источник импульсного напряжения Pulse source, параметрами которого являются:
VZERO – начальное значение [B], (по умолчанию – 0);
VONE – максимальное значение [B], (по умолчанию – 5);
Р1 – начало переднего фронта [c], (по умолчанию – 10-7);
Р2 – начало плоской вершины [c], (по умолчанию – 1.1*10-7);
Р3 – конец плоской вершины [c], (по умолчанию – 5*10-7);
Р4 – момент достижения уровня VZERO [c], (по умолчанию – 5.1*10-7);
Р5 – период повторения [c], (по умолчанию – 10-6).
Все параметры модели импульсного напряжения могут корректироваться в появляющемся окне заказов параметров (графа Edit) при вызове источника на рабочее поле. Первоначально при составлении ключевой схемы параметры источника импульсного напряжения могут быть использованы по умолчанию.
-
Просмотреть осциллограмму выходного напряжения UКЭ(t) ключевой схемы для заданных по умолчанию параметров источника импульсного напряжения.
Для исследования переходных процессов в МС6 используют в меню Analysis режим Transient (анализ переходных процессов). При вызове данного режима появляется окно заданий параметров моделирования, в котором следует указать:
в строке Time Range – длительность интервала времени анализа (1.5u), которая должна соответствовать параметрам входного импульсного сигнала;
в графе Operating Point указать на необходимость перед расчетом переходных процессов выполнить расчет по постоянному току, а в нижней части окна указать имена переменных, графики которых необходимо построить (по оси Y на одном графике - форму входного источника импульсного напряжения, на другом – напряжение на коллекторе, по оси Х обоих графиков – время Т);
указать автоматический выбор масштабов графика, для чего курсором пометить панель Auto Scale Ranges.
После заполнения окна параметров дается команда на выполнение моделирования (Run или горячая клавиша F2).
По полученной осциллограмме напряжения UКЭ(t) следует определить в каком режиме работает транзистор при входной амплитуде Um=5 B. и заканчиваются ли переходные процессы при заданной по умолчанию длительности входного импульсного напряжения. Рекомендуется для исследования переходных процессов ключевой схемы подавать на ее вход прямоугольный импульс длительностью tимп равной (3-5) длительности переднего фронта н выходного напряжения UКЭ при работе транзистора в активном режиме. За длительность фронта принимается время, в течение которого выходное напряжение изменяется до уровня 0.9 амплитудного значения. Отличительной чертой работы ключевой схемы является то, что амплитуда выходного напряжения UКЭ.m меньше напряжения источника питания выходной цепи V1.
Выбор длительности интервала времени анализа переходных процессов должен позволить оценить времена переходных процессов как на переднем, так и на заднем фронте входного импульсного управляющего сигнала (время анализа желательно выбрать приблизительно 1.5* tимп).
-
Определить амплитуду входного импульсного напряжения Um.нас, при которой транзистор в открытом состоянии находится на границе активного режима и режима насыщения.
Отличительной чертой данного режима работы транзистора является плавное изменение выходного напряжения UКЭ(t) на переднем фронте при максимальной амплитуде. Для определения Um.нас рекомендуется воспользоваться режимом многовариантного анализа (Stepping..), задаваясь различные амплитуды входного напряжения. Для этого в окне параметров анализа переходных процессов необходимо курсором указать на панель Stepping. В появившемся окне заданий параметров многовариантного анализа указать в строке Step What переменную, для которой проводится многовариантный анализ (источник импульсного напряжения V3), рядом в строке изменяющийся параметр источника (Vone – амплитуда импульса), в строке From – начальное значение амплитуды, в строке To – значение амплитуды, в строке Step Value –шаг изменения амплитуды. В нижней части окна курсором включить многовариантный анализ (Step It – Yes), выбрать Method изменения переменной Linear и Parameter Type – Component. После заполнения окна параметров многовариантного анализа курсором закрывается окно (Ok) и запускается программа вычислений (пиктограмма – темный треугольник или F2). Из полученной серии осциллограмм выходного напряжения выбирается такая, когда амплитуда максимальна и переходной процесс на переднем фронте плавный (без излома). Соответствующее данной осциллограмме входное импульсное напряжения принимается за напряжение насыщения Um.нас. Результаты данного многовариантного анализа заносятся в свой рабочий файл (Word).
-
Получить осциллограммы токов и напряжений в ключевой схеме при амплитуде входного импульсного напряжения Um*=2* Um.нас.
Первоначально следует отказаться от режима многовариантного анализа (в окне заданий параметров многовариантного анализа Stepping в графе Step It курсором указать No) и у импульсного источника поменять параметр Vone на величину Um*. Для этого следует подвести курсор на схеме к изображению импульсного источника и щелкнуть левой мышкой. В появившемся окне заданий параметров импульсного источника следует отредактировать параметр Vone.
Далее следует обратиться к режиму анализа переходных процессов (Transient), и получить осциллограммы для тока базы IБ(t) и тока коллектора IК(t), напряжений между базой и эмиттером UБЭ(t) и коллектором и эмиттером UКЭ(t) при одновременной регистрацией входного импульсного сигнала. Результаты сохранить в рабочем файле (Word).
-
Измерить времена переходных процессов в ключевой схеме в зависимости от степени насыщения N транзистора.
Изменения времен переходных процессов можно проводить как по осциллограммам выходного напряжения, так и по осциллограммам тока коллектора (авторское право), используя режим многовариантного анализа. В этом режиме заказать минимальную входную амплитуду импульсного напряжения - Um.нас, а максимальную – 5* Um.нас с шагом изменения 0.5* Um.нас. При измерения принять:
за длительность задержки tзд - время от переднего фронта входного импульсного напряжения до момента времени, когда выходное напряжение уменьшается по величине на 10%;
за длительность нарастания переднего фронта tнс – время, в течение которого выходное напряжение изменяется от уровня 0.9*UКЭ.max до уровня 0.1* UКЭ.max (UКЭ.max – напряжение в отсутствии входного импульсного напряжения);
за длительность рассасывания tрас – время от заднего фронта входного импульсного напряжения до момента времени, когда выходное напряжение увеличивается до уровня 0.1* UКЭ.max;
за длительность спада tсп заднего фронта выходного напряжения – время, в течение которого напряжение на выходе нарастает от уровня 0.1* UКЭ.max до уровня 0.9* UКЭ.max.
В целях удобства регистрации всех времен переходных процессов следует строить осциллограммы входного и выходного напряжений на одном графике, на котором также желательно показать постоянные уровни (0.1* UКЭ.max и 0.9* UКЭ.max), относительно которых происходит измерения времен. Измерения переходных процессов рекомендуется проводить в два этапа: измерить время запаздывания и время нарастания (процессы, происходящие на переднем фронте) и измерить время рассасывания и время спада (процессы, происходящие на заднем фронте). Для увеличения точности измерений следует использовать вывод на весь экран части графика, предварительно заключенного в рамку (Scale –F7), и данные по измерениям получать в режиме электронного курсора (Cursor – F8). Результаты всех измерений занести в рабочий файл (Word) для построения в ручную графиков или воспользоваться «услугами» Мathcad. В последнем случае на экране открываются одновременно МС6 и Мathcad. В Mathcad открывается матрица с пятью столбцами ( Um, tзд, tнс, tрас, tсп ) и 10 строками (количество входных амплитуд), элементы которой заполняются в ходе проведения измерений в среде МС6.
-
По результатам измерений построить зависимости длительностей переходных процессов на каждом этапе, а также времени переключения ключевой схемы tпер = tзд + tнс + tрас+ tсп от степени насыщения N транзистора.
-
Оформить отчет по установленной форме.
Характеристики
Тип файла документ
Документы такого типа открываются такими программами, как Microsoft Office Word на компьютерах Windows, Apple Pages на компьютерах Mac, Open Office - бесплатная альтернатива на различных платформах, в том числе Linux. Наиболее простым и современным решением будут Google документы, так как открываются онлайн без скачивания прямо в браузере на любой платформе. Существуют российские качественные аналоги, например от Яндекса.
Будьте внимательны на мобильных устройствах, так как там используются упрощённый функционал даже в официальном приложении от Microsoft, поэтому для просмотра скачивайте PDF-версию. А если нужно редактировать файл, то используйте оригинальный файл.
Файлы такого типа обычно разбиты на страницы, а текст может быть форматированным (жирный, курсив, выбор шрифта, таблицы и т.п.), а также в него можно добавлять изображения. Формат идеально подходит для рефератов, докладов и РПЗ курсовых проектов, которые необходимо распечатать. Кстати перед печатью также сохраняйте файл в PDF, так как принтер может начудить со шрифтами.
















