Исследование дешифраторов (МУ к ЛР №2) (1075394)
Текст из файла
Лабораторная работа № I.
ИССЛЕДОВАНИЕ ДЕШИФРАТОРОВ
Цель работы: изучение принципов построения и методов синтеза дешифраторов; макетирование и экспериментальное исследование дешифраторов.
В процессе самостоятельной подготовки к работе необходимо ознакомиться с теоретическими сведениями и подготовить по каждому пункту раздела "Задание и порядок выполнения работы" расчетные и теоретические материалы, выполнить синтез десятичного дешифратора и составить схемы исследуемых дешифраторов. Перед началом работы необходимо предъявить преподавателю рабочие материалы для их проверки и обсуждения. После выполнения работы каждый студент обязан представить преподавателю аккуратно оформленный отчёт.
Продолжительность работы - 4 ч.
Теоретические сведения
Дешифратором называется комбинационный узел, преобразующий каждый набор двоичных входных сигналов в информационный сигнал на выходе, соответствующем этому набору.
Число выходов дешифратора равно числу разрешенных наборов входных сигналов. В дешифраторе с п входами и К выходами K 2n.
Дешифратор, имеющий 2n выхода, называется полным, при . меньшем числе выходов - неполным.
Наборам двоичных входных сигналов дешифратора можно поставить в соответствие n-разрядные двоичные числа. Если входы дешифратора обозначить буквами
, то информационный сигнал появляется на том выходе, у которого значение индекса j (т.е. номер выхода) равно двоичному числу, образованному набором входных сигналов. Таким образом, дешифратор преобразует поданный на его входы код числа с выдачей информационного сигнала на один из выходов.
В ЭВМ дешифраторы применяются: для преобразования кодов операций в управляющие сигналы, адресов ячеек памяти - в сигналы выборки ячеек при записи и считывании информации из них; для переключения каналов в многоканальных коммутаторах электрических сигналов и т.д.
Функционирование дешифратора описывается системой логических функций:
где
Ai (i=0,1,2,…n-1) - входные переменные (сигналы);
Fj (j=0,1,2,…kn – 1)- выходы дешифратора.
Основными параметрами дешифраторов являются:
а) число входов и выходов;
б) входные и выходные токи и напряжения лог. 0 и 1:
в) коэффициент разветвления по выходу Краз;
г) напряжение помехи статической Uп.ст.
д) потребляемая мощность Рпот (или ток Iпот);
е) время задержки распространения сигнала при включении и выключении, характеризующее быстродействие дешифратора.
Параметры дешифратора (см. пункты "б", "в", "г") определяются аналогичными параметрами логических элементов, на которых они строятся.
Быстродействие и потребляемая мощность зависят как от используемой элементной базы. Так и от способа построения схемы дешифратора. Существуют три основных способа построения дешифраторов: линейный, пирамидальный, ступенчатый. Линейный дешифратор строится непосредственно в соответствии с системой функций (I) и состоит из 2n конъюнкторов с n. входами каждый.
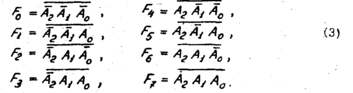
Для п= 3 система функций (I) имеет следующий вид:
Функционирование дешифратора поясняется табл. I.
Таблица I
| Входы | Выходы | ||||||||||
| A2 | A1 | A0 | F0 | F1 | F2 | F3 | F4 | F5 | F6 | F7 | |
| 0 | 0 | 0 | 0 | 0 | 0 | 0 | 0 | 0 | 0 | 0 | |
| 0 | 0 | 1 | 0 | 1 | 0 | 0 | 0 | 0 | 0 | 0 | |
| 0 | 1 | 0 | 0 | 0 | 1 | 0 | 0 | 0 | 0 | 0 | |
| 0 | 1 | 1 | 0 | 0 | 0 | 1 | 0 | 0 | 0 | 0 | |
| 1 | 0 | 0 | 0 | 0 | 0 | 0 | 1 | 0 | 0 | 0 | |
| 1 | 0 | 1 | 0 | 0 | 0 | 0 | 0 | 1 | 0 | 0 | |
| 1 | 1 | 0 | 0 | 0 | 0 | 0 | 0 | 0 | 1 | 0 | |
| 1 | 1 | 1 | 0 | 0 | 0 | 0 | 0 | 0 | 0 | 1 | |
Электрическая функциональная схема и условное графическое изображение дешифратора приведены соответственно на рис. I и 2. Назначение Е -входа будет пояснено далее. В данном дешифраторе каждый набор входных сигналов преобразуется в сигнал на соответствующем выходе. При этом на остальных выходах действуют сигналы 0. Такой дешифратор называется дешифратором с прямыми выходами.
При построении дешифратора на элементах И - НЕ реализуется система Функций:
Такой дешифратор называется дешифратором с инверсными выходами. Его условное обозначение приведено на рис. 3.
Время задержки распространения сигнала в линейном дешифраторе равно времени задержки распространения сигнала в цепи последовательно включенных элемента И (И - НЕ) и инверторе.
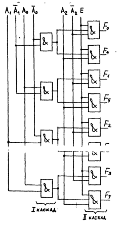
Пирамидальный дешифратор. Строится на основе последовательной (каскадной) реализации выходных Функций.
На первом этапе реализуются конъюнкции двух переменных:
Н
а втором .. все конъюнкции трех переменных путем логического умножения каждой ранее полученной конъюнкции двух переменных на переменную :На третьем этапе каждую из полученных выше конъюнкций трепе переменных умножают на
и т.д. Таким образом, на каждом следующем этапе получают вдвое больше конъюнкций, чем на предыдущем.
Пирамидальные дешифраторы независимо от числа их входов строятся на основе только 'двухвходовых кокьюнеторов. Величина коэффициента разветвления коньюнкторов по выходу равна двум.
Функциональная схема пирамидального дешифратора для n=3 приведена на рис. 4.
Для построения пирамидального дешифратора на n входов требуется 2(2n-2) двухвходовых конъюнкторов. Число последовательно включенных элементов равно ( п - I). Так как время задержки распространения сигнала в дешифраторе в ( п. - 1 ) раз больше времени задержки распространения сигнала в коньюнкторе, быстродействие такого дешифратора оказывается низким при n1. Поэтому в настоящее время такие дешифраторы находят ограниченное применение.
Ступенчатый дешифратор строится на основе двух дешифраторов на m и ( n-m ) входов и 2n двухвходовых коньюнкторов. Если n - четное, то m=n/2, при нечетном n величины m и (n-m) отличаются на единицу:
Рис. 3
Рис.1
Рис. 2,
Рис.4
Электрическая функциональная схема двухступенчатого дешифратора приведена на рис. 5.
Рис. 5
При большом числе входов n, ступенчатые дешифраторы имеют существенно меньшие аппаратурные затраты, чем линейные и пирамидальные.
Устранеиие гонок в дешифраторах. Вследствие переходных процессов и временных задержек сигналов в цепях логических элементов могут возникнуть так называемые гонки (состязания), приводящие к появлению ложных сигналов на выходах схемы. Основным средством, позволяющим исключить гонки, является стробирование (выделение из информационного сигнала той части, догорая свободна от искажений, вызываемых гонками). На рис. 4 показан стробирующий вход Е . Стробирующий сигнал на этом входе не должен действовать во время переходных процессов в дешифраторе. Функционирование дешифратора со стробированием определяется системой логических функций:
Дешифраторы различных серий интегральных микросхем (ИМС), как правило, имеют несколько входов стробирования; сигналы на этих входах внутри схемы объединены логической Функцией. Например, в ИМС К155ИД4 два входа объединены коньюнктивно:
Стробируииий вход используется также для наращивания дешифратора. На рис. б приведена схема ступенчатого дешифратора с двумя Е -входами. При этом один стробирующий вход используется для наращивания дешифратора, а второй - для стробирования выходной ступени. При увеличении числа входов на единицу получим схему, показанную на рис. 7.
ИМС К155ЦЦ4 - сдвоенный дешифратор с общими адресными входами А0 , A1 . Первый дешифратор имеет прямой Е1 и инверсный Е2, стробируюшие входа, второй - два инверсных входа Е3 и Е4.
Характеристики
Тип файла документ
Документы такого типа открываются такими программами, как Microsoft Office Word на компьютерах Windows, Apple Pages на компьютерах Mac, Open Office - бесплатная альтернатива на различных платформах, в том числе Linux. Наиболее простым и современным решением будут Google документы, так как открываются онлайн без скачивания прямо в браузере на любой платформе. Существуют российские качественные аналоги, например от Яндекса.
Будьте внимательны на мобильных устройствах, так как там используются упрощённый функционал даже в официальном приложении от Microsoft, поэтому для просмотра скачивайте PDF-версию. А если нужно редактировать файл, то используйте оригинальный файл.
Файлы такого типа обычно разбиты на страницы, а текст может быть форматированным (жирный, курсив, выбор шрифта, таблицы и т.п.), а также в него можно добавлять изображения. Формат идеально подходит для рефератов, докладов и РПЗ курсовых проектов, которые необходимо распечатать. Кстати перед печатью также сохраняйте файл в PDF, так как принтер может начудить со шрифтами.
















