Исследование дешифраторов (МУ к ЛР №2) (1075394), страница 2
Текст из файла (страница 2)
Рис. 6
При наращивании дешифратора объединенные входы Е1 и Е3 являются адресным входом А2 , а объединенные стробирующие входы Е2 и Е4 - входом стробирования (рис. 8).Дешифратор демультиплексор. Стробируемый дешифратор может выполнять функцию демультиплексирования, т.е. передавать сигналы (поступающие на стробирующий вход) на выход, номер которого задается входными сигналами. Поэтому Аi -сигналы и входы, на которые они поступают, называются также адресными.
Рис. 8
Рис. 7
Дешифраторы двоично-десятичных кодов
Ф
ункционирование дешифратора двоично-десятичного кода (Д-кода) с весами 8-4-2-1 определяется системой логических функций:
Дешифратор имеет 4 входа и 10 выходов, т.е. является неполным. Неиспользуемые, т.е. запрещенные наборы входных сигналов используются для минимизации системы функций (5). В качестве примера на рис. 9 и 10 приведены карты Вейча, на которые соответственно нанесены функции F5, F8 . Знаками "х" отмечены клетки неиспользуемых наборов переменных: А0,, А1, А2, А3. Минимизируя функции F5 и F6 с учетом неиспользуемых наборов переменных. получим:
А
налогично можно получить все выходные функции:
К
аждый вид Д-кода имеет свои неиспользуемые наборы входных переменных. Кодирование десятичных цифр в различных Д-кодах поясняет табл. 2.
Таблица 2
| № п/п | Двоично-десятичный код | Десятичные номера двоичных наборов последовательных десятичных цифр в данном Д-коде |
| I | 842I+3 | 3. 4, 5, 6, 7, 8, 9, 10, 11, 12 |
| 2 | 3321 | 0,1, 2, 3, 5, 10. 12, 13, 14. 15 |
| 3 | 5211 | 0, I, 4. 5, 7, 8, 10, 12, 14, 15 |
| 4 | 6421 | 0, I, 2, 3, 4, 5, 8, 9, 10, II |
| 5 | 7421 | 0, I, 2, 3, 4, 5, 6, 8, 9, 10 |
| 6 | 4221 | 0, I, 2, 3, 6, 9, 12, 13, 14, 15 |
| 7 | 8421+3 | 5, 6, 7, 8, 9. 10, II, 12, 13, 14 |
| 8 | 5421 | 0, I, 2, 3, 4, 8, 9, 10, II. 12 |
| 9 | 6311 | 0, I. 3, 4, 5, 7, 8, 10, II, 12 |
| 10 | 732I | 0, I, 2, 4, 5, 6, 7, 8, 9, I0 |
| II | 4421 | 0. I, 2, 3, 4, 5, 6, 7. 12, 13 |
| 12 | 5121 | 0, I, 2, 3. 7, 8, 12, 13, 14, 15 |
| 13 | 6321 | 0, I, 2, 4, 5, 6, 8, 9. 10, 12 |
| 14 | 8421+2 | 2, 3, 4, 5, 6, 7, 8, 9, 10, II |
| 15 | 4311 | 0, I, 3, 4, 5, 7. II, 12, 13, 15 |
| 16 | 5321 | 0, I, 2, 3, 5, 6, 9, 10, 12, 13 |
| 17 | 6221 | 0, I, 2, 3, 6, 7, 8, 9, 10, Н |
| 18 | 4321 | 0, I, 2, 4, 5, 6, 10, II. 13, 14 |
| 19 | 5311 | 0, I, 3, 4, 5, 8, 9,11, 12, 13 |
| 20 | 842I+4 | 4, 5, 6, 7, 8, 9, 10, II, 12, 13 |
| 21 | 1512 | 0, 2, I, 3, II, 4, 12, 14, 13, 15 ,. |
| 22 | 2431 | 0, I, 8, 2, 3, 5, 12, 13, 7, I6 |
| 23 | 5221 | 0, I, 2. 3, 6, 7, 9, 10, II, 14, |
| 24 | 4621 | 0, I, 2, 3, 8, 9, 4, 5, 6. 7 |
| 25 | 2331 | 0, I, 8, 2, 3, 10, 6, 7. 14, 15 |
| 26 | 4271 | 0, I, 4, 5, 8, 9, 12, 13, 3, 6 |
| 27 | 1531 | 0, I, 9, 2, 3, 4, 5, 13, 6, 14 |
| 28 | 2621 | 0, I, 2, 3, 10, 11, 4, 5, 12, 13 |
| 29 | 3411 | 0, I, 3, 8, 9, 11 7, 12, 14, 15 |
| 30 | 2521 | 0, I, 2, 3, 10, - ,5, 12, 13. 14 |
| 31 | 2421 | 0, I, 2, 3, 4, 11, 12, 13, 14, 15 |
Задание и порядок выполнения работы
I. Исследование линейного двухвходового дешифратора с инверсными выходами:
а) собрать линейный стробируемый дешифратор на элементах ЗИ-НЕ; наборы входных сигналов A0 , А1, задать с выходов Q0 , Q1 четырехразрядного счетчика на JK-триггерах (рис.11); подключить световые индикаторы к выходам триггеров и дешифратора;
б) подать на вход счетчика сигнал с выхода генератора "Одиноч. имп."; изменяя состояние счетчика, составить таблицу истинности нестробируемого дешифратора (т.е. при W = 1 );
в) подать на вход счетчика сигналы СИ-1 " " снять временные диаграммы сигналов дешифратора;
г) определить амплитуду помех, вызванных гонками, на выходах дешифратора;
д) снять временные диаграммы сигналов стробируемого дешифратора; в качестве стробирующего сигнала использовать сигнал СИ-1 " ", задерганный линией задержки лабораторного макета УМ-11;
е) определить время задержки, необходимое для исключения помех на выходах дешифратора, вызванных гонками.
2. Исследование дешифратора двоично-десятичного кода:
а) составить таблицу истинности дешифратора Д-кода, номер которого в табл. 2 задается преподавателем;
б) провести синтез дешифратора Д-кода;
в) собрать линейный дешифратор Д-кода на элементах И-НЕ;
входные сигналы Аi и НЕ-Ai задать с вводов Qi и НЕ-Qi четырехразрядного счетчика на JK-триггерах (см. риc. 11);
г) подать на вход счетчика сигналы СИ-1 " __";
д) снять временные диаграммы сигналов дешифратора;
е) используя временные диаграммы входных и выходных сигналов, проверить соответствие работы дешифратора его таблице истинности.
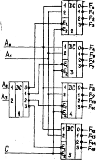
3. Исследование дешифраторов ИМС К155ВД4 (см. рис. 8):
а) снять временные диаграммы сигналов двухвходового дешифратора, подавая на его адресные входы сигналы Q0 и Q1 с выходов счетчика (см. рис. 11), а на стробирующие входы Е и S2 -импульсы СИ-1 " __ ", задержанные линией задержки макета;
б) определить время задержки стробирующего сигнала, необходимое для исключения помех на выходах дешифратора;
в) собрать схему трехвходового дешифратора на основе дешифратора К155ИД4 (см. рис. 8), задавая входные сигналы A0, A1, A2 c выходов Q0,, Q1,, Q2 счетчика (см. рис. 11); снять временные диаграммы сигналов дешифратора и составить по ней таблицу истинности.
4. Исследовать работоспособность дешифраторов ИМС 533ИД7. (рис. 12): . а) собрать стробируемый дешифратор на 4 входа на основе двух ИМС 533ВД7;
б) снять временные диаграммы сигналов дешифратора, подавая на его адресные входы сигналы Q0, Q1, Q2, Q3, и выходов счетчика (см. рис. II), а на стробирующий вход - импульсы СИ-1 "__", задержанные линией задержки макета.
5
. Составить отчет.Требования к отчету
Отчет должен содержать электрические функциональные схемы, таблицы истинности, временные диаграммы сигналов исследуемых дешифраторов, результаты измерений параметров выходных сигналов дешифраторов.
Контрольные вопросы
1. Что называется дешифратором?
2. Какой дешифратор называется полным (неполным)?
3. Определите закон функционирования дешифратора аналитически и таблично.
4. Поясните основные способы построения дешифраторов.
5. Что называется гонками, и как они устраняются?
6. Каковы способы наращивания дешифраторов по количеству входов и выходов и как они реализуются схемотехнически?
7. Объясните схему включения дешифратора-демультиплексора.
8. Поясните методику синтеза неполных дешифраторов.
ЛИТЕРАТУРА
-
Соловьев Г.Н., Кальнин Б.И., Рыбаков А.А. и др.
Цифровые вычислительные машины (элементы, узлы, устртройства).
- М.:.: Атом-издат, 1977.
-
Букреев И.Н., Мансуров Б.М., Горячев В.М.
Микроэлектронные схемы цифровых устройств.
- М.: Сов. радио, 1976.
-
Алексенко А.Г., Шагурин И.И.
Микросхемотехника.
- М.: Радио и связь, 1982.
















