Функциональные узлы (1067217), страница 7
Текст из файла (страница 7)
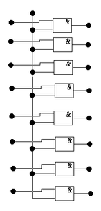
рис.12. Bit8Man. Восьми битный управляющий элемент.
Теперь, основываясь на нем и сделанным в первой части методического пособия сумматора, можно приступить к построению мультипликатора.
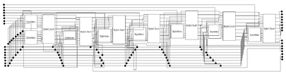
рис.13. ByteMult. Восьми битный мультипликатор.
Из схемы хорошо видно, что мультипликатор является очень массивным элементом и требует огромных затрат на производство. Так же существует проблема медленного распространения сигнала по этой цепи ввиду ее большой длины. Поэтому первые процессоры выполняли умножение в несколько тактов, ожидая пока сигнал полностью распространиться. В современных процессорах даже умножение чисел с плавающей точкой осуществляется в один такт!
-
Работа со знаковыми числами.
Теперь рассмотрим умножение целых чисел со знаком. Эта не такая тривиальная задача, кокой может показаться на первый взгляд. Связано ето с тем, что в машине отрицательные числа представляются в дополнительном коде. Дополнительный код очень удобен дня сложения знаковых чисел, но умножение чисел в дополнительном коде не всегда дает правильный результат. Поэтому для умножения чисел в дополнительном коде их сначало требуется перевести в прямой код.
Для начала напишем элемент, переводящий число в дополнительный код. При переводе чисел в дополнительный код, оно сначала инвертируется, а потом к нему прибавляется единица. Приведем элемент, выполняющий это действие, без пояснений в виду его простоты.
рис.14. ByteAInv. Конвертер в дополнительный код.
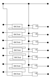
Для обратного преобразования потребуется вычесть единицу, после чего инвертировать число. Для этого нам сначала придется написать элемент для элементарного бинарного вычитания.
Табл. 4. Таблица истинности бинарного вычитателя.
рис.15. BitSub. Бинарное вычитание.
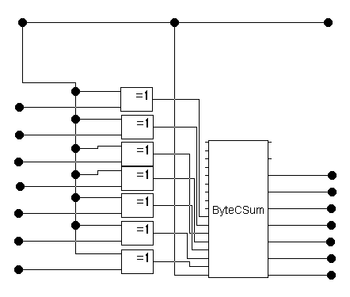
Рис.16. ByteDInv. Однобайтный инвертор впрямой код.
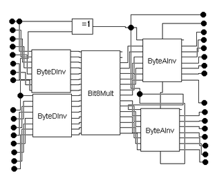
Результирующий знак произведения вычисляется как сумма по модулю 2 знаков множителей. В результате можем составить схему для знакового мультипликатора.
Рис.17. ByteSMul. Однобайтный знаковый мультипликатор.
приложение №1 основные логические и арифметические операции ,выполняемые АЛУ - 74181
СОДЕРЖАНИЕ
Работа №I Исследование дешифраторов ..................... 3
Работа № 2. Исследование регистров сдвига................. 15
Работа № 3. Исследование счетчиков ........................ 23
Литература................................................ 35
Приложение................................................ S3














