Функциональные узлы (1067217)
Текст из файла
Г
осударственный комитет РФ по высшему техническому образованию
М
осковский Государственный Технический Университет имени Н Э Баумана
В
ИССЛЕДОВАНИЕ ФУНКЦИОНАЛЬНЫХ
УЗЛОВ ЭВМ
Методические указания к лабораторным работам по курсу «Схемотехника ЭВМ»
Москва
2002 год
.Ф.ЖирковРабота * 1. ИССЛЕДОВАНИЕ ДЕШИФРАТОРОВ
Цель работы: изучение принципов построения и методов синтеза дешифраторов; макетирование и экспериментальное исследование дешифраторов.
В процессе самостоятельной подготовки к работе необходимо
ознакомиться с теоретическими сведениями и подготовить по каждому пункту раздела «Задание и порядок выполнения работы» рас-
четные и теоретические материалы, выполнить синтез десятичного
дешифратора и составить схемы исследуемых дешифраторов. Перед
началом работы необходимо предъявить преподавателю рабочие материалы для их проверки и обсуждения. После выполнения работы
каждый студент обязан представить преподавателю аккуратно оформленный отчет.
Продолжительность работы - 4 ч. ,
Теоретические сведения
Дешифратором называется комбинационный узел, преобразующий
каждой набор двоичных входных сигналов в информационный сигнал
на выходе, соответствующем этому набору.
Число выходов дешифратора равно числу разрешенных наборов
входных
сигналов. В дешифраторе с n входами и К выходами.
Дешифратор, имеющий
выхода, называется полным, при .
меньшем числе выходов - неполным.
Наборам двоичных входных сигналов дешифратора можно поставить в соответствие n -разрядные двоичные числа. Если выходы дешифратора обозначить буквами
, то информационный сигнал - появляется на том выходе, у которого значение индекса j (т.е. номер выхода) равно двоичному числу, образованному набором входных сигналов. Таким образом, дешифратор
преобразует поданный на его входы код числа с выдачей информационного сигнала на один из выходов.
В ЭВМ дешифраторы применяются: для преобразования кодов
операций в управляющие сигналы, адресов ячеек памяти - в сигналы выборки ячеек при записи и считывании информации на них;
для переключения каналов в многоканальных коммутаторах электрических сигналов и т.д.
Функционирование дешифратора описывается системой логических функций:
где
- входные переменные (сигналы);
Основными параметрами дешифраторов являются:
а) число входов и выходов;
б)входные и выходные токи и напряжения, лог. О и 1:
коэффициент разветвления по выходу
;
г) напряжение помехи статической
;
д) потребляемая мощность
(или ток
);
е) время задержки распространения сигнала при включении и
выключении, характеризующее быстродействие дешифратора.
Параметры дешифратора (ем. пункты «б», «в», «г») определяется аналогичными параметрами логических элементов, на которых
они строятся.
Быстродействие и потребляемая мощность зависят как от используемой элементной базы, так и от способа построения схемы
дешифратора. Существуют три основных способа построения дешифраторов: линейный, пирамидальный, ступенчатый. Линейный дешифратор строится непосредственно в соответствии с системой функций n (I) и состоит из 2 конъюнкторов с n входами каждый.
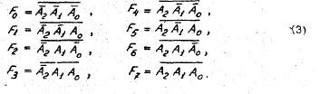
Для n * 3 система функций (I) имеет следующий вид:
•
Функционирование дешифратора поясняется табл. I.
Таблица I
Электрическая функциональная схема и условное графическое
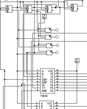
изображение дешифратора приведены соответственно на рис. I и 2.
Назначение E-входа будет пояснено далее. В данном дешифрато-
ре каждый набор входных сигналов преобразуется в сигнал I на
соответствующем выходе. При этом на остальных выходах действу-
ют сигналы 0. Такой дешифратор называется дешифратором с прямыми выходами.
При построении дешифратора на элементах И - НЕ реализуется
система функций:
Такой дешифратор называется дешифратором с инверсными вы-
ходами. Его условное обозначение приведено на рис. 3.
Время задержки распространения сигнала в линейном дешифраторе равно времени задержки распространения сигнала в цепи последовательно включенных: элемента И (И - НЕ) и инвертера.
Пирамидальный дешифратор. Строится на основе последовательной (каскадной) реализации выходных функций.
На первом этапе реализуются конъюнкции двух переменных:
На втором
- все конъюнкции трех переменных путем логического умножения каждой ранее полученной конъюнкции двух переменных на переменную
:
На третьем этапе каждую из полученных выше конъюнкций трех
переменных умножают на
и т.д. Таким образом, на
каждой следующем этапе получают вдвое больше конъюнкций, чем
на предыдущем.
Пирамидальные дешифраторы независимо от числа их входов
строятся на основе только двухвходовых конъюнкторов. Величина
коэффициента разветвления конъюнкторов по выходу равна двум.
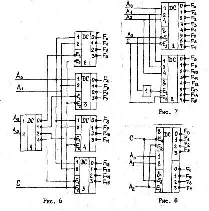
Функциональная схема пирамидального дешифратора для n=3
приведена на рис. 4.
Для построения пирамидального дешифратора на п входов
требуется
двухвходовых конъюнкторов. Число последовательно включенных элементов равно (n-1). Так как время задержки распространения сигнала в дешифраторе в (n-1) раз
больше времени задержки распространения сигнала в коныонкторе,
быстродействие такого дешифратора оказывается низким при
.
Поэтому в настоящее время такие дешифраторы находят ограниченное применение.
Ступенчатый дешифратор строится на основе двух дешифраторов на m и (n-m) входов и
двухвходовых конъюнкторов.
Если n- четное, то m=n/2 при нечётном n величины m и (n-m) отличаются на единицу:
M=(n+1)/2,n-m=(n-1)/2.
Электрическая функциональная схема двухступенчатого дешифратора приведена на рис. 5.
При большом числе входов n ступенчатые дешифраторы имеют
существенно меньшие аппаратурные затраты, чем линейные и пирамидальные.
Устранение гонок в дешифраторах. Вследствие переходных про-
цессов и временных задержек сигналов в цепях логических элементов могут возникнуть так называемые гонки (состязания), приводящие к появлению ложных сигналов на выходах схемы. Основным
средством, позволяющим исключить гонки, является стробирование
(выделение из информационного сигнала той части, которая свободна от искажений, вызываемых гонками). На рис. 4 показан стробирующий вход Е. Стробирующийий сигнал на этом входе не должен
действовать во время переходных процессов в дешифраторе. Функционирование дешифратора со стробированием определяется системой логических функций:
Дешифраторы различных серий интегральных микросхем (ИМС), как
правило, имеют несколько входов опробирования; сигналы на этих
входах внутри схемы объединены логической функцией. Например,
в ИМС K166ИД4 два входа объединены конъюнктивно:
Стробирующий вход используется также для наращивания де-
шифратора < На рис. 6 приведена схема ступенчатого дешифратора
с двумя -входами. При этом один Стробирующий вход используется для наращивания дешифратора, а второй - для стробирования
выходной ступени. При увеличении числа входов на единицу получим
схему, показанную на рис. 7.
ИМС К155ИД4 - сдвоенный дешифратор с общими адресными входами
. Первый дешифратор имеет прямой
л инверсный
стробируюшие входы, второй - два инверсных входа
и
При наращивании дешифратора объединенные входы
и
являются адресным входом
, а объединенные стробирующие входы
и
- входом стробирования (рис. в).
Дешифратор-демультиплексор.
Стробируемый дешифратор может
выполнять функцию демультиплексирования, т.е. передавать сигна-
лы (поступающие на стробируший вход) на выход, Номер которого
задается входными сигналами. Поэтому
-сигналы и входы, на
которые они поступают, называются также адресными.
Дешифраторы двоично-десятичных кодов.
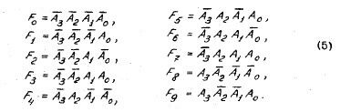
Функционирование дешифратора двоично-десятичного кода (Д-хода) с весами разрядов
8 - 4 - 2 - 1 определяется системой логических функций:
Дешифратор имеет 4 входа и 10 выходов, т.е. является не-
полным. Неиспользуемые, т.е. запрещенные, наборы входных сигналов используются для минимизации системы функций (5). В качестве примера на рис. 9 и 10 приведены карты Вейча, на которых
соответственно отражены функции
и
Знаками «х» отмечены клетки неиспользуемых наборов переменных
. Минимизируя функции
и
с учетом неиспользуемых наборов переменных, получим:
,
Аналогично можно получить все выходные функции:
Каждый вид Д-кода имеет свои неиспользуемые наборы входных переменных. Кодирование десятичных цифр в различных Д-кодах
поясняет табл. 2.
Таблица 2
Задание и порядок выполнения работы
1. Исследование линейного двухвходового дешифратора с
инверсными выходами:
а) .собрать линейный стробируемый дешифратор на элементах
ЗИ - НЕ; наборы входных сигналов
задать с выходов
четырехразрядного счетчика на JK-триггерах ( см.
рис. И, а,б); подключить световые индикаторы к выходам триггеров и дешифратора;
б)подать на вход счетчика сигнал с выхода генератора
ОДИНОЧН.ИМП; изменяя состояние счетчика, составить таблицу
-истинности нестробируемого дешифратора (т.е. при E=1);
Характеристики
Тип файла документ
Документы такого типа открываются такими программами, как Microsoft Office Word на компьютерах Windows, Apple Pages на компьютерах Mac, Open Office - бесплатная альтернатива на различных платформах, в том числе Linux. Наиболее простым и современным решением будут Google документы, так как открываются онлайн без скачивания прямо в браузере на любой платформе. Существуют российские качественные аналоги, например от Яндекса.
Будьте внимательны на мобильных устройствах, так как там используются упрощённый функционал даже в официальном приложении от Microsoft, поэтому для просмотра скачивайте PDF-версию. А если нужно редактировать файл, то используйте оригинальный файл.
Файлы такого типа обычно разбиты на страницы, а текст может быть форматированным (жирный, курсив, выбор шрифта, таблицы и т.п.), а также в него можно добавлять изображения. Формат идеально подходит для рефератов, докладов и РПЗ курсовых проектов, которые необходимо распечатать. Кстати перед печатью также сохраняйте файл в PDF, так как принтер может начудить со шрифтами.















