Функциональные узлы (1067217), страница 5
Текст из файла (страница 5)
4. Собрать десятичный счетчик, используя элементную базу учебного макета. Установить счетчик в начальное состояние, подав на установочные входы
нулевой потенциал. Проверить работу счетчика от одиночных импульсов. Подать на вход счетчика импульсы с выхода генератора. С помощью осциллографа просмотреть диаграммы сигналов на вxодах счетчика и зарисовать их. Показать преподававателю работу отлаженной схемы на экране осциллографа. Измерить время установления синхронного счетчика.
5. Составить отчет.
Требования к отчету
Отчёт должен содержать электрические функциональные схемы исследуемых счетчиков, временные диаграммы сигналов счетчиков, материалы по синтезу двоично-десятичного счетчика, результаты
измерений.
Контрольные вопросы
1. Что называется счетчиком?
2. Что называется коэффициентом пересчета?
3. Перечислить основные классификационные признаки счетчиков.
4. Указать основные параметры счетчиков.
5. Что такое время установки кода счетчика?
6. Объяснить работу асинхронного счетчика с последовательным переносом, оценить его быстродействие. •
7. Объяснить работу счетчика со сквозным переносом, оценить его быстродействие.
8. Объяснить работу синхронного счетчика с параллельным переносом, оценить его быстродействие.
9. Объяснить методику синтеза синхронных счетчиков на двухступенчатых JK-триггерах.
Литература
1. Соловьев Т.Н., Кальвин Б.И., Рыбаков АД. и др. Цифровые вычислительные машины {элемента, узлы, устройства). - II.: Атом-издат, 1977.
2. Букреев И.Н., Мансуров Б.М., Горячев В.М. микроэлектронные схемы цифровых устройств. - М.: Сов, радио, 1976.
3. Алексенко А.Г., Шагурин И.И. Микросхемотехника. - М.: Радио и связь, 1982.
Сумматоры
1. Одноразрядный сумматор.
Сумматоры являются основными компонентами множества комбинационных схем и цифровых автоматов.
Назначение сумматора следует из его названия – сложение чисел. Для каждого вида чисел есть свои разновидности сумматоров – сумматоры чисел со знаком и без, с фиксированной и с плавающей точкой.
В данной методичке будем рассматривать только числа с фиксированной точкой.
По способу представления и обработки данных, сумматоры подразделяются на:
-
последовательные, в которых обработка данных ведётся поочерёдно, разряд за разрядом на одном и том же оборудовании;
-
параллельные, в которых слагаемые складываются одновременно по всем разрядам, и для каждого разряда имеется своё оборудование.
Несмотря на то, что последовательные сумматоры строятся на сравнительно малом наборе логических элементов, которые используются в цикле, их практическое применение возможно только в устройствах, не критичных к быстродействию. Это связано с тем, что число проходов цикла (тактов) пропорционально количеству разрядов, а для корректной работы запоминающих элементов (триггеров) внутри сумматора требуется достаточно сложная организация синхросигналов.
Как видно на рис.1, основная проблема последовательного сумматора в сложности организации одновременности подачи значений текущих разрядов и значения переноса с более младшего разряда.
Рис. 1. Примерная схема последовательного сумматора.
По способу получения входных данных сумматоры бывают
- накапливающие (S:=S+A),
- комбинационные (S:=A+B).
Но первый тип отличается от второго только наличием внутреннего регистра памяти, к которому постоянно добавляется входное число (и есть набор управляющих сигналов: получение результата, обнуление регистра, …)
Рассмотрим возможную организацию структуры комбинационного параллельного сумматора (ПС).
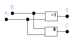
1.1. Однобитный полусумматор (Half-Summator).
Рис. 2. A+B=C*10+S, S и С – 1 и 2 биты результата.
При построении полусумматора использовались логические элементы:
-
И – для флага переноса
-
Исключающее ИЛИ (XOR или Сумма по модулю 2) – для значения суммы.
Таб. 1. Таблица истинности полусумматора
Рис. 3. Возможные варианты построения XOR в базисе из наиболее простых ТТЛ-ключей.
Докажем справедливость этих формул:
Рис. 4. Функциональное обозначение одноразрядного полусумматора.
Для построения многоразрядного сумматора одноразрядный полусумматор не применим, так как в нем нельзя учитывать перенос с предыдущего разряда.
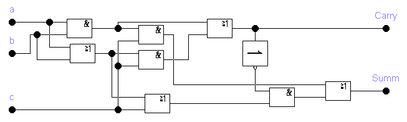
Поэтому для построения каскадных многоразрядных сумматоров используют полный однобитный сумматор, у которого есть дополнительный carry-вход по сравнению с полусумматором.
1.2. Полный однобитный сумматор (Full-Summator)
| a | b | c | C | S | |||||||||||||||
| 0 | 0 | 0 | 0 | 0 | |||||||||||||||
| 0 | 0 | 1 | 0 | 1
| |||||||||||||||
| 0 | 1 | 0 | 0 | 1 | |||||||||||||||
| 0 | 1 | 1 | 1 | 0 | |||||||||||||||
| 1 | 0 | 0 | 0 | 1 | |||||||||||||||
| 1 | 0 | 1 | 1 | 0 | |||||||||||||||
| 1 | 1 | 0 | 1 | 0 | |||||||||||||||
| 1 | 1 | 1 | 1 | 1 |
Таб. 2. Таблица истинности полного сумматора и карта Карно для функции переноса.
Что касается функции S, то можно заметить следующий факт – она (как и перенос) – самодвойственная, т.е.
, что позволяет вычислять только половину значений из таблицы истинности, а остальные – применяя эту формулу.
Таким образом, если с=0, то
, а если с=1, то
, т.е.
(так как из курса дискретной математики известно, что
). Порядок слагаемых не влияет на результат, поэтому
.
Рис. 5. Полный двоичный сумматор, реализованный на двух полусумматорах.
Но это не единственная схема, придуманная за все время существования схемотехники. в частности, наш отечественный учёный Вайнштейн доказал, что при использовании только одного инвертора нельзя реализовать полный одноразрядный сумматор со сложностью PКВ<16, а при двух инверторах – PКВ<14, где PКВ – вес по Квайну, используемый как оценка сложности любых комбинационных схем.
– это общее число всех логических входов всех логических элементов схемы без учёта инверторов.
Приведем оба “коротких” примера:
-
PКВ=14
Для данного случая воспользуемся формулой
и схемой на рис. 4.
-
PКВ=16
Для данного случая воспользуемся некоторой хитростью – представим S, как функцию не только от a, b и c, но и от С, где
- функция переноса. Запишем карту Карно для “новой” функции S, ставя “-” в тех случаях, в которых значение S не определено, например, когда a=b=c=0, а C=1.
| ab \ cC | 00 | 01 | 11 | 10 |
| 00 | - | - | 1 | |
| 01 | 1 | - | - | |
| 11 | - | 1 | - | |
| 10 | 1 | - | - |
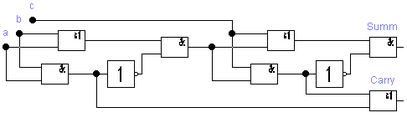
2. Многоразрядный сумматор.
Теперь можно приступить к построению многоразрядного сумматора. Будем использовать для построения каскадные ( индукционные ) схемы, т.е. схемы, где 2n битный сумматор строится из 2n-1 битного. Для построение 2n-битного сумматора его младшие с 0 по 2n-1-1 складываются 1-м 2n-1-битным сумматором, а старшие биты с 2n по 2n-1 складываются вторым 2n-1-битным сумматором. При этом carry-выход первого подается на carry-вход второго. А carry-вход 1-ого становится общим carry-входом схемы, а carry-выход второго – результирующим carry-выходом всего сумматора.















