Триггеры (1067183)
Текст из файла
Государственный комитет РФ по высшему техническому образованию
Московский Государственный Технический Университет имени Н Э Баумана
В.Ф.Жирков,Н.М.Соломатин
Москва
2002 год
Москва
2002 год
ИССЛЕДОВАНИЕ ЛОГИЧЕСКИХ
ЭЛЕМЕНТОВ
Методические указания к лабораторным работам по курсу «Схемотехника ЭВМ»
ВВЕДЕНИЕ
Цель данного лабораторного практикума - закрепление теоретического материала путем макетирования и экспериментального исследования элементов ЦВМ, а также развитие навыков по сборке и проверке функционирования цифровых схем с помощью современной измерительной аппаратуры. В данных методических указаниях приведены необходимые для выполнения работ общие теоретические сведения, логические структуры и принципиальные электрические схемы исследуемых элементов - триггеров, а также задания в конкретные указания по порядку и методике выполнения лабораторных работ.
Самостоятельная подготовка студента включает изучение общей теоретической части методических указаний, а также принципов построения синхронных двухступенчатых триггеров и триггеров с динамическим управлением записью и временных диаграмм их работы. Перед началом работы преподавателем проводится собеседование, целью которого является проверка теоретической и практической подготовленности студента к выполнению работы. Студент должен подготовить отчет по каждому пункту раздела "Задание и порядок выполнения работы" с теоретическими и расчетными данными и знать методику выполнения каждого пункта задания. После выполнения работы студент обязан представить на проверку преподавателю оформленный индивидуальный отчет. ,
ТЕОРЕТИЧЕСКИЕ СВЕДЕНИЯ
I. Структурная схема и классификация триггеров
В цифровых вычислительных машинах (ЦВМ) функцию запоминания и временного хранения информации выполняют запоминающие элементы, в качестве которых чаще всего используются триггеры.
Триггер является запоминающим элементом с двумя устойчивыми состояниями, которые кодируются цифрами 0 и I.
Внутренние состояния триггера определяются по его выходному сигналу. Триггер имеет два выхода: прямой Q и инверсный
Если триггер находится в состоянии 0, то на прямом выходе триггера действует сигнал 0, а на инверсном I ( Q = 0 и
). Если триггер находится в состоянии 1, то на прямом выходе триггера действует сигнал I, а на инверсном - 0 ( Q = I и
). Таким образом, разрешающие сигналы на выходах Q и
триггера всегда противоположны.
Триггер имеет в общем случае несколько физических входов, на которые могут подаваться сигналы, закодированные цифрами 0 и 1.
В результате действия входных сигналов триггер переключается из одного устойчивого состояния в другое. При этом изменяется уровень напряжения его выходного сигнала.
Структурную схему триггера (рис. I) могло представить в виде запоминающей ячейки (ЗЯ) и схемы управления (СУ). На рис.1
-информационные входы;С -вход синхронизации, или тактовый вход; Q и
- выходы триггера.
Выхода триггера Q и
и схемы управления
и
могут быть соединены со входами схемы управления обратными связями.
СУ преобразует информацию, поступающую на ее входы
в сигналы
и
, действующие на входы ЗЯ.
Сигнал по входу
устанавливает ЗЯ в состояние "I", а по входу
- в состояние "О".
Триггеры классифицируют по следующим основным признакам.
1. По способу организации логических связей, т.е. до виду логического уравнения, характеризующего состояние входов и выходов триггера в момент времени
до его срабатывания в момент
после его срабатывания; различают триггеры: с раздельной установкой состояний "О" и "I" ( RS -триггеры);
со счетным входом ( Т - триггеры);
универсальные с раздельной установкой состояний "О" или "I" ( JК- триггеры);
с приемом информация по одному входу ( D- триггеры); универсальные с управляемым приемом информации по одному входу (DV-триггеры);
комбинированные (например,RST-,JKRS-,DRS - триггеры) и т.д.
Разнообразность схем триггеров определяется возможностью изменения организации СУ и способами подключения обратной связи к входам СУ
2. По способу записи информации различают триггеры:
асинхронные (не синхронизируемые);
синхронные (синхронизируемые), или тактируемые.
3. По способу синхронизации различают триггеры: синхронные со статическим управлением записью; синхронные двухступенчатые; синхронные с динамическим управлением записью.
Функциональное назначение входов триггера указывают на его условных графических обозначениях при помощи специальных меток согласно табл. I.
Примечание: При необходимости к буквам допускается добавлять цифры, например,
и т.д.
Запись информации в асинхронный триггер осуществляется непосредственно с поступлением информационных сигналов на его входы. Запись информации в синхронные триггеры осуществляется только при подаче разрешающего импульса на вход синхронизации С (см. рис. I).
Синхронный триггер может работать в синхронном и асинхронном режимах.
В зависимости от числа тактирующих сигналов, необходима для перевода триггера из одного состояния в другое, синхронные триггеры подразделяются на однотактные и многотактные.
2. Основные параметры триггеров
Основными схемотехническими параметрами триггеров являются: коэффициенты объединения по входу
и разветвления но выходу
напряжение допустимой помехи, входные и выходные напряжения и токи "О" и "I". Эти параметры триггеров аналогичны параметрам логических элементов.
Динамическими параметрами триггера являются:
-время задержка распространения сигнала при включении
и выключении
триггера, а также среднее время задержки распространения сигнала
- минимальна длительность входного сигнала (импульса)
при которой еще происходит переключение триггера;
. - разрешающее время триггера
- минимально допустимый
временной интервал между двумя последовательными входными сигналами минимальной длительности, вызывающими переключение триггера;
- максимальная частота переключения триггера
Минимальная длительность входного сигнала равна
, где
- количество логических элементов в цепи от входа информационного или синхросигнала до входа элемента, на котором замыкается триггерное кольцо обратной связи,
- среднее время задержки распространения сигнала
в логическом элементе.
Среднее время задержки распространения сигнала в триггере 'равно
,где
количество логических элементов в цепи от входа информационного или синхросигнала до выхода элемента, на котором подтверждается состояние триггера. Динамические параметры определяют быстродействие триггера.
3. Логическое описание работы триггера
Работу триггера можно описать с помощью таблицы переходов, отражающей зависимость выходного сигнала триггера в момент времени
от входных сигналов и от состояния триггера в предыдущий момент времени
Для асинхронного триггера момент времени
наступает,
когда под действием входных сигналов и в зависимости от внутреннего состояния в момент времени
выходной сигнал принимает значение, соответствующее последующему состоянию. Для синхронного триггера время
и
означают время до и после прихода синхронизирующего (тактового) сигнала соответственно.
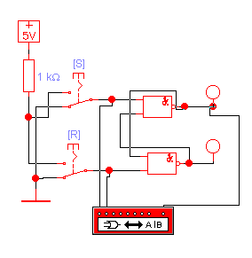
RS-триггер Асинхронный RS-триггер - это простейший триггер, который используется как запоминающая ячейка. Состояния RS-триггера соответствующие различным сочетаниям сигналов на его входах R- и S-, приведены в таблице переходов (табл. 2). Компактная форма. табл. 2 представлена табл. 3.
Характеристики
Тип файла документ
Документы такого типа открываются такими программами, как Microsoft Office Word на компьютерах Windows, Apple Pages на компьютерах Mac, Open Office - бесплатная альтернатива на различных платформах, в том числе Linux. Наиболее простым и современным решением будут Google документы, так как открываются онлайн без скачивания прямо в браузере на любой платформе. Существуют российские качественные аналоги, например от Яндекса.
Будьте внимательны на мобильных устройствах, так как там используются упрощённый функционал даже в официальном приложении от Microsoft, поэтому для просмотра скачивайте PDF-версию. А если нужно редактировать файл, то используйте оригинальный файл.
Файлы такого типа обычно разбиты на страницы, а текст может быть форматированным (жирный, курсив, выбор шрифта, таблицы и т.п.), а также в него можно добавлять изображения. Формат идеально подходит для рефератов, докладов и РПЗ курсовых проектов, которые необходимо распечатать. Кстати перед печатью также сохраняйте файл в PDF, так как принтер может начудить со шрифтами.















