Лаба 2 доп (1067159)
Текст из файла
Отчет по Лабораторной Работе №2 Дополниельная
“Дифференциальный каскад”
Выполнил: Зайков Сергей
Группа ИУ5-42
Вариант 9
-
Полученные данные
MPSA42 Iкмакс = 2mA Eк = 36V Fср = 1kHz
-
Расчеты элементов схемы
Rк + 2Rэ = Eк/Iкмакс = 36/0,002=18kOhm
Rк = 10kOhm, Rэ = 4kOhm
Eб = 2RэIлмакс + 0,6 = 16,6 V
Iб = Iкмакс/b = 28,8мкА
Rб = Eк – Eб /Iб = 681kOhm
Rвх = Uвх/Iвх = 26,4 Ohm
Rвых = -(Uвых1 – Uвых2)/(Iвых1 – Iвых2) = 3162 Ohm
Cвх = 1/2piFсрRвх = 6мкФ
Cвых = 1/2piFсрRвых = 50нФ
-
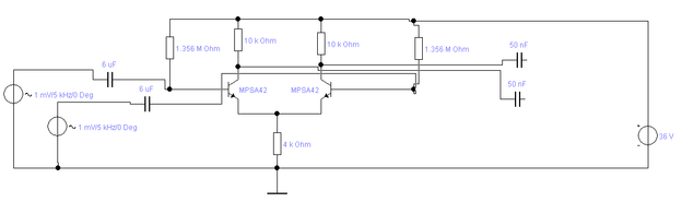
Получившаяся схема с корректировкой рабочей точки
-
Коэффициент усиления синфазного сигнала
Kс = Uвых/Uвх = 1,216/1 = 1,216
-
Коэффициент усиления дифференциального сигнала
Kд = Uвых/Uвх = 333,5/1 = 333,5
-
Коэффициент ослабления синфазного сигнала
Kо = Kc/Kд = 0,0036
-
Частоты среза
Kвыхср = Kд / 1,4 = 238,2
Fн = 13Hz
Fв = 5,1MHz
-
Коэффициенты усиления дифференциального и синфазного сигналов и ослабления синфазного сигнала для F нижняя
Kс = Uвых/Uвх = 1,182/1 = 1,182
Kд = Uвых/Uвх = 237,9/1 = 237,9
Kо = Kc/Kд = 0,00497
-
Коэффициенты усиления дифференциального и синфазного сигналов и ослабления синфазного сигнала для F верхняя
Kс = Uвых/Uвх = 1,192/1 = 1,192
Kд = Uвых/Uвх = 234,3/1 = 234,3
Kо = Kc/Kд = 0,0051
-
Входное сопротивление дифференциального усилителя для синфазного и для дифференциального сигналов.
Rвхc = Uвх/Iвх = 1mV/6нА = 167kOhm
Rвхд = Uвх/Iвх = 1mV/557нА = 1795Ohm
-
Выходное сопротивление дифференциального усилителя для синфазного и для дифференциального сигналов.
Rвыхс = -(Uвых1 – Uвых2)/(Iвых1 – Iвых2) = -(418,7-470,2)*1000/(84-78) = 8583Ohm
Rвыхд = -(Uвых1 – Uвых2)/(Iвых1 – Iвых2) = -(114,9-129)*1000/(22,98-21,5) = 9527Ohm
-
П
ередаточная характеристика на 5kHz
| Uвх, мВ | Uвых, мВ |
| 1 | 333,5 |
| 2 | 666,1 |
| 5 | 1648 |
| 10 | 3181 |
| 20 | 5603 |
| 30 | 7176 |
| 40 | 7984 |
| 50 | 8564 |
| 75 | 9146 |
| 100 | 9493 |
Характеристики
Тип файла документ
Документы такого типа открываются такими программами, как Microsoft Office Word на компьютерах Windows, Apple Pages на компьютерах Mac, Open Office - бесплатная альтернатива на различных платформах, в том числе Linux. Наиболее простым и современным решением будут Google документы, так как открываются онлайн без скачивания прямо в браузере на любой платформе. Существуют российские качественные аналоги, например от Яндекса.
Будьте внимательны на мобильных устройствах, так как там используются упрощённый функционал даже в официальном приложении от Microsoft, поэтому для просмотра скачивайте PDF-версию. А если нужно редактировать файл, то используйте оригинальный файл.
Файлы такого типа обычно разбиты на страницы, а текст может быть форматированным (жирный, курсив, выбор шрифта, таблицы и т.п.), а также в него можно добавлять изображения. Формат идеально подходит для рефератов, докладов и РПЗ курсовых проектов, которые необходимо распечатать. Кстати перед печатью также сохраняйте файл в PDF, так как принтер может начудить со шрифтами.
ередаточная характеристика на 5kHz















