Триггеры (1067183), страница 3
Текст из файла (страница 3)
В качестве основного триггера применяются синхронные триггеры или со статическим управлением записью или с динамическим управлением записью. Вспомогательным является синхронный триггер со статическим управлением записью.
Синхронный RS-триггер со статическим
управлением записью (рис. В), в отличие от асинхронного, имеет дополнительные элементы И, первые входы которых объединены и являются входом синхро-сигнала, а вторые входы являются информационными входами S и R. Запись в триггер информации, которая поступает на входы S и R , начинается сразу за поступлением синхро-сигнала. Действительно, при отсутствии синхро-сигнала(C=0) элементы И выключены. Поэтому сигналы
и
равны 0 (
,
=CR=0 ), и триггер сохраняет предыдущее состояние. При поступлении синхросигнала (C=1) на выходах элементов И образуются информационные сигналы
и
=CR=R которые и переключают триггер в соответствующее состояние. Условное графическое изображение триггера показано на рис. 8б. При построении триггера на элементах ИЛИ-НЕ и И-НЕ элементы И заменяются соответственно элементами ИЛИ-НЕ и И-НЕ. На рис. 9а приведена логическая структура синхронного RS триггера на элементах ИЛИ-НЕ.
Первые 6уквы от английских слог: master основной, главный; slave вспомогательный.
Входы триггера
инверсные, что отмечено на условном графическом изображении (рис, 96) кружками на входных линиях.
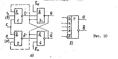
На рис. 10а приведена логическая структура синхронного RS- триггера на элементах И-НЕ Кроме синхронных входов S и R триггер имеет асинхронные инверсные входы
и
начальной установки триггера. Условное графическое изображение триггера с прямыми синхронными и инверсными асинхронными входами приведено на рис. 106. Временные диаграммы (рис. II) иллюстрируют работу триггера на элементах И-НЕ (рис 10). Синхронный RS-триггер сохраняет свое состояние
при C=0 и работает как асинхронный при C=1 Действительно, при C=1 логические элементы I в 2 инвертируют сигналы S и R.
Таким образом, при C=1 сигналы
и
поступает на входы
запоминающей ячейки (элементы 3 и 4) и переключают ее в соответствующее состояние согласно табл 4. Работа ЗЯ, т.е. асинхронного RS-триггера, рассмотрена в первой части данных указаний.
Комбинация сигналов S=R=C=1 является запрещенной. Смена
сигналов на входах S и R разрешена только между синхросигналами.
Для синхронного RS-триггера (рис. 10) минимальная длительность синхросигнала
, разрешающее время
, максимальная частота синхросигналов
Рабочая частота переключения триггера будет меньше максимальной, так как при определении посленей не учитывалось время переходов логических элементов
и
.
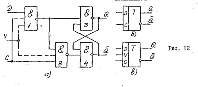
Синхронный D-триггер со статическим управлением записью на элементах И-НЕ и его условное графическое изображение приведены, на рис. 12а,б. Если к D- триггеру добавить еще один вход V разрешения приема информации (показан пунктиром на рис. 12а), то получится DV-триггер(рис. 12в).
Синхронный JK-триггер имеет связь выходов триггера cо схемой управления (отмечены пунктиром на pиc 10a).
Если на оба входа J и K поданы сигналы "I" и если синхросигнал по длительности больше чем время задержки распространения сигналя в триггере, то в JK-. триггере со статистическим управлением записью возникает генерация: многократное "переключение из одного состояния в другое. По этой причине для синхронных JK-триггеров чаще всего применяется двухступенчатая структура со статическим управлением записью. -
В двухступенчатых триггерах при действии синхросигнала (т.е. при C= I) входная информация принимается только в основной триггер, а ее запись во вспомогательный триггер запрещается инвертированным значением синхросигнала. После окончания синхросигнала (т.е. при C =0) вспомогательный триггер принимает информацию, записанную в основном триггере.
Управляющая связь между основным и вспомогательным триггерами выполняется следующими способами:
- с инвертором синхросигнала;
- с запрещающими связями;
- с разнополярным управлением;
- с коммутирующими транзисторами.
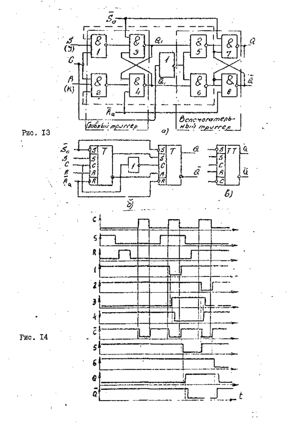
2. Синхронный двухступенчатый RS -триггер
Схема синхронного двухступенчатого триггера с инвертором, его логическая структура и условное обозначение приведены на рис. 13а,б,в соответственно. Триггер построен на элементах И-НЕ, Основной и вспомогательный триггеры представляют собой синхронные одноступенчатые RS-триггеры со статическим управлением записью, принцип действия которых рассмотрен выше. Временная диаграмма работы двухступенчатого триггера приведена на pиc. 14.
Сигнал на выходе триггера изменяется только после окончания синхросигнала.
Параметры, характеризующие быстродействие синхронного двухступенчатого RS-триггера, имеют следующие значения:
где
- длительность синхросигнала (и пауза между соседними
синхросигналами).
3. Синхронный, двухступенчатый JK-триггер
Синхронный двухступенчатый JK-триггер можно построить на основе аналогичного RS -триггера с несколькими S и R -входами, путем введения обратных связей с выходов на входы: с выхода
Q на вход R и с выхода
на вход S (на рис. 13 эти связи показаны пунктирными линиями).
В JK-триггере входы J и K соответствуют входам S и R RS-триггера. Отличие JK -триггера от RS-триггера состоит в том, что комбинация сигналов S=R=C=1 для RS-триггера запрещена, а JK -триггер при такой комбинации сигналов переключается в противоположное состояние, т.е. JK-триггер работает как T-триггер.
Схема синхронного двухступенчатого JK-триггера с запрещающими связями приведена на рис. 15. Временные диаграммы (рис. 16) иллюстрируют работу JK-триггера при J=K=1, т.е. в счетном режиме. Элементы I и 2, а также 5 и 6 - схемы управления, элементы 3 и 4, а также 7 и 8 - запоминающие ячейки основного к вспомогательного триггеров соответственно. Таким образом, элементы 1-4 образуют основной триггер, а элементы 5-8 - вспомогательный.
При C= 0 элементы I и 2 выключены с через -элементы 5 и 6 происходит перезапись информации из основного триггера
в вспомогательный. Поэтому Q=
,
. При действии синхросигнала ( C=1) и при J=K=0 триггер сохраняет предыдущее состояние, так как элементы I и 2 остаются включенными и никаких изменений сигналов в триггере не происходит, Триггер находится в режиме хранения,
При действии синхросигнала ( С= 1) и при любых сочетаниях сигналов J и K , кроме J=K=0, будут включены или элемент I. или элемент 2, или оба одновременно. На выходах элементов I и 2 образуются сигналы, осуществляющие запись информации со входов J и K в основной триггер и запрещающие перезапись информаций из основного триггера во вспомогательный через элементы 5 и 6,. Поэтому связи элементов I и 2 с элементами 5 и 6 называются запрещающими. Разрешение перезаписи определяется теми же формулами, что и для синхронного двухступенчатого RS- триггера.
JK – триггер можно легко преобразовать в RS-,T-,D- триггеры, так как JK – триггер является универсальным. На рис. 17 показаны варианты использования JK- триггера.
4. Синхронный двухступенчатый D-триггер
Если в качестве первой ступени применить синхронный D-триггер со статическим управлением записью, а в качестве второй -синхронный RS-триггер, то получится синхронный двухступенчатый D-триггер.
На рис. 18 приведена схема синхронного D-триггера с запрещающими связями. Если в элементах I и 2 ввести дополнительные "входы, то можно получить синхронный двухступенчатый DV-триггер (на рис. 18 вход V показан пунктирными линиями). DV- триггер может выполнять функция синхронных и асинхронных D- и T-триггеров (рис. 19). .
Задание и порядок выполнения работы
1. Исследовать работу асинхронного RS-триггера с инверсными входами (см. ряс. 4) в статическом режиме. Для этого необходимо:
- собрать схему RS-триггера на элементах И-НЕ;
- к выходамQ и
триггера подключать индикаторные лампы;
- задавая с тумблерного регистра неоспоримые сигналы на входах
и
триггера, составить таблицу переходов.
2. Исследовать работу асинхронного триггера (см. ряс. 4) в динамическом режиме. Для этого необходимо:
- собрать схему формирования импульса малой длительности (рис. 20), включив последовательно нечетное число m элементов И-НЕ (m=3…
— подать на вход схемы формирования импульсы CB=1 с выхода
;
- подать сигнал
с выхода схемы формирования импульса малой длительности на вход
триггера и на вход линии задержки установки УМ-11;
- подать сигнал с входа линии задержки на вход
триггера;















