Нефедов В.И. - Электрорадиоизмерения (1066241), страница 14
Текст из файла (страница 14)
Электронные вольтметры представляют собой сочетание электронного преобразователя и измерительного прибора. В отличие от вольтметров электромеханической группы электронные вольтметры постоянного и переменного токов имеют высокие входное сопротивление и чувствительность, широкие пределы измерения и частотный диапазон (от 20 Гц до 1000 МГц), малое потребление тока из измерительной цепи.
Классифицируют электронные вольтметры по ряду признаков:
-
по назначению — вольтметры постоянного, переменного и импульсного напряжений; универсальные; фазочувствительные; селективные;
-
по способу измерения — приборы непосредственной оценки и приборы сравнения;
-
по характеру измеряемого значения напряжения — амплитудные (пиковые), среднего квадратического значения, средневы-прямленного значения;
-
по частотному диапазону — низкочастотные, высокочастотные, сверхвысокочастотные.
Кроме того, все электронные приборы можно разделить на две большие группы: аналоговые электронные со стрелочным отсчетом и приборы дискретного типа с цифровым отсчетом.
При измерениях силы тока электронным вольтметром, вначале ток преобразуется в напряжение, а затем определяют по формуле: Ix= Ux/R0} где Ro — образцовое расчетное сопротивление.
Структурные схемы аналоговых вольтметров
Структурные схемы аналоговых вольтметров показаны на рис. 3.5. В настоящее время аналоговые электронные вольтметры постоянного тока (рис. 3.5, а) находят ограниченное применение, так как они по своим техническим свойствам сильно уступают цифровым вольтметрам. Поэтому дальше рассматриваются только аналоговые вольтметры переменного тока. Изображенная на рис. 3.5, б структурная схема используется в вольтметрах переменного тока для измерения напряжений значительного уровня.
в)
Рис. 3.5. Структурные схемы аналоговых электронных вольтметров:
а — постоянного тока; б — напряжений большого уровня; в — милливольтметра
(УПТ— усилитель постоянного тока; > — усилитель переменного тока;
МЭС — магнитоэлектрическая система)
Чтобы обеспечить необходимую точность вольтметра к усилителям постоянного тока, применяемым в электронных вольтметрах, предъявляют жесткие требования в отношении линейности амплитудной характеристики, постоянства коэффициента усиления, температурного и временного дрейфа нуля. При построении электронных вольтметров для измерения малых напряжений подобные требования не всегда могут быть удовлетворены. Поэтому электронные вольтметры переменного тока для измерения малых напряжений выполняют по схеме, показанной на рис. 3.5, в. Данная схема применяется в милливольтметрах, поскольку обладает большой чувствительностью. Последнее связано с наличием дополнительного усилителя переменного тока.
При создании аналоговых вольтметров важную функцию несут преобразователи переменного напряжения в постоянное (детекторы). Детекторы можно классифицировать по функции преобразования входного напряжения в выходное: амплитудные (пиковые), среднего квадратического и средневыпрямленного значений. Тип детектора во многом определяет свойства прибора: вольтметры с амплитудными детекторами являются самыми высокочастотными; вольтметры с детекторами среднего квадратического значения измеряют напряжение любой формы; вольтметры средневыпрямленного значения измеряют только гармонические сигналы, но являются самыми простыми и надежными.
Амплитудный детектор — устройство, напряжение на выходе которого, соответствует максимальному (амплитудному) значению измеряемого напряжения. Чтобы нагрузка детектора эффективно отфильтровывала постоянную составляющую и подавляла высокочастотные гармоники, необходимо выполнение неравенства
RH, где Сф — емкость фильтра; RH — сопротивление нагрузки детектора. Еще одно условие хорошей работы детектора: сопротивление резистора нагрузки RH должно быть значительно больше сопротивления диода в его прямой проводимости. На рис. 3.6 показаны принципиальная и эквивалентная схемы и временные диаграммы амплитудного детектора с параллельным включением диода (детектор с закрытым входом). Рассмотрим работу детектора (рис. 3.6, а) при подаче на его вход гармонического напряжения ux(t) = Umsin
t.
На интервалах времени, когда на вход детектора поступает положительная полуволна, конденсатор С заряжается через диод D, сопротивление R0 которого в открытом состоянии мало. Постоянная времени заряда
3 = R0C невелика и заряд конденсатора до максимального значения Um, происходит быстро. На интервале действия отрицательной полуволны диод D закрыт и конденсатор С медленно разряжается на сопротивлении нагрузки Rn, так как оно выбирается достаточно большим. Итак, постоянная разряда
=R
С оказывается значительно больше периода
входного напряжения. В результате конденсатор остается заряженным До напряжения Uc = Um - Uвых. Эквивалентная схема амплитудного детектора и временные диаграммы, поясняющие его работу, представлены на рис. 3.6, б, в.
Рис. 3.6. Амплитудный детектор с параллельным диодом:
а — принципиальная схема; б — эквивалентная схема;
в — временные диаграммы
Изменение напряжения на сопротивлении нагрузки Rн определяется разностью амплитуды входного напряжения Uх и напряжения на конденсаторе Uс, т.е. UR = Uх - Uс Таким образом, выходное напряжение UR будет пульсирующим с удвоенной амплитудой измеряемого напряжения, как показано на рис. 3.6, в. Это подтверждают простые математические выкладки:
при
= 1 напряжение UR = 0; при
= 0 — UR = -Uт; при
= -1 — UR = -2Uт.
Для выделения постоянной составляющей сигнала U = = - U с на выходе детектора ставится емкостной фильтр, подавляющий остальные гармоники.
Одним из достоинств аналоговых вольтметров с амплитудным детектором является независимость показаний прибора от формы сигнала. Обычно шкала амплитудных вольтметров градуируется в средних квадратических значениях синусоидального напряжения, т.е. показания прибора: Uпр= Uт/Ка.
Детектор среднего квадратического значения — преобразователь переменного напряжения в постоянное, пропорциональное корню квадратному из среднего квадрата мгновенного значения, напряжения. Значит, измерение действующего напряжения связано с выполнением трех последовательных операций: возведение в квадрат мгновенного значения сигнала, усреднение и извлечение! корня из результата усреднения (усреднение обычно осуществляется при градуировке шкалы вольтметра). Возведение в квадрат осуществляют полупроводниковой ячейкой, используя параболический участок его характеристики, близкий по форме к квадратичной линии; иногда этот участок создают искусственно.
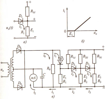
На рис. 3.7, а представлена диодная ячейка
, в которой постоянное напряжение Е1 приложено к диоду
таким образом, что он оказывается закрытым до тех пор, пока измеряемое напряжение их(t) на резисторе
, не превысит величины Е1. Следует иметь в виду, что начальный квадратичный участок вольтамперной
Рис. 3.7. Детектор среднего квадратического значения:
а — диодная ячейка; б — идеализированная характеристика;
е — схема квадратичного детектора
Рис. 3.8. Аппроксимация квадратичной вольтамперной характеристики
характеристики полупроводникового диода имеет, как правило, малую протяженность (рис. 3.7, б), поэтому эту часть удлиняют искусственно. Линеаризация вольтамперной характеристики легко иллюстрируется методом кусочно-линейной аппроксимации. Для этого в схеме детектора используют несколько диодных ячеек (рис. 3.7, в), аналогичных показанной на рис. 3.7, а. Линейный участок обобщенной вольтамперной характеристики при этом увеличивается.
На рис. 3.8 показано как получается в этом случае квадратичная характеристика при последовательном включении цепочек резисторов R1c, R2c, R3c с диодами D1, D2, D3. Диод D1 первоначально закрыт напряжением Е1, затем, по мере роста напряжения ux(t) и достижения соотношения ux(t) > Е1, он открывается и начальный линейный участок его идеализированной характеристики увеличивается.
В схеме, представленной на рис. 3.7, в, первоначально диоды D1, D2, D3 закрыты соответствующими напряжениями смещения Е1, Е2, Е3, и при малом входном напряжении ux(t) ток через миллиамперметр равен i0. Когда входное напряжение ux(t) > Е1 откроется диод D1 и параллельно резистору R0 подключится делитель напряжения R1, R1c. В результате крутизна вольтамперной характеристики на участке от Е1 до Е2 возрастает; суммарный ток протекающий через миллиамперметр, станет равным i
= i0 + i1. Когда выполнится условие ux(t) > Е2 ,откроется диод D2 и ток миллиамперметра будет равен i
= i0 + i1+ i2. При ux (t) > Е3, откроется диод D3 и суммарный ток, протекающий через миллиамперметр, будет равен i
= i0 + i1 + i2 + i3. В результате форма суммарной вольтам-ерной характеристики приблизится к квадратичной кривой. Показание измерительного прибора будет пропорциональным среднему квадратическому значению входного напряжения и оно не зависит от его формы.















