ЛР 1по БФ - Определение электропроводности биологической ткани (1065445)
Текст из файла
Московский Государственный Технический Университет им. Н.Э.Баумана
Лабораторная работа №1
Определение электропроводности биологической ткани
Студент: Грибков Д.М.
Группа: БМТ1-51
Цель работы : определение удельного электросопротивления биологической ткани в интервале частот 50 Гц – 1 МГц
Электропроводность биологической ткани – количественная характеристика способности биомембран, клеток и ткани проводить электрический ток.
Основным отличием биоткани является наличие высокой поляризационной емкости.
Зависимость величины тока от времени: I=(U-E(t))/R, U- приложенное напряжение, E(t) – возникающее противодействующее ЭДС, R – сопротивление.
Возникновение ЭДС поляризации связано со способностью живых клеток накапливать заряды, т.е. с емкостными, диэлектрическими свойствами биологических объектов, обусловленными явлениями поляризации.
Поляризация – перемещение связанных зарядов под действием электрического поля и образование вследствие этого электродвижущей силы, направленной против внешнего поля.
Виды поляризации:
1. Электронная поляризация – смещение электронов под действием внешнего электрического поля на своих орбитах относительно положительно заряженного ядра ( H2, N2, O2 )
Характеристика поляризации – время релаксации τ – за это время дипольный момент меняет направление на противоположное.
Для электронной поляризации τ1=10-16..10-14 с.
2. Ионная поляризация – смещение ионов в кристаллической решетке под действием внешнего поля. τ2=10-14..10-12 с.
3. Ориентационная (дипольная) поляризация. Характерна для полярных молекул (спирты, вода ). Под действием внешнего поля свободные полярные молекулы ориентируются в соответствии с этим полем τ3=10-13..10-7 с.
4. Макроструктурная поляризация. Связана с гетерогенной структурой биологической ткани, чередованием слоев с высокой и низкой электропроводностью τ4=10-8..10-3 с.
5. Поверхностная поляризация. Следствие концентрации носителей электрического заряда двух фаз. τ5=10-3..1 с.
6. Электролитическая поляризация. Возникает в случае контакта электрода с электролитом τ6=1..100 с.
Все виды поляризации могут быть описаны с помощью диэлектрической проницаемости ε:
ε = E0/E = C/C0
E0 – напряженность однородного поля в вакууме
Е – напряженность того же поля в веществе
С – емкость конденсатора с веществом
С0 – емкость того же конденсатора в вакууме.
При прохождении тока через ткань ее свойства описываются активным сопротивлением и емкостью.
Реактивное емкостное сопротивление Rx=1/(ωC), где ω – круговая частота тока.
Импеданс Z – суммарное сопротивление объектов.
Д
ля последовательного соединения импеданс:
Для параллельного соединения импеданс:
Проводимость – величина обратная импедансу ρ=1/z.
Поляризационная емкость-Cu.При увеличении частоты тока поляризационная емкость уменьшается.
Сопротивление биоткани:
r – радиус сферического электрода, r<<L
L – характерные размеры образца биоткани
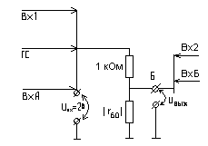
Установка для лабораторной работы:
Практическая часть.
1. Животная ткань.
| f, Гц | Uвых, В | φ, ˚ |
| 50 | 0.055 | 37 |
| 100 | 0,044 | 36 |
| 500 | 0.031 | 17 |
| 103 | 0,022 | 11 |
| 104 | 0,02 | 7 |
| 105 | 0,019 | 3,6 |
| 106 | 0,02 | 18 |
а) для последовательного соединения :
| f, Гц | UR, В (*10-3) | UC, В (*10-3) | I, А (*10-3) | XC, Ом | R, Ом | Z, Ом | ρ,Ом-1 |
| 50 | 43.9 | 33.1 | 1.8 | 18.4 | 24.4 | 30.56 | 0.032 |
| 100 | 36 | 26 | 1.8 | 14.5 | 20 | 24.7 | 0.04 |
| 500 | 29.6 | 9.1 | 1.8 | 5.1 | 16.4 | 17.2 | 0.058 |
| 103 | 22 | 4 | 1.8 | 2.3 | 12.5 | 12.7 | 0.08 |
| 104 | 19 | 2 | 1.8 | 1.1 | 10.5 | 10.55 | 0.095 |
| 105 | 19 | 1 | 1.8 | 0.6 | 10.5 | 10.5 | 0.0952 |
| 106 | 19 | 6 | 1.8 | 3.4 | 10.5 | 11.0 | 0.090 |
б) для параллельного соединения :
| f, Гц | IC, В (*10-4) | IR, В (*10-3) | I, А (*10-3) | XC, Ом | R, Ом | Z, Ом | ρ |
| 50 | 11 | 1.44 | 1.8 | 50 | 38.2 | 30.5 | 0.032 |
| 100 | 11 | 1.5 | 1.8 | 40 | 24 | 24.7 | 0.04 |
| 500 | 5.3 | 1.72 | 1.8 | 58 | 18 | 17.2 | 0.058 |
| 103 | 3.4 | 1.8 | 1.8 | 65 | 12 | 12.7 | 0.08 |
| 104 | 2.2 | 1.8 | 1.8 | 91 | 11.1 | 10.55 | 0.095 |
| 105 | 1.1 | 1.8 | 1.8 | 173 | 11 | 10.5 | 0.0952 |
| 106 | 5.5 | 1.7 | 1.8 | 3 | 11 | 11.0 | 0.090 |
2) Растительная ткань.
| f, Гц | Uвых, В(*10-1) | φ, ˚ |
| 50 | 4 | 7.7 |
| 100 | 4 | 7.9 |
| 500 | 3.9 | 10 |
| 103 | 3.7 | 12.5 |
| 104 | 2.5 | 30.4 |
| 105 | 1 | 32.6 |
| 106 | 0.6 | 25.8 |
Для последовательного соединения:
| f, Гц | UR, В | UC, В (*10-2) | I, А (*10-3) | XC, Ом | R, Ом | Z, Ом | ρ,Ом-1 (*10-3) |
| 50 | 0.39 | 5.4 | 1.45 | 37.2 | 269 | 272 | 3.7 |
| 100 | 0.40 | 5.5 | 1.45 | 37.9 | 276 | 279 | 3.9 |
| 500 | 0.384 | 6.8 | 1.46 | 46.6 | 263 | 267 | 3.75 |
| 103 | 0.36 | 8.0 | 1.48 | 54.1 | 243 | 249 | 4.0 |
| 104 | 0.22 | 12.7 | 1.6 | 79.3 | 137 | 158 | 6.3 |
| 105 | 0.08 | 5.4 | 1.73 | 31.2 | 46 | 55 | 18 |
| 106 | 0.05 | 2.6 | 1.76 | 14.7 | 28 | 32 | 31 |
Характеристики
Тип файла документ
Документы такого типа открываются такими программами, как Microsoft Office Word на компьютерах Windows, Apple Pages на компьютерах Mac, Open Office - бесплатная альтернатива на различных платформах, в том числе Linux. Наиболее простым и современным решением будут Google документы, так как открываются онлайн без скачивания прямо в браузере на любой платформе. Существуют российские качественные аналоги, например от Яндекса.
Будьте внимательны на мобильных устройствах, так как там используются упрощённый функционал даже в официальном приложении от Microsoft, поэтому для просмотра скачивайте PDF-версию. А если нужно редактировать файл, то используйте оригинальный файл.
Файлы такого типа обычно разбиты на страницы, а текст может быть форматированным (жирный, курсив, выбор шрифта, таблицы и т.п.), а также в него можно добавлять изображения. Формат идеально подходит для рефератов, докладов и РПЗ курсовых проектов, которые необходимо распечатать. Кстати перед печатью также сохраняйте файл в PDF, так как принтер может начудить со шрифтами.
















