ЛР 2 - Моделирование процессов формирования плетизмограммы (1065446)
Текст из файла
Московский Государственный Технический Университет им. Н.Э.Баумана
Лабораторная работа №2
по курсу “Биофизика”
Моделирование процессов формирования плетизмограммы
и исследование ее параметров
Студент: Черных П.В. /группа БМТ1-52/
Преподаватель: Сафонова Л.П.
Москва, 2005 г.
Цель работы – изучить принципы физического и математического моделирования формирования сигнала импедансной реоплетизмографии и исследовать информативность его параметров.
Математическое моделирование – необходимая часть научно-исследовательской работы, так как оно позволяет изучать организм не целиком (что неудобно, так как это чрезвычайно сложная система), а лишь отдельные его функции с помощью математической модели – условного образа реального объекта.
Импедансная реография (реоплетизмография) – наиболее часто используемый метод оценки параметров гемодинамики. Суть метода – регистрация изменения импеданса на переменном токе частоты f исследуемого участка тела при его пульсовом кровенаполнении. В своей работе мы исследуем принципы формирования сигнала тетраполярной РПГ (более распространена на практике).
Для того, чтобы свести к минимуму емкостную составляющую импеданса, используем частотный диапазон тока 50..200 кГц. Амплитуда тока в исследования составляет 0,2..0,4 мА. Параметры электродной системы определяем из геометрических размеров:
рис.1 Тетраполярный метод РПГ. Выбираем соотношение l/L<0.6. При этом точность измерений объема крови в сегменте конечности не ниже 15%.
Зная приращение объема сегмента тела ∆V(t), можем вычислить изменение сопротивления ∆R(t):
ρ – удельное сопротивление тела, l – расстояние между измерительными электродами, R – базовое значение сопротивления.
По кривой РПГ (на которой изображена зависимость ∆R(t)) определяются следующие параметры:
- реографический диастолический индекс РДИ=f/c
- показатель тонуса венозных сосудов – дикротический индекс ДИ=e/c
- амплитудный и временной показатель сосудистого тонуса (для мелких сосудов) АПСТ=b/c, ВПСТ=t1/t2
- показатель максимальной скорости наполнения (для крупных сосудов) МСН=b/t1
- индекс эластичности сосудистой стенки - показатель замедленного кровотока ПЗК=c/МСН
рис. 2 Вид кривой РПГ
Безразмерные индексы на кривой РПГ несут информацию о показателях тонусов различных типов сосудов кровянного русла. Однако рассматривая эти параметры, необходимо тщательно анализировать и проверять полученную информацию. Необходимо оценивать степень информативности этих показателей и устанавливать их связь с параметрами состояния отделов сосудистого русла. Эффективным методом решения этой задачи является имитационное физическое и математическое моделирование. Рассмотрим задачу математического моделирования процессов формирования кривой РПГ.
рис. 3 Математическая модель в сосредоточенных параметрах
В модели учитываются: крупные и средние артериальные сосуды (гемодинамическое сопротивление R, объемная емкость С), мелкие резистивные сосуды (гемодинамическое сопротивление r), венозные сосуды (сопротивление Rv и емкость Cv). На входе в сосудистое русло сегмента имеется давление P(t).
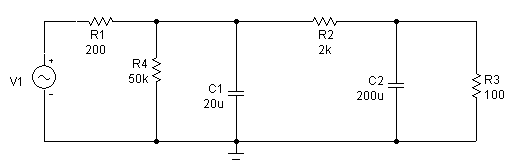
Практическая часть.
рис. 4 Схема для исследования параметров РПГ
Исследуя модель, получаем кривую зависимости импеданса от времени вида:
рис. 5 Реографическая кривая, полученная при исследовании.
Ас – амплитуда систолической волны
Аи – амплитуда инцузуры
Ад – амплитуда диастонической волны
α (с) – длительность анакротической фазы. Этот параметр характеризует эластичность трубковых артериальных сосудов.
Для нашей модели: Ас=2.254*10-3; Аи=0.282*10-3; Ад=0.535*10-3
Изучим влияние параметра R2 (определяющий состояние мелких сосудов) на реографическую кривую. Будем изменять этот параметр в диапазоне 100..2800 Ом с шагом 300 Ом. Найдем при каждом значении сопротивления значения параметров α, Ас, Аи, Ад, ДКИ, ДСИ.
Теоретически ожидаем наибольшее влияние на параметр ДКИ, который показывает тонус мелких сосудов.
| R2, Ом | α, с | Ас, 10-3 | Аи, 10-3 | Ад, 10-3 | ДКИ, % | ДСИ, % |
| 100 | 0,160 | 4,938 | 0,607 | 1,149 | 12,3 | 23,2 |
| 400 | 0,160 | 3,503 | 0,438 | 0,815 | 12,5 | 23,3 |
| 700 | 0,160 | 2,951 | 0,371 | 0,690 | 12,5 | 26,6 |
| 1000 | 0,159 | 2,661 | 0,335 | 0,625 | 12,6 | 23,5 |
| 1300 | 0,158 | 2,484 | 0,313 | 0,586 | 12,6 | 23,6 |
| 1600 | 0,158 | 2,364 | 0,297 | 0,559 | 12,5 | 23,6 |
| 1900 | 0,158 | 2,278 | 0,285 | 0,540 | 12,5 | 23,7 |
| 2200 | 0,157 | 2,214 | 0,276 | 0,526 | 12,4 | 23,8 |
| 2500 | 0,156 | 2,164 | 0,269 | 0,515 | 12,4 | 23,8 |
| 2800 | 0,156 | 2,124 | 0,264 | 0,506 | 12,4 | 23,8 |
| δα=2,5% | ΔДКИ=2,4% | ΔДКИ=2,5% |
Вывод: при изменении гемодинамического сопротивления мелких резистивных сосудов мы ожидаем изменения параметра ДКИ. Но так как диапазон изменений очень мал (100..2800 Ом), то мы получаем малые равные изменения (Δ=2,5%) всех параметров системы.
Изучим влияние моделирования медицинской патологии (атеросклероза) на параметры системы. R1 увеличим в 1,5 раза. R2 увеличим в 15 раз. С1 уменьшим в 10 раз:
Таким образом, изменение параметров составляет:
Вывод: при атеросклерозе наблюдаем наибольшее изменение состояния мелких сосудов (ДКИ изменяется на 4%), что является следствием наибольшего (увеличивается в 15 раз) изменения их гемодинамического сопротивления (R2).
Примечания (не для печати):
1.Для составления схемы используется источник из файла C:\MC5\data\sl.usr. Метод исследования – Transient, Time Range=1, 102 точки. Строим зависимость T от (-q(c1)-q(c2)). При «минусах» максимум кривой соответствует максимальному кровонаполнению.
рис. Бонус1 Картинка без «минусов»
2. На этапе Stepping (после первого определения ДКИ, ДСИ):
| Вариант 1 | R1 | 10..5k | 500 |
| Вариант 2 | C1 | 1u..10u | 10u |
| Вариант 3 | R2 | 1k..5k | 500 |
| Вариант 4 | R3 | 10..1000 | 100 |
| Вариант 5 | C2 | 10u…1000u | 100u |
3. Варианты медицинских патологий
Атеросклероз – R1 увеличивается в 1,5 раза, R2 увеличивается в 15 раз, C1 уменьшается в 10 раз.
Вегето-сосудистая дистония – R1 уменьшается в 10 раз.
Тромбофлебит – C2 уменьшается в 10 раз. R2 увеличивается в 100 раз.
Спазм мелких сосудов – R2 увеличивается в 100 раз.
Характеристики
Тип файла документ
Документы такого типа открываются такими программами, как Microsoft Office Word на компьютерах Windows, Apple Pages на компьютерах Mac, Open Office - бесплатная альтернатива на различных платформах, в том числе Linux. Наиболее простым и современным решением будут Google документы, так как открываются онлайн без скачивания прямо в браузере на любой платформе. Существуют российские качественные аналоги, например от Яндекса.
Будьте внимательны на мобильных устройствах, так как там используются упрощённый функционал даже в официальном приложении от Microsoft, поэтому для просмотра скачивайте PDF-версию. А если нужно редактировать файл, то используйте оригинальный файл.
Файлы такого типа обычно разбиты на страницы, а текст может быть форматированным (жирный, курсив, выбор шрифта, таблицы и т.п.), а также в него можно добавлять изображения. Формат идеально подходит для рефератов, докладов и РПЗ курсовых проектов, которые необходимо распечатать. Кстати перед печатью также сохраняйте файл в PDF, так как принтер может начудить со шрифтами.
















