Электротехника Лекции (1065050), страница 17
Текст из файла (страница 17)
Наибольшее распространение получил метод непосредственной оценки. При этом числовое значение измеряемой величины определяется непосредственно по показаниям прибора, например величину тока по показаниям амперметра, напряжения – по показаниям вольтметра, сопротивления – по показаниям омметра и т.д. Это прямые измерения. Если измеряемая величина определяется по данным измерения других электрических величин путем вычисления этой величины, то такое измерение называется косвенным. Например, определение сопротивления по показаниям амперметра и вольтметра.
Метод сравнения широко используется для точных измерений. Он заключается в сравнении измеряемой величины с образцовой мерой такой же физической природы. Метод сравнения осуществляется с помощью мостовых или компенсационных схем.
7.4.2 Измерение тока и напряжения.
Для измерения величины тока в какой-либо цепи последовательно в цепь включают амперметр. Для измерения значения напряжения на каком-либо участке электрической цепи на элементе цепи подсоединяется параллельно им вольтметр.
Рис 7.6 а) применяются, как правило приборы магнитоэлектрической системы, в установках переменного тока используют преимущественно приборы электромагнитной системы.
М
ежду амперметром и вольтметром нет принципиальной разницы. Показания обоих приборов пропорциональны току, протекающему по рамке. Однако соответственно их назначению к ним
предъявляют совершенно противоположные требования:
амперметр должен иметь возможно меньшее сопротивление, а вольтметр возможно большее сопротивление. Для уменьшения погрешности измерения необходимо чтобы сопротивление амперметра было на два порядка меньше, а сопротивления вольтметра на два порядка больше сопротивления любого элемента измерения цепи.
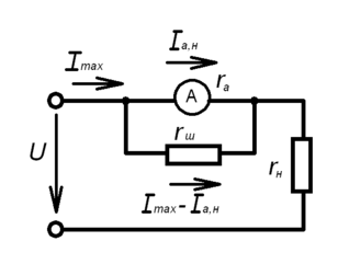
Для расширения предела измерения
Рис 7.6 б) амперметра ( в k раз) в цепях постоянного тока служат шунты-резисторы, включаемые параллельно амперметру (рис. 7.6,a).
Сопротивление шунта определяется из соотношения
rш (Imax – Iа,н) = rаIа,н ,
где Imax — наибольшее значение тока в контролируемой цепи (предел измерения тока амперметром при наличии шунта);
Iа,н — предельное (номинальное) значение тока прибора при отсутствии шунта.
Отсюда
.
Значение тока I в контролируемой цепи при существующей нагрузке определяется из соотношения
,
где Iа — показание амперметра.
Шкалу амперметра часто градуируют с учетом включенного шунта; тогда значение измеряемого тока I отсчитывается непосредственно по шкале прибора.
В цепях переменного тока для расширения пределов измерения амперметров используют трансформаторы тока.
Для расширения предела измерения вольтметра (в k раз) в цепях напряжением до 500 В обычно применяют добавочные резисторы, включаемые последовательно с обмоткой вольтметра (рис. 7.6, б).
Сопротивление добавочного резистора rд определяют из соотношения
,
где Umax - наибольшее значение измеряемого напряжения (предел измерения напряжения вольтметром при наличии добавочного резистора); Uв,н — предельное (номинальное) значение напряжения прибора при отсутствии добавочного резистора. Отсюда
.
Значение фактически измеряемого напряжения U определяется из соотношения
, U = kUв,
где Uв — показание вольтметра.
Шкалу вольтметра градуируют с учетом включенного добавочного резистора.
В цепях переменного тока высокого напряжения для расширения пределов измерения вольтметров применяют трансформаторы напряжения.
7.5. Измерение мощности и энергии в цепях переменного тока
7.5.1. Измерение активной мощности в цепях однофазного тока.
Для измерения мощности Р служат ваттметры электродинамической системы; схема включения ваттметра изображена на рис. 7.7.
Н
еподвижная обмотка 1—1 прибора называется токовой и включается в цепь последовательно. Подвижная обмотка 2—2 называется обмоткой напряжения и включается в цепь параллельно.
Т
ок I2 в обмотке напряжения 2—2
пропорционален напряжению U контролируемой цепи и совпадает с ним по фазе, а ток I1 равен току I нагрузки.
Рис 7.7 Момент, действующий на подвижную обмотку, равен
Mвр = CUI cos φ = CP,
где С — коэффициент пропорциональности.
Поскольку противодействующий момент Мпр пропорционален углу поворота а стрелки, отклонение стрелки пропорционально измеряемой активной мощности Р.
Для правильного включения ваттметра один из выводов токовой обмотки и один из выводов обмотки напряжения отмечают звездочками (*). Эти выводы, называемые генераторными, необходимо включать со стороны источника питания.
Следует отметить, что электродинамическими ваттметрами можно измерять также мощность в цепях постоянного тока.
7.5.2. Измерение активной и реактивной мощностей в цепях трехфазного тока.
Для измерения мощности трехфазного приемника применяют различные схемы включения ваттметров.
При симметричной нагрузке активную мощность Р можно измерить одним ваттметром, включенным по схемам рис. 7.8,а,б.
а) б) в)
Рис.7.8.
Общая мощность потребителя
P = 3W,
где W— показание ваттметра.
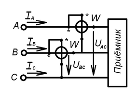
При несимметричной нагрузке мощность трехфазного приемника можно измерить тремя ваттметрами (рис. 7.8,в).
Общая мощность приемника в этом случае
P = W1 + W2 + W3 .
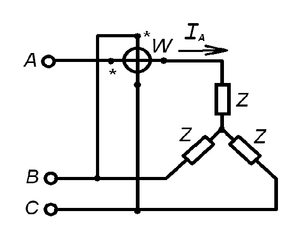
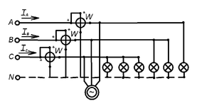
В трехпроводных системах трехфазного тока при симметричной и несимметричной нагрузках и любом способе соединения приемников широко распространена схем
а измерения мощности двумя ваттметрами (рис. 7.9 ).
На этой схеме токовые обмотки ваттметров включены в линейные провода А и В, а обмотки напряжения — на линейные напряжения UАС и UВС
П
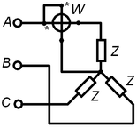
ри симметричной нагрузке реактивную мощность Q трехфазной системы можно измерить одним ваттметром (рис. 7.10 ).
В
этой схеме токовая обмотка включена в линейный провод А, а параллельная обмотка напряжения — на линейное напряжение UВС.
У
множая показание ваттметра на
, получаем значение реактивной мощности Q трехфазной сети при симметричной нагрузке.
7.5.3. Измерение электрической энергии в цепях переменного тока.
Для измерения энергии в цепях переменного тока применяются однофазные и трехфазные счетчики индукционной системы. Схемы включения однофазных счетчиков для измерения активной энергии Wа в однофазной в трехфазной цепях аналогичны схемам включения ваттметров, представленных на рис. 7.7, 7.8.
В трехфазных цепях активную энергию Wа, измеряют трех- или четырехэлементными трехфазными счетчиками. Трехэлементные счетчики конструктивно представляют собой три измерительные системы однофазных счетчиков, имеющих общую ось. Трехэлементные счетчики (рис. 7.11, а) используют в четырехпроводных цепях трехфазного тока.
Для измерения активной энергии в трехпроводниковых цепях применяют двухэлементные счетчики (рис. 7.11 б), объединяющие измерительные
системы двух однофазных счетчиков.
Обмотки этих систем включают по рассмотренной ранее схеме двух ваттметров (см. рис. 7.9).
Реактивную энергию Wр при симметричной нагрузке фаз трехпроводной сети можно измерить при помощи двух однофазных счетчиков, обмотки которых включены по схеме рис. 7.9, Значение Wp находят как разность показаний счетчиков, увеличенную в
раз. Кроме того, применяют специальные трехфазные счетчики реактивной энергии, используемые как при симметричной, так и при несимметричной нагрузках фаз.
7.6. Электронно—лучевой осциллограф
Электронно-лучевой осциллограф используется для визуального наблюдения, измерения и регистрации формы и параметров электрических сигналов в диапазоне частот от постоянного тока до десятков мегагерц.
Электронно-лучевые осциллографы обладают высокой чувствительностью и малой инерционностью, подразделяются на универсальные, запоминающие; специальные и др., могут быть одно-, двух- и многолучевыми.
Функциональная схема электронно-лучевого осциллографа приведена на рис.7.12.
Основным узлом осциллографа является вакуумная электронно-лучевая трубка ЭЛТ, которая преобразует электрические сигналы в световое изображение. Катод 2, подогреваемый нитью накала 1, является источником свободных электронов, которые формируются в электронный луч и фокусируются первым анодом 4 на экране 8 ЭЛТ. Ускорение электронов луча осуществляется вторым анодом 5. При соударении электронов с экраном 8 их кинетическая энергия преобразуется в световое излучение посредством катодолюминофоров, т. е. веществ, светящихся под действием бомбардировки их электронами. Время послесвечения (после прекращения действия электронного луча) может составлять от 0,05 до 20 с и более.
Изменяя отрицательный потенциал электрода 3 по отношению к катоду, можно воздействовать на значение тока электронного луча, а следовательно, и яркость свечения изображения на экране.
















