Лекция №10 (1058406)
Текст из файла
Лекция №10
Пояснения по работе портов МК AVR: DTR – регистр управления направлением ввода, разряд = 0 – ввод в МК, разряд = 1 – вывод из МК.
Используемые команды:
- IN;
- OUT;
- CBI PORTxY - установка 0 на выходных портах;
- SBI PORTxY - установка 1 на выходных портах;
- SBIC PORTxY – проверка бита на 0 на входной ножке порта;
- SBIS PORTxY – проверка бита на 1 на входной ножке порта.
Работа портов при асинхронном обмене
Способы обмена:
- с опросом состояния:
- с квитирующими сигналами. Обмен начинается с того, что МК адресует запрос к внешнему устройству по адресу этого внешнего устройства (ВУ):
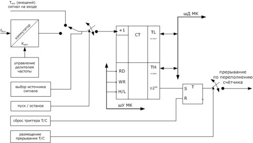
Таймеры и счётчики
Основные недостатки этого таймера-счётчика:
1) потеря времени на выполнение команд пуска и останова таймера, приводящая к появлению ошибки при изменении временных интервалов;
2) сложности при формировании временных интервалов либо меток времени, отличающихся от периода полного коэффициента счёта, который определяется:
3) невозможность одновременного обслуживания (измерения или формирования импульсного сигнала) сразу по нескольким каналам.
Функции таймера/счётчика:
1) таймер;
2) подсчёт импульсов;
3) сравнение – позволяет использовать как устройство, следящее за появлением события;
4) захват – схема наблюдения за уровнем напряжения. События захвата могут происходить как по положительному фронту сигнала, так и по отрицательному. Выбор типа захвата устанавливается в процессе инициализации таймера и может неоднократно изменяться программно.
Характеристики
Тип файла документ
Документы такого типа открываются такими программами, как Microsoft Office Word на компьютерах Windows, Apple Pages на компьютерах Mac, Open Office - бесплатная альтернатива на различных платформах, в том числе Linux. Наиболее простым и современным решением будут Google документы, так как открываются онлайн без скачивания прямо в браузере на любой платформе. Существуют российские качественные аналоги, например от Яндекса.
Будьте внимательны на мобильных устройствах, так как там используются упрощённый функционал даже в официальном приложении от Microsoft, поэтому для просмотра скачивайте PDF-версию. А если нужно редактировать файл, то используйте оригинальный файл.
Файлы такого типа обычно разбиты на страницы, а текст может быть форматированным (жирный, курсив, выбор шрифта, таблицы и т.п.), а также в него можно добавлять изображения. Формат идеально подходит для рефератов, докладов и РПЗ курсовых проектов, которые необходимо распечатать. Кстати перед печатью также сохраняйте файл в PDF, так как принтер может начудить со шрифтами.
















