КУРСАЧ (1058307), страница 4
Текст из файла (страница 4)
Таким образом, для мультиплексора первого уровня входные функции имеют вид:
;
;
-
Второй уровень мультиплексирования.
Согласно заданию, управляющей переменной была выбрана переменная
,
и
.
Таблица 4
| Функция |
|
| |
|
|
|
|
|
| | | |||||||
| | | |||||||
| | | |||||||
| | | |||||||
| | | |||||||
| | | |||||||
| | | |||||||
| | | |||||||
|
| | |||||||
|
| | |||||||
| | | |||||||
| | | |||||||
| | | |||||||
| | | |||||||
| | | |||||||
| | | |||||||
| |
| |||||||
| Функция |
|
| |
|
|
|
|
|
| | | |||||||
| |
| |||||||
| | | |||||||
| | | |||||||
| |
| |||||||
| |
| |||||||
| | | |||||||
| |
| |||||||
| |
| |||||||
| | | |||||||
| |
| |||||||
| | | |||||||
| |
| |||||||
| | | |||||||
| |
|
-
Карта Карно, устанавливающая соответствие информационных входов мультиплексоров заданным управляющим переменным.
Таким образом, для мультиплексора первого уровня входные функции имеют вид:
-
Минимизация логических функций после выделения управляющих переменных и приведение их к элементам Шеффера.
-
Обоснование выбора серии логических элементов.
Для построения устройств автоматики и вычислительной техники широкое применение находят цифровые микросхемы серии К 155, которые изготавливают по стандартной технологии биполярных микросхем транзисторно-транзисторной логики (ТТЛ). Имеется свыше 100 наименований микросхем серии К 155. При всех своих преимуществах - высоком быстродействии, обширной номенклатуре, хорошей помехоустойчивости - эти микросхемы обладают большой потребляемой мощностью. Поэтому им на смену выпускают микросхемы серии К555, принципиальное отличие которых - использование транзисторов с коллекторными переходами, зашунтированными диодами Шоттки. В результате транзисторы микросхем серии К555 не входят насыщение, что существенно уменьшает задержку выключения транзисторов. К тому же они значительно меньших размеров, что уменьшает емкости их р-п-переходов. В результате при сохранении быстродействия микросхем серии К555 на уровне серии К155 удалось уменьшить ее потребляемую мощность примерно в 4-5 раз.
-
Мультиплексор с 8-мью информационными входами.
В качестве мультиплексора с 8-мью информационными входами оптимальным выбором будет микросхема К555КП15. Микросхема представляет собой селектор-мультиплексор с восьмью каналами со стробированием. В зависимости от установленного на входах A, B и C сигналах, разрешается прохождение сигнала на выход Y1 только от одного из восьми информационных входов D0-D7, при этом на входе стробирования V должно быть установлено напряжение низкого уровня.
-
Мультиплексор с 2-мя информационными входами.
В качестве мультиплексора с 2-мя информационными входами оптимальным выбором будет микросхема К555КП16. Микросхема представляет собой четыре селектора-мультиплексора с двумя каналами со стробированием. В зависимости от установленного на вход A сигнала, разрешается прохождение сигнала на выход Y1 (Y2, Y3, Y4) только от одного из двух информационных входов, при этом на входе стробирования V должно быть установлено напряжение низкого уровня.
-
Двухвходовой логический элемент Шеффера.
В качестве двухвходового логического элемента Шеффера оптимальным выбором будет микросхема К555ЛА3. Микросхема представляет собой четыре логических элемента 2И-НЕ.
-
Функциональные схемы цифровых управлявших устройств.
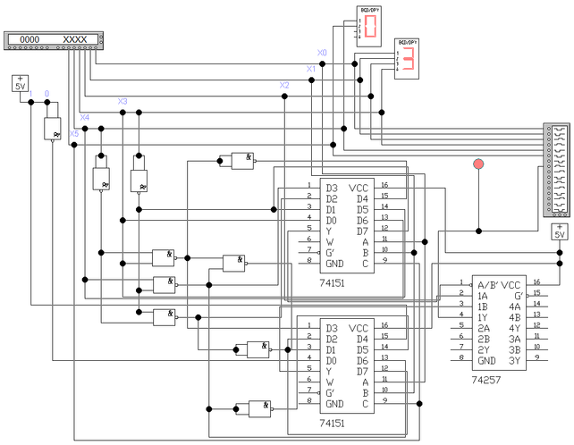
Функциональные схема разработанных цифровых управляющих устройств на основе мультиплексоров с 8-мью и 2-мя информационными входами представлена на рисунке № 4 (вариант 1) и № 5 (вариант 2) в приложении №1.
-
Схема цифровых управляющих устройств в обозначениях программы Electronics Workbench (EWB).
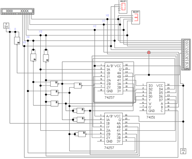
Схемы разработанных цифровых управляющих устройств в обозначениях программы Electronics Workbench (EWB) представлена на схеме № 4 (вариант 1) и № 5 (вариант 2) в приложении №2.
-
Сравнение вариантов синтеза Цифрового Устройства Управления.
Как видно из спецификации к функциональным схемам, Цифровое Устройство Управления на основе мультиплексора имеет меньше микросхем, а значит, при таком синтезе схема потребляет меньше мощности и выигрывает по стоимости.
Также при сравнении двух вариантов синтеза микросхем на основе мультиплексоров, мы видим важность правильного выбора управляющих переменных, так как при этом также можно уменьшить количество микросхем, а следовательно потребляемую мощность и стоимость.
Последовательность, в которой проходит мультиплексирование, также может повлиять на количество микросхем в ЦУУ. Но всё зависит от того какие микросхемы выбраны для построения ЦУУ.
-
Выводы.
При проектировании цифровых устройств, целесообразно применять схемы со средним уровнем интеграции. Это даёт возможность получить более дешёвый конечный продукт, чем в случае использования схем с низкой степенью интеграции.
В ходе выполнения работы, схемы, построенные на ИМС средней степен интеграции, оказались значительно проще (при этом, чем больше логических переменных, тем лучше это заметно), и для их реализации потребовалось меньшее количество элементов.
ЛИТЕРАТУРА.
1. Белоусов А.И., Ткачев С.Б. Дискретная математика. М.: Изд-во МГТУ им. Н.Э. Баумана, 2002. – 744 с.
2. Зельдин Е.А. Цифровые интегральные микросхемы в информационно-измерительной аппаратуре. - Л.; Энергоатомиздат, 1986. – 280 с.
3. Потемкин И.С. Функциональные узлы цифровой автоматики. - М.: Энергоатомиздат, 1988. - 320 с.
4. Применение интегральных микросхем в электронной вычислительной технике: Справочник. - М.: Радио и связь, I986. - 384 с.
5.Хоуп Г. Проектирование цифровых вычислительных устройств на интегральных схемах: Пер. с англ. - М.: Мир, I984. - 400 с.
6. Голдсуорт Б. Проектирование цифровых логических устройств. Машиностроение,
1985. - 288с.
7. Справочник по интегральным схемам. (Современное издание.)
Приложение 2
Схема №1. ЦУУ, заданной логической функции от 5-ти переменных на основе двух- и трехвходовых логических элементах Шеффера.
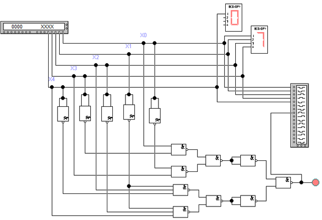
Схема №2. ЦУУ, заданной логической функции от 5-ти переменных на основе мультиплексоров с 4-мя информационными входами и элементов Пирса.
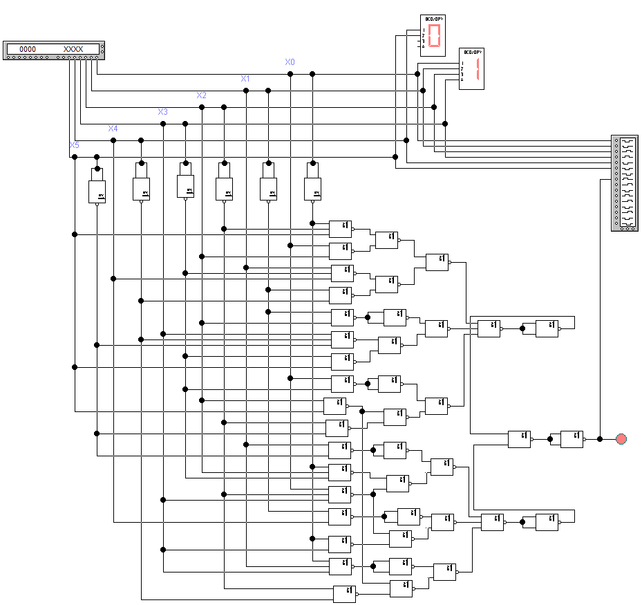
Схема №3. ЦУУ, заданной логической функции от 6-ти переменных на основе двух- и трехвходовых логических элементах Пирса.
Схема №4. ЦУУ, заданной логической функции от 6-ти переменных на основе мультиплексоров с 2-мя и 8-ю информационными входами (вариант 1) и двухвходовых логических элементов Шеффера.
Схема №5. ЦУУ, заданной логической функции от 6-ти переменных на основе мультиплексоров с 2-мя и 8-ю информационными входами (вариант 2) и двухвходовых логических элементов Шеффера.
81
















