PZ (1058089), страница 5
Текст из файла (страница 5)
3.4.2.2 Минимизация логической функции D1.
3.4.2.3 Минимизация логической функции D2.
3.4.2.4 Минимизация логической функции D3
3.4.2.5 Минимизация логической функции D4
3.4.2.6 Минимизация логической функции D5
3.4.2.7 Минимизация логической функции D6
3.4.2.8 Минимизация логической функции D7
Схема устройства в EWB5.12:
3.4.3. Обоснование выбора серии логических элементов
Для выбора серии микросхем сравним К155, К555 и К531 серии микросхем:
| Параметр | Единицы измерения | Серия | ||
| К155 | К555 | К531 | ||
| Потребляемая мощность на логический элем-т | мВт | 10 | 2 | 19 |
| Среднее время задержки распространения | нс | 9 | 9,5 | 3 |
| Энергия переключения | пДЖ | 90 | 19 | 57 |
| Входной ток лог. 0 | мА | 1,6 | 0,4 | 2 |
| Входной ток лог. 1 | мА | 0,04 | 0,02 | 0,05 |
| Выходной ток лог. 0 | мА | 16 | 8 | 20 |
| Выходной ток лог. 1 | мА | 0,4 | 0,4 | 1 |
| Параметры нагрузки: сопротивление | кОм | 0,4 | 2 | 0,28 |
Как видно из приведенной выше таблицы, серия К531 обладает наибольшей скоростью переключения, однако микросхемы этой серии потребляют огромное количество в мощности, что не совсем подходит для данной работы.
В тоже время, микросхемы серии К555 и К155 обладают примерно одинаковыми значениями скорости переключения, но К155 серия микросхем потребляет значительно больше мощности, нежели К555. Кроме того, энергия переключения 155 серии значительно ниже.
Основываясь на приведенных выше данных, целесообразным будет выбор К555 серии микросхем для выполнения данной работы.
3.4.3.1 Двухвходовой логический элемент Пирса
В качестве двухвходового логического элемента Пирса оптимальным выбором будет микросхема К555ЛЕ1. Микросхема представляет собой четыре логических элемента 2ИЛИ-НЕ.
3.4.3.2 Мультиплексор с 8-ю информационными входами
В качестве мультиплексора с 8-ю информационными входами оптимальным выбором будет микросхема К555КП7. Микросхема представляет собой селектор-мультиплексор на восемь каналов со стробированием. В зависимости от установленного на входах A,B,C кода разрешает прохождение сигнала на выходы Y1 и Y2 только от одного из восьми информационных входов D0-D7, при этом на входе стробирования V должно быть установлено напряжение низкого уровня. При высоком уровне напряжения на входе V выход Y1 устанавливается в состояние низкого уровня напряжения, а выход Y2 соответственно в состояние высокого уровня.
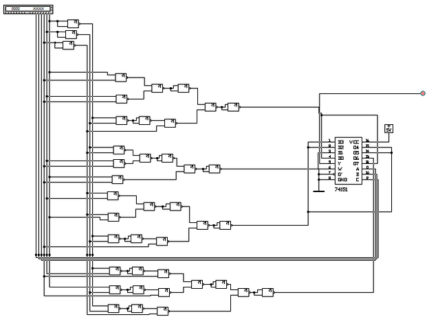
3.4.4 Функциональная схема цифрового управляющего устройства.
Функциональная схема разработанного цифрового управляющего устройства представлена на рисунке № 5.
4. Спецификация
Спецификация на все варианты ЦУУ приведена в Приложении 1.
5. Вывод
При выборе микросхем для проектирования и создания цифровых устройств, самым эффективным будет использование схем со средним уровнем интеграции. Данные схемы позволяют значительно снизить стоимость конечного продукта за счет значительного уменьшения количества необходимых схем.
В ходе выполнения работы, схемы, построенные на средних интегральных микросхемах, действительно оказались гораздо более компактными, нежели схемы с использование малых интегральных схем.
6. Список литературы
1. Методические указания к курсовой работе.
2. Цифровые и аналоговые интегральные микросхемы: Справочник / С.В.Якубовский, Л.И. Ниссельсон, В.И. Кулешова и др. – М.: Радио и связь, 1990. – 496 с.
3.Конспект лекций по “ЭУ в АСОИУ”..: Лекции. Преп. Ю.Г.Нестеров.– М.: МГТУ,2015.
4. Конспект лекций по Элементам управления АСОИУ: Лекции. Преп. Ю. Г. Нестеров (рукопись, 2015г.)
5. Дискретная математика.: Учебник для втузов. А.И.Белоусов, С.Б.Ткачев– М.: МГТУ, 2001-42с.
















