PZ (1058089), страница 2
Текст из файла (страница 2)
2.3 Синтез ЦУУ на основе логических элементов Пирса
Для организации схемы на элементах Пирса, необходимо привести функцию к базису ИЛИ-НЕ. Для этого воспользуемся формулой:
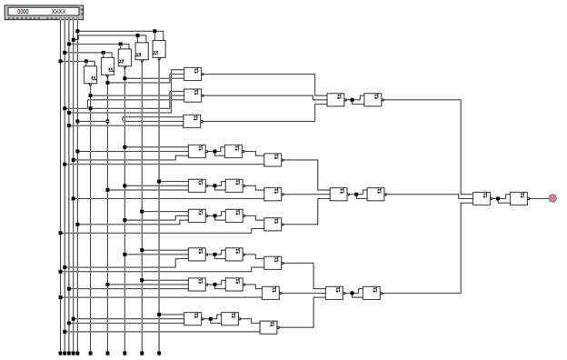
.Схема устройства в EWB5.12:
2.3.1 Обоснование выбора серий логических элементов
Для выбора серии микросхем сравним К155, К555 и К531 серии микросхем:
| Параметр | Единицы измерения | Серия | ||
| К155 | К555 | К531 | ||
| Потребляемая мощность на логический элем-т | мВт | 10 | 2 | 19 |
| Среднее время задержки распространения | нс | 9 | 9,5 | 3 |
| Энергия переключения | пДЖ | 90 | 19 | 57 |
| Входной ток лог. 0 | мА | 1,6 | 0,4 | 2 |
| Входной ток лог. 1 | мА | 0,04 | 0,02 | 0,05 |
| Выходной ток лог. 0 | мА | 16 | 8 | 20 |
| Выходной ток лог. 1 | мА | 0,4 | 0,4 | 1 |
| Параметры нагрузки: сопротивление | кОм | 0,4 | 2 | 0,28 |
Как видно из приведенной выше таблицы, серия К531 обладает наибольшей скоростью переключения, однако микросхемы этой серии потребляют огромное количество в мощности, что не совсем подходит для данной работы.
В тоже время, микросхемы серии К555 и К155 обладают примерно одинаковыми значениями скорости переключения, но К155 серия микросхем потребляет значительно больше мощности, нежели К555. Кроме того, энергия переключения 155 серии значительно ниже.
Основываясь на приведенных выше данных, целесообразным будет выбор К555 серии микросхем для выполнения данной работы.
2.3.1.1 Двухвходовой логический элемент Пирса
В качестве двухвходового логического элемента Пирса оптимальным выбором будет микросхема К555ЛЕ1. Микросхема представляет собой четыре логических элемента 2ИЛИ-НЕ.
2.3.1.2 Трехвходовой логический элемент Пирса
В качестве двухвходового логического элемента Пирса оптимальным выбором будет микросхема К555ЛЕ5. Микросхема представляет собой четыре логических элемента 3ИЛИ-НЕ.
2.3.2 Функциональная схема цифрового управляющего устройства.
Функциональная схема разработанного цифрового управляющего устройства представлена на рисунке № 1.
2.4 Синтез ЦУУ на основе мультиплексоров и логических элементов Шеффера (4+2 разрядные мультиплексоры).
2.4.1 Таблица, устанавливающая соответствие информационных входов мультиплексора заданным управляющим переменным.
Управляющие переменные: X2X0
| У |
| |
| | |
| 00001 | 1 |
|
|
|
|
| 00100 | 4 |
|
|
|
|
| 00110 | 6 |
|
|
|
|
| 00111 | 7 |
|
|
|
|
| 01000 | 8 |
|
|
|
|
| 01010 | 10 | |
|
|
|
| 01011 | 11 |
| |
|
|
| 01101 | 13 |
|
|
|
|
| 01110 | 14 |
|
|
|
|
| 10000 | 16 | |
|
|
|
| 10001 | 17 |
| |
|
|
| 10010 | 18 | |
|
|
|
| 10011 | 19 |
|
|
|
|
| 10100 | 20 |
|
| |
|
| 11000 | 24 |
|
|
|
|
| 11010 | 26 |
|
|
|
|
| 11100 | 28 |
|
|
|
|
| 11101 | 29 |
|
|
|
|
| 11110 | 30 |
|
| |
|
| 11111 | 31 |
|
|
| |
2.4.2 Минимизация логических функций после выделения управляющих переменных Мультиплексора 1-ого уровня
2.4.2.1 Минимизация логической функции D0.
2.4.2.2 Минимизация логической функции D1.
2.4.2.3 Минимизация логической функции D2.
2.4.2.4 Минимизация логической функции D3
Итого:
2.4.3 Cоответствие информационных входов мультиплексоров 2-ого уровня выбранным управляющим переменным.
Управляющие переменные: X3
2.4.3.1 Логические функции, подаваемые на вход D0 мультиплексора 1-ого уровня, минимизация и приведение к элементам Шеффера.
2.4.3.2 Логические функции, подаваемые на вход D1 мультиплексора 1-ого уровня, минимизация и приведение к элементам Шеффера.
2.4.3.3 Логические функции, подаваемые на вход D2 мультиплексора 1-ого уровня, минимизация и приведение к элементам Шеффера.
2.4.3.4 Логические функции, подаваемые на вход D3 мультиплексора 1-ого уровня, минимизация и приведение к элементам Шеффера.
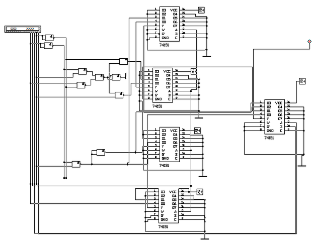
Схема устройства в EWB5.12:
2.4.4. Обоснование выбора серии логических элементов
Для выбора серии микросхем сравним К155, К555 и К531 серии микросхем:
| Параметр | Единицы измерения | Серия | ||
| К155 | К555 | К531 | ||
| Потребляемая мощность на логический элем-т | мВт | 10 | 2 | 19 |
| Среднее время задержки распространения | нс | 9 | 9,5 | 3 |
| Энергия переключения | пДЖ | 90 | 19 | 57 |
| Входной ток лог. 0 | мА | 1,6 | 0,4 | 2 |
| Входной ток лог. 1 | мА | 0,04 | 0,02 | 0,05 |
| Выходной ток лог. 0 | мА | 16 | 8 | 20 |
| Выходной ток лог. 1 | мА | 0,4 | 0,4 | 1 |
| Параметры нагрузки: сопротивление | кОм | 0,4 | 2 | 0,28 |
Как видно из приведенной выше таблицы, серия К531 обладает наибольшей скоростью переключения, однако микросхемы этой серии потребляют огромное количество в мощности, что не совсем подходит для данной работы.
















