PZ (1058089), страница 3
Текст из файла (страница 3)
В тоже время, микросхемы серии К555 и К155 обладают примерно одинаковыми значениями скорости переключения, но К155 серия микросхем потребляет значительно больше мощности, нежели К555. Кроме того, энергия переключения 155 серии значительно ниже.
Основываясь на приведенных выше данных, целесообразным будет выбор К555 серии микросхем для выполнения данной работы.
2.4.4.1 Двухвходовой логический элемент Шеффера
В качестве двухвходового логического элемента Шеффера оптимальным выбором будет микросхема К555ЛА3. Микросхема представляет собой четыре логических элемента 2И-НЕ.
2.4.4.2 Мультиплексор с 4-мя информационными входами
В качестве мультиплексора с 4-мя информационными входами оптимальным выбором будет микросхема К555КП2. Микросхема представляет собой сдвоенный селектор-мультиплексор 4-1 с общими входами выбора данных и раздельными входами стробирования. При высоком уровне напряжения на входе стробирования V соответствующий выход A/D устанавливается в состояние низкого уровня напряжения, в ином случае на выход приходит информация от выбранного входами S1, S2 информационного входа A/D0-A/D3.
2.4.4.3 Мультиплексор с 2-мя информационными входами
В качестве мультиплексора с 2-мя информационными входами оптимальным выбором будет микросхема К555КП16. Микросхема представляет собой счетверённый селектор-мультиплексор 2-1 с общими входами выбора данных и нераздельными входами стробирования.
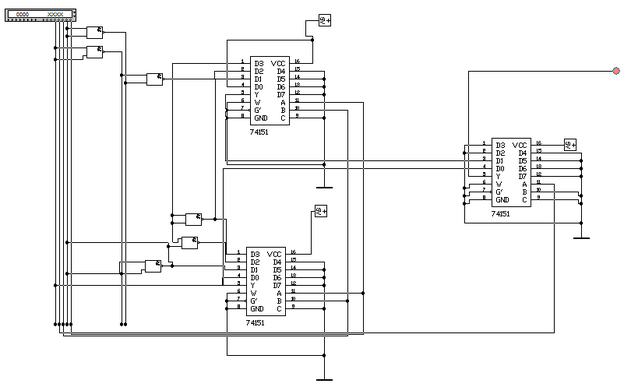
2.4.5 Функциональная схема цифрового управляющего устройства.
Функциональная схема разработанного цифрового управляющего устройства представлена на рисунке № 2.
2.5 Синтез ЦУУ на основе мультиплексоров и логических элементов Шеффера (2+4 разрядные мультиплексоры).
2.5.1 Таблица, устанавливающая соответствие информационных входов мультиплексора заданным управляющим переменным.
Управляющие переменные: X3
| У |
| | |
| 00001 | 1 | |
|
| 00100 | 4 | |
|
| 00110 | 6 | |
|
| 00111 | 7 | |
|
| 01000 | 8 |
| |
| 01010 | 10 |
| |
| 01011 | 11 |
| |
| 01101 | 13 |
| |
| 01110 | 14 |
| |
| 10000 | 16 | |
|
| 10001 | 17 | |
|
| 10010 | 18 | |
|
| 10011 | 19 | |
|
| 10100 | 20 | |
|
| 11000 | 24 |
| |
| 11010 | 26 |
| |
| 11100 | 28 |
| |
| 11101 | 29 |
| |
| 11110 | 30 | | |
| 11111 | 31 | |
2.5.2 Минимизация логических функций после выделения управляющих переменных Мультиплексора 1-ого уровня
2.5.2.1 Минимизация логической функции D0.
2.5.2.2 Минимизация логической функции D1.
Итого:
2.5.3 Cоответствие информационных входов мультиплексоров 2-ого уровня выбранным управляющим переменным.
Управляющие переменные: X2X0
2.5.3.1 Логические функции, подаваемые на вход D0 мультиплексора 1-ого уровня, минимизация и приведение к элементам Шеффера.
2.5.3.2 Логические функции, подаваемые на вход D1 мультиплексора 1-ого уровня, минимизация и приведение к элементам Шеффера.
Схема устройства в EWB5.12:
2.5.4. Обоснование выбора серии логических элементов
Для выбора серии микросхем сравним К155, К555 и К531 серии микросхем:
| Параметр | Единицы измерения | Серия | ||
| К155 | К555 | К531 | ||
| Потребляемая мощность на логический элем-т | мВт | 10 | 2 | 19 |
| Среднее время задержки распространения | нс | 9 | 9,5 | 3 |
| Энергия переключения | пДЖ | 90 | 19 | 57 |
| Входной ток лог. 0 | мА | 1,6 | 0,4 | 2 |
| Входной ток лог. 1 | мА | 0,04 | 0,02 | 0,05 |
| Выходной ток лог. 0 | мА | 16 | 8 | 20 |
| Выходной ток лог. 1 | мА | 0,4 | 0,4 | 1 |
| Параметры нагрузки: сопротивление | кОм | 0,4 | 2 | 0,28 |
Как видно из приведенной выше таблицы, серия К531 обладает наибольшей скоростью переключения, однако микросхемы этой серии потребляют огромное количество в мощности, что не совсем подходит для данной работы.
В тоже время, микросхемы серии К555 и К155 обладают примерно одинаковыми значениями скорости переключения, но К155 серия микросхем потребляет значительно больше мощности, нежели К555. Кроме того, энергия переключения 155 серии значительно ниже.
Основываясь на приведенных выше данных, целесообразным будет выбор К555 серии микросхем для выполнения данной работы.
2.5.4.1 Двухвходовой логический элемент Шеффера
В качестве двухвходового логического элемента Шеффера оптимальным выбором будет микросхема К555ЛА3. Микросхема представляет собой четыре логических элемента 2И-НЕ.
2.5.4.2 Мультиплексор с 4-мя информационными входами
В качестве мультиплексора с 4-мя информационными входами оптимальным выбором будет микросхема К555КП2. Микросхема представляет собой сдвоенный селектор-мультиплексор 4-1 с общими входами выбора данных и раздельными входами стробирования. При высоком уровне напряжения на входе стробирования V соответствующий выход A/D устанавливается в состояние низкого уровня напряжения, в ином случае на выход приходит информация от выбранного входами S1, S2 информационного входа A/D0-A/D3.
2.5.4.3 Мультиплексор с 2-мя информационными входами
В качестве мультиплексора с 2-мя информационными входами оптимальным выбором будет микросхема К555КП16. Микросхема представляет собой счетверённый селектор-мультиплексор 2-1 с общими входами выбора данных и нераздельными входами стробирования.
2.5.5 Функциональная схема цифрового управляющего устройства.
Функциональная схема разработанного цифрового управляющего устройства представлена на рисунке № 3.
3. Задача 2
3.1 Табличная форма и СДНФ функции
| № |
|
|
|
|
|
|
|
| 0 | 0 | 0 | 0 | 0 | 0 | 0 | 1 |
| 1 | 0 | 0 | 0 | 0 | 0 | 1 | 1 |
| 2 | 0 | 0 | 0 | 0 | 1 | 0 | 1 |
| 3 | 0 | 0 | 0 | 0 | 1 | 1 | 0 |
| 4 | 0 | 0 | 0 | 1 | 0 | 0 | 0 |
| 5 | 0 | 0 | 0 | 1 | 0 | 1 | 0 |
| 6 | 0 | 0 | 0 | 1 | 1 | 0 | 0 |
| 7 | 0 | 0 | 0 | 1 | 1 | 1 | 1 |
| 8 | 0 | 0 | 1 | 0 | 0 | 0 | 1 |
| 9 | 0 | 0 | 1 | 0 | 0 | 1 | 1 |
| 10 | 0 | 0 | 1 | 0 | 1 | 0 | 1 |
| 11 | 0 | 0 | 1 | 0 | 1 | 1 | 0 |
| 12 | 0 | 0 | 1 | 1 | 0 | 0 | 0 |
| 13 | 0 | 0 | 1 | 1 | 0 | 1 | 0 |
| 14 | 0 | 0 | 1 | 1 | 1 | 0 | 1 |
| 15 | 0 | 0 | 1 | 1 | 1 | 1 | 1 |
| 16 | 0 | 1 | 0 | 0 | 0 | 0 | 0 |
| 17 | 0 | 1 | 0 | 0 | 0 | 1 | 0 |
| 18 | 0 | 1 | 0 | 0 | 1 | 0 | 0 |
| 19 | 0 | 1 | 0 | 0 | 1 | 1 | 1 |
| 20 | 0 | 1 | 0 | 1 | 0 | 0 | 1 |
| 21 | 0 | 1 | 0 | 1 | 0 | 1 | 1 |
| 22 | 0 | 1 | 0 | 1 | 1 | 0 | 1 |
| 23 | 0 | 1 | 0 | 1 | 1 | 1 | 0 |
| 24 | 0 | 1 | 1 | 0 | 0 | 0 | 0 |
| 25 | 0 | 1 | 1 | 0 | 0 | 1 | 0 |
| 26 | 0 | 1 | 1 | 0 | 1 | 0 | 0 |
| 27 | 0 | 1 | 1 | 0 | 1 | 1 | 1 |
| 28 | 0 | 1 | 1 | 1 | 0 | 0 | 1 |
| 29 | 0 | 1 | 1 | 1 | 0 | 1 | 1 |
| 30 | 0 | 1 | 1 | 1 | 1 | 0 | 1 |
| 31 | 0 | 1 | 1 | 1 | 1 | 1 | 0 |
| 32 | 1 | 0 | 0 | 0 | 0 | 0 | 0 |
| 33 | 1 | 0 | 0 | 0 | 0 | 1 | 0 |
| 34 | 1 | 0 | 0 | 0 | 1 | 0 | 0 |
| 35 | 1 | 0 | 0 | 0 | 1 | 1 | 1 |
| 36 | 1 | 0 | 0 | 1 | 0 | 0 | 1 |
| 37 | 1 | 0 | 0 | 1 | 0 | 1 | 1 |
| 38 | 1 | 0 | 0 | 1 | 1 | 0 | 1 |
| 39 | 1 | 0 | 0 | 1 | 1 | 1 | 0 |
| 40 | 1 | 0 | 1 | 0 | 0 | 0 | 0 |
| 41 | 1 | 0 | 1 | 0 | 0 | 1 | 0 |
| 42 | 1 | 0 | 1 | 0 | 1 | 0 | 0 |
| 43 | 1 | 0 | 1 | 0 | 1 | 1 | 1 |
| 44 | 1 | 0 | 1 | 1 | 0 | 0 | 1 |
| 45 | 1 | 0 | 1 | 1 | 0 | 1 | 1 |
| 46 | 1 | 0 | 1 | 1 | 1 | 0 | 1 |
| 47 | 1 | 0 | 1 | 1 | 1 | 1 | 0 |
| 48 | 1 | 1 | 0 | 0 | 0 | 0 | 0 |
| 49 | 1 | 1 | 0 | 0 | 0 | 1 | 1 |
| 50 | 1 | 1 | 0 | 0 | 1 | 0 | 1 |
| 51 | 1 | 1 | 0 | 0 | 1 | 1 | 0 |
| 52 | 1 | 1 | 0 | 1 | 0 | 0 | 0 |
| 53 | 1 | 1 | 0 | 1 | 0 | 1 | 0 |
| 54 | 1 | 1 | 0 | 1 | 1 | 0 | 0 |
| 55 | 1 | 1 | 0 | 1 | 1 | 1 | 1 |
| 56 | 1 | 1 | 1 | 0 | 0 | 0 | 1 |
| 57 | 1 | 1 | 1 | 0 | 0 | 1 | 1 |
| 58 | 1 | 1 | 1 | 0 | 1 | 0 | 1 |
| 59 | 1 | 1 | 1 | 0 | 1 | 1 | 0 |
| 60 | 1 | 1 | 1 | 1 | 0 | 0 | 0 |
| 61 | 1 | 1 | 1 | 1 | 0 | 1 | 0 |
| 62 | 1 | 1 | 1 | 1 | 1 | 0 | 0 |
| 63 | 1 | 1 | 1 | 1 | 1 | 1 | 1 |
3.2 Построение карты Карно для функции Y2.
Представим таблицу функции в виде карты Карно. По столбцам отображаются значения переменных X2, X1, X0, а по строкам – X5,X4, X3.
















