[03.04.12] Лекция №9 (1044809)
Текст из файла
Лекция №9 [03.04.12]
Сети на основе кольца
Token Ring
Три технологии:
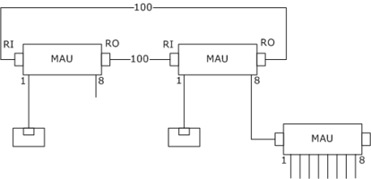
- на основе UTP cat 4, максимум 72 узла и 2 устройства MAU (у каждого по 8 портов).
RI – Ring In;
RO – Ring Out, на этих портах стоят заглушки.
- на основе STP, устройства S-TAU (максимум 12), максимум 255 узлов. Есть усилители на медном кабеле (TCR, расстояние между устройствами доступа 300 м) и на оптоволокне (TFR, расстояние между устройствами доступа 3 км).
- на оптоволокне, устройства F-TAU (максимум 12), максимальная длина кольца 36 км. Расстояние между устройствами доступа 3 км. Для подключения F-TAU нижнего уровня нужен конвертер, потому что на портах верхнего F-TAU оптический сигнал, а подключаем мы электрический. Конвертер TFC (уже с функцией усилителя).
FDDI
Скорость 100 мбит/сек, длина сети 100 км, число узлов 500. Есть ещё разновидности: SDDI (экранированная витая пара) и UDDI (неэкранированная витая пара), в обеих между узлами по 100 метров.
Максимальный размер пакета в FDDI и Token Ring – 4.5 КБ.
100VGAnyLAN
Может содержать 5 концентраторов. Максимум 6 лучей между узлами. Расстояние между соседними узлами (длина луча) UTP – 100 метров, STP – 150 метров, оптоволокно – 833 м.
Приоритетное обслуживание запросов. Если обычный запрос не был обслужен в течение 250 мс, то он переводится в разряд приоритетных. Используется многомодовое волокно.
Региональные сети
X.25
Коммутация пакетов. Есть пакетный адаптер, центр коммутации пакетов. Если сеть цифровая, то сразу в центр, а если аналоговая, то через адаптер. Центр связывается с другим центром. Максимальная скорость 384 кбит/сек. Модемы используются синхронные.
Frame Relay
Тоже коммутация пакетов. Скорость 1.5 мбит/сек. Сеть рассчитана на качественные линии связи (в основном, оптоволокно).
ATM
Строятся на коммутаторах (со встроенными маршрутизаторами) для связи со всем другими сетями (Ethernet, Token Ring). Скорость 150 мбит/сек, оптоволокно. В качестве основного элемента при передаче используется ячейка – 48 байт полезной информации и 5 служебной.
ISDN
Цифровые сети с интеграцией услуг. Магистральная скорость 2 МБ/сек, а абонентская – 64 КБ/сек.
Модемы
Аналоговые асинхронные модемы, V.34 – 33.6 кбит/сек.
Аналоговые модемы K.56 – 56 кбит/сек.
Аналоговые модемы факсимильной связи – 19.2 кбит/сек.
Аналоговый голосовой модем.
SVD-модем для аналоговых линий связи – одновременная передача голоса и данных.
Аналоговый синхронный модем для сетей X.25.
Четырёхпроводный модем на расстояние до 10 км – 100 кбит/сек.
LD-модемы с ограниченной дальностью действия – до 2 км скорость 2 Мбит/сек, потом падает.
Модемы сотовой связи.
Сетевые модемы.
ISDN-модемы.
Радиомодемы – радиочастота до 5 Ггц, скорость передачи 54 Мбит/сек, дальность передачи до 100 м. Функционирование существенно зависит от следующих параметров:
- чем выше частота передачи, тем выше скорость передачи, но тем меньше дальность;
- очень чувствительны к условиям окружающей среды;
Модемы семейства DSL:
- ADSL – Up: 640 кбит/сек, Down: 6 Мбит/сек.
- ADSL2 – Up: 640 кбит/сек, Down: 12 Мбит/сек.
- ADSL2+ – Up: 640 кбит/сек, Down: 24 Мбит/сек.
- VDSL – работают только на оптоволокне. Up: 1.5 Мбит/сек, Down: 15 Мбит/сек.
Особенности радиорелейной связи
Дальность связи
, где
и
- высоты радиоантенн.
Для передачи через тропосферу
, где
м.
Характеристики
Тип файла документ
Документы такого типа открываются такими программами, как Microsoft Office Word на компьютерах Windows, Apple Pages на компьютерах Mac, Open Office - бесплатная альтернатива на различных платформах, в том числе Linux. Наиболее простым и современным решением будут Google документы, так как открываются онлайн без скачивания прямо в браузере на любой платформе. Существуют российские качественные аналоги, например от Яндекса.
Будьте внимательны на мобильных устройствах, так как там используются упрощённый функционал даже в официальном приложении от Microsoft, поэтому для просмотра скачивайте PDF-версию. А если нужно редактировать файл, то используйте оригинальный файл.
Файлы такого типа обычно разбиты на страницы, а текст может быть форматированным (жирный, курсив, выбор шрифта, таблицы и т.п.), а также в него можно добавлять изображения. Формат идеально подходит для рефератов, докладов и РПЗ курсовых проектов, которые необходимо распечатать. Кстати перед печатью также сохраняйте файл в PDF, так как принтер может начудить со шрифтами.















