Руководство пользователя MSP430 (1041606), страница 3
Текст из файла (страница 3)
Некоторые функции периферии конфигурируются в SFRs. Регистры специального назначения расположены в низших 16-ти байтах адресного пространства и организованы в виде байтов. Обращение к регистрам SFRs производится только с использованием однобайтных команд. Назначение отдельных битов регистров SFRs описано в техническом руководстве на каждое конкретное устройство.
1.4.5 Организация памяти
Байты расположены в четных или нечетных адресах. Слова располагаются только в четных адресах, как показано на рис.1.3. При работе с командами-словами должны использоваться только четные адреса. Младший байт слова всегда расположен по четному адресу. Старший байт – в следующем нечетном адресе. Например, если слово данных расположено по адресу xxx4h, то младший байт слова данных будет иметь адрес xxx4h, а старший байт слова адрес xxx5h.
Рис.1-3 Биты, байты и слова в памяти, организованной побайтно
Раздел 2. Системный сброс, прерывания и рабочие режимы
Этот раздел описывает системный сброс, прерывания и рабочие режимы семейства MSP430x1xx.
Системный сброс и инициализация
В схеме системного сброса, показанной на рис. 2.1 источниками сброса могут быть сигналы сброса при включении (POR) и очистки при включении (PUC). Различные события и исходные условия определяют, какой именно из этих сигналов будет сгенерирован.
Рис.2-1 Схема сброса (POR) и очистки (PUC) при включении
Сигнал POR сбрасывает устройство. Он может быть сгенерирован в следующих двух случаях:
-
включение устройства;
-
появление сигнала низкого уровня на выводе RST/NMI, когда он сконфигурирован как вход сигнала «сброса».
Сигнал PUC генерируется всегда при появлении сигнала POR, cигнал POR не генерируется cигналом PUC. Следующие события приводят к появлению сигнала PUC:
-
сигнал POR;
-
срабатывание «сторожевого» таймера (только если сторожевой таймер активирован);
-
произошло нарушение ключа безопасности «сторожевого» таймера;
-
произошло нарушение ключа безопасности Flash-памяти.
2.1.1 Сброс при включении питания (POR)
Когда напряжение Vcc повышается медленно, детектор POR удерживает сигнал POR в активном состоянии до тех пор, пока Vcc не превысит уровень V(POR), как показано на рис.2.2. Когда питающее напряжение Vcc повышается быстрее задержки POR, сигнал POR удерживается в активном состоянии в течение времени t(POR_DELAY) для корректной инициализации MSP430.
Если питающее напряжение циклически изменяется, его уровень должен упасть ниже значения V(min), чтобы гарантировано появился новый сигнал POR, когда напряжение восстановится снова. Если напряжение Vcc не падает ниже уровня V(min) в течение цикла или появляется кратковременная импульсная помеха, сигнал POR не генерируется и состояние после включения может быть некорректным. Точные параметры можно узнать из руководства по конкретному устройству.
Рис.2-2 Временные диаграммы сигнала POR
2.1.2 Сброс при пониженном напряжении питания (BOR)
Некоторые устройства имеют схему сброса при пониженном напряжении питания (см. соответствующие справочные данные), вместо схемы детектирования и задержки POR. Схема сброса при пониженном напряжении питания детектирует понижение питающего напряжения, например, напряжение, подаваемое или снимаемое с вывода Vcc. Схема сброса при пониженном напряжении сбрасывает устройство, вызывая появление POR-сигнала, когда напряжение прикладывается или снимается. Рабочие уровни показаны на рис.2.3.
Сигнал POR становится активным, когда напряжение Vcc достигает уровня Vcc(start). И остается активным до тех пор, пока Vcc не пересечет порог V(B_IT+) и не закончится выдержка t(BOR). Адаптивная задержка t(BOR) бывает больше при медленном изменении Vcc. Гистерезис VHys(B_IT-) введен, чтобы гарантировать, что питающее напряжение должно снизится ниже уровня V(B_IT-), прежде чем схемой сброса будет сгенерирован другой сигнал POR.
Рис.2-3 Временные диаграммы схемы сброса при пониженном напряжении питания
Поскольку уровень V(B_IT-) значительно выше уровня V(min) схемы POR, система BOR обеспечивает сброс при сбоях в источнике питания, когда напряжение Vcc не падает ниже уровня V(min). Точные параметры можно узнать из руководства по конкретному устройству.
2.1.3 Исходное состояние устройства после системного сброса
После снятия сигнала POR, MSP430 переходит в следующее состояние:
-
Вывод RST/NMI конфигурируется как вход «сброса»
-
Выводы ввода/вывода переключаются в режим ввода в соответствии с описанием в разделе «Цифровые входы/выходы»
-
Другие периферийные модули и регистры инициализируются так, как описано в соответствующих разделах этого руководства
-
Регистр статуса (SR) сбрасывается
-
Сторожевой таймер активизируется в сторожевом режиме
-
В программный счетчик загружается адрес, содержащийся в вектора сброса (0FFFEh). ЦПУ начинает выполнять команды с этого адреса.
Программная инициализация
После системного сброса пользовательское программное обеспечение должно инициализировать MSP430 в соответствии с требованиями конкретного приложения. Необходимо выполнить следующие действия:
-
Инициализировать указатель стека SP (как правило, указывается вершина ОЗУ)
-
Инициализировать сторожевой таймер в зависимости от требований приложения
-
Сконфигурировать периферийные модули в зависимости от требований приложения
Дополнительно можно оценить состояние флагов сторожевого таймера, флэш-памяти и неисправности осциллятора для определения источника сброса.
2.2 Прерывания
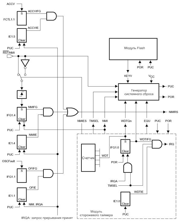
Приоритеты прерываний показаны на рис. 2.4. Приоритеты определяются порядком расположения модулей в соединяющей их цепи. Чем ближе модуль к ЦПУ/NMIRS, тем выше его приоритет.
Прерывания делятся на три типа:
-
Системное (системный сброс)
-
Немаскируемое (NMI)
-
Маскируемое
Рис.2-4 Приоритеты прерываний
2.2.1 Немаскируемые прерывания
Немаскируемые прерывания NMI не маскируются общим битом разрешения прерываний (GIE), но могут управляться индивидуальными битами включения прерывания (ACCVIE, NMIIE, OFIE). Когда происходит немаскируемое прерывание NMI, все биты разрешения NMI-прерываний автоматически сбрасываются. Выполнение программы продолжается с адреса, содержащегося в векторе немаскируемого прерывания (0FFFCh). Программное обеспечение пользователя должно установить необходимые биты NMI-прерывания, чтобы оно было разрешено вновь. Блок-схема источников NMI-прерываний показана на рис.2.5.
Немаскируемое прерывание NMI может быть вызвано тремя событиями:
-
Появление фронта сигнала на выводе RST/NMI
-
Появление неисправности осциллятора
-
Нарушение доступа к флэш-памяти
Вывод Reset/NMI
При включении микроконтроллера вывод RST/NMI конфигурируется как вывод сброса. Его функциональное назначение определяется в регистре управления сторожевым таймером WDTCTL. Если вывод RST/NMI запрограммирован на функцию сброса, ЦПУ будет находиться в состоянии сброса до тех пор, пока на этом выводе присутствует сигнал низкого уровня. После смены уровня на этом входе на лог.«1», ЦПУ начинает выполнять программу с команды, адрес которой хранится в векторе сброса (0FFFEh).
Если вывод RST/NMI сконфигурирован программой пользователя как вход вызова немаскируемого прерывания, фронт сигнала, выбранного битом NMIES вызовет NMI-прерывание, если установлен бит NMIIE. Также будет установлен флаг NMIFG.
| Примечание: Удержание вывода RST/NMI в состоянии лог.«0». |
| Примечание: Модификация NMIES. |
Рис.2-5 Блок-схема источников немаскируемого прерывания
Неисправность осциллятора
Сигнал неисправности осциллятора позволяет предотвратить ошибки, связанные с неправильным функционированием осциллятора. Установкой бита OFIE можно разрешить генерацию NMI-прерывания при неисправности осциллятора. С помощью флага OFIFG процедура обработки NMI-прерывания может проверить, было ли NMI-прерывание вызвано неисправностью осциллятора.
Сигнал неисправности осциллятора может быть вызван PUC-сигналом, поскольку он переводит осциллятор LFXT1 из режима HF в режим LF. Сигнал PUC также отключает осциллятор XT2.
Нарушение доступа к Flash-памяти
Флаг ACCVIFG устанавливается, когда происходит нарушение доступа к Flash-памяти. Генерация NMI-прерывания при нарушении доступа к Flash-памяти происходит при установленном бите ACCVIE. Проверкой флага ACCVIFG в процедуре обработки NMI-прерывания можно определить, было ли вызвано прерывание нарушением доступа к Flash-памяти.
Пример программы обработки немаскируемого прерывания NMI
NMI-прерывание имеет много возможных источников. NMI-прерывание автоматически сбрасывает биты разрешения прерываний NMIIE, OFIE и ACCVIE. Пользовательская процедура обработки NMI-прерывания сбрасывает флаги прерывания и включает биты разрешения прерываний в соответствии с требованиями приложения так, как показано на рис.2.6.
Рис.2-6 Алгоритм процедуры обработки NMI-прерывания
| Примечание: Разрешение NMI-прерывания с помощью ACCVIE, NMIIE и OFIE |
2.2.2 Маскируемые прерывания
Маскируемые прерывания вызываются периферийными устройствами, имеющими возможность вызова прерываний, включая ситуацию переполнения сторожевого таймера в активном режиме. С помощью индивидуальных битов разрешения прерывания можно отключать источники прерываний как по отдельности, так и все сразу с использованием общего бита разрешения всех прерываний (GIE) в регистре статуса (SR).
Каждое конкретное периферийное прерывание будет рассмотрено в этом руководстве в разделе описания соответствующего периферийного устройства.
2.2.3 Обработка прерывания
Если периферийное устройство запросило прерывание и включены биты общего разрешения прерываний GIE и индивидуальный бит разрешения прерывания от этого устройства, будет вызвана процедура обработки прерывания. Для вызова немаскируемого (NMI) прерывания достаточно установки только индивидуального бита разрешения прерывания.
Получение прерывания
Время задержки вызова прерывания составляет 6 машинных циклов, с момента приема запроса на прерывание и до начала выполнения первой команды процедуры обработки прерывания, как показано на рис.2.7. Логика обработки запроса прерывания имеет следующую последовательность:
-
Любая текущая команда выполняется до конца;
-
Содержимое программного счетчика PC, указывающего на следующую команду, помещается в стек;
-
Содержимое регистра статуса SR помещается в стек;
-
Если поступило несколько прерываний во время выполнения последней команды, обрабатывается прерывание с наивысшим приоритетом, остальные ожидают обслуживания;
-
Автоматически сбрасывается флаг одного источника прерывания. Флаги запроса остальных прерываний остаются установленными в ожидании обслуживания программным обеспечением.
-
Регистр SR очищается, за исключением бита SCG0, остающегося неизменным. Процессор переходит из режима пониженного потребления в активный режим;
-
Содержимое вектора прерывания загружается в РС и начинается выполнение процедуры обработки прерывания с загруженного адреса.
Возврат из прерывания
Подпрограмма обработки прерывания заканчивается такой командой:
















