Руководство пользователя MSP430 (1041606), страница 9
Текст из файла (страница 9)
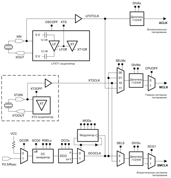
Основной модуль тактирования включает в себя два или три источника тактовых импульсов:
-
LFXT1CLK: низкочастотный / высокочастотный осциллятор, который может использоваться как с низкочастотными часовыми кварцевыми резонаторами на 32768 Гц, так и со стандартными кристаллами, резонаторами или внешними источниками тактирования в диапазоне от 450 кГц до 8 МГц.
-
XT2CLK: дополнительный высокочастотный осциллятор может использоваться со стандартными кристаллами, резонаторами или внешними источниками тактовых сигналов в диапазоне от 450 кГц до 8 МГц.
-
DCOCLK: встроенный осциллятор с цифровым управлением (DCO) с характеристикой RC- типа.
От основного модуля тактирования можно получить три тактовых сигнала:
-
ACLK: вспомогательное тактирование. Модуль ACLK – это буферизированный LFXT1CLK источник тактовых импульсов с делителем на 1, 2, 4 или 8. ACLK программно выбирается для конкретных периферийных модулей.
-
MCLK: основное тактирование. Модуль MCLK программно выбирается как LFXT1CLK, XT2CLK (если доступен) или DCOCLK. MCLK делится на 1, 2, 4 или 8. MCLK используется ЦПУ и системой.
-
SMCLK: второстепенное тактирование. Модуль SMCLK программно выбирается как LFXT1CLK, XT2CLK (если доступен) или DCOCLK. SMCLK делится на 1, 2, 4 или 8. SMCLK программно выбирается для конкретных периферийных модулей.
Блок-схема основного модуля тактирования показана на рис.4.1.
Рис.4-1 Блок-схема основного тактирования
Примечание: XT2 осциллятор
Осциллятор XT2 отсутствует в устройствах MSP430x11xx и MSP430x12xx. Вместо XT2CLK используется LFXT1CLK.
4.2 Функционирование основного модуля тактирования
После сигнала PUC источником для модулей MCLK и SMCLK является DCOCLK c частотой около 800 кГц (см. параметры в справочном руководстве конкретного устройства) и LFXT1 для модуля ACLK в режиме LF.
Управляющие биты регистра статуса SCG0, SCG1, OSCOFF и CPUOFF конфигурируют рабочие режимы MSP430 и позволяют включать или отключать отдельные части основного модуля тактирования. См. раздел «Сброс, прерывания и рабочие режимы». С помощью регистров DCOCTL, BCSCTL1 и BCSCTL2 осуществляется конфигурирование основного модуля тактирования.
Основное тактирование может конфигурироваться и реконфигурироваться программным обеспечением в любой момент времени в ходе выполнения программы, например:
BIS.B #RSEL2+RSEL1+RSEL0,&BCSCTL1
BIS.B #DCO2+DCO1+DCO0,&DCOCTL; установка максимальной частоты DCO
4.2.1 Возможности основного модуля тактирования в приложениях с малым потреблением мощности
В приложениях на основе MSP430x1xx с питанием от батарей обычно существуют следующие противоречивые требования:
-
Низкая тактовая частота для экономии энергии и увеличения времени работы от батарей;
-
Высокая тактовая частота для быстрой реакции на события и обеспечения возможности быстрой обработки информации
Основной модуль тактирования позволяет пользователю обходить вышеперечисленные противоречия путем выбора наиболее оптимального из трех возможных сигналов тактирования: ACLK, MCLK и SMCLK. Для оптимальной производительности с низким энергопотреблением модуль ACLK может быть сконфигурирован на работу от часового кварцевого резонатора на 32768 Гц, обеспечивающим стабильное тактирование для системы и малое потребление в режиме ожидания. MCLK может настраиваться на работу от интегрированного модуля DCO, который активируется только при появлении запроса на обработку прерывания. SMCLK можно конфигурировать на работу как от часового кварцевого резонатора, так и от DCO, в зависимости от требований периферии. Гибкое распределение тактовых сигналов и наличие система деления тактовой частоты обеспечивает тонкую настройку индивидуальных потребностей тактирования.
4.2 Функционирование основного модуля тактирования
После сигнала PUC источником для MCLK и SMCLK является DCOCLK c частотой около 800 кГц (см. параметры в справочном руководстве конкретного устройства) и LFXT1 для ACLK в режиме LF.
Управляющие биты регистра статуса SCG0, SCG1, OSCOFF и CPUOFF конфигурируют рабочие режимы MSP430 и позволяют включать или отключать отдельные части основного модуля тактирования. См. раздел «Системный сброс, прерывания и рабочие режимы». С помощью регистров DCOCTL, BCSCTL1 и BCSCTL2 осуществляется конфигурирование основного модуля тактирования.
Основное тактирование может конфигурироваться и реконфигурироваться программным обеспечением в любой момент времени в ходе выполнения программы, например:
BIS.B #RSEL2+RSEL1+RSEL0,&BCSCTL1 ;
BIS.B #DCO2+DCO1+DCO0,&DCOCTL ; установка максимальной частоты DCO
4.2.1 Возможности основного модуля тактирования в приложениях с малым потреблением мощности
В приложениях на основе MSP430x1xx с питанием от батарей обычно существуют следующие противоречивые требования:
-
Низкая тактовая частота для экономии энергии и увеличения времени работы от батарей
-
Высокая тактовая частота для быстрой реакции на события и возможность быстрой обработки информации
Основной модуль тактирования позволяет пользователю обходить вышеперечисленные противоречия путем выбора наиболее оптимального из трех возможных сигналов тактирования: ACLK, MCLK и SMCLK. Для оптимальной производительности при низком энергопотреблении ACLK можно сконфигурировать на работу от часового кварцевого резонатора на 32768 Гц, обеспечивающего стабильное тактирование системы и малое потребление в режиме ожидания. MCLK может настраиваться на работу от интегрированного модуля DCO, который активируется только при появлении запроса на обработку прерывания. SMCLK можно конфигурировать на работу как от часового кварцевого резонатор, так и от DCO, в зависимости от требований периферии. Гибкое распределение тактовых сигналов и наличие системы деления тактовой частоты обеспечивает тонкую настройку для удовлетворения индивидуальных потребностей в тактировании.
4.2.2 Осциллятор LFXT1
В режиме LF (XTS=0) осциллятор LFXT1 обеспечивает ультранизкое потребление тока при использовании часового кварцевого резонатор на 32768 Гц. Часовой кварцевый резонатор подключается к выводам XIN и XOUT без каких-либо дополнительных компонентов. При работе осциллятора LFXT1 в режиме LF используются внутренние нагрузочные конденсаторы на 12 пФ. Они включаются последовательно, обеспечивая нагрузку 6 пФ, необходимую для стандартного кварцевого резонатор 32768 Гц. При необходимости могут быть добавлены дополнительные конденсаторы.
Осциллятор LFXT1 также поддерживает высокочастотные кристаллы или резонаторы, когда находится в режиме HF (XTS=1). Высокоскоростные кристаллы или резонаторы подключаются к выводам XIN и XOUT и нуждаются в использовании внешних конденсаторов на обоих выводах. Параметры конденсаторов должны соответствовать требованиям, приведенным в спецификациях кристаллов или резонаторов.
Программное обеспечение может отключить осциллятор LFXT1 установкой OSCOFF, если этот сигнал не используется в качестве источника для SMCLK или MCLK, как показано на рис. 4.2.
Рис.4-2 Сигналы выключения осциллятора LFXT1
| Примечание: характеристики осциллятора LFXT1 |
4.2.3 Осциллятор XT2
Некоторые устройства имеют второй кристаллический осциллятор XT2. XT2 является источником сигнала XT2CLK, а его характеристики идентичны LFXT1 в режиме HF. Бит XT2OFF отключает осциллятор XT2, если XT2CLK не используется для MCLK или SMCLK, как показано на рис. 4.3.
Рис.4-3 Сигналы выключения осциллятора XT2
4.2.4 Осциллятор с цифровым управлением (DCO)
DCO представляет собой интегрированный автогенератор с характеристикой RC-типа. Как у любого осциллятора RC-типа, его частота зависит от температуры, напряжения и отличается от устройства к устройству. Частота DCO может подстраиваться программным обеспечением с помощью битов DCOx, MODx и RSELx. Цифровое управление осциллятором позволяет стабилизировать частоту, несмотря на характеристику RC-типа.
Отключение DCO
Программное обеспечение может отключать DCOCLK, когда он не используется в качестве источника для SMCLK или MCLK, как показано на рис.4.4.
Рис.4-4 Включение/выключение DCO
Подстройка частоты DCO
После сигнала PUC для DCO генератора выбирается встроенный резистор, устанавливаются значения RSELx=4 и DCOx=3, в результате DCO стартует с усредненной частоты. В качестве источника для MCLK и SMCLK используется DCOCLK. Поскольку при выполнении кода ЦПУ тактируется от сигнала MCLK, который использует быстростартующий DCO, выполнение кода начинается менее чем через 6 мкС после сигнала PUC.
Частота DCOCLK устанавливается следующими способами:
-
Фундаментальная частота определяется инжекцией тока в DC генератор через внутренний либо внешний резистор. Бит DCOR позволяет выбрать внутренний или внешний резистор.
-
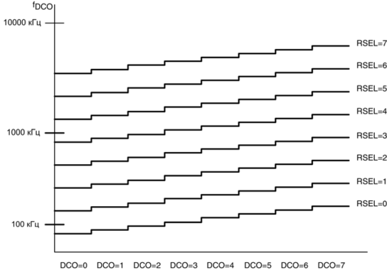
Три бита RSELx позволяют выбрать для DCO один из восьми номинальных диапазонов частот. Эти диапазоны определены для конкретного устройства в соответствующем ему справочном руководстве.
-
Три бита DCOx делят диапазон DCO, выбранный с помощью битов RSELx на 8 уровней частоты, различающихся примерно на 10%.
-
Пять битов MODx выполняют переключение между частотой, устанавливаемой битами DCOx и следующей более высокой частотой, устанавливаемой DCO+1.
Диапазоны DCOx и RSELx, а также возможные шаги изменения частоты показаны на рис. 4.5.
Рис.4-5 Диапазон DCOx и шаги RSELx
Использование внешнего резистора (Rosc) для DCO
Температурный коэффициент DCO может быть уменьшен при использовании внешнего резистора Rosc в качестве источника тока для DC генератора. На рис. 4.6 показана типичная зависимость частоты DCO от температуры для встроенного и внешнего резисторов. Использование внешнего резистора Rosc уменьшает температурный коэффициент DCO примерно на -0.05%/С. Подробные характеристики приведены в справочном руководстве на конкретное устройство.
Резистор Rosc также позволяет работать DCO на высоких частотах. К примеру, встроенный резистор с номинальным сопротивлением около 200 кОм позволяет работать модулю DCO на частоте приблизительно до 5 МГц. Когда используется внешний резистор Rosc сопротивлением около 100 кОм, DCO может работать на частотах до 10 МГц. Пользователю необходимо соблюдать осторожность, чтобы не превысить максимальную частоту MCLK, указанную в справочных данных, даже если DCO способен работать на более высоких частотах.
Рис.4-6 Зависимость частоты модуля DCO от температуры
4.2.5 DCO модулятор
Модулятор смешивает две DCO-частоты: fDCO и fDCO+1, вырабатывая промежуточную эффективную частоту между fDCO и fDCO+1 и распределяет энергию тактирования, что приводит к снижению электромагнитных помех (EMI1). Модулятор смешивает частоты fDCO и fDCO+1 для 32 тактовых циклов DCOCLK и может конфигурироваться с помощью битов MODx. Когда MODx=0, модулятор выключен.
Смешивание частот модулятором происходит согласно следующей формуле:
t=(32-MODx) * tDCO + MODx * tDCO+1
Поскольку fDCO меньше эффективной частоты, а fDCO+1 выше, погрешность эффективной частоты в сумме равна нулю. Накопления погрешности не происходит. Погрешность эффективной частоты равна нулю каждые 32 цикла DCOCLK. На рис. 4.7 показана работа модулятора.
Параметры настройки модулятора и управления DCO конфигурируются программно. Сигнал DCOCLK может сравниваться со стабильной, заранее известной частотой и подстраиваться с помощью битов DCOx, RSELx и MODx. Замечания по применению и примеры кода для конфигурирования DCO можно найти на сайте http://www.ti.com/sc/msp430.
Рис.4-7 Диаграмма сигналов модулятора
















