Руководство пользователя MSP430 (1041606), страница 24
Текст из файла (страница 24)
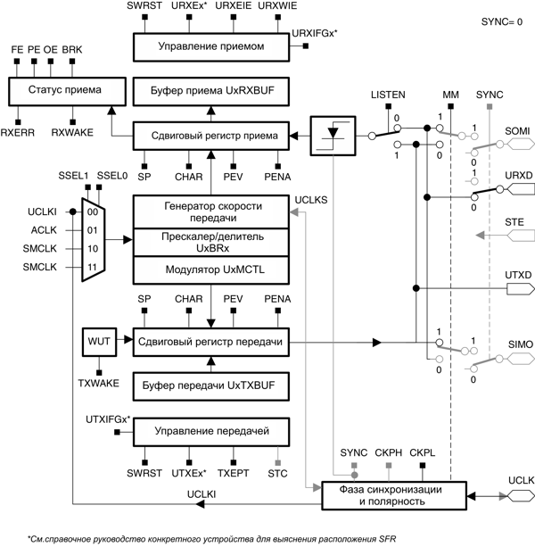
13.1 Введение в USART: режим UART
В асинхронном режиме USART подключает MSP430 к внешней системе через два внешних вывода: URXD и UTXD. Режим UART выбирается при очистке бита SYNC.
Режим UART имеет следующие возможности:
-
7- или 8-разрядные данные с проверкой четности/нечетности и без контроля четности
-
Независимые сдвиговые регистры передачи и приема
-
Раздельные буферные регистры передачи и приема
-
Передача и прием начинаются с младшего бита данных
-
Встроенные коммуникационные протоколы свободной линии и адресного бита для многопроцессорных систем
-
Определение в приемнике стартового фронта сигнала для автоматического пробуждения из режимов LPMx
-
Программируемая скорость передачи с модуляцией для поддержки дробных величин скоростей
-
Флаги статуса для обнаружения ошибок, блокировки и определения адреса
-
Возможны независимые прерывания для приема и передачи
На рис.13-1 показан USART, сконфигурированный в режиме UART.
Рис.13-1 Блок-схема USART в режиме UART
13.2 Работа USART: режим UART
В режиме UART модуль USART передает и принимает символы на скорости, асинхронной другому устройству. Синхронизация каждого символа основана на выбранной скорости передачи USART. Для выполнения функций передачи и приема используется одинаковая скорость в бодах.
13.2.1 Инициализация и сброс USART
Модуль USART сбрасывается сигналом PUC или при установке бита SWRST. После PUC бит SWRST автоматически устанавливается, оставляя USART в состоянии сброса. Когда бит SWRST установлен, сброшены биты URXIEx, UTXIEx, URXIFGx, RXWAKE, TXWAKE, RXERR, BRK, PE, OE, FE и установлены биты UTXIFGx и TXEPT. Флаги разрешения приема и передачи URXEx и UTXEx не изменяются битом SWRST. Очистка SWRST позволяет модулю USART функционировать. См. также раздел «Модуль USART, режим I2C» при реконфигурировании USART0 из режима I2C в режим UART.
| Примечание: Инициализация и реконфигурирование модуля USART Процесс инициализации/реконфигурирования USART необходимо выполнять так:
Невыполнение этой последовательности может привести к непредсказуемому поведению USART. |
13.2.2 Формат символа
Формат символа USART, показанный на рис.13-2, содержит стартовый бит, семь или восемь битов данных, бит контроля четности, адресный бит (в адресном режиме) и один или два стоповых бит. Период битов определяется выбранным источником тактовых импульсов и настройкой регистров скорости передачи.
Рис.13-2 Формат символа
13.2.3 Асинхронные коммуникационные форматы
Когда два устройства обмениваются информацией асинхронно, в качестве протокола используется формат «свободная линия». Когда связываются три или более устройств, USART поддерживает многопроцессорные коммуникационные форматы со свободной линией и формат с адресным битом.
Многопроцессорный формат со свободной линией
Когда MM=0, выбирается многопроцессорный формат со свободной линией. Блоки данных на линиях передачи или приема разделены временем простоя, как показано на рис.13-3. Простой линии приема обнаруживается, когда приняты 10 или более непрерывных логических единиц (меток) после первого стопового бита символа. Когда для свободной линии используются два стоповых бита, второй стоповый бит принимается за первый маркерный бит периода простоя.
Первый символ, принятый после периода простоя является символом, содержащим адрес. Бит RXWAKE используется как адресный тэг для каждого фрэйма. В многопроцессорном формате свободной линии этот бит установлен, когда принятый символ – адрес, помещенный в UxRXBUF.
Рис.13-3 Формат свободной линии
Бит URXWIE используется для приема управляющих данных в многопроцессорном формате со свободной линией. Когда бит URXWIE установлен, все неадресные символы обрабатываются, но не перемещаются в UxRXBUF и прерывания не генерируются. Когда принят адресный символ, приемник временно активизируется для переноса символа в UxRXBUF и установки флага прерывания URXIFGx. Любой соответствующий флаг ошибки также устанавливается. Теперь пользователь может проверить корректность принятого адреса.
Если адрес принят, программное обеспечение пользователя может проверить правильность адреса и должно сбросить URXWIE для продолжения приема данных. Если URXWIE остается установленным, будут приниматься только адресные символы. Бит URXWIE не изменяется автоматически аппаратным обеспечением USART.
При передаче адреса в многопроцессорном формате со свободной линией точный период простоя для генерации идентификаторов адресного символа на UTXDx может быть сгенерирован модулем USART. Флаг временного пробуждения (WUT) – внутренний флаг с двойной буферизацией битом TXWAKE, доступным пользователю. Когда передатчик загружен из UxTXBUF, WUT также загружается из TXWAKE, сбрасывая бит TXWAKE.
Следующая процедура посылает фрэйм простоя для указания, что далее следует символ адреса:
-
Устанавливается TXWAKE, что приводит к записи любого символа в UxTXBUF. UxTXBUF должен быть готов для новых данных (UTXIFGx=1).
Значение TXWAKE сдвигается в WUT и содержимое UxTXBUF сдвигается в сдвиговый регистр передачи, когда он готов для передачи новых данных. Это приводит к установке бита WUT, который препятствует нормальной передаче битов старта, данных и контроля четности, поэтому происходит передача периода простоя длительностью точно 11 бит. Когда для свободной линии используются два стоповых бита, второй стоповый бит считается первым маркерным битом периода простоя. Бит TXWAKE сбрасывается автоматически. -
Записывается желаемый адресный символ в UxTXBUF. UxTXBUF должен быть готов для новых данных (UTXIFGx=1).
Новый символ, представляющий заданный адрес, сдвигается наружу после периода простоя, идентифицировавшего адрес на UTXDx. Необходима запись первого незначащего символа в UxTXBUF для сдвига бита TXWAKE в WUT и генерации состояния свободной линии. Эти данные отбрасываются и не появляются на UTXDx.
Многопроцессорный формат с адресным битом
Когда MM=1, выбирается многопроцессорный формат с адресным битом. Каждый обрабатываемый символ содержит дополнительный бит, используемый как указатель адреса (см. рис.13-4). Первый символ в блоке фрэймов несет установленный бит адреса, который указывает, что этот символ является адресом. Бит USART RXWAKE устанавливается, когда принятый символ является правильным адресом фрэйма, помещенным UxRXBUF.
Бит URXWIE используется для приема управляющих данных в многопроцессорном формате с адресным битом. Когда бит URXWIE установлен, символы данных (бит адреса равен 0) обрабатываются приемником, но не перемещаются в UxRXBUF и прерывания не генерируются. Когда принятый символ содержит установленный адресный бит, приемник временно активизируется для переноса символа в UxRXBUF и установки флага прерывания URXIFGx. Любой соответствующий флаг ошибки также устанавливается.
Если адрес принят, программное обеспечение пользователя может должно сбросить URXWIE для продолжения приема данных. Если URXWIE остается установленным, будут приниматься только адресные символы (адресный бит равен 0). Бит URXWIE не изменяется автоматически аппаратным обеспечением USART.
Рис.13-4 Многопроцессорный формат с адресным битом
При передаче адреса в многопроцессорном режиме с адресным битом, адресный бит символа может изменяться путем записи бита TXWAKE. Значение бита TXWAKE загружается в адресный бит символа, перемещенного из UxTXBUF в сдвиговый регистр передачи, при этом бит TXWAKE автоматически очищается. TXWAKE не должен очищаться программно. Он очищается аппаратными средствами USART после его переноса в WUT или при установке SWRST.
Автоматическое обнаружение ошибок
Подавление импульсных помех предотвращает случайный запуск USART. Любой сигнал низкого уровня на URXDx короче времени t? (около 300 нС) будет проигнорирован. См. руководство по применению конкретного устройства для выяснения точных параметров.
Когда длительность сигнала низкого уровня на URXDx превышает t?, этот сигнал мажоритарно принимается за стартовый бит. Если стартовый бит не будет мажоритарно обнаружен, модуль USART приостанавливает прием символа и ожидает следующего периода низкого уровня на URXDx. Мажоритарный принцип также используется для предотвращения поразрядных ошибок для каждого бита символа.
Модуль USART при приеме символов автоматически обнаруживает ошибки фрэйма, четности, переполнения и прерывания (разрыва). Обнаружение ошибки приводит к установке соответствующих битов FE, PE, OE и BRK. При установке любого из этих флагов также устанавливается RXERR. Ситуации сбоев описаны в таблице 13-1.
Таблица 13-1. Ошибки приема
| Ошибочное состояние | Описание |
| Ошибка фрэйма | Ошибка фрэйма (кадровой синхронизации) происходит при обнаружении стопового бита с низким уровнем. Когда используется два стоповых бита, на ошибку фрэйма проверяется только первый стоповый бит. При обнаружении ошибки фрэйма устанавливается бит FE. |
| Ошибка четности | Ошибка четности – несоответствие между числом единиц в фрейме и значением бита четности. Когда бит адреса включен в фрейм, он учитывается при определении четности. При обнаружении ошибки четности устанавливается бит PE. |
| Ошибка переполнения приема | Ошибка переполнения появляется в случае, когда символ загружается в UxRXBUF до прочтения предыдущего символа. Когда происходит перполнение, устанавливается бит OE. |
| Ошибка прерывания (разрыва) | Состояние разрыва – это период 10 или более нулевых битов, принятых на URXDx после пропущенного стопового бита. Когда обнаруживается состояние разрыва, устанавливается бит BRK. Состояние разрыва также устанавливает флаг прерывания URXIFGx. |
Если обнаружена ошибка фрэйма, четности или состояние разрыва и URXEIE=0, никакой символ не принимается в UxRXBUF. Когда URXEIE=1, символы принимаются в UxRXBUF и устанавливается любой соответствующий бит ошибки.
Когда любой из битов FE, PE, OE, BRK или RXERR установлен, он остается установленным до сброса программным обеспечением или до чтения UxRXBUF.
13.2.4 Разрешение приема USART
Бит разрешения приема URXEx разрешает или запрещает получение данных на URXDx, как показано на рис.13-5. Отключение приемника USART приводит к останову операции приема, начиная с символа, следующего за получаемым в настоящий момент символом или немедленно, если прием не выполняется. Буфер принимаемых данных UxRXBUF содержит символ, перемещенный из сдвигового регистра RX после его приема.
Рис.13-5 Диаграмма состояний при разрешении приема
| Примечание: Повторное разрешение работы приемника (установкой URXEx): режим UART |
13.2.5 Разрешение передачи USART
Передатчик USART включен, когда установлен бит UTXEx. Передача инициируется путем записи данных в UxTXBUF. При этом данные перемещаются в сдвиговый регистр передачи на следующем после опустошения сдвигового регистра TX импульсе BITCLK и передача начинается. Этот процесс показан на рис.13-6.
Если бит UTXEx сбрасывается, передача прекращается. Выполнение операций перемещения любых данных в UxTXBUF и передачи любых данных в сдвиговый регистр передачи, начатых до очистки бита UTXEx будет продолжено, пока передача не закончится.
Рис.13-6 Диаграмма состояний при разрешении передачи
Если передатчик включен (UTXEx=1), данные не будет записываться в UxTXBUF, пока его готовность принимать новые данные не будет объявлена установкой UTXIFGx=1. Нарушение этого может привести к ошибочной передаче, т.к. измененные данные будет перемещены в сдвиговый регистр TX.
Рекомендуется отключать передатчик (UTXEx=0) только после завершения любой выполнявшейся передачи. На это указывает установка бита опустошения передатчика (TXEPT=1). Любые данные, записанные в UxTXBUF в тот момент, когда передатчик отключен, будут находится в буфере, но не будут помещены в сдвиговый регистр передачи или переданы. Однократная установка UTXEx вызовет немедленную загрузку в сдвиговый регистр передачи данных из буфера передачи и возобновит передачу символа.
















