Оформленное ДЗ (1041574)
Текст из файла
| Московский ордена Ленина, ордена Октябрьской Революции и ордена Трудового Красного Знамени государственный технический университет имени Н.Э.Баумана |
| Домашнее задание №3 по курсу «Системы автоматического управления» |
| Вариант 29 |
| Выполнил: Студент группы МТ11-82 ____________________________________________________ (Тюлькова А.А.) Проверил: _____________________________________________________ (Рябов В.Т.) |
| Москва, 2015 г. |
-
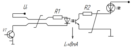
Аппаратная и программная инициализация ДК. Подключить расходомер с выходом «ОК, ОЭ n-p-n фототранзистора» к контроллеру с входом «Открытый катод СД». Обеспечить ток через светодиод и на линии связи 8 мА, питание анода светодиода – 5 В.
Линии связи для реализации дискретного контроля должны передать очищенный от помех сигнал от датчика дискретного контроля к вычислительному ядру. Дискретный контроль элементов объекта может сказать, открыта или закрыта вакуумная камера или клапан, достигло ли давление заданного порога, т.е. ответить на вопрос: да или нет? Датчики ДК могут быть пассивными или активными. Активные датчики для своей работы требуют электропитания Ud.
В роли активного датчика для измерения расхода жидкости или газа может выступать фототранзистор.
Где:
- напряжение питания датчика (
)
- падение напряжения на открытом транзисторе VT датчика (
)
- напряжение питания на светодиоде (
)
- номинальный ток светодиода (
)
Примем сопротивление резистора равным
- ближайшее значение (в сторону увеличения номинала) из нормального ряда сопротивлений.
Примем сопротивление резистора равным
- ближайшее значение (в сторону увеличения номинала) из нормального ряда сопротивлений.
-
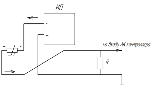
Обеспечить подключение датчика температуры с диапазоном -50..+300°С, с токовым выходом 4..20 мА и питанием +12..+42 В к входу АК контроллера 0..5 В. Рассчитать и выбрать нагрузочный резистор. Выводы датчика +V, -V. Рассчитать и построить характеристику Т(I). Сколько градусов приходится на одну дискрету, если преобразование 10-и разрядное.
Примем напряжение питания равным +24В. Тогда диапазон значений сопротивлений нагрузочного резистора:
Примем значение сопротивления резистора из нормального ряда сопротивлений:
С помощью программы Mathcad получим уравнение, описывающее взаимосвязь между током и температурой.
Определим количество дискрет:
Определим количество градусов, приходящихся на одну дискрету:
Характеристики
Тип файла документ
Документы такого типа открываются такими программами, как Microsoft Office Word на компьютерах Windows, Apple Pages на компьютерах Mac, Open Office - бесплатная альтернатива на различных платформах, в том числе Linux. Наиболее простым и современным решением будут Google документы, так как открываются онлайн без скачивания прямо в браузере на любой платформе. Существуют российские качественные аналоги, например от Яндекса.
Будьте внимательны на мобильных устройствах, так как там используются упрощённый функционал даже в официальном приложении от Microsoft, поэтому для просмотра скачивайте PDF-версию. А если нужно редактировать файл, то используйте оригинальный файл.
Файлы такого типа обычно разбиты на страницы, а текст может быть форматированным (жирный, курсив, выбор шрифта, таблицы и т.п.), а также в него можно добавлять изображения. Формат идеально подходит для рефератов, докладов и РПЗ курсовых проектов, которые необходимо распечатать. Кстати перед печатью также сохраняйте файл в PDF, так как принтер может начудить со шрифтами.
















