1 (1041572)
Текст из файла
-
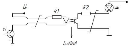
Аппаратная и программная инициализация ДК. Подключить расходомер с выходом «ОК, ОЭ n-p-n фототранзистора» к контроллеру с входом «Открытый катод СД». Обеспечить ток через светодиод и на линии связи 8 мА, питание анода светодиода – 5 В.
Линии связи для реализации дискретного контроля должны передать очищенный от помех сигнал от датчика дискретного контроля к вычислительному ядру. Дискретный контроль элементов объекта может сказать, открыта или закрыта вакуумная камера или клапан, достигло ли давление заданного порога, т.е. ответить на вопрос: да или нет? Датчики ДК могут быть пассивными или активными. Активные датчики для своей работы требуют электропитания Ud.
В роли активного датчика для измерения расхода жидкости или газа может выступать фототранзистор.
Где:
- напряжение питания датчика (
)
- падение напряжения на открытом транзисторе VT датчика (
)
- напряжение питания на светодиоде (
)
- номинальный ток светодиода (
)
Примем сопротивление резистора равным
- ближайшее значение (в сторону увеличения номинала) из нормального ряда сопротивлений.
Примем сопротивление резистора равным
- ближайшее значение (в сторону увеличения номинала) из нормального ряда сопротивлений.
Характеристики
Тип файла документ
Документы такого типа открываются такими программами, как Microsoft Office Word на компьютерах Windows, Apple Pages на компьютерах Mac, Open Office - бесплатная альтернатива на различных платформах, в том числе Linux. Наиболее простым и современным решением будут Google документы, так как открываются онлайн без скачивания прямо в браузере на любой платформе. Существуют российские качественные аналоги, например от Яндекса.
Будьте внимательны на мобильных устройствах, так как там используются упрощённый функционал даже в официальном приложении от Microsoft, поэтому для просмотра скачивайте PDF-версию. А если нужно редактировать файл, то используйте оригинальный файл.
Файлы такого типа обычно разбиты на страницы, а текст может быть форматированным (жирный, курсив, выбор шрифта, таблицы и т.п.), а также в него можно добавлять изображения. Формат идеально подходит для рефератов, докладов и РПЗ курсовых проектов, которые необходимо распечатать. Кстати перед печатью также сохраняйте файл в PDF, так как принтер может начудить со шрифтами.















